Поиск подшипника
Статьи
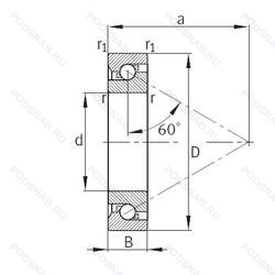
7603085-TVP — Шариковый радиально-упорный однорядный подшипник, модификация основного исполнения 7603085, производство FAG.
Размер подшипника: 85x180x41 мм.
Твердая клетка из полиамида.
Международная стандартизации ISO
7603085TVP
В наличии
| Обозначение | Гост | Конструктивные особенности |
|---|---|---|
| 7317C | ISO | Угол контакта 15°. |
| 7317 A | ISO | Двухрядный радиально-упорный шарикоподшипник без отверстия для смазки. |
| QJ 317 | ISO | Штампованный сепаратор из стального листа. Шариковый подшипник с четырех-точечным контактом. |
| QJ 317 N2 M | ISO | Подшипник с латунным сепаратором. центрированный по телам качения. Два установочных паза (выемки), расположенных под углом 180° друг от друга в одной боковой поверхности наружного кольца или шайбе корпуса.. |
| 6317BI | ISO | Угол контакта 40 градусов. |
| 7317-BE-MP | ISO | Single Row Angular Contact Ball Bearing With A 40° Угол контакта And Optimized Internal Design. Массивный латунный сепаратор. центрированный по телам качения. |
| 7317-BECB-MP | ISO | Массивный латунный сепаратор. центрированный по телам качения. |
| 26317К | ГОСТ | «Замок» (скос) на внутреннем кольце плюс массивный сепаратор из текстолита. |
| 36317К | ГОСТ | «Замок» (скос) на внутреннем кольце плюс массивный сепаратор из текстолита. |
| 6-66317 Л | ГОСТ | Сепаратор из латуни.. |
| 66317-E | ГОСТ | Повышенная грузоподъемность. |
| 66317-АЛ1 | ГОСТ | Сепаратор из латуни.. Повышенная грузоподъемность. |
| 66317-Л | ГОСТ | Сепаратор из латуни.. |
| 66317К | ГОСТ | «Замок» (скос) на внутреннем кольце плюс массивный сепаратор из текстолита. |
| 75-176317 ЕШ2 | ГОСТ | Сепаратор из текстолита.. Нормы шумности. |
| 45-176317 ЕШ2 | ГОСТ | Сепаратор из текстолита.. Нормы шумности. |
| 46317-Е5 | ГОСТ | Сепаратор из текстолита.. |
| 46317-Л | ГОСТ | Сепаратор из латуни.. |
| 46317К | ГОСТ | «Замок» (скос) на внутреннем кольце плюс массивный сепаратор из текстолита. |
| 6-176317 Е | ГОСТ | Сепаратор из текстолита.. |
Аналог шарикового подшипника 7603085-TVP — это подшипник такого же размера dx85,Dx180,Bx41, типа и конструкции.
| Обозначение | Конструктивные особенности | Внутренний (d) | Наружный (D) | Ширина (B) |
|---|---|---|---|---|
| 317-К5 | Шариковый радиальный однорядный подшипник. Повышенная грузоподъемность. | 85.00 | 180.00 | 41.00 |
| 317-Ш2У | Шариковый радиальный однорядный подшипник. Дополнительные технические требования. Нормы шумности. | 85.00 | 180.00 | 41.00 |
| 1317K+H317 | Шариковый сферический двухрядный подшипник. Коническое внутреннее отверстие. | 85.00 | 180.00 | 41.00 |
| 1317SK | Шариковый сферический двухрядный подшипник. Кулачковый толкатель штифтового типа. С шестигранной головкой. | 85.00 | 180.00 | 41.00 |
| 42317-АЕ | Роликовый радиальный однорядный подшипник. Сепаратор из текстолита.. Повышенная грузоподъемность. | 85.00 | 180.00 | 41.00 |
| 42317-Л | Роликовый радиальный однорядный подшипник. Сепаратор из латуни.. | 85.00 | 180.00 | 41.00 |
| 42317-Л1 | Роликовый радиальный однорядный подшипник. Сепаратор из латуни.. | 85.00 | 180.00 | 41.00 |
| 42317-М | Роликовый радиальный однорядный подшипник. Модифицированный контакт.. | 85.00 | 180.00 | 41.00 |
| 42317AE | Роликовый радиальный однорядный подшипник. Без суффикса. но с обозначением типа. | 85.00 | 180.00 | 41.00 |
| 42317EM | Роликовый радиальный однорядный подшипник. Стандартный фланцевый ( с резьбой и сквозным отверстием). | 85.00 | 180.00 | 41.00 |
| 42317KM | Роликовый радиальный однорядный подшипник. Type Of Model. | 85.00 | 180.00 | 41.00 |
| 42317M | Роликовый радиальный однорядный подшипник. Подшипник с латунным сепаратором. центрированный по телам качения. | 85.00 | 180.00 | 41.00 |
| 5-2317 К1Ш2У | Роликовый радиальный однорядный подшипник. Кольцевая проточка на середине цилиндрической наружной поверхности наружного кольца плюс три отверстия для смазки. Дополнительные технические требования. Нормы шумности. | 85.00 | 180.00 | 41.00 |
| 5-50317 Л | Шариковый радиальный однорядный подшипник. Сепаратор из латуни.. | 85.00 | 180.00 | 41.00 |
| 6-180317 Ш2У | Шариковый радиальный однорядный подшипник. Дополнительные технические требования. Нормы шумности. | 85.00 | 180.00 | 41.00 |
Способы доставки
Отправка через ведущие транспортные и курьерские компании: ПЭК, Деловые Линии, СДЭК, Байкал-Сервис, Энергия, КИТ, ЖелДорЭкспедиция.
Самовывоз возможен напрямую со склада в Москве.
Сроки доставки
Срок зависит от региона и выбранной транспортной компании. Все заказы комплектуются и отправляются в кратчайшие сроки со склада в Москве.
Надёжность и сохранность
Вся продукция упаковывается с учётом требований транспортировки. Мы гарантируем, что подшипники и комплектующие прибудут к заказчику в полной сохранности.
Доставка в страны ЕАЭС
Мы работаем с проверенными логистическими партнёрами, что позволяет оперативно доставлять заказы в Беларусь, Казахстан, Армению и другие страны ЕАЭС.
Варианты оплаты:
Минимальная сумма заказа и скидки:
Документы и гарантии:
Да, конечно! Наши технические специалисты готовы помочь вам с подбором точного аналога или замены подшипника. Просто позвоните нам по телефону +7 (495) 104-99-04 или напишите на почту zakaz@podsnab.ru.
Для оперативной консультации подготовьте, пожалуйста, имеющиеся данные: маркировку, размеры, тип оборудования или артикул старого подшипника.
Да, конечно! Мы высоко ценим долгосрочное сотрудничество и доверие клиентов по всей России. Для постоянных клиентов действует персональная система скидок.
Условия формируются индивидуально и зависят от:
Чтобы узнать свои условия и получить максимально выгодное предложение, свяжитесь с персональным менеджером или напишите нам на почту zakaz@podsnab.ru.
Вы можете оформить заказ несколькими способами:
Для оформления заказа от юридического лица свяжитесь с нашим отделом по работе с корпоративными клиентами по телефону +7 (495) 104-99-04 или напишите на email zakaz@podsnab.ru, прикрепив реквизиты вашей организации.
Мы оперативно подготовим коммерческое предложение и выставим счет.
Возврат товара надлежащего качества возможен в течение 10 дней с момента получения, если товар не был в употреблении, сохранен товарный вид, упаковка не вскрывалась и присутствуют все сопроводительные документы.
Возврат денежных средств осуществляется в течение 10 рабочих дней после проверки товара складом.
В соответствии с законодательством возврату не подлежат подшипники надлежащего качества, если отсутствует оригинальная упаковка или имеются следы монтажа.
В случае выявления брака или гарантийного случая мы гарантируем возврат или обмен товара.
Да, гарантийный срок хранения устанавливается заводом-изготовителем и в среднем составляет 2 года при соблюдении условий хранения: сухое помещение, оригинальная упаковка и смазка.
Точный срок для конкретного типа подшипника уточняйте у наших менеджеров.
Пн–Пт: с 8:00 до 17:00 (МСК).
Сб–Вс: выходные дни.
Заказы на сайте принимаются круглосуточно. Заявки, поступившие после окончания рабочего дня, обрабатываются на следующий рабочий день.
Минимальная сумма заказа для доставки составляет 3000 рублей. Самовывоз со склада возможен на любую сумму при наличии товара.
ООО «УралТехГрупп»
ИНН: 7415093830
КПП: 772401001
ОГРН: 1167456069021
Банк: ПАО Сбербанк
Р/с: 40702810838000475273
К/с: 30101810400000000225
БИК: 044525225
У подшипника 7603085-TVP пока нет отзывов. Вы можете стать первым покупателем, поделившимся своим мнением.