Поиск подшипника
Статьи
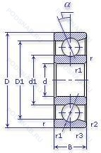
2-46109 Е4 — Шариковый радиально-упорный однорядный подшипник, модификация основного исполнения 46109, производство ГПЗ.
Размер подшипника: 45x75x16 мм.
Сепаратор из пластических материалов.
Аналоги: 7009ACDP2.
Государственный стандарт ГОСТ
246109Е4
В наличии
| Обозначение | Конструктивные изменения |
|---|---|
| 2-46109 Е2 | Сепаратор из пластических материалов.. |
| 2-46109 К | «Замок» (скос) на внутреннем кольце плюс массивный сепаратор из текстолита. |
| 24-46109 Е | Сепаратор из текстолита.. |
| 4-46109 Е2 | Сепаратор из пластических материалов.. |
| 4-46109 Е4 | Сепаратор из пластических материалов.. |
| 4-46109 Е5 | Сепаратор из текстолита.. |
| 4-46109 К | «Замок» (скос) на внутреннем кольце плюс массивный сепаратор из текстолита. |
| 4-46109 Ю | Все детали или часть деталей из нержавеющей стали.. |
| 2-46109-Е5 | Сепаратор из текстолита.. |
| 4-46109-Е | Сепаратор из текстолита.. |
| 6-46109 Е | Сепаратор из текстолита.. |
| 6-46109 Е2 | Сепаратор из пластических материалов.. |
| 6-46109 Е5 | Сепаратор из текстолита.. |
| 6-46109 ЕУ | Сепаратор из текстолита.. Дополнительные технические требования. |
| 6-46109 Л | Сепаратор из латуни.. |
| 46109-Е | Сепаратор из текстолита.. |
| 46109-Е5 | Сепаратор из текстолита.. |
| 46109-Л | Сепаратор из латуни.. |
| 46109E5 | Смазочные отверстия и канавки во внутреннем кольце. |
| 46109К | «Замок» (скос) на внутреннем кольце плюс массивный сепаратор из текстолита. |
| 5-46109 Е | Сепаратор из текстолита.. |
| 5-46109 Е2 | Сепаратор из пластических материалов.. |
| 5-46109 Е5 | Сепаратор из текстолита.. |
| 5-46109 ЕУ | Сепаратор из текстолита.. Дополнительные технические требования. |
| 5-46109 К | «Замок» (скос) на внутреннем кольце плюс массивный сепаратор из текстолита. |
Модификации шарикового подшипника 2-46109 Е4 — это измененное основное конструктивное исполнение 46109, основные размеры (45x75x16) не отличаются.
| Обозначение | Гост | Конструктивные особенности |
|---|---|---|
| QJ1009 | ISO | Штампованный сепаратор из стального листа. Шариковый подшипник с четырех-точечным контактом. |
| HSS7009-E-T-P4S | ISO | Повышенная грузоподъемность. Textile Laminated Phenolic Resin. Outer Ring Guided. The Cage Is Suitable For Long-Term Operation At Temperatures Up To 100°C. Класс точности. стандарт FAG лучше чем P4. |
| 7009CPA | ISO | Угол контакта 15 градусов. |
| HAR009CA | ISO | Латунный сепаратор с симметричными роликами. |
| HAR009C | ISO | Угол контакта 15 градусов. |
| 7009AC | ISO | Суффикс для радиально-упорного шарикоподшипника. |
| 5S-2LA-BNS009ADLLBG/GNP42 | ISO | Универсальный подшипник. Нитриловое бесконтактное уплотнение (-25 to +120°C). Класс точности JIS4 для размеров и JIS 2 для точности вращения. Угол контакта 25°. Гибридный подшипник. |
| 5S-2LA-BNS009CLLBG/GNP42 | ISO | Угол контакта 15°. Универсальный подшипник. Нитриловое бесконтактное уплотнение (-25 to +120°C). Класс точности JIS4 для размеров и JIS 2 для точности вращения. Гибридный подшипник. |
| 5S-2LA-BNS009LLBG/GNP42 | ISO | Универсальный подшипник. Нитриловое бесконтактное уплотнение (-25 to +120°C). Класс точности JIS4 для размеров и JIS 2 для точности вращения. Гибридный подшипник. |
| 5S-2LA-HSE009CG/GNP42 | ISO | Угол контакта 15°. Универсальный подшипник. Класс точности JIS4 для размеров и JIS 2 для точности вращения. Гибридный подшипник. |
| 5S-2LA-HSE009ADG/GNP42 | ISO | Универсальный подшипник. Класс точности JIS4 для размеров и JIS 2 для точности вращения. Угол контакта 25°. Гибридный подшипник. |
| 2-36109 КЕ | ГОСТ | «Замок» (скос) на внутреннем кольце плюс массивный сепаратор из текстолита. Сепаратор из текстолита.. |
| 22-36109 КУ | ГОСТ | «Замок» (скос) на внутреннем кольце плюс массивный сепаратор из текстолита. Дополнительные технические требования. |
| 36109-КЕ | ГОСТ | «Замок» (скос) на внутреннем кольце плюс массивный сепаратор из текстолита. Сепаратор из текстолита.. |
| 36109K | ГОСТ | Коническое отверстие. Конусность 1/12. |
| 36109-К | ГОСТ | «Замок» (скос) на внутреннем кольце плюс массивный сепаратор из текстолита. |
| 36109К6 | ГОСТ | «Замок» (скос) на внутреннем кольце. |
| 36109К7 | ГОСТ | «Замок» (скос) на внутреннем кольце. |
| 6-36109 Е | ГОСТ | Сепаратор из текстолита.. |
| 5-36109 К | ГОСТ | «Замок» (скос) на внутреннем кольце плюс массивный сепаратор из текстолита. |
Аналог шарикового подшипника 2-46109 Е4 — это подшипник такого же размера dx45,Dx75,Bx16, типа и конструкции.
| Обозначение | Конструктивные особенности | Внутренний (d) | Наружный (D) | Ширина (B) |
|---|---|---|---|---|
| 180109-А | Шариковый радиальный однорядный подшипник. Повышенная грузоподъемность. | 45.00 | 75.00 | 16.00 |
| 180109-С17 | Шариковый радиальный однорядный подшипник. Смазка Литол-24. | 45.00 | 75.00 | 16.00 |
| 26-109 Б | Шариковый радиальный однорядный подшипник. Сепаратор из безоловянистой бронзы.. | 45.00 | 75.00 | 16.00 |
| 26-109 БТ2 | Шариковый радиальный однорядный подшипник. 200°. Температура отпуска. Сепаратор из безоловянистой бронзы.. | 45.00 | 75.00 | 16.00 |
| 4-109 У | Шариковый радиальный однорядный подшипник. Дополнительные технические требования. | 45.00 | 75.00 | 16.00 |
| BSD 4575 C | Шариковый упорный подшипник. 15° Угол контакта. | 45.00 | 75.00 | 15.00 |
| BSD 4575 CG | Шариковый упорный однорядный подшипник. Резьбовой винт со стопором и защелкой. | 45.00 | 75.00 | 15.00 |
| BSD 4575 CG-2RZ | Шариковый упорный однорядный подшипник. Шарикоподшипник. С уплотнением и низким коэффициентом трения с обеих сторон. Уплотнение состоит из шайбы из листовой стали с вулканизированной резиной. Резьбовой винт со стопором и защелкой. | 45.00 | 75.00 | 15.00 |
| SAC4575B | Шариковый упорный однорядный подшипник. Конический роликовый подшипник. Угол контакта 20 градусов. | 45.00 | 75.00 | 15.00 |
| 4-36109-КЕ | Шариковый радиально-упорный сдвоенный подшипник. «Замок» (скос) на внутреннем кольце плюс массивный сепаратор из текстолита. Сепаратор из текстолита.. | 45.00 | 75.00 | 16.00 |
| 50109-А | Шариковый радиальный однорядный подшипник. Повышенная грузоподъемность. | 45.00 | 75.00 | 16.00 |
| 56-32109 Б1Т2 | Роликовый радиальный однорядный подшипник. 200°. Температура отпуска. Сепаратор из безоловянистой бронзы.. | 45.00 | 75.00 | 16.00 |
| 6-109 БТ2 | Шариковый радиальный однорядный подшипник. 200°. Температура отпуска. Сепаратор из безоловянистой бронзы.. | 45.00 | 75.00 | 16.00 |
| 6-109 Ю | Шариковый радиальный однорядный подшипник. Все детали или часть деталей из нержавеющей стали.. | 45.00 | 75.00 | 16.00 |
| 6-180109 С17 | Шариковый радиальный однорядный подшипник. Смазка Литол-24. | 45.00 | 75.00 | 16.00 |
Способы доставки
Отправка через ведущие транспортные и курьерские компании: ПЭК, Деловые Линии, СДЭК, Байкал-Сервис, Энергия, КИТ, ЖелДорЭкспедиция.
Самовывоз возможен напрямую со склада в Москве.
Сроки доставки
Срок зависит от региона и выбранной транспортной компании. Все заказы комплектуются и отправляются в кратчайшие сроки со склада в Москве.
Надёжность и сохранность
Вся продукция упаковывается с учётом требований транспортировки. Мы гарантируем, что подшипники и комплектующие прибудут к заказчику в полной сохранности.
Доставка в страны ЕАЭС
Мы работаем с проверенными логистическими партнёрами, что позволяет оперативно доставлять заказы в Беларусь, Казахстан, Армению и другие страны ЕАЭС.
Варианты оплаты:
Минимальная сумма заказа и скидки:
Документы и гарантии:
Да, конечно! Наши технические специалисты готовы помочь вам с подбором точного аналога или замены подшипника. Просто позвоните нам по телефону +7 (495) 104-99-04 или напишите на почту zakaz@podsnab.ru.
Для оперативной консультации подготовьте, пожалуйста, имеющиеся данные: маркировку, размеры, тип оборудования или артикул старого подшипника.
Да, конечно! Мы высоко ценим долгосрочное сотрудничество и доверие клиентов по всей России. Для постоянных клиентов действует персональная система скидок.
Условия формируются индивидуально и зависят от:
Чтобы узнать свои условия и получить максимально выгодное предложение, свяжитесь с персональным менеджером или напишите нам на почту zakaz@podsnab.ru.
Вы можете оформить заказ несколькими способами:
Для оформления заказа от юридического лица свяжитесь с нашим отделом по работе с корпоративными клиентами по телефону +7 (495) 104-99-04 или напишите на email zakaz@podsnab.ru, прикрепив реквизиты вашей организации.
Мы оперативно подготовим коммерческое предложение и выставим счет.
Возврат товара надлежащего качества возможен в течение 10 дней с момента получения, если товар не был в употреблении, сохранен товарный вид, упаковка не вскрывалась и присутствуют все сопроводительные документы.
Возврат денежных средств осуществляется в течение 10 рабочих дней после проверки товара складом.
В соответствии с законодательством возврату не подлежат подшипники надлежащего качества, если отсутствует оригинальная упаковка или имеются следы монтажа.
В случае выявления брака или гарантийного случая мы гарантируем возврат или обмен товара.
Да, гарантийный срок хранения устанавливается заводом-изготовителем и в среднем составляет 2 года при соблюдении условий хранения: сухое помещение, оригинальная упаковка и смазка.
Точный срок для конкретного типа подшипника уточняйте у наших менеджеров.
Пн–Пт: с 8:00 до 17:00 (МСК).
Сб–Вс: выходные дни.
Заказы на сайте принимаются круглосуточно. Заявки, поступившие после окончания рабочего дня, обрабатываются на следующий рабочий день.
Минимальная сумма заказа для доставки составляет 3000 рублей. Самовывоз со склада возможен на любую сумму при наличии товара.
ООО «УралТехГрупп»
ИНН: 7415093830
КПП: 772401001
ОГРН: 1167456069021
Банк: ПАО Сбербанк
Р/с: 40702810838000475273
К/с: 30101810400000000225
БИК: 044525225
У подшипника 2-46109 Е4 пока нет отзывов. Вы можете стать первым покупателем, поделившимся своим мнением.