Поиск подшипника
Статьи
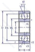
4-46108 КЕ — Шариковый радиально-упорный однорядный подшипник, модификация основного исполнения 46108, производство ГПЗ.
Размер подшипника: 40x68x15 мм.
«замок» (скос) на внутреннем кольце плюс массивный сепаратор из текстолита, сепаратор из текстолита.
Государственный стандарт ГОСТ
446108КЕ
В наличии
| Обозначение | Конструктивные изменения |
|---|---|
| 2-46108 Е4 | Сепаратор из пластических материалов.. |
| 2-46108 Е5 | Сепаратор из текстолита.. |
| 2-46108 К | «Замок» (скос) на внутреннем кольце плюс массивный сепаратор из текстолита. |
| 4-46108 Е | Сепаратор из текстолита.. |
| 4-46108 К | «Замок» (скос) на внутреннем кольце плюс массивный сепаратор из текстолита. |
| 4-46108 Л | Сепаратор из латуни.. |
| 2-46108-Л | Сепаратор из латуни.. |
| 4-46108-Е2 | Сепаратор из пластических материалов.. |
| 4-46108-Е4 | Сепаратор из пластических материалов.. |
| 4-46108-Е5 | Сепаратор из текстолита.. |
| 6-46108 Е2 | Сепаратор из пластических материалов.. |
| 6-46108 Е5 | Сепаратор из текстолита.. |
| 6-46108 КЕ | «Замок» (скос) на внутреннем кольце плюс массивный сепаратор из текстолита. Сепаратор из текстолита.. |
| 6-46108 Л | Сепаратор из латуни.. |
| 6-46108 Ю | Все детали или часть деталей из нержавеющей стали.. |
| 46108-Е | Сепаратор из текстолита.. |
| 46108-Е5 | Сепаратор из текстолита.. |
| 46108-Л | Сепаратор из латуни.. |
| 46108E5 | Смазочные отверстия и канавки во внутреннем кольце. |
| 46108К | «Замок» (скос) на внутреннем кольце плюс массивный сепаратор из текстолита. |
| 5-46108 Е | Сепаратор из текстолита.. |
| 5-46108 Е2 | Сепаратор из пластических материалов.. |
| 5-46108 Е5 | Сепаратор из текстолита.. |
| 5-46108 К | «Замок» (скос) на внутреннем кольце плюс массивный сепаратор из текстолита. |
| 5-46108 Л | Сепаратор из латуни.. |
Модификации шарикового подшипника 4-46108 КЕ — это измененное основное конструктивное исполнение 46108, основные размеры (40x68x15) не отличаются.
| Обозначение | Гост | Конструктивные особенности |
|---|---|---|
| 14-36108 КЕ5 | ГОСТ | «Замок» (скос) на внутреннем кольце плюс массивный сепаратор из текстолита. Сепаратор из текстолита.. |
| 14-36108 КУ | ГОСТ | «Замок» (скос) на внутреннем кольце плюс массивный сепаратор из текстолита. Дополнительные технические требования. |
| 2-36108 Е5 | ГОСТ | Сепаратор из текстолита.. |
| 2-36108 КЕ | ГОСТ | «Замок» (скос) на внутреннем кольце плюс массивный сепаратор из текстолита. Сепаратор из текстолита.. |
| 2-36108 КЕ5 | ГОСТ | «Замок» (скос) на внутреннем кольце плюс массивный сепаратор из текстолита. Сепаратор из текстолита.. |
| 2-36108 КУ2 | ГОСТ | «Замок» (скос) на внутреннем кольце плюс массивный сепаратор из текстолита. Дополнительные технические требования. |
| 36108-Е | ГОСТ | Сепаратор из текстолита.. |
| 36108-КЕ | ГОСТ | «Замок» (скос) на внутреннем кольце плюс массивный сепаратор из текстолита. Сепаратор из текстолита.. |
| 36108K | ГОСТ | Коническое отверстие. Конусность 1/12. |
| 36108KЕ5 | ГОСТ | Коническое отверстие. Конусность 1/12. Сепаратор из текстолита.. |
| 36108KУ | ГОСТ | Коническое отверстие. Конусность 1/12. Дополнительные технические требования. |
| 36108К | ГОСТ | «Замок» (скос) на внутреннем кольце плюс массивный сепаратор из текстолита. |
| 36108К6 | ГОСТ | «Замок» (скос) на внутреннем кольце. |
| 36108К7 | ГОСТ | «Замок» (скос) на внутреннем кольце. |
| 36108Л | ГОСТ | Сепаратор из латуни.. |
| 6-36108 К | ГОСТ | «Замок» (скос) на внутреннем кольце плюс массивный сепаратор из текстолита. |
| 6-36108 Л | ГОСТ | Сепаратор из латуни.. |
| 75-126108 Б | ГОСТ | Сепаратор из безоловянистой бронзы.. |
| 5-36108 Е | ГОСТ | Сепаратор из текстолита.. |
| 5-36108 К | ГОСТ | «Замок» (скос) на внутреннем кольце плюс массивный сепаратор из текстолита. |
Аналог шарикового подшипника 4-46108 КЕ — это подшипник такого же размера dx40,Dx68,Bx15, типа и конструкции.
| Обозначение | Конструктивные особенности | Внутренний (d) | Наружный (D) | Ширина (B) |
|---|---|---|---|---|
| 3NCHAR008CA | Шариковый радиальный однорядный подшипник. Угол контакта 20 градусов. Латунный сепаратор с симметричными роликами. | 40.00 | 68.00 | 15.00 |
| 3NCHAR008 | Шариковый радиальный однорядный подшипник. Угол контакта 20 градусов. | 40.00 | 68.00 | 15.00 |
| 108-А | Шариковый радиальный однорядный подшипник. Повышенная грузоподъемность. | 40.00 | 68.00 | 15.00 |
| 108-АК | Шариковый радиальный однорядный подшипник. Повышенная грузоподъемность. | 40.00 | 68.00 | 15.00 |
| 108-К | Шариковый радиальный однорядный подшипник. «Замок» (скос) на внутреннем кольце плюс массивный сепаратор из текстолита. | 40.00 | 68.00 | 15.00 |
| 108-Л | Шариковый радиальный однорядный подшипник. Сепаратор из латуни.. | 40.00 | 68.00 | 15.00 |
| 180108-АК | Шариковый радиальный однорядный подшипник. Повышенная грузоподъемность. | 40.00 | 68.00 | 15.00 |
| 180108-КС17 | Шариковый радиальный однорядный подшипник. Смазка Литол-24. «Замок» (скос) на внутреннем кольце плюс массивный сепаратор из текстолита. | 40.00 | 68.00 | 15.00 |
| 180108-С17 | Шариковый радиальный однорядный подшипник. Смазка Литол-24. | 40.00 | 68.00 | 15.00 |
| 26-108 Ю2Т | Шариковый радиальный однорядный подшипник. Температура отпуска. 160°. Все детали или часть деталей из нержавеющей стали.. | 40.00 | 68.00 | 15.00 |
| 4-36108-КЕ | Шариковый радиально-упорный сдвоенный подшипник. «Замок» (скос) на внутреннем кольце плюс массивный сепаратор из текстолита. Сепаратор из текстолита.. | 40.00 | 68.00 | 15.00 |
| 5-108 Б | Шариковый радиальный однорядный подшипник. Сепаратор из безоловянистой бронзы.. | 40.00 | 68.00 | 15.00 |
| 5-108 Л | Шариковый радиальный однорядный подшипник. Сепаратор из латуни.. | 40.00 | 68.00 | 15.00 |
| 5-108 Р | Шариковый радиальный однорядный подшипник. Детали из теплоустойчивой (быстрорежущие) стали.. | 40.00 | 68.00 | 15.00 |
| 6-108 А | Шариковый радиальный однорядный подшипник. Повышенная грузоподъемность. | 40.00 | 68.00 | 15.00 |
Способы доставки
Отправка через ведущие транспортные и курьерские компании: ПЭК, Деловые Линии, СДЭК, Байкал-Сервис, Энергия, КИТ, ЖелДорЭкспедиция.
Самовывоз возможен напрямую со склада в Москве.
Сроки доставки
Срок зависит от региона и выбранной транспортной компании. Все заказы комплектуются и отправляются в кратчайшие сроки со склада в Москве.
Надёжность и сохранность
Вся продукция упаковывается с учётом требований транспортировки. Мы гарантируем, что подшипники и комплектующие прибудут к заказчику в полной сохранности.
Доставка в страны ЕАЭС
Мы работаем с проверенными логистическими партнёрами, что позволяет оперативно доставлять заказы в Беларусь, Казахстан, Армению и другие страны ЕАЭС.
Варианты оплаты:
Минимальная сумма заказа и скидки:
Документы и гарантии:
Да, конечно! Наши технические специалисты готовы помочь вам с подбором точного аналога или замены подшипника. Просто позвоните нам по телефону +7 (495) 104-99-04 или напишите на почту zakaz@podsnab.ru.
Для оперативной консультации подготовьте, пожалуйста, имеющиеся данные: маркировку, размеры, тип оборудования или артикул старого подшипника.
Да, конечно! Мы высоко ценим долгосрочное сотрудничество и доверие клиентов по всей России. Для постоянных клиентов действует персональная система скидок.
Условия формируются индивидуально и зависят от:
Чтобы узнать свои условия и получить максимально выгодное предложение, свяжитесь с персональным менеджером или напишите нам на почту zakaz@podsnab.ru.
Вы можете оформить заказ несколькими способами:
Для оформления заказа от юридического лица свяжитесь с нашим отделом по работе с корпоративными клиентами по телефону +7 (495) 104-99-04 или напишите на email zakaz@podsnab.ru, прикрепив реквизиты вашей организации.
Мы оперативно подготовим коммерческое предложение и выставим счет.
Возврат товара надлежащего качества возможен в течение 10 дней с момента получения, если товар не был в употреблении, сохранен товарный вид, упаковка не вскрывалась и присутствуют все сопроводительные документы.
Возврат денежных средств осуществляется в течение 10 рабочих дней после проверки товара складом.
В соответствии с законодательством возврату не подлежат подшипники надлежащего качества, если отсутствует оригинальная упаковка или имеются следы монтажа.
В случае выявления брака или гарантийного случая мы гарантируем возврат или обмен товара.
Да, гарантийный срок хранения устанавливается заводом-изготовителем и в среднем составляет 2 года при соблюдении условий хранения: сухое помещение, оригинальная упаковка и смазка.
Точный срок для конкретного типа подшипника уточняйте у наших менеджеров.
Пн–Пт: с 8:00 до 17:00 (МСК).
Сб–Вс: выходные дни.
Заказы на сайте принимаются круглосуточно. Заявки, поступившие после окончания рабочего дня, обрабатываются на следующий рабочий день.
Минимальная сумма заказа для доставки составляет 3000 рублей. Самовывоз со склада возможен на любую сумму при наличии товара.
ООО «УралТехГрупп»
ИНН: 7415093830
КПП: 772401001
ОГРН: 1167456069021
Банк: ПАО Сбербанк
Р/с: 40702810838000475273
К/с: 30101810400000000225
БИК: 044525225
У подшипника 4-46108 КЕ пока нет отзывов. Вы можете стать первым покупателем, поделившимся своим мнением.