Поиск подшипника
Статьи
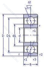
4-46222 Л — Шариковый радиально-упорный однорядный подшипник, модификация основного исполнения 46222, производство ГПЗ.
Размер подшипника: 110x200x38 мм.
Сепаратор из латуни.
Государственный стандарт ГОСТ
446222Л
В наличии
| Обозначение | Конструктивные изменения |
|---|---|
| Т-46222 Л | Сепаратор из латуни.. |
| 8-46222 Л | Сепаратор из латуни.. |
| 46222 | Шариковый радиально-упорный однорядный подшипник. Основное конструктивное исполнение. |
| 2-46222-Л | Сепаратор из латуни.. |
| 6-46222 Л | Сепаратор из латуни.. |
| 46222-Л | Сепаратор из латуни.. |
| 46222К | «Замок» (скос) на внутреннем кольце плюс массивный сепаратор из текстолита. |
| 5-46222 Л | Сепаратор из латуни.. |
Модификации шарикового подшипника 4-46222 Л — это измененное основное конструктивное исполнение 46222, основные размеры (110x200x38) не отличаются.
| Обозначение | Гост | Конструктивные особенности |
|---|---|---|
| E 200/110/S 7CE3 | ISO | Запечатанная версия кулачкового ролика. Очень высокая грузоподъемность.. 1.5/8. |
| 7222HG1UJ74 | ISO | Угол контакта 25°. Преднатяг (Лёгкий. Универсальные подшпники. |
| 7222WN MBR | ISO | Sizes 7201K Through 7203WN Have A 20° Угол контакта And A Nylon Cage. Sizes 7204WN through 7218WN have a 40° Угол контакта And A One-Piece. Ball Piloted. Pressed Brass Cage. Larger Sizes 7219WN Through 7230WN Have A 40° Угол контакта And A One-Piece. Outer Ring Piloted High-Strength Machined Bronze Cage. Механически обработанный бронзовый фиксатор. |
| 7222C | ISO | Угол контакта 15°. |
| 7222 A | ISO | Двухрядный радиально-упорный шарикоподшипник без отверстия для смазки. |
| QJ 222 N2 M | ISO | Подшипник с латунным сепаратором. центрированный по телам качения. Два установочных паза (выемки), расположенных под углом 180° друг от друга в одной боковой поверхности наружного кольца или шайбе корпуса.. |
| 6222BI | ISO | Угол контакта 40 градусов. |
| 7222CPA | ISO | Угол контакта 15 градусов. |
| 7222-BE-MP | ISO | Single Row Angular Contact Ball Bearing With A 40° Угол контакта And Optimized Internal Design. Массивный латунный сепаратор. центрированный по телам качения. |
| 176222-Л | ГОСТ | Сепаратор из латуни.. |
| 176222-Л1Т | ГОСТ | Температура отпуска. 160°. Сепаратор из латуни.. |
| 176222-ЛТ | ГОСТ | Сепаратор из латуни.. Температура отпуска. 160°. |
| 26222К | ГОСТ | «Замок» (скос) на внутреннем кольце плюс массивный сепаратор из текстолита. |
| 36222К | ГОСТ | «Замок» (скос) на внутреннем кольце плюс массивный сепаратор из текстолита. |
| 36222К6 | ГОСТ | «Замок» (скос) на внутреннем кольце. |
| 66222-АЛ1 | ГОСТ | Сепаратор из латуни.. Повышенная грузоподъемность. |
| 8-116222 Б1Т2 | ГОСТ | 200°. Температура отпуска. Сепаратор из безоловянистой бронзы.. |
| 5-176222 Л1Т | ГОСТ | Температура отпуска. 160°. Сепаратор из латуни.. |
| 5-176822 Б1Т | ГОСТ | Температура отпуска. 160°. Сепаратор из безоловянистой бронзы.. |
| 6-116222 Б1Т2 | ГОСТ | 200°. Температура отпуска. Сепаратор из безоловянистой бронзы.. |
Аналог шарикового подшипника 4-46222 Л — это подшипник такого же размера dx110,Dx200,Bx38, типа и конструкции.
| Обозначение | Конструктивные особенности | Внутренний (d) | Наружный (D) | Ширина (B) |
|---|---|---|---|---|
| 6222LU | Шариковый радиальный однорядный подшипник. Двухкромочное нитриловое контактное уплотнение. | 22.00 | 50.00 | 38.00 |
| 6222LLB | Шариковый радиальный однорядный подшипник. Уплотнение бесконтактного типа из синтетического каучука. | 22.00 | 50.00 | 38.00 |
| 6222LLUNR | Шариковый радиальный однорядный подшипник. Канавка и стопорное кольцо на наружном кольце. Двухкромочное нитриловое контактное уплотнение. | 110.00 | 200.00 | 38.00 |
| 6222-RS1 | Шариковый радиальный однорядный подшипник. Резиновое уплотнение с одной стороны. | 110.00 | 200.00 | 38.00 |
| 2-222-Е1 | Шариковый радиальный однорядный подшипник. Сепаратор из текстолита.. | 110.00 | 200.00 | 38.00 |
| 2-222-Л | Роликовый радиальный подшипник. Сепаратор из латуни.. | 110.00 | 200.00 | 38.00 |
| 222-АЛ | Шариковый радиальный однорядный подшипник. Сепаратор из латуни.. Повышенная грузоподъемность. | 110.00 | 200.00 | 38.00 |
| 222-Е1 | Шариковый радиальный однорядный подшипник. Сепаратор из текстолита.. | 110.00 | 200.00 | 38.00 |
| 222-К | Шариковый радиальный однорядный подшипник. «Замок» (скос) на внутреннем кольце плюс массивный сепаратор из текстолита. | 110.00 | 200.00 | 38.00 |
| 222-Л | Шариковый радиальный однорядный подшипник. Сепаратор из латуни.. | 110.00 | 200.00 | 38.00 |
| 4-222 Е1 | Шариковый радиальный однорядный подшипник. Сепаратор из текстолита.. | 110.00 | 200.00 | 38.00 |
| 4-222 Л | Шариковый радиальный однорядный подшипник. Сепаратор из латуни.. | 110.00 | 200.00 | 38.00 |
| NU 222 ECML | Роликовый радиальный однорядный подшипник. Однорядный цилиндрический роликовый подшипник. | 110.00 | 200.00 | 38.00 |
| 402222-КМ | Роликовый радиальный цилиндрический подшипник. Кольцевая проточка на середине цилиндрической наружной поверхности наружного кольца плюс три отверстия для смазки. Модифицированный контакт.. | 110.00 | 200.00 | 38.00 |
| 5-222 Л | Шариковый радиальный однорядный подшипник. Сепаратор из латуни.. | 110.00 | 200.00 | 38.00 |
Способы доставки
Отправка через ведущие транспортные и курьерские компании: ПЭК, Деловые Линии, СДЭК, Байкал-Сервис, Энергия, КИТ, ЖелДорЭкспедиция.
Самовывоз возможен напрямую со склада в Москве.
Сроки доставки
Срок зависит от региона и выбранной транспортной компании. Все заказы комплектуются и отправляются в кратчайшие сроки со склада в Москве.
Надёжность и сохранность
Вся продукция упаковывается с учётом требований транспортировки. Мы гарантируем, что подшипники и комплектующие прибудут к заказчику в полной сохранности.
Доставка в страны ЕАЭС
Мы работаем с проверенными логистическими партнёрами, что позволяет оперативно доставлять заказы в Беларусь, Казахстан, Армению и другие страны ЕАЭС.
Варианты оплаты:
Минимальная сумма заказа и скидки:
Документы и гарантии:
Да, конечно! Наши технические специалисты готовы помочь вам с подбором точного аналога или замены подшипника. Просто позвоните нам по телефону +7 (495) 104-99-04 или напишите на почту zakaz@podsnab.ru.
Для оперативной консультации подготовьте, пожалуйста, имеющиеся данные: маркировку, размеры, тип оборудования или артикул старого подшипника.
Да, конечно! Мы высоко ценим долгосрочное сотрудничество и доверие клиентов по всей России. Для постоянных клиентов действует персональная система скидок.
Условия формируются индивидуально и зависят от:
Чтобы узнать свои условия и получить максимально выгодное предложение, свяжитесь с персональным менеджером или напишите нам на почту zakaz@podsnab.ru.
Вы можете оформить заказ несколькими способами:
Для оформления заказа от юридического лица свяжитесь с нашим отделом по работе с корпоративными клиентами по телефону +7 (495) 104-99-04 или напишите на email zakaz@podsnab.ru, прикрепив реквизиты вашей организации.
Мы оперативно подготовим коммерческое предложение и выставим счет.
Возврат товара надлежащего качества возможен в течение 10 дней с момента получения, если товар не был в употреблении, сохранен товарный вид, упаковка не вскрывалась и присутствуют все сопроводительные документы.
Возврат денежных средств осуществляется в течение 10 рабочих дней после проверки товара складом.
В соответствии с законодательством возврату не подлежат подшипники надлежащего качества, если отсутствует оригинальная упаковка или имеются следы монтажа.
В случае выявления брака или гарантийного случая мы гарантируем возврат или обмен товара.
Да, гарантийный срок хранения устанавливается заводом-изготовителем и в среднем составляет 2 года при соблюдении условий хранения: сухое помещение, оригинальная упаковка и смазка.
Точный срок для конкретного типа подшипника уточняйте у наших менеджеров.
Пн–Пт: с 8:00 до 17:00 (МСК).
Сб–Вс: выходные дни.
Заказы на сайте принимаются круглосуточно. Заявки, поступившие после окончания рабочего дня, обрабатываются на следующий рабочий день.
Минимальная сумма заказа для доставки составляет 3000 рублей. Самовывоз со склада возможен на любую сумму при наличии товара.
ООО «УралТехГрупп»
ИНН: 7415093830
КПП: 772401001
ОГРН: 1167456069021
Банк: ПАО Сбербанк
Р/с: 40702810838000475273
К/с: 30101810400000000225
БИК: 044525225
У подшипника 4-46222 Л пока нет отзывов. Вы можете стать первым покупателем, поделившимся своим мнением.