Поиск подшипника
Статьи
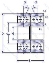
24-246120-КУ12 — Шариковый радиально-упорный сдвоенный подшипник, модификация основного исполнения 246120, производство ГПЗ.
Размер подшипника: 100x150x72 мм.
Дополнительные технические требования, «замок» (скос) на внутреннем кольце плюс массивный сепаратор из текстолита.
Аналоги: A7020ETPAP4U.
Государственный стандарт ГОСТ
24246120КУ12
В наличии
| Обозначение | Конструктивные изменения |
|---|---|
| Т-246120 Е5 | Сепаратор из текстолита.. |
| Т-246120 Л | Сепаратор из латуни.. |
| 2Т-246120 КУ12 | «Замок» (скос) на внутреннем кольце плюс массивный сепаратор из текстолита. Дополнительные технические требования. |
| 2Т-246120 ЛУ12 | Сепаратор из латуни.. Дополнительные технические требования. |
| 2-246120 ЕУ22 | Сепаратор из текстолита.. Дополнительные технические требования. |
| 2-246120 Е | Сепаратор из текстолита.. |
| 22-246120 ЕУ12 | Сепаратор из текстолита.. Дополнительные технические требования. |
| 22-246120 ЕУ | Сепаратор из текстолита.. Дополнительные технические требования. |
| 22-246120 Е | Сепаратор из текстолита.. |
| 22-246120 Л | Сепаратор из латуни.. |
| 24-246120-ЕУ | Сепаратор из текстолита.. Дополнительные технические требования. |
| 24-246120-ЛУ12 | Сепаратор из латуни.. Дополнительные технические требования. |
| 24-246120-Л | Сепаратор из латуни.. |
| 6-246120 Л | Сепаратор из латуни.. |
| 246120 | Шариковый радиально-упорный сдвоенный подшипник. Основное конструктивное исполнение. |
| 12-246120 Е1 | Сепаратор из текстолита.. |
| 2-246120 Е5 | Сепаратор из текстолита.. |
| 2-246120 К | «Замок» (скос) на внутреннем кольце плюс массивный сепаратор из текстолита. |
| 2-246120 Л | Сепаратор из латуни.. |
| 22-246120 Е1 | Сепаратор из текстолита.. |
| 22-246120 КУ12 | «Замок» (скос) на внутреннем кольце плюс массивный сепаратор из текстолита. Дополнительные технические требования. |
| 22-246120 ЛУ12 | Сепаратор из латуни.. Дополнительные технические требования. |
| 4-246120 К | «Замок» (скос) на внутреннем кольце плюс массивный сепаратор из текстолита. |
| 5-246120 Л | Сепаратор из латуни.. |
Модификации шарикового подшипника 24-246120-КУ12 — это измененное основное конструктивное исполнение 246120, основные размеры (100x150x72) не отличаются.
| Обозначение | Конструктивные особенности | Внутренний (d) | Наружный (D) | Ширина (B) |
|---|---|---|---|---|
| B7020-C-T-P4S-TUM | Подшипник шариковый однорядный радиально-упорный. 15° Угол контакта. Textile Laminated Phenolic Resin. Outer Ring Guided. The Cage Is Suitable For Long-Term Operation At Temperatures Up To 100°C. Класс точности. стандарт FAG лучше чем P4. Комплект из 3 универсальных подшипников. Средний преднатяг. | 100.00 | 150.00 | 72.00 |
| B7020-E-T-P4S-TUM | Подшипник шариковый однорядный радиально-упорный. 25° Угол контакта. Textile Laminated Phenolic Resin. Outer Ring Guided. The Cage Is Suitable For Long-Term Operation At Temperatures Up To 100°C. Класс точности. стандарт FAG лучше чем P4. Комплект из 3 универсальных подшипников. Средний преднатяг. | 100.00 | 150.00 | 72.00 |
| B7020-E-T-P4S-TUL | Подшипник шариковый однорядный радиально-упорный. 25° Угол контакта. Textile Laminated Phenolic Resin. Outer Ring Guided. The Cage Is Suitable For Long-Term Operation At Temperatures Up To 100°C. Класс точности. стандарт FAG лучше чем P4. Набор из 3-х универсальных подшипников. Легкая преднатяг. | 100.00 | 150.00 | 72.00 |
| B7020-E-T-P4S-TBTL | Подшипник шариковый однорядный радиально-упорный. 25° Угол контакта. Textile Laminated Phenolic Resin. Outer Ring Guided. The Cage Is Suitable For Long-Term Operation At Temperatures Up To 100°C. Класс точности. стандарт FAG лучше чем P4. Set Of 3 Bearings Tandem – O-Arrangement. Light Preload. | 100.00 | 150.00 | 72.00 |
| VEX100 7 CE3 TDL | Подшипник шариковый однорядный радиально-упорный. Фенольная смола. Расположение внешнего сепаратора. P4 (SKF)=Abec.7. Легкий преднатяг. ACD (SKF)=25° Угол контакта. Три подшипника. расположенные по схеме спина к спине и тандем. | 100.00 | 150.00 | 72.00 |
| 12-846120 Е1 | Шариковый радиально-упорный трехрядный подшипник. Сепаратор из текстолита.. | 100.00 | 150.00 | 72.00 |
| 22-846120 Е1 | Шариковый радиально-упорный трехрядный подшипник. Сепаратор из текстолита.. | 100.00 | 150.00 | 72.00 |
| 24-846120 Е1 | Шариковый радиально-упорный трехрядный подшипник. Сепаратор из текстолита.. | 100.00 | 150.00 | 72.00 |
| GEH100XT | Шарнирный подшипник. Закаленная и шлифованная сталь. Скользящая поверхность покрыта твердым хромом и отполирована. | 100.00 | 150.00 | 71.00 |
| GE 100 CP | Шарнирный подшипник. 10 Piece Packaging. | 100.00 | 150.00 | 71.00 |
| GEH100XT-2RS | Шарнирный подшипник. Резиновые уплотнения с каждой стороны подшипника. Закаленная и шлифованная сталь. Скользящая поверхность покрыта твердым хромом и отполирована. | 100.00 | 150.00 | 71.00 |
| GEH100XF/Q | Шарнирный подшипник. Оптимизированная геометрия и специальная обработка контактных поверхностей. | 100.00 | 150.00 | 71.00 |
| GEH100HT | Шарнирный подшипник. Подшипник поставляется со специальной смазкой для высоких температур (до +130°C). | 100.00 | 150.00 | 71.00 |
| GEH100HC | Шарнирный подшипник. Подшипник или компоненты подшипника из керамики. | 100.00 | 150.00 | 71.00 |
| GEP 100 FS | Шарнирный подшипник. Подшипниковый вкладыш с маслоотражательными уплотнениями. | 100.00 | 150.00 | 71.00 |
Способы доставки
Отправка через ведущие транспортные и курьерские компании: ПЭК, Деловые Линии, СДЭК, Байкал-Сервис, Энергия, КИТ, ЖелДорЭкспедиция.
Самовывоз возможен напрямую со склада в Москве.
Сроки доставки
Срок зависит от региона и выбранной транспортной компании. Все заказы комплектуются и отправляются в кратчайшие сроки со склада в Москве.
Надёжность и сохранность
Вся продукция упаковывается с учётом требований транспортировки. Мы гарантируем, что подшипники и комплектующие прибудут к заказчику в полной сохранности.
Доставка в страны ЕАЭС
Мы работаем с проверенными логистическими партнёрами, что позволяет оперативно доставлять заказы в Беларусь, Казахстан, Армению и другие страны ЕАЭС.
Варианты оплаты:
Минимальная сумма заказа и скидки:
Документы и гарантии:
Да, конечно! Наши технические специалисты готовы помочь вам с подбором точного аналога или замены подшипника. Просто позвоните нам по телефону +7 (495) 104-99-04 или напишите на почту zakaz@podsnab.ru.
Для оперативной консультации подготовьте, пожалуйста, имеющиеся данные: маркировку, размеры, тип оборудования или артикул старого подшипника.
Да, конечно! Мы высоко ценим долгосрочное сотрудничество и доверие клиентов по всей России. Для постоянных клиентов действует персональная система скидок.
Условия формируются индивидуально и зависят от:
Чтобы узнать свои условия и получить максимально выгодное предложение, свяжитесь с персональным менеджером или напишите нам на почту zakaz@podsnab.ru.
Вы можете оформить заказ несколькими способами:
Для оформления заказа от юридического лица свяжитесь с нашим отделом по работе с корпоративными клиентами по телефону +7 (495) 104-99-04 или напишите на email zakaz@podsnab.ru, прикрепив реквизиты вашей организации.
Мы оперативно подготовим коммерческое предложение и выставим счет.
Возврат товара надлежащего качества возможен в течение 10 дней с момента получения, если товар не был в употреблении, сохранен товарный вид, упаковка не вскрывалась и присутствуют все сопроводительные документы.
Возврат денежных средств осуществляется в течение 10 рабочих дней после проверки товара складом.
В соответствии с законодательством возврату не подлежат подшипники надлежащего качества, если отсутствует оригинальная упаковка или имеются следы монтажа.
В случае выявления брака или гарантийного случая мы гарантируем возврат или обмен товара.
Да, гарантийный срок хранения устанавливается заводом-изготовителем и в среднем составляет 2 года при соблюдении условий хранения: сухое помещение, оригинальная упаковка и смазка.
Точный срок для конкретного типа подшипника уточняйте у наших менеджеров.
Пн–Пт: с 8:00 до 17:00 (МСК).
Сб–Вс: выходные дни.
Заказы на сайте принимаются круглосуточно. Заявки, поступившие после окончания рабочего дня, обрабатываются на следующий рабочий день.
Минимальная сумма заказа для доставки составляет 3000 рублей. Самовывоз со склада возможен на любую сумму при наличии товара.
ООО «УралТехГрупп»
ИНН: 7415093830
КПП: 772401001
ОГРН: 1167456069021
Банк: ПАО Сбербанк
Р/с: 40702810838000475273
К/с: 30101810400000000225
БИК: 044525225
У подшипника 24-246120-КУ12 пока нет отзывов. Вы можете стать первым покупателем, поделившимся своим мнением.