Поиск подшипника
Статьи
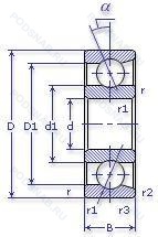
4-46209-Л — Шариковый радиально-упорный сдвоенный подшипник, модификация основного исполнения 46209, производство ГПЗ.
Размер подшипника: 45x85x19 мм.
Сепаратор из латуни.
Аналоги: 7209ACMAP4.
Государственный стандарт ГОСТ
446209Л
В наличии
| Обозначение | Конструктивные изменения |
|---|---|
| 8-46209 Л | Сепаратор из латуни.. |
| 46209-АЕ1 | Сепаратор из текстолита.. Повышенная грузоподъемность. |
| 7-46209 АЕ | Сепаратор из текстолита.. Повышенная грузоподъемность. |
| 86-46209 АЛШ1 | Сепаратор из латуни.. Повышенная грузоподъемность. Нормы шумности. |
| 2-46209 Е | Сепаратор из текстолита.. |
| 4-46209 AE | Без суффикса. но с обозначением типа. |
| 4-46209 АЕ | Сепаратор из текстолита.. Повышенная грузоподъемность. |
| 2-46209-Л | Сепаратор из латуни.. |
| 4-46209-Е | Сепаратор из текстолита.. |
| 6-46209 АЕ | Сепаратор из текстолита.. Повышенная грузоподъемность. |
| 6-46209 АЛ | Сепаратор из латуни.. Повышенная грузоподъемность. |
| 6-46209 Б1 | Сепаратор из безоловянистой бронзы.. |
| 6-46209 Е | Сепаратор из текстолита.. |
| 6-46209 Л | Сепаратор из латуни.. |
| 46209-АЕ | Сепаратор из текстолита.. Повышенная грузоподъемность. |
| 46209-АЛ | Сепаратор из латуни.. Повышенная грузоподъемность. |
| 46209-Е | Сепаратор из текстолита.. |
| 46209-Л | Сепаратор из латуни.. |
| 46209E | Повышенная грузоподъемность. |
| 46209К | «Замок» (скос) на внутреннем кольце плюс массивный сепаратор из текстолита. |
| 5-46209 АЕ | Сепаратор из текстолита.. Повышенная грузоподъемность. |
| 5-46209 АЕ1 | Сепаратор из текстолита.. Повышенная грузоподъемность. |
| 5-46209 АЛ | Сепаратор из латуни.. Повышенная грузоподъемность. |
| 5-46209 Е | Сепаратор из текстолита.. |
| 5-46209 Л | Сепаратор из латуни.. |
Модификации шарикового подшипника 4-46209-Л — это измененное основное конструктивное исполнение 46209, основные размеры (45x85x19) не отличаются.
| Обозначение | Гост | Конструктивные особенности |
|---|---|---|
| 436209 | ГОСТ | Шариковый радиально-упорный сдвоенный подшипник. |
| 4-36209-Л | ГОСТ | Сепаратор из латуни.. |
Аналог шарикового подшипника 4-46209-Л — это подшипник такого же размера dx45,Dx85,Bx19, типа и конструкции.
| Обозначение | Конструктивные особенности | Внутренний (d) | Наружный (D) | Ширина (B) |
|---|---|---|---|---|
| 5-36209 АЕ | Шариковый радиально-упорный однорядный подшипник. Сепаратор из текстолита.. Повышенная грузоподъемность. | 45.00 | 85.00 | 19.00 |
| 5-36209 АЛ | Шариковый радиально-упорный однорядный подшипник. Сепаратор из латуни.. Повышенная грузоподъемность. | 45.00 | 85.00 | 19.00 |
| 5-36209 Е | Шариковый радиально-упорный однорядный подшипник. Сепаратор из текстолита.. | 45.00 | 85.00 | 19.00 |
| 5-36209 Л1 | Шариковый радиально-упорный однорядный подшипник. Сепаратор из латуни.. | 45.00 | 85.00 | 19.00 |
| 50209-A | Шариковый радиальный однорядный подшипник. Двухрядный радиально-упорный шарикоподшипник без отверстия для смазки. | 45.00 | 85.00 | 19.00 |
| 50209-А | Шариковый радиальный однорядный подшипник. Повышенная грузоподъемность. | 45.00 | 85.00 | 19.00 |
| 50209-А1 | Шариковый радиальный однорядный подшипник. Повышенная грузоподъемность. | 45.00 | 85.00 | 19.00 |
| 50209-А2 | Шариковый радиальный однорядный подшипник. Повышенная грузоподъемность. | 45.00 | 85.00 | 19.00 |
| 50209-АК5 | Шариковый радиальный однорядный подшипник. Повышенная грузоподъемность. | 45.00 | 85.00 | 19.00 |
| 50209-К1 | Шариковый радиальный однорядный подшипник. «Замок» (скос) на внутреннем кольце плюс массивный сепаратор из текстолита. | 45.00 | 85.00 | 19.00 |
| 55-2209 Р | Роликовый радиальный однорядный подшипник. Детали из теплоустойчивой (быстрорежущие) стали.. | 45.00 | 85.00 | 19.00 |
| 56-32209 Л2 | Роликовый радиальный однорядный подшипник. Сепаратор из латуни.. | 45.00 | 85.00 | 19.00 |
| 56-322209 Е2У | Роликовый радиальный однорядный подшипник. Дополнительные технические требования. Сепаратор из пластических материалов.. | 45.00 | 85.00 | 19.00 |
| 6-116209 Д | Шариковый радиально-упорный однорядный подшипник. Сепаратор из алюминиевого сплава.. | 45.00 | 85.00 | 19.00 |
| 6-126209 Б | Шариковый радиально-упорный однорядный подшипник. Сепаратор из безоловянистой бронзы.. | 45.00 | 85.00 | 19.00 |
Способы доставки
Отправка через ведущие транспортные и курьерские компании: ПЭК, Деловые Линии, СДЭК, Байкал-Сервис, Энергия, КИТ, ЖелДорЭкспедиция.
Самовывоз возможен напрямую со склада в Москве.
Сроки доставки
Срок зависит от региона и выбранной транспортной компании. Все заказы комплектуются и отправляются в кратчайшие сроки со склада в Москве.
Надёжность и сохранность
Вся продукция упаковывается с учётом требований транспортировки. Мы гарантируем, что подшипники и комплектующие прибудут к заказчику в полной сохранности.
Доставка в страны ЕАЭС
Мы работаем с проверенными логистическими партнёрами, что позволяет оперативно доставлять заказы в Беларусь, Казахстан, Армению и другие страны ЕАЭС.
Варианты оплаты:
Минимальная сумма заказа и скидки:
Документы и гарантии:
Да, конечно! Наши технические специалисты готовы помочь вам с подбором точного аналога или замены подшипника. Просто позвоните нам по телефону +7 (495) 104-99-04 или напишите на почту zakaz@podsnab.ru.
Для оперативной консультации подготовьте, пожалуйста, имеющиеся данные: маркировку, размеры, тип оборудования или артикул старого подшипника.
Да, конечно! Мы высоко ценим долгосрочное сотрудничество и доверие клиентов по всей России. Для постоянных клиентов действует персональная система скидок.
Условия формируются индивидуально и зависят от:
Чтобы узнать свои условия и получить максимально выгодное предложение, свяжитесь с персональным менеджером или напишите нам на почту zakaz@podsnab.ru.
Вы можете оформить заказ несколькими способами:
Для оформления заказа от юридического лица свяжитесь с нашим отделом по работе с корпоративными клиентами по телефону +7 (495) 104-99-04 или напишите на email zakaz@podsnab.ru, прикрепив реквизиты вашей организации.
Мы оперативно подготовим коммерческое предложение и выставим счет.
Возврат товара надлежащего качества возможен в течение 10 дней с момента получения, если товар не был в употреблении, сохранен товарный вид, упаковка не вскрывалась и присутствуют все сопроводительные документы.
Возврат денежных средств осуществляется в течение 10 рабочих дней после проверки товара складом.
В соответствии с законодательством возврату не подлежат подшипники надлежащего качества, если отсутствует оригинальная упаковка или имеются следы монтажа.
В случае выявления брака или гарантийного случая мы гарантируем возврат или обмен товара.
Да, гарантийный срок хранения устанавливается заводом-изготовителем и в среднем составляет 2 года при соблюдении условий хранения: сухое помещение, оригинальная упаковка и смазка.
Точный срок для конкретного типа подшипника уточняйте у наших менеджеров.
Пн–Пт: с 8:00 до 17:00 (МСК).
Сб–Вс: выходные дни.
Заказы на сайте принимаются круглосуточно. Заявки, поступившие после окончания рабочего дня, обрабатываются на следующий рабочий день.
Минимальная сумма заказа для доставки составляет 3000 рублей. Самовывоз со склада возможен на любую сумму при наличии товара.
ООО «УралТехГрупп»
ИНН: 7415093830
КПП: 772401001
ОГРН: 1167456069021
Банк: ПАО Сбербанк
Р/с: 40702810838000475273
К/с: 30101810400000000225
БИК: 044525225
У подшипника 4-46209-Л пока нет отзывов. Вы можете стать первым покупателем, поделившимся своим мнением.