Поиск подшипника
Статьи
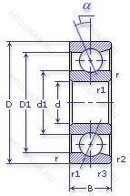
46209-АЕ — Шариковый радиально-упорный однорядный подшипник, модификация основного исполнения 46209, производство ГПЗ.
Размер подшипника: 45x85x19 мм.
Сепаратор из текстолита, повышенная грузоподъемность.
Аналоги: 7209ACTE.
Государственный стандарт ГОСТ
46209АЕ
В наличии
| Обозначение | Конструктивные изменения |
|---|---|
| 8-46209 Л | Сепаратор из латуни.. |
| 46209-АЕ1 | Сепаратор из текстолита.. Повышенная грузоподъемность. |
| 7-46209 АЕ | Сепаратор из текстолита.. Повышенная грузоподъемность. |
| 86-46209 АЛШ1 | Сепаратор из латуни.. Повышенная грузоподъемность. Нормы шумности. |
| 2-46209 Е | Сепаратор из текстолита.. |
| 4-46209 AE | Без суффикса. но с обозначением типа. |
| 4-46209 АЕ | Сепаратор из текстолита.. Повышенная грузоподъемность. |
| 2-46209-Л | Сепаратор из латуни.. |
| 4-46209-Е | Сепаратор из текстолита.. |
| 4-46209-Л | Сепаратор из латуни.. |
| 6-46209 АЕ | Сепаратор из текстолита.. Повышенная грузоподъемность. |
| 6-46209 АЛ | Сепаратор из латуни.. Повышенная грузоподъемность. |
| 6-46209 Б1 | Сепаратор из безоловянистой бронзы.. |
| 6-46209 Е | Сепаратор из текстолита.. |
| 6-46209 Л | Сепаратор из латуни.. |
| 46209-АЛ | Сепаратор из латуни.. Повышенная грузоподъемность. |
| 46209-Е | Сепаратор из текстолита.. |
| 46209-Л | Сепаратор из латуни.. |
| 46209E | Повышенная грузоподъемность. |
| 46209К | «Замок» (скос) на внутреннем кольце плюс массивный сепаратор из текстолита. |
| 5-46209 АЕ | Сепаратор из текстолита.. Повышенная грузоподъемность. |
| 5-46209 АЕ1 | Сепаратор из текстолита.. Повышенная грузоподъемность. |
| 5-46209 АЛ | Сепаратор из латуни.. Повышенная грузоподъемность. |
| 5-46209 Е | Сепаратор из текстолита.. |
| 5-46209 Л | Сепаратор из латуни.. |
Модификации шарикового подшипника 46209-АЕ — это измененное основное конструктивное исполнение 46209, основные размеры (45x85x19) не отличаются.
| Обозначение | Гост | Конструктивные особенности |
|---|---|---|
| 4-36209 АЕ1 | ГОСТ | Сепаратор из текстолита.. Повышенная грузоподъемность. |
| 4-36209 ЕУ | ГОСТ | Сепаратор из текстолита.. Дополнительные технические требования. |
| 6-276209 Р2 | ГОСТ | Детали из теплоустойчивой (быстрорежущие) стали.. |
| 6-36209 АЕ | ГОСТ | Сепаратор из текстолита.. Повышенная грузоподъемность. |
| 6-36209 АЕ1 | ГОСТ | Сепаратор из текстолита.. Повышенная грузоподъемность. |
| 6-36209 АЛ | ГОСТ | Сепаратор из латуни.. Повышенная грузоподъемность. |
| 6-36209 Е | ГОСТ | Сепаратор из текстолита.. |
| 6-36209 К1 | ГОСТ | «Замок» (скос) на внутреннем кольце плюс массивный сепаратор из текстолита. |
| 6-36209 Л | ГОСТ | Сепаратор из латуни.. |
| 66209-АЛ1 | ГОСТ | Сепаратор из латуни.. Повышенная грузоподъемность. |
| 46-126209 Ю1 | ГОСТ | Все детали или часть деталей из нержавеющей стали.. |
| 46-126209 Ю1П | ГОСТ | Все детали или часть деталей из нержавеющей стали.. |
| 5-116209 Д1Т1 | ГОСТ | 180°. Сепаратор из алюминиевого сплава.. Температура отпуска. |
| 5-276209 Р1 | ГОСТ | Детали из теплоустойчивой (быстрорежущие) стали.. |
| 5-36209 АЕ | ГОСТ | Сепаратор из текстолита.. Повышенная грузоподъемность. |
| 5-36209 АЛ | ГОСТ | Сепаратор из латуни.. Повышенная грузоподъемность. |
| 5-36209 Е | ГОСТ | Сепаратор из текстолита.. |
| 5-36209 Л1 | ГОСТ | Сепаратор из латуни.. |
| 6-116209 Д | ГОСТ | Сепаратор из алюминиевого сплава.. |
| 6-126209 Б | ГОСТ | Сепаратор из безоловянистой бронзы.. |
Аналог шарикового подшипника 46209-АЕ — это подшипник такого же размера dx45,Dx85,Bx19, типа и конструкции.
| Обозначение | Конструктивные особенности | Внутренний (d) | Наружный (D) | Ширина (B) |
|---|---|---|---|---|
| 5-209 Б1Т1 | Шариковый радиальный однорядный подшипник. 180°. Температура отпуска. Сепаратор из безоловянистой бронзы.. | 45.00 | 85.00 | 19.00 |
| 5-209 Б1УТ1 | Шариковый радиальный однорядный подшипник. Дополнительные технические требования. 180°. Температура отпуска. Сепаратор из безоловянистой бронзы.. | 45.00 | 85.00 | 19.00 |
| 5-209 БТУ | Шариковый радиальный однорядный подшипник. Дополнительные технические требования. Температура отпуска. 160°. Сепаратор из безоловянистой бронзы.. | 45.00 | 85.00 | 19.00 |
| 5-209 БУТ1 | Шариковый радиальный однорядный подшипник. Дополнительные технические требования. 180°. Сепаратор из безоловянистой бронзы.. Температура отпуска. | 45.00 | 85.00 | 19.00 |
| 5-32209 Л2 | Роликовый радиальный подшипник. Сепаратор из латуни.. | 45.00 | 85.00 | 19.00 |
| 5-32209 Р3 | Роликовый радиальный однорядный подшипник. Детали из теплоустойчивой (быстрорежущие) стали.. | 45.00 | 85.00 | 19.00 |
| 50209-A | Шариковый радиальный однорядный подшипник. Двухрядный радиально-упорный шарикоподшипник без отверстия для смазки. | 45.00 | 85.00 | 19.00 |
| 50209-А | Шариковый радиальный однорядный подшипник. Повышенная грузоподъемность. | 45.00 | 85.00 | 19.00 |
| 50209-А1 | Шариковый радиальный однорядный подшипник. Повышенная грузоподъемность. | 45.00 | 85.00 | 19.00 |
| 50209-А2 | Шариковый радиальный однорядный подшипник. Повышенная грузоподъемность. | 45.00 | 85.00 | 19.00 |
| 50209-АК5 | Шариковый радиальный однорядный подшипник. Повышенная грузоподъемность. | 45.00 | 85.00 | 19.00 |
| 50209-К1 | Шариковый радиальный однорядный подшипник. «Замок» (скос) на внутреннем кольце плюс массивный сепаратор из текстолита. | 45.00 | 85.00 | 19.00 |
| 55-2209 Р | Роликовый радиальный однорядный подшипник. Детали из теплоустойчивой (быстрорежущие) стали.. | 45.00 | 85.00 | 19.00 |
| 56-32209 Л2 | Роликовый радиальный однорядный подшипник. Сепаратор из латуни.. | 45.00 | 85.00 | 19.00 |
| 56-322209 Е2У | Роликовый радиальный однорядный подшипник. Дополнительные технические требования. Сепаратор из пластических материалов.. | 45.00 | 85.00 | 19.00 |
Способы доставки
Отправка через ведущие транспортные и курьерские компании: ПЭК, Деловые Линии, СДЭК, Байкал-Сервис, Энергия, КИТ, ЖелДорЭкспедиция.
Самовывоз возможен напрямую со склада в Москве.
Сроки доставки
Срок зависит от региона и выбранной транспортной компании. Все заказы комплектуются и отправляются в кратчайшие сроки со склада в Москве.
Надёжность и сохранность
Вся продукция упаковывается с учётом требований транспортировки. Мы гарантируем, что подшипники и комплектующие прибудут к заказчику в полной сохранности.
Доставка в страны ЕАЭС
Мы работаем с проверенными логистическими партнёрами, что позволяет оперативно доставлять заказы в Беларусь, Казахстан, Армению и другие страны ЕАЭС.
Варианты оплаты:
Минимальная сумма заказа и скидки:
Документы и гарантии:
Да, конечно! Наши технические специалисты готовы помочь вам с подбором точного аналога или замены подшипника. Просто позвоните нам по телефону +7 (495) 104-99-04 или напишите на почту zakaz@podsnab.ru.
Для оперативной консультации подготовьте, пожалуйста, имеющиеся данные: маркировку, размеры, тип оборудования или артикул старого подшипника.
Да, конечно! Мы высоко ценим долгосрочное сотрудничество и доверие клиентов по всей России. Для постоянных клиентов действует персональная система скидок.
Условия формируются индивидуально и зависят от:
Чтобы узнать свои условия и получить максимально выгодное предложение, свяжитесь с персональным менеджером или напишите нам на почту zakaz@podsnab.ru.
Вы можете оформить заказ несколькими способами:
Для оформления заказа от юридического лица свяжитесь с нашим отделом по работе с корпоративными клиентами по телефону +7 (495) 104-99-04 или напишите на email zakaz@podsnab.ru, прикрепив реквизиты вашей организации.
Мы оперативно подготовим коммерческое предложение и выставим счет.
Возврат товара надлежащего качества возможен в течение 10 дней с момента получения, если товар не был в употреблении, сохранен товарный вид, упаковка не вскрывалась и присутствуют все сопроводительные документы.
Возврат денежных средств осуществляется в течение 10 рабочих дней после проверки товара складом.
В соответствии с законодательством возврату не подлежат подшипники надлежащего качества, если отсутствует оригинальная упаковка или имеются следы монтажа.
В случае выявления брака или гарантийного случая мы гарантируем возврат или обмен товара.
Да, гарантийный срок хранения устанавливается заводом-изготовителем и в среднем составляет 2 года при соблюдении условий хранения: сухое помещение, оригинальная упаковка и смазка.
Точный срок для конкретного типа подшипника уточняйте у наших менеджеров.
Пн–Пт: с 8:00 до 17:00 (МСК).
Сб–Вс: выходные дни.
Заказы на сайте принимаются круглосуточно. Заявки, поступившие после окончания рабочего дня, обрабатываются на следующий рабочий день.
Минимальная сумма заказа для доставки составляет 3000 рублей. Самовывоз со склада возможен на любую сумму при наличии товара.
ООО «УралТехГрупп»
ИНН: 7415093830
КПП: 772401001
ОГРН: 1167456069021
Банк: ПАО Сбербанк
Р/с: 40702810838000475273
К/с: 30101810400000000225
БИК: 044525225
У подшипника 46209-АЕ пока нет отзывов. Вы можете стать первым покупателем, поделившимся своим мнением.