Поиск подшипника
Статьи
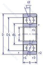
6-66322 Е — Шариковый радиально-упорный однорядный подшипник, модификация основного исполнения 66322, производство ГПЗ.
Размер подшипника: 110x240x50 мм.
Сепаратор из текстолита.
Аналоги: 7322BTP6.
Государственный стандарт ГОСТ
666322Е
В наличии
| Обозначение | Конструктивные изменения |
|---|---|
| 8-66322 Е | Сепаратор из текстолита.. |
| 8-66322 Л | Сепаратор из латуни.. |
| В0-66322 Л | Сепаратор из латуни.. |
| С8-66322 Л | Сепаратор из латуни.. |
| 6-66322 ЛШ | Сепаратор из латуни.. Нормы шумности. |
| 6-66322 А1ЛШ1 | Сепаратор из латуни.. Повышенная грузоподъемность. Нормы шумности. |
| 6-66322 А1ЛШ | Сепаратор из латуни.. Повышенная грузоподъемность. Нормы шумности. |
| 6-66322 А1Л | Сепаратор из латуни.. Повышенная грузоподъемность. |
| 6-66322 А3КЛ1Ш1 | «Замок» (скос) на внутреннем кольце плюс массивный сепаратор из текстолита. Сепаратор из латуни.. Повышенная грузоподъемность. Нормы шумности. |
| 6-66322 А3КЛ1Ш | «Замок» (скос) на внутреннем кольце плюс массивный сепаратор из текстолита. Сепаратор из латуни.. Повышенная грузоподъемность. Нормы шумности. |
| 6-66322 А3КЛ1 | «Замок» (скос) на внутреннем кольце плюс массивный сепаратор из текстолита. Сепаратор из латуни.. Повышенная грузоподъемность. |
| 2-66322-ЕШ2 | Сепаратор из текстолита.. Нормы шумности. |
| 2В0-66322 Е | Сепаратор из текстолита.. |
| 2В0-66322 Л | Сепаратор из латуни.. |
| 2В0-66322 ЛУ | Сепаратор из латуни.. Дополнительные технические требования. |
| 2В0-66322 ЛШ | Сепаратор из латуни.. Нормы шумности. |
| 6-66322 ЕШ2 | Сепаратор из текстолита.. Нормы шумности. |
| 66322-АЛ1 | Сепаратор из латуни.. Повышенная грузоподъемность. |
| 66322-Е | Сепаратор из текстолита.. |
| 66322-Л | Сепаратор из латуни.. |
| 66322-Л1 | Сепаратор из латуни.. |
| 66322-ЛУ | Сепаратор из латуни.. Дополнительные технические требования. |
| 66322-ЛШ | Сепаратор из латуни.. Нормы шумности. |
| 66322Е5 | Сепаратор из текстолита.. |
| 66322К | «Замок» (скос) на внутреннем кольце плюс массивный сепаратор из текстолита. |
Модификации шарикового подшипника 6-66322 Е — это измененное основное конструктивное исполнение 66322, основные размеры (110x240x50) не отличаются.
| Обозначение | Гост | Конструктивные особенности |
|---|---|---|
| 7322BBG | ISO | Универсальный подшипник. |
| 7322CP5 | ISO | Класс точности. |
| QJ 322 N2 | ISO | Два установочных паза (выемки), расположенных под углом 180° друг от друга в одной боковой поверхности наружного кольца или шайбе корпуса.. |
| 7322WN MBR | ISO | Sizes 7201K Through 7203WN Have A 20° Угол контакта And A Nylon Cage. Sizes 7204WN through 7218WN have a 40° Угол контакта And A One-Piece. Ball Piloted. Pressed Brass Cage. Larger Sizes 7219WN Through 7230WN Have A 40° Угол контакта And A One-Piece. Outer Ring Piloted High-Strength Machined Bronze Cage. Механически обработанный бронзовый фиксатор. |
| 7322 A | ISO | Двухрядный радиально-упорный шарикоподшипник без отверстия для смазки. |
| 7322C | ISO | Угол контакта 15°. |
| Q322 | ISO | Шариковый радиально-упорный однорядный подшипник. |
| QJ 322 | ISO | Штампованный сепаратор из стального листа. Шариковый подшипник с четырех-точечным контактом. |
| QJ 322 N2 M | ISO | Подшипник с латунным сепаратором. центрированный по телам качения. Два установочных паза (выемки), расположенных под углом 180° друг от друга в одной боковой поверхности наружного кольца или шайбе корпуса.. |
| 7322-BE-MP | ISO | Single Row Angular Contact Ball Bearing With A 40° Угол контакта And Optimized Internal Design. Массивный латунный сепаратор. центрированный по телам качения. |
| 7322-BECB-MP | ISO | Массивный латунный сепаратор. центрированный по телам качения. |
| 7322-BECB-TVP | ISO | Molded Snap-Type Cage Of Glass Fibre Reinforced Polyamide. Rolling Element Riding. |
| 26322 | ГОСТ | Шариковый радиально-упорный однорядный подшипник. |
| 46322 | ГОСТ | Шариковый радиально-упорный однорядный подшипник. |
| 116322 | ГОСТ | Шариковый радиально-упорный однорядный подшипник. |
| 176322 | ГОСТ | Шариковый радиально-упорный однорядный подшипник. |
| 26322К | ГОСТ | «Замок» (скос) на внутреннем кольце плюс массивный сепаратор из текстолита. |
| 666322-Л | ГОСТ | Сепаратор из латуни.. |
| 46322-Л | ГОСТ | Сепаратор из латуни.. |
| 46322К | ГОСТ | «Замок» (скос) на внутреннем кольце плюс массивный сепаратор из текстолита. |
Аналог шарикового подшипника 6-66322 Е — это подшипник такого же размера dx110,Dx240,Bx50, типа и конструкции.
| Обозначение | Конструктивные особенности | Внутренний (d) | Наружный (D) | Ширина (B) |
|---|---|---|---|---|
| 8-111322 Л | Шариковый радиальный двухрядный подшипник. Сепаратор из латуни.. | 110.00 | 240.00 | 50.00 |
| 6322LLB | Шариковый радиальный однорядный подшипник. Уплотнение бесконтактного типа из синтетического каучука. | 22.00 | 56.00 | 50.00 |
| 170322-А | Шариковый радиальный однорядный подшипник. Повышенная грузоподъемность. | 110.00 | 240.00 | 50.00 |
| 322-А | Шариковый радиальный однорядный подшипник. Повышенная грузоподъемность. | 110.00 | 240.00 | 50.00 |
| 322-Ш2У | Шариковый радиальный однорядный подшипник. Дополнительные технические требования. Нормы шумности. | 110.00 | 240.00 | 50.00 |
| 1322K+H322 | Шариковый сферический двухрядный подшипник. Коническое внутреннее отверстие. | 110.00 | 240.00 | 50.00 |
| 1322S | Шариковый сферический двухрядный подшипник. Запечатанная версия кулачкового ролика. | 110.00 | 240.00 | 50.00 |
| 1322SK | Шариковый сферический двухрядный подшипник. Кулачковый толкатель штифтового типа. С шестигранной головкой. | 110.00 | 240.00 | 50.00 |
| 42322-Л | Роликовый радиальный однорядный подшипник. Сепаратор из латуни.. | 110.00 | 240.00 | 50.00 |
| 42322-ЛМ | Роликовый радиальный однорядный подшипник. Сепаратор из латуни.. Модифицированный контакт.. | 110.00 | 240.00 | 50.00 |
| 42322-М | Роликовый радиальный однорядный подшипник. Модифицированный контакт.. | 110.00 | 240.00 | 50.00 |
| 466322ЛУ21 | Шариковый радиально-упорный сдвоенный подшипник. Сепаратор из латуни.. Дополнительные технические требования. | 110.00 | 240.00 | 50.00 |
| 532322-К1 | Роликовый радиальный цилиндрический подшипник. Кольцевая проточка на середине цилиндрической наружной поверхности наружного кольца плюс три отверстия для смазки. | 110.00 | 240.00 | 50.00 |
| 53622-НЕ | Роликовый радиальный двухрядный подшипник. Сепаратор из текстолита.. Детали из теплостойкой стали. | 110.00 | 240.00 | 50.00 |
| 576322Л | Шариковый радиально-упорный двухрядный подшипник. Сепаратор из латуни.. | 110.00 | 240.00 | 50.00 |
Способы доставки
Отправка через ведущие транспортные и курьерские компании: ПЭК, Деловые Линии, СДЭК, Байкал-Сервис, Энергия, КИТ, ЖелДорЭкспедиция.
Самовывоз возможен напрямую со склада в Москве.
Сроки доставки
Срок зависит от региона и выбранной транспортной компании. Все заказы комплектуются и отправляются в кратчайшие сроки со склада в Москве.
Надёжность и сохранность
Вся продукция упаковывается с учётом требований транспортировки. Мы гарантируем, что подшипники и комплектующие прибудут к заказчику в полной сохранности.
Доставка в страны ЕАЭС
Мы работаем с проверенными логистическими партнёрами, что позволяет оперативно доставлять заказы в Беларусь, Казахстан, Армению и другие страны ЕАЭС.
Варианты оплаты:
Минимальная сумма заказа и скидки:
Документы и гарантии:
Да, конечно! Наши технические специалисты готовы помочь вам с подбором точного аналога или замены подшипника. Просто позвоните нам по телефону +7 (495) 104-99-04 или напишите на почту zakaz@podsnab.ru.
Для оперативной консультации подготовьте, пожалуйста, имеющиеся данные: маркировку, размеры, тип оборудования или артикул старого подшипника.
Да, конечно! Мы высоко ценим долгосрочное сотрудничество и доверие клиентов по всей России. Для постоянных клиентов действует персональная система скидок.
Условия формируются индивидуально и зависят от:
Чтобы узнать свои условия и получить максимально выгодное предложение, свяжитесь с персональным менеджером или напишите нам на почту zakaz@podsnab.ru.
Вы можете оформить заказ несколькими способами:
Для оформления заказа от юридического лица свяжитесь с нашим отделом по работе с корпоративными клиентами по телефону +7 (495) 104-99-04 или напишите на email zakaz@podsnab.ru, прикрепив реквизиты вашей организации.
Мы оперативно подготовим коммерческое предложение и выставим счет.
Возврат товара надлежащего качества возможен в течение 10 дней с момента получения, если товар не был в употреблении, сохранен товарный вид, упаковка не вскрывалась и присутствуют все сопроводительные документы.
Возврат денежных средств осуществляется в течение 10 рабочих дней после проверки товара складом.
В соответствии с законодательством возврату не подлежат подшипники надлежащего качества, если отсутствует оригинальная упаковка или имеются следы монтажа.
В случае выявления брака или гарантийного случая мы гарантируем возврат или обмен товара.
Да, гарантийный срок хранения устанавливается заводом-изготовителем и в среднем составляет 2 года при соблюдении условий хранения: сухое помещение, оригинальная упаковка и смазка.
Точный срок для конкретного типа подшипника уточняйте у наших менеджеров.
Пн–Пт: с 8:00 до 17:00 (МСК).
Сб–Вс: выходные дни.
Заказы на сайте принимаются круглосуточно. Заявки, поступившие после окончания рабочего дня, обрабатываются на следующий рабочий день.
Минимальная сумма заказа для доставки составляет 3000 рублей. Самовывоз со склада возможен на любую сумму при наличии товара.
ООО «УралТехГрупп»
ИНН: 7415093830
КПП: 772401001
ОГРН: 1167456069021
Банк: ПАО Сбербанк
Р/с: 40702810838000475273
К/с: 30101810400000000225
БИК: 044525225
У подшипника 6-66322 Е пока нет отзывов. Вы можете стать первым покупателем, поделившимся своим мнением.