Поиск подшипника
Статьи
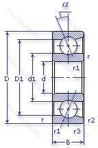
4-46112 Е5 — Шариковый радиально-упорный двухрядный подшипник, модификация основного исполнения 46112, выпускается производителями: EPK, ГПЗ.
Размер подшипника: 60x95x18 мм.
Сепаратор из текстолита.
Аналоги: 7012ACDP4.
Государственный стандарт ГОСТ
446112Е5
В наличии
| Обозначение | Конструктивные изменения |
|---|---|
| 4-46112 КЕШ2 | «Замок» (скос) на внутреннем кольце плюс массивный сепаратор из текстолита. Сепаратор из текстолита.. Нормы шумности. |
| 4-46112 КЕШ3 | «Замок» (скос) на внутреннем кольце плюс массивный сепаратор из текстолита. Сепаратор из текстолита.. Нормы шумности. |
| 5-46112 КЕШ2 | «Замок» (скос) на внутреннем кольце плюс массивный сепаратор из текстолита. Сепаратор из текстолита.. Нормы шумности. |
| 2-46112-Е2 | Сепаратор из пластических материалов.. |
| 22-46112 ЕУ | Сепаратор из текстолита.. Дополнительные технические требования. |
| 4-46112 Е2 | Сепаратор из пластических материалов.. |
| 4-46112 К | «Замок» (скос) на внутреннем кольце плюс массивный сепаратор из текстолита. |
| 2-46112-Е5 | Сепаратор из текстолита.. |
| 2-46112-Л | Сепаратор из латуни.. |
| 4-46112-Л | Сепаратор из латуни.. |
| 6-46112 Е | Сепаратор из текстолита.. |
| 6-46112 Е2 | Сепаратор из пластических материалов.. |
| 6-46112 Е5 | Сепаратор из текстолита.. |
| 6-46112 Л | Сепаратор из латуни.. |
| 46112-Е | Сепаратор из текстолита.. |
| 46112-КЕ | «Замок» (скос) на внутреннем кольце плюс массивный сепаратор из текстолита. Сепаратор из текстолита.. |
| 46112-Л | Сепаратор из латуни.. |
| 46112E5 | Смазочные отверстия и канавки во внутреннем кольце. |
| 46112K | Коническое отверстие. Конусность 1/12. |
| 46112К | «Замок» (скос) на внутреннем кольце плюс массивный сепаратор из текстолита. |
| 5-46112 Е | Сепаратор из текстолита.. |
| 5-46112 Е2 | Сепаратор из пластических материалов.. |
| 5-46112 Е5 | Сепаратор из текстолита.. |
| 5-46112 К | «Замок» (скос) на внутреннем кольце плюс массивный сепаратор из текстолита. |
| 5-46112 Л | Сепаратор из латуни.. |
Модификации шарикового подшипника 4-46112 Е5 — это измененное основное конструктивное исполнение 46112, основные размеры (60x95x18) не отличаются.
| Обозначение | Гост | Конструктивные особенности |
|---|---|---|
| ML7012CVDUJ74S | ISO | Угол контакта 15°. Комплекты из 2. Высокопрецизионные радиально-упорные подшипники с высокой скоростью вращения. Преднатяг (Лёгкий. |
| ML7012HVDUJ74S | ISO | Угол контакта 25°. Комплекты из 2. Высокопрецизионные радиально-упорные подшипники с высокой скоростью вращения. Преднатяг (Лёгкий. |
| 7012DB | ISO | Two Single Row Deep Groove Ball Bearings. Single Row Angular Contact Ball Bearings Or Single Row Tapered Roller Bearings Matched For Mounting In A Back-To-Back Arrangement. |
| 7012DT | ISO | Дуплексные подшипники для установки в тандеме. |
| 7012DF | ISO | Комплект из двух подшипников. согласованных для установки по Х-образной схеме. Число. следующее непосредственно после букв DF. обозначает конструкцию промежуточного кольца. |
Аналог шарикового подшипника 4-46112 Е5 — это подшипник такого же размера dx60,Dx95,Bx18, типа и конструкции.
| Обозначение | Конструктивные особенности | Внутренний (d) | Наружный (D) | Ширина (B) |
|---|---|---|---|---|
| 112-Ю | Шариковый радиальный однорядный подшипник. Все детали или часть деталей из нержавеющей стали.. | 60.00 | 95.00 | 18.00 |
| 180112-АК | Шариковый радиальный однорядный подшипник. Повышенная грузоподъемность. | 60.00 | 95.00 | 18.00 |
| 180112-С17 | Шариковый радиальный однорядный подшипник. Смазка Литол-24. | 60.00 | 95.00 | 18.00 |
| 25-112 Б1 | Шариковый радиальный однорядный подшипник. Сепаратор из безоловянистой бронзы.. | 60.00 | 95.00 | 18.00 |
| 2Н-112 Л | Шариковый радиальный однорядный подшипник. Сепаратор из латуни.. | 60.00 | 95.00 | 18.00 |
| 4-112 Л | Шариковый радиальный однорядный подшипник. Сепаратор из латуни.. | 60.00 | 95.00 | 18.00 |
| NU 1012 ECP | Роликовый радиальный однорядный подшипник. Однорядный цилиндрический роликовый подшипник. | 60.00 | 95.00 | 18.00 |
| 46-112 Р | Шариковый радиальный однорядный подшипник. Детали из теплоустойчивой (быстрорежущие) стали.. | 60.00 | 95.00 | 18.00 |
| 46-112 Р1 | Шариковый радиальный однорядный подшипник. Детали из теплоустойчивой (быстрорежущие) стали.. | 60.00 | 95.00 | 18.00 |
| 5-112 Б1 | Шариковый радиальный однорядный подшипник. Сепаратор из безоловянистой бронзы.. | 60.00 | 95.00 | 18.00 |
| 5-112 Л | Шариковый радиальный однорядный подшипник. Сепаратор из латуни.. | 60.00 | 95.00 | 18.00 |
| 5-36112 К | Шариковый радиально-упорный однорядный подшипник. «Замок» (скос) на внутреннем кольце плюс массивный сепаратор из текстолита. | 60.00 | 95.00 | 18.00 |
| 6-112 Б1 | Шариковый радиальный однорядный подшипник. Сепаратор из безоловянистой бронзы.. | 60.00 | 95.00 | 18.00 |
| 6-112 Л | Шариковый радиальный однорядный подшипник. Сепаратор из латуни.. | 60.00 | 95.00 | 18.00 |
| 6-112 Ю | Шариковый радиальный однорядный подшипник. Все детали или часть деталей из нержавеющей стали.. | 60.00 | 95.00 | 18.00 |
Способы доставки
Отправка через ведущие транспортные и курьерские компании: ПЭК, Деловые Линии, СДЭК, Байкал-Сервис, Энергия, КИТ, ЖелДорЭкспедиция.
Самовывоз возможен напрямую со склада в Москве.
Сроки доставки
Срок зависит от региона и выбранной транспортной компании. Все заказы комплектуются и отправляются в кратчайшие сроки со склада в Москве.
Надёжность и сохранность
Вся продукция упаковывается с учётом требований транспортировки. Мы гарантируем, что подшипники и комплектующие прибудут к заказчику в полной сохранности.
Доставка в страны ЕАЭС
Мы работаем с проверенными логистическими партнёрами, что позволяет оперативно доставлять заказы в Беларусь, Казахстан, Армению и другие страны ЕАЭС.
Варианты оплаты:
Минимальная сумма заказа и скидки:
Документы и гарантии:
Да, конечно! Наши технические специалисты готовы помочь вам с подбором точного аналога или замены подшипника. Просто позвоните нам по телефону +7 (495) 104-99-04 или напишите на почту zakaz@podsnab.ru.
Для оперативной консультации подготовьте, пожалуйста, имеющиеся данные: маркировку, размеры, тип оборудования или артикул старого подшипника.
Да, конечно! Мы высоко ценим долгосрочное сотрудничество и доверие клиентов по всей России. Для постоянных клиентов действует персональная система скидок.
Условия формируются индивидуально и зависят от:
Чтобы узнать свои условия и получить максимально выгодное предложение, свяжитесь с персональным менеджером или напишите нам на почту zakaz@podsnab.ru.
Вы можете оформить заказ несколькими способами:
Для оформления заказа от юридического лица свяжитесь с нашим отделом по работе с корпоративными клиентами по телефону +7 (495) 104-99-04 или напишите на email zakaz@podsnab.ru, прикрепив реквизиты вашей организации.
Мы оперативно подготовим коммерческое предложение и выставим счет.
Возврат товара надлежащего качества возможен в течение 10 дней с момента получения, если товар не был в употреблении, сохранен товарный вид, упаковка не вскрывалась и присутствуют все сопроводительные документы.
Возврат денежных средств осуществляется в течение 10 рабочих дней после проверки товара складом.
В соответствии с законодательством возврату не подлежат подшипники надлежащего качества, если отсутствует оригинальная упаковка или имеются следы монтажа.
В случае выявления брака или гарантийного случая мы гарантируем возврат или обмен товара.
Да, гарантийный срок хранения устанавливается заводом-изготовителем и в среднем составляет 2 года при соблюдении условий хранения: сухое помещение, оригинальная упаковка и смазка.
Точный срок для конкретного типа подшипника уточняйте у наших менеджеров.
Пн–Пт: с 8:00 до 17:00 (МСК).
Сб–Вс: выходные дни.
Заказы на сайте принимаются круглосуточно. Заявки, поступившие после окончания рабочего дня, обрабатываются на следующий рабочий день.
Минимальная сумма заказа для доставки составляет 3000 рублей. Самовывоз со склада возможен на любую сумму при наличии товара.
ООО «УралТехГрупп»
ИНН: 7415093830
КПП: 772401001
ОГРН: 1167456069021
Банк: ПАО Сбербанк
Р/с: 40702810838000475273
К/с: 30101810400000000225
БИК: 044525225
У подшипника 4-46112 Е5 пока нет отзывов. Вы можете стать первым покупателем, поделившимся своим мнением.