Поиск подшипника
Статьи
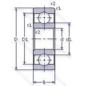
5-112 Л — Шариковый радиальный однорядный подшипник, модификация основного исполнения 112, производство ГПЗ.
Размер подшипника: 60x95x18 мм.
Сепаратор из латуни.
Государственный стандарт ГОСТ
5112Л
В наличии
| Обозначение | Конструктивные изменения |
|---|---|
| 6-112 А | Повышенная грузоподъемность. |
| 8-112 А | Повышенная грузоподъемность. |
| 6-112 АКШ1 | Нормы шумности. Повышенная грузоподъемность. |
| 6-112 АКШ | Повышенная грузоподъемность. Нормы шумности. |
| 6-112 А2Ш1 | Повышенная грузоподъемность. Нормы шумности. |
| 6-112 А2Ш | Повышенная грузоподъемность. Нормы шумности. |
| 76-112 АКШ1 | Нормы шумности. Повышенная грузоподъемность. |
| 76-112 АКШ | Повышенная грузоподъемность. Нормы шумности. |
| 75-112 Б1 | Сепаратор из безоловянистой бронзы.. |
| 75-112 Л | Сепаратор из латуни.. |
| 76-112 Б1 | Сепаратор из безоловянистой бронзы.. |
| 76-112 Л | Сепаратор из латуни.. |
| 112-А | Повышенная грузоподъемность. |
| 112-АК | Повышенная грузоподъемность. |
| 112-Ю | Все детали или часть деталей из нержавеющей стали.. |
| 25-112 Б1 | Сепаратор из безоловянистой бронзы.. |
| 2Н-112 Л | Сепаратор из латуни.. |
| 4-112 Б1 | Сепаратор из безоловянистой бронзы.. |
| 4-112 Л | Сепаратор из латуни.. |
| 46-112 Р | Детали из теплоустойчивой (быстрорежущие) стали.. |
| 46-112 Р1 | Детали из теплоустойчивой (быстрорежущие) стали.. |
| 5-112 Б1 | Сепаратор из безоловянистой бронзы.. |
| 6-112 Б1 | Сепаратор из безоловянистой бронзы.. |
| 6-112 Л | Сепаратор из латуни.. |
| 6-112 Ю | Все детали или часть деталей из нержавеющей стали.. |
Модификации шарикового подшипника 5-112 Л — это измененное основное конструктивное исполнение 112, основные размеры (60x95x18) не отличаются.
| Обозначение | Гост | Конструктивные особенности |
|---|---|---|
| 76-80112 АКL19Ш1 | ГОСТ | Lubricant. Mobil Oil Co.. Mobil 28 Grease. MIL-G-81322 High/Low Temperature -62°C/+176°C. Нормы шумности. Повышенная грузоподъемность. |
| 76-80112 АКW24Ш1 | ГОСТ | Нормы шумности. Повышенная грузоподъемность. Смазка пластичная Shell Alvania Greases G2. |
| 6-80112 КС17 | ГОСТ | Смазка Литол-24. «Замок» (скос) на внутреннем кольце плюс массивный сепаратор из текстолита. |
| 6-80112 С17 | ГОСТ | Смазка Литол-24. |
| SC12A04LLBA | ISO | Уплотнение из полиакрила. Бесконтактное нитриловое уплотнение. |
| 9112KD | ISO | Компоненты с покрытием Protect A имеют суффикс - KD. Protect A - это покрытие из чистого хрома с колончатой структурой поверхности. При использовании Protect A каретки с покрытием и направляющие с покрытием должны всегда комбинироваться. Если каретки с покрытием используются с направляющими без покрытия. например. это приведет к уменьшению преднатяга.. |
| 9112KG | ISO | Серия с закрепительной втулкой и смазочным отверстием. |
| 9112KDD | ISO | Защитные металлические шайбы по обе стороны подшипника с цилиндрическим наружным диаметром. |
| 9112P | ISO | Сеаратор из литого полиамида 6.6. армированного стекловолокном. |
| 3NC 7012 FT | ISO | REINFORCED PHENOLIC CAGE. |
| 3NCHAC012CA | ISO | Угол контакта 20 градусов. Латунный сепаратор с симметричными роликами. |
| 3NCHAC012C | ISO | Угол контакта 20 градусов. |
| 3NC HAR012C FT | ISO | Угол контакта 20 градусов. REINFORCED PHENOLIC CAGE. |
| 3NCHAD012CA | ISO | Угол контакта 20 градусов. Латунный сепаратор с симметричными роликами. |
| 3NCHAF012CA | ISO | Угол контакта 20 градусов. Латунный сепаратор с симметричными роликами. |
| 3NCHAR012 | ISO | Угол контакта 20 градусов. |
| 3NCHAR012C | ISO | Угол контакта 20 градусов. |
| 3NCHAR012CA | ISO | Угол контакта 20 градусов. Латунный сепаратор с симметричными роликами. |
| 180112-АК | ГОСТ | Повышенная грузоподъемность. |
| 180112-С17 | ГОСТ | Смазка Литол-24. |
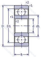
Аналог шарикового подшипника 5-112 Л — это подшипник такого же размера dx60,Dx95,Bx18, типа и конструкции.
| Обозначение | Конструктивные особенности | Внутренний (d) | Наружный (D) | Ширина (B) |
|---|---|---|---|---|
| 6-46112 Л | Шариковый радиально-упорный однорядный подшипник. Сепаратор из латуни.. | 60.00 | 95.00 | 18.00 |
| NU 1012 ECP | Роликовый радиальный однорядный подшипник. Однорядный цилиндрический роликовый подшипник. | 60.00 | 95.00 | 18.00 |
| 4-46112 Е5 | Шариковый радиально-упорный двухрядный подшипник. Сепаратор из текстолита.. | 60.00 | 95.00 | 18.00 |
| 46112-Е | Шариковый радиально-упорный однорядный подшипник. Сепаратор из текстолита.. | 60.00 | 95.00 | 18.00 |
| 46112-КЕ | Шариковый радиально-упорный однорядный подшипник. «Замок» (скос) на внутреннем кольце плюс массивный сепаратор из текстолита. Сепаратор из текстолита.. | 60.00 | 95.00 | 18.00 |
| 46112-Л | Шариковый радиально-упорный однорядный подшипник. Сепаратор из латуни.. | 60.00 | 95.00 | 18.00 |
| 46112E5 | Шариковый радиально-упорный однорядный подшипник. Смазочные отверстия и канавки во внутреннем кольце. | 60.00 | 95.00 | 18.00 |
| 46112K | Шариковый радиально-упорный однорядный подшипник. Коническое отверстие. Конусность 1/12. | 60.00 | 95.00 | 18.00 |
| 46112К | Шариковый радиально-упорный однорядный подшипник. «Замок» (скос) на внутреннем кольце плюс массивный сепаратор из текстолита. | 60.00 | 95.00 | 18.00 |
| 5-36112 К | Шариковый радиально-упорный однорядный подшипник. «Замок» (скос) на внутреннем кольце плюс массивный сепаратор из текстолита. | 60.00 | 95.00 | 18.00 |
| 5-46112 Е | Шариковый радиально-упорный однорядный подшипник. Сепаратор из текстолита.. | 60.00 | 95.00 | 18.00 |
| 5-46112 Е2 | Шариковый радиально-упорный однорядный подшипник. Сепаратор из пластических материалов.. | 60.00 | 95.00 | 18.00 |
| 5-46112 Е5 | Шариковый радиально-упорный однорядный подшипник. Сепаратор из текстолита.. | 60.00 | 95.00 | 18.00 |
| 5-46112 К | Шариковый радиально-упорный однорядный подшипник. «Замок» (скос) на внутреннем кольце плюс массивный сепаратор из текстолита. | 60.00 | 95.00 | 18.00 |
| 5-46112 Л | Шариковый радиально-упорный однорядный подшипник. Сепаратор из латуни.. | 60.00 | 95.00 | 18.00 |
Способы доставки
Отправка через ведущие транспортные и курьерские компании: ПЭК, Деловые Линии, СДЭК, Байкал-Сервис, Энергия, КИТ, ЖелДорЭкспедиция.
Самовывоз возможен напрямую со склада в Москве.
Сроки доставки
Срок зависит от региона и выбранной транспортной компании. Все заказы комплектуются и отправляются в кратчайшие сроки со склада в Москве.
Надёжность и сохранность
Вся продукция упаковывается с учётом требований транспортировки. Мы гарантируем, что подшипники и комплектующие прибудут к заказчику в полной сохранности.
Доставка в страны ЕАЭС
Мы работаем с проверенными логистическими партнёрами, что позволяет оперативно доставлять заказы в Беларусь, Казахстан, Армению и другие страны ЕАЭС.
Варианты оплаты:
Минимальная сумма заказа и скидки:
Документы и гарантии:
Да, конечно! Наши технические специалисты готовы помочь вам с подбором точного аналога или замены подшипника. Просто позвоните нам по телефону +7 (495) 104-99-04 или напишите на почту zakaz@podsnab.ru.
Для оперативной консультации подготовьте, пожалуйста, имеющиеся данные: маркировку, размеры, тип оборудования или артикул старого подшипника.
Да, конечно! Мы высоко ценим долгосрочное сотрудничество и доверие клиентов по всей России. Для постоянных клиентов действует персональная система скидок.
Условия формируются индивидуально и зависят от:
Чтобы узнать свои условия и получить максимально выгодное предложение, свяжитесь с персональным менеджером или напишите нам на почту zakaz@podsnab.ru.
Вы можете оформить заказ несколькими способами:
Для оформления заказа от юридического лица свяжитесь с нашим отделом по работе с корпоративными клиентами по телефону +7 (495) 104-99-04 или напишите на email zakaz@podsnab.ru, прикрепив реквизиты вашей организации.
Мы оперативно подготовим коммерческое предложение и выставим счет.
Возврат товара надлежащего качества возможен в течение 10 дней с момента получения, если товар не был в употреблении, сохранен товарный вид, упаковка не вскрывалась и присутствуют все сопроводительные документы.
Возврат денежных средств осуществляется в течение 10 рабочих дней после проверки товара складом.
В соответствии с законодательством возврату не подлежат подшипники надлежащего качества, если отсутствует оригинальная упаковка или имеются следы монтажа.
В случае выявления брака или гарантийного случая мы гарантируем возврат или обмен товара.
Да, гарантийный срок хранения устанавливается заводом-изготовителем и в среднем составляет 2 года при соблюдении условий хранения: сухое помещение, оригинальная упаковка и смазка.
Точный срок для конкретного типа подшипника уточняйте у наших менеджеров.
Пн–Пт: с 8:00 до 17:00 (МСК).
Сб–Вс: выходные дни.
Заказы на сайте принимаются круглосуточно. Заявки, поступившие после окончания рабочего дня, обрабатываются на следующий рабочий день.
Минимальная сумма заказа для доставки составляет 3000 рублей. Самовывоз со склада возможен на любую сумму при наличии товара.
ООО «УралТехГрупп»
ИНН: 7415093830
КПП: 772401001
ОГРН: 1167456069021
Банк: ПАО Сбербанк
Р/с: 40702810838000475273
К/с: 30101810400000000225
БИК: 044525225
У подшипника 5-112 Л пока нет отзывов. Вы можете стать первым покупателем, поделившимся своим мнением.