Поиск подшипника
Статьи
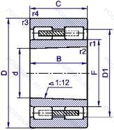
4-4162926 — Роликовый радиальный двухрядный подшипник, модификация основного исполнения 4162926, производство ГПЗ.
Размер подшипника: 130x180x50 мм.
Государственный стандарт ГОСТ
44162926
В наличии
| Обозначение | Конструктивные изменения |
|---|---|
| 6-4162926 | Роликовый радиальный двухрядный подшипник. |
| 4162926 | Роликовый радиальный двухрядный подшипник. Основное конструктивное исполнение. |
| 4162926К | Роликовый радиальный двухрядный подшипник. |
Модификации роликового подшипника 4-4162926 — это измененное основное конструктивное исполнение 4162926, основные размеры (130x180x50) не отличаются.
| Обозначение | Гост | Конструктивные особенности |
|---|---|---|
| NNU4926MB | ISO | сепаратор из латуни. центрированный по внутреннему кольцу. |
| NNU4926MBKR | ISO | Роликовый радиальный двухрядный подшипник. |
| RS-4926E4 | ISO | Канавка для смазки и три отверстия во внешнем кольце подшипника. |
| RSF-4926E4 | ISO | Канавка для смазки и три отверстия во внешнем кольце подшипника. |
| NN4926C1NAP4 | ISO | Роликовый радиальный двухрядный подшипник. |
| NNU4926C1NAP4 | ISO | Роликовый радиальный двухрядный подшипник. |
| 4262926 | ГОСТ | Роликовый радиальный двухрядный подшипник. |
| NN4926K | ISO | Коническое внутреннее отверстие. Двухрядный цилиндрический роликовый подшипник. |
| NN4926 | ISO | Канавка под стопорное кольцо на наружном кольце подшипника. Двухрядный цилиндрический роликовый подшипник. |
| NNU4926 V | ISO | Бессепараторный подшипник. Двухрядный цилиндрический роликовый подшипник. |
| NNU4926K V | ISO | Коническое внутреннее отверстие. Бессепараторный подшипник. Двухрядный цилиндрический роликовый подшипник. |
| NAU 4926 | ISO | Роликовый радиальный двухрядный подшипник. |
| NAU 4926UU | ISO | Символ защиты от загрязнения. |
| NNU 4926 SPW33 | ISO | Роликовый радиальный двухрядный подшипник. |
| NNU 4926 K/SPW33 | ISO | Коническое отверстие. Конусность 1/12. |
| DC4926AVW | ISO | Роликовый радиальный двухрядный подшипник. |
| DC4926VW | ISO | Роликовый радиальный двухрядный подшипник. |
| RB4926 | ISO | Роликовый радиальный двухрядный подшипник. |
| RC4926 | ISO | Роликовый радиальный двухрядный подшипник. |
Аналог роликового подшипника 4-4162926 — это подшипник такого же размера dx130,Dx180,Bx50, типа и конструкции.
| Обозначение | Конструктивные особенности | Внутренний (d) | Наружный (D) | Ширина (B) |
|---|---|---|---|---|
| SL18-4926A | Подшипник роликовый цилиндрический двухрядный. Особенность внутренней конструкции. | 130.00 | 180.00 | 50.00 |
| NNU4926KM NA W33 P51 | Подшипник роликовый цилиндрический двухрядный. Канавка для смазки и три отверстия во внешнем кольце подшипника. Нет особого значения для цилиндрического подшипника. Сочетание P5 (размерная точность и точность хода в соответствии с классом допуска ISO 5 (лучше. чем P6)) и C1 (радиальный зазор и сниженный уровень вибрации). Type Of Model. | 130.00 | 180.00 | 50.00 |
| SL014926-A | Подшипник роликовый цилиндрический двухрядный. Особенность внутренней конструкции. | 130.00 | 180.00 | 50.00 |
| NA4926/C3 | Роликовый игольчатый подшипник. Внутренний зазор больше нормального. | 130.00 | 180.00 | 50.00 |
| NNC4926-V-C2 | Подшипник роликовый цилиндрический двухрядный. Внутренний зазор подшипника меньше нормального. Подшипник без сепаратора. С полным комплектом тел качения. | 130.00 | 180.00 | 50.00 |
| NNCF4926V.C3 | Подшипник роликовый цилиндрический двухрядный. Внутренний зазор больше нормального. Подшипник без сепаратора. С полным комплектом тел качения. | 130.00 | 180.00 | 50.00 |
| NNCL4926-V-C3 | Подшипник роликовый цилиндрический двухрядный. Внутренний зазор больше нормального. Подшипник без сепаратора. С полным комплектом тел качения. | 130.00 | 180.00 | 50.00 |
| 2R2677V | Роликовый радиальный цилиндрический двухрядный подшипник. Подшипник без сепаратора. С полным комплектом тел качения. | 130.00 | 180.00 | 50.00 |
| NNCF 4926 CV | Роликовый радиальный цилиндрический двухрядный подшипник. Полноразмерный цилиндрический роликоподшипник с модифицированной внутренней конструкцией. | 130.00 | 180.00 | 50.00 |
| NNCL 4926 CV | Роликовый радиальный цилиндрический двухрядный подшипник. Полноразмерный цилиндрический роликоподшипник с модифицированной внутренней конструкцией. | 130.00 | 180.00 | 50.00 |
| NNU4926/W33 | Роликовый радиальный цилиндрический однорядный подшипник. Канавка для смазки и три отверстия во внешнем кольце подшипника. | 130.00 | 180.00 | 50.00 |
| NNU4926K/W33 | Роликовый радиальный цилиндрический однорядный подшипник. Канавка для смазки и три отверстия во внешнем кольце подшипника. Коническое отверстие. Конусность 1/12. | 130.00 | 180.00 | 50.00 |
| NA4926-2RS | Роликовый игольчатый подшипник однорядный. Резиновые уплотнения с каждой стороны подшипника. | 130.00 | 180.00 | 50.00 |
| NA 4926U | Роликовый игольчатый подшипник однорядный. Универсальный одиночный подшипник. | 130.00 | 180.00 | 51.00 |
| 4074926-К1 | Роликовый радиальный однорядный подшипник. Кольцевая проточка на середине цилиндрической наружной поверхности наружного кольца плюс три отверстия для смазки. | 130.00 | 180.00 | 50.00 |
Способы доставки
Отправка через ведущие транспортные и курьерские компании: ПЭК, Деловые Линии, СДЭК, Байкал-Сервис, Энергия, КИТ, ЖелДорЭкспедиция.
Самовывоз возможен напрямую со склада в Москве.
Сроки доставки
Срок зависит от региона и выбранной транспортной компании. Все заказы комплектуются и отправляются в кратчайшие сроки со склада в Москве.
Надёжность и сохранность
Вся продукция упаковывается с учётом требований транспортировки. Мы гарантируем, что подшипники и комплектующие прибудут к заказчику в полной сохранности.
Доставка в страны ЕАЭС
Мы работаем с проверенными логистическими партнёрами, что позволяет оперативно доставлять заказы в Беларусь, Казахстан, Армению и другие страны ЕАЭС.
Варианты оплаты:
Минимальная сумма заказа и скидки:
Документы и гарантии:
Да, конечно! Наши технические специалисты готовы помочь вам с подбором точного аналога или замены подшипника. Просто позвоните нам по телефону +7 (495) 104-99-04 или напишите на почту zakaz@podsnab.ru.
Для оперативной консультации подготовьте, пожалуйста, имеющиеся данные: маркировку, размеры, тип оборудования или артикул старого подшипника.
Да, конечно! Мы высоко ценим долгосрочное сотрудничество и доверие клиентов по всей России. Для постоянных клиентов действует персональная система скидок.
Условия формируются индивидуально и зависят от:
Чтобы узнать свои условия и получить максимально выгодное предложение, свяжитесь с персональным менеджером или напишите нам на почту zakaz@podsnab.ru.
Вы можете оформить заказ несколькими способами:
Для оформления заказа от юридического лица свяжитесь с нашим отделом по работе с корпоративными клиентами по телефону +7 (495) 104-99-04 или напишите на email zakaz@podsnab.ru, прикрепив реквизиты вашей организации.
Мы оперативно подготовим коммерческое предложение и выставим счет.
Возврат товара надлежащего качества возможен в течение 10 дней с момента получения, если товар не был в употреблении, сохранен товарный вид, упаковка не вскрывалась и присутствуют все сопроводительные документы.
Возврат денежных средств осуществляется в течение 10 рабочих дней после проверки товара складом.
В соответствии с законодательством возврату не подлежат подшипники надлежащего качества, если отсутствует оригинальная упаковка или имеются следы монтажа.
В случае выявления брака или гарантийного случая мы гарантируем возврат или обмен товара.
Да, гарантийный срок хранения устанавливается заводом-изготовителем и в среднем составляет 2 года при соблюдении условий хранения: сухое помещение, оригинальная упаковка и смазка.
Точный срок для конкретного типа подшипника уточняйте у наших менеджеров.
Пн–Пт: с 8:00 до 17:00 (МСК).
Сб–Вс: выходные дни.
Заказы на сайте принимаются круглосуточно. Заявки, поступившие после окончания рабочего дня, обрабатываются на следующий рабочий день.
Минимальная сумма заказа для доставки составляет 3000 рублей. Самовывоз со склада возможен на любую сумму при наличии товара.
ООО «УралТехГрупп»
ИНН: 7415093830
КПП: 772401001
ОГРН: 1167456069021
Банк: ПАО Сбербанк
Р/с: 40702810838000475273
К/с: 30101810400000000225
БИК: 044525225
У подшипника 4-4162926 пока нет отзывов. Вы можете стать первым покупателем, поделившимся своим мнением.