Поиск подшипника
Статьи
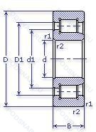
6-42212 АЕ — Роликовый радиальный однорядный подшипник, модификация основного исполнения 42212, производство ГПЗ.
Размер подшипника: 60x110x22 мм.
Сепаратор из текстолита, повышенная грузоподъемность.
Государственный стандарт ГОСТ
642212АЕ
В наличии
| Обозначение | Конструктивные изменения |
|---|---|
| В0-42212 КМ | Модифицированный контакт.. |
| В6-42212 КМШ | Модифицированный контакт.. Нормы шумности. |
| 6-42212 | Роликовый радиальный однорядный подшипник. |
| 42212 | Роликовый радиальный однорядный подшипник. Основное конструктивное исполнение. |
| 8-42212 К2 | Кольцевая проточка на середине цилиндрической наружной поверхности наружного кольца плюс три отверстия для смазки. |
| 8-42212 КМ | Модифицированный контакт.. |
| 8-42212 Л2 | Сепаратор из латуни.. |
| В6-42212 КМ | Модифицированный контакт.. |
| 6-42212 ЕМ | Сепаратор из текстолита.. Модифицированный контакт.. |
| 6-42212 К1М | Модифицированный контакт.. |
| 6-42212 КМ | Кольцевая проточка на середине цилиндрической наружной поверхности наружного кольца плюс три отверстия для смазки. Модифицированный контакт.. |
| 7-42212 К2 | Роликовый радиальный однорядный подшипник. |
| 7-42212 Л2 | Сепаратор из латуни.. |
| 42212-АЕ | Сепаратор из текстолита.. Повышенная грузоподъемность. |
| 42212-К1М | Кольцевая проточка на середине цилиндрической наружной поверхности наружного кольца плюс три отверстия для смазки. Модифицированный контакт.. |
| 42212-К2 | Кольцевая проточка на середине цилиндрической наружной поверхности наружного кольца плюс три отверстия для смазки. |
| 42212-КМ | Кольцевая проточка на середине цилиндрической наружной поверхности наружного кольца плюс три отверстия для смазки. Модифицированный контакт.. |
| 42212-Л2 | Сепаратор из латуни.. |
| 42212AE | Без суффикса. но с обозначением типа. |
| 42212KM | Type Of Model. |
| 42212КM | Подшипник с латунным сепаратором. центрированный по телам качения. |
Модификации роликового подшипника 6-42212 АЕ — это измененное основное конструктивное исполнение 42212, основные размеры (60x110x22) не отличаются.
| Обозначение | Гост | Конструктивные особенности |
|---|---|---|
| В-32212 Д2Т | ГОСТ | Температура отпуска. 160°. Сепаратор из алюминиевого сплава.. |
| В6-102212 М | ГОСТ | Модифицированный контакт.. |
| В6-12212 КМ | ГОСТ | Модифицированный контакт.. |
| 6-2212 Б1Т | ГОСТ | Температура отпуска. 160°. Сепаратор из безоловянистой бронзы.. |
| 6-2212 БТ | ГОСТ | Температура отпуска. 160°. Сепаратор из безоловянистой бронзы.. |
| 6-2212 Л | ГОСТ | Сепаратор из латуни.. |
| 6-2212 Л2 | ГОСТ | Сепаратор из латуни.. |
| 6-32212 ДТ | ГОСТ | Сепаратор из алюминиевого сплава.. Температура отпуска. 160°. |
| 6-32212 К1М | ГОСТ | Модифицированный контакт.. |
| 6-32212 КМ | ГОСТ | Модифицированный контакт.. |
| 6-42211 КМ | ГОСТ | Модифицированный контакт.. |
| 70-2212 Л | ГОСТ | Сепаратор из латуни.. |
| 70-2212 Л2 | ГОСТ | Сепаратор из латуни.. |
| 8-12212 КМ | ГОСТ | Модифицированный контакт.. |
| 5-32212 БТ | ГОСТ | Температура отпуска. 160°. Сепаратор из безоловянистой бронзы.. |
| 5-32212 Д1Т | ГОСТ | Температура отпуска. 160°. Сепаратор из алюминиевого сплава.. |
| 5-32212 Д2Т | ГОСТ | Температура отпуска. 160°. Сепаратор из алюминиевого сплава.. |
| 56-12212 КМ | ГОСТ | Модифицированный контакт.. |
| 6-102212 М | ГОСТ | Модифицированный контакт.. |
| 6-12212 КМ | ГОСТ | Кольцевая проточка на середине цилиндрической наружной поверхности наружного кольца плюс три отверстия для смазки. Модифицированный контакт.. |
Аналог роликового подшипника 6-42212 АЕ — это подшипник такого же размера dx60,Dx110,Bx22, типа и конструкции.
| Обозначение | Конструктивные особенности | Внутренний (d) | Наружный (D) | Ширина (B) |
|---|---|---|---|---|
| 5-36212 АЛ | Шариковый радиально-упорный однорядный подшипник. Сепаратор из латуни.. Повышенная грузоподъемность. | 60.00 | 110.00 | 22.00 |
| 5-36212 Е | Шариковый радиально-упорный однорядный подшипник. Сепаратор из текстолита.. | 60.00 | 110.00 | 22.00 |
| 5-36212 К | Шариковый радиально-упорный однорядный подшипник. «Замок» (скос) на внутреннем кольце плюс массивный сепаратор из текстолита. | 60.00 | 110.00 | 22.00 |
| 5-46212 АЕ1 | Шариковый радиально-упорный однорядный подшипник. Сепаратор из текстолита.. Повышенная грузоподъемность. | 60.00 | 110.00 | 22.00 |
| 5-46212 АЛ | Шариковый радиально-упорный однорядный подшипник. Сепаратор из латуни.. Повышенная грузоподъемность. | 60.00 | 110.00 | 22.00 |
| 5-46212 Е | Шариковый радиально-упорный однорядный подшипник. Сепаратор из текстолита.. | 60.00 | 110.00 | 22.00 |
| 5-46212 К | Шариковый радиально-упорный однорядный подшипник. «Замок» (скос) на внутреннем кольце плюс массивный сепаратор из текстолита. | 60.00 | 110.00 | 22.00 |
| 5-46212 Л | Шариковый радиально-упорный однорядный подшипник. Сепаратор из латуни.. | 60.00 | 110.00 | 22.00 |
| 5-66212 Е | Шариковый радиально-упорный однорядный подшипник. Сепаратор из текстолита.. | 60.00 | 110.00 | 22.00 |
| 50212-А | Шариковый радиальный однорядный подшипник. Повышенная грузоподъемность. | 60.00 | 110.00 | 22.00 |
| 50212-АК | Шариковый радиальный однорядный подшипник. Повышенная грузоподъемность. | 60.00 | 110.00 | 22.00 |
| 50312-АК2 | Шариковый радиальный однорядный подшипник. Повышенная грузоподъемность. | 60.00 | 110.00 | 22.00 |
| 6-126212 Ю | Шариковый радиально-упорный однорядный подшипник. Все детали или часть деталей из нержавеющей стали.. | 60.00 | 110.00 | 22.00 |
| 6-126212 Ю1 | Шариковый радиально-упорный однорядный подшипник. Все детали или часть деталей из нержавеющей стали.. | 60.00 | 110.00 | 22.00 |
| 6-180212 Ш1У | Шариковый радиальный однорядный подшипник. Дополнительные технические требования. Нормы шумности. | 60.00 | 110.00 | 22.00 |
Способы доставки
Отправка через ведущие транспортные и курьерские компании: ПЭК, Деловые Линии, СДЭК, Байкал-Сервис, Энергия, КИТ, ЖелДорЭкспедиция.
Самовывоз возможен напрямую со склада в Москве.
Сроки доставки
Срок зависит от региона и выбранной транспортной компании. Все заказы комплектуются и отправляются в кратчайшие сроки со склада в Москве.
Надёжность и сохранность
Вся продукция упаковывается с учётом требований транспортировки. Мы гарантируем, что подшипники и комплектующие прибудут к заказчику в полной сохранности.
Доставка в страны ЕАЭС
Мы работаем с проверенными логистическими партнёрами, что позволяет оперативно доставлять заказы в Беларусь, Казахстан, Армению и другие страны ЕАЭС.
Варианты оплаты:
Минимальная сумма заказа и скидки:
Документы и гарантии:
Да, конечно! Наши технические специалисты готовы помочь вам с подбором точного аналога или замены подшипника. Просто позвоните нам по телефону +7 (495) 104-99-04 или напишите на почту zakaz@podsnab.ru.
Для оперативной консультации подготовьте, пожалуйста, имеющиеся данные: маркировку, размеры, тип оборудования или артикул старого подшипника.
Да, конечно! Мы высоко ценим долгосрочное сотрудничество и доверие клиентов по всей России. Для постоянных клиентов действует персональная система скидок.
Условия формируются индивидуально и зависят от:
Чтобы узнать свои условия и получить максимально выгодное предложение, свяжитесь с персональным менеджером или напишите нам на почту zakaz@podsnab.ru.
Вы можете оформить заказ несколькими способами:
Для оформления заказа от юридического лица свяжитесь с нашим отделом по работе с корпоративными клиентами по телефону +7 (495) 104-99-04 или напишите на email zakaz@podsnab.ru, прикрепив реквизиты вашей организации.
Мы оперативно подготовим коммерческое предложение и выставим счет.
Возврат товара надлежащего качества возможен в течение 10 дней с момента получения, если товар не был в употреблении, сохранен товарный вид, упаковка не вскрывалась и присутствуют все сопроводительные документы.
Возврат денежных средств осуществляется в течение 10 рабочих дней после проверки товара складом.
В соответствии с законодательством возврату не подлежат подшипники надлежащего качества, если отсутствует оригинальная упаковка или имеются следы монтажа.
В случае выявления брака или гарантийного случая мы гарантируем возврат или обмен товара.
Да, гарантийный срок хранения устанавливается заводом-изготовителем и в среднем составляет 2 года при соблюдении условий хранения: сухое помещение, оригинальная упаковка и смазка.
Точный срок для конкретного типа подшипника уточняйте у наших менеджеров.
Пн–Пт: с 8:00 до 17:00 (МСК).
Сб–Вс: выходные дни.
Заказы на сайте принимаются круглосуточно. Заявки, поступившие после окончания рабочего дня, обрабатываются на следующий рабочий день.
Минимальная сумма заказа для доставки составляет 3000 рублей. Самовывоз со склада возможен на любую сумму при наличии товара.
ООО «УралТехГрупп»
ИНН: 7415093830
КПП: 772401001
ОГРН: 1167456069021
Банк: ПАО Сбербанк
Р/с: 40702810838000475273
К/с: 30101810400000000225
БИК: 044525225
У подшипника 6-42212 АЕ пока нет отзывов. Вы можете стать первым покупателем, поделившимся своим мнением.