Поиск подшипника
Статьи
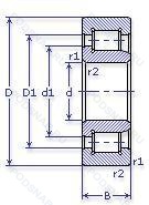
42536-М — Роликовый радиальный однорядный подшипник, модификация основного исполнения 42536, производство ГПЗ.
Размер подшипника: 180x320x86 мм.
Модифицированный контакт.
Государственный стандарт ГОСТ
42536М
В наличии
| Обозначение | Конструктивные изменения |
|---|---|
| 30М1-42536 ЛМ | Сепаратор из латуни.. Модифицированный контакт.. |
| 30М2-42536 ЛМ | Сепаратор из латуни.. Модифицированный контакт.. |
| 6-42536-АЛМШ1 | Сепаратор из латуни.. Модифицированный контакт.. Повышенная грузоподъемность. Нормы шумности. |
| 6-42536-АЛМШ | Сепаратор из латуни.. Модифицированный контакт.. Повышенная грузоподъемность. Нормы шумности. |
| 86-42536 АЛМШ1 | Сепаратор из латуни.. Модифицированный контакт.. Повышенная грузоподъемность. Нормы шумности. |
| 86-42536 АЛМШ | Сепаратор из латуни.. Модифицированный контакт.. Повышенная грузоподъемность. Нормы шумности. |
| 42536 | Роликовый радиальный однорядный подшипник. Основное конструктивное исполнение. |
| 30-42536 Л1М | Модифицированный контакт.. Сепаратор из латуни.. |
| 30-42536 ЛМ | Сепаратор из латуни.. Модифицированный контакт.. |
| 42536-ЛМ | Сепаратор из латуни.. Модифицированный контакт.. |
| 42536EМ | Повышенная грузоподъемность. Модифицированный контакт.. |
Модификации роликового подшипника 42536-М — это измененное основное конструктивное исполнение 42536, основные размеры (180x320x86) не отличаются.
| Обозначение | Гост | Конструктивные особенности |
|---|---|---|
| NP2236 E | ISO | Повышенная грузоподъемность. |
| NF2236 | ISO | Механически обработанный сепаратор из стали или специального чугуна. Канавка под стопорное кольцо на наружном кольце подшипника. |
| NH2236 | ISO | Канавка под стопорное кольцо на наружном кольце подшипника. |
| NP2236 | ISO | Канавка под стопорное кольцо на наружном кольце подшипника. |
| NJ2236R | ISO | С выпуклыми асимметричными роликами и обработанным сепаратором. |
| NU2236R | ISO | С выпуклыми асимметричными роликами и обработанным сепаратором. |
| NJ2236-E-MA6 | ISO | Повышенная грузоподъемность. Изготовленный из двух частей латунный сепаратор. Центрирование по внешнему кольцу. Различные конструкции или сорта материалов обозначаются цифрой или буквой.. |
| NJ2236-E-M6 | ISO | Повышенная грузоподъемность. 20-28 UM (C3 & C4). |
| NJ2236-E-MPA | ISO | Повышенная грузоподъемность. Твердый латунный сепаратор. |
| NJ2236-E-MA6+HJ2236-E | ISO | Повышенная грузоподъемность. Изготовленный из двух частей латунный сепаратор. Центрирование по внешнему кольцу. Различные конструкции или сорта материалов обозначаются цифрой или буквой.. |
| NJ2236-E-MPA+HJ2236-E | ISO | Повышенная грузоподъемность. Твердый латунный сепаратор. |
| NJ2236-E-M6+HJ2236-E | ISO | Повышенная грузоподъемность. 20-28 UM (C3 & C4). |
| NU2236-E-MA6 | ISO | Повышенная грузоподъемность. Изготовленный из двух частей латунный сепаратор. Центрирование по внешнему кольцу. Различные конструкции или сорта материалов обозначаются цифрой или буквой.. |
| NU2236-E-MPA | ISO | Повышенная грузоподъемность. Твердый латунный сепаратор. |
| 8-42836 ЛМ | ГОСТ | Сепаратор из латуни.. Модифицированный контакт.. |
| NJ2236EM | ISO | Стандартный фланцевый ( с резьбой и сквозным отверстием). |
| 62536ЛМ | ГОСТ | Сепаратор из латуни.. Модифицированный контакт.. |
| NU 2236 ECML | ISO | Однорядный цилиндрический роликовый подшипник. |
| 52536EМ | ГОСТ | Повышенная грузоподъемность. Модифицированный контакт.. |
| 52536ЛМ | ГОСТ | Сепаратор из латуни.. Модифицированный контакт.. |
Аналог роликового подшипника 42536-М — это подшипник такого же размера dx180,Dx320,Bx86, типа и конструкции.
| Обозначение | Конструктивные особенности | Внутренний (d) | Наружный (D) | Ширина (B) |
|---|---|---|---|---|
| 30М2-42836 ЛМУ | Роликовый радиальный цилиндрический однорядный подшипник. Сепаратор из латуни.. Дополнительные технические требования. Модифицированный контакт.. | 180.00 | 320.00 | 86.00 |
| NJ 2236 ECM | Роликовый радиальный цилиндрический однорядный подшипник. Однорядный цилиндрический роликовый подшипник. | 180.00 | 320.00 | 86.00 |
| NUP2236EM | Роликовый радиальный цилиндрический однорядный подшипник. Стандартный фланцевый ( с резьбой и сквозным отверстием). | 180.00 | 320.00 | 86.00 |
| NUP2236E | Роликовый радиальный цилиндрический однорядный подшипник. Повышенная грузоподъемность. | 180.00 | 320.00 | 86.00 |
| NJ2236-E-M1 + HJ2236-E | Роликовый радиальный цилиндрический однорядный подшипник. Повышенная грузоподъемность. Механически обработанный латунный сепаратор. вращающийся элемент качения (крестовина на заклепках). | 180.00 | 320.00 | 86.00 |
| Z-567601.ZL-K-C3 | Роликовый радиальный подшипник. Внутренний зазор больше нормального. Коническое отверстие. Конусность 1/12. Цилиндрический роликовый подшипник. | 180.00 | 320.00 | 86.00 |
| Z-567601.ZL-K-C5 | Роликовый радиальный подшипник. Коническое отверстие. Конусность 1/12. Внутренний зазор подшипника больше. чем С4. Цилиндрический роликовый подшипник. | 180.00 | 320.00 | 86.00 |
| N2236 | Роликовый радиальный цилиндрический однорядный подшипник. Однорядный цилиндрический роликовый подшипник. Внутреннее кольцо подшипника имеет два борта. Два смещенных на 180° стопорных паза на наружной поверхности наружного кольца подшипника. | 180.00 | 320.00 | 86.00 |
| NUP2236 | Роликовый радиальный цилиндрический однорядный подшипник. Сталь сквозной закалки SUJ2 (японская) и взаимозаменяемость (только для метрических серий). Канавка под стопорное кольцо на наружном кольце подшипника. Точность размеров примерно соответствует классу точности Р4. Класс точности 2. Однорядный цилиндрический роликовый подшипник. Наружное кольцо имеет два борта. | 180.00 | 320.00 | 86.00 |
| NUP2236R | Роликовый радиальный цилиндрический однорядный подшипник. С выпуклыми асимметричными роликами и обработанным сепаратором. | 180.00 | 320.00 | 86.00 |
| GW 180 | Шарнирный подшипник. Пластичная смазка для широкого диапазона температур. | 180.00 | 320.00 | 86.00 |
| GE180AW | Шарнирный подшипник. Скользящая контактная поверхность из твердого хрома/Elgoglide®. Антизадирная пластичная смазка. | 180.00 | 320.00 | 86.00 |
| GE180-AX | Шарнирный подшипник. Поверхность контакта скольжения сталь / сталь. Метрический радиальный сферический подшипник скольжения. | 180.00 | 320.00 | 86.00 |
| GX180T | Шарнирный подшипник. Textile Laminated Phenolic Resin. Outer Ring Guided. The Cage Is Suitable For Long-Term Operation At Temperatures Up To 100°C. | 180.00 | 320.00 | 86.00 |
| 53536Н | Роликовый радиальный двухрядный подшипник. Детали из теплостойкой стали. | 180.00 | 320.00 | 86.00 |
Способы доставки
Отправка через ведущие транспортные и курьерские компании: ПЭК, Деловые Линии, СДЭК, Байкал-Сервис, Энергия, КИТ, ЖелДорЭкспедиция.
Самовывоз возможен напрямую со склада в Москве.
Сроки доставки
Срок зависит от региона и выбранной транспортной компании. Все заказы комплектуются и отправляются в кратчайшие сроки со склада в Москве.
Надёжность и сохранность
Вся продукция упаковывается с учётом требований транспортировки. Мы гарантируем, что подшипники и комплектующие прибудут к заказчику в полной сохранности.
Доставка в страны ЕАЭС
Мы работаем с проверенными логистическими партнёрами, что позволяет оперативно доставлять заказы в Беларусь, Казахстан, Армению и другие страны ЕАЭС.
Варианты оплаты:
Минимальная сумма заказа и скидки:
Документы и гарантии:
Да, конечно! Наши технические специалисты готовы помочь вам с подбором точного аналога или замены подшипника. Просто позвоните нам по телефону +7 (495) 104-99-04 или напишите на почту zakaz@podsnab.ru.
Для оперативной консультации подготовьте, пожалуйста, имеющиеся данные: маркировку, размеры, тип оборудования или артикул старого подшипника.
Да, конечно! Мы высоко ценим долгосрочное сотрудничество и доверие клиентов по всей России. Для постоянных клиентов действует персональная система скидок.
Условия формируются индивидуально и зависят от:
Чтобы узнать свои условия и получить максимально выгодное предложение, свяжитесь с персональным менеджером или напишите нам на почту zakaz@podsnab.ru.
Вы можете оформить заказ несколькими способами:
Для оформления заказа от юридического лица свяжитесь с нашим отделом по работе с корпоративными клиентами по телефону +7 (495) 104-99-04 или напишите на email zakaz@podsnab.ru, прикрепив реквизиты вашей организации.
Мы оперативно подготовим коммерческое предложение и выставим счет.
Возврат товара надлежащего качества возможен в течение 10 дней с момента получения, если товар не был в употреблении, сохранен товарный вид, упаковка не вскрывалась и присутствуют все сопроводительные документы.
Возврат денежных средств осуществляется в течение 10 рабочих дней после проверки товара складом.
В соответствии с законодательством возврату не подлежат подшипники надлежащего качества, если отсутствует оригинальная упаковка или имеются следы монтажа.
В случае выявления брака или гарантийного случая мы гарантируем возврат или обмен товара.
Да, гарантийный срок хранения устанавливается заводом-изготовителем и в среднем составляет 2 года при соблюдении условий хранения: сухое помещение, оригинальная упаковка и смазка.
Точный срок для конкретного типа подшипника уточняйте у наших менеджеров.
Пн–Пт: с 8:00 до 17:00 (МСК).
Сб–Вс: выходные дни.
Заказы на сайте принимаются круглосуточно. Заявки, поступившие после окончания рабочего дня, обрабатываются на следующий рабочий день.
Минимальная сумма заказа для доставки составляет 3000 рублей. Самовывоз со склада возможен на любую сумму при наличии товара.
ООО «УралТехГрупп»
ИНН: 7415093830
КПП: 772401001
ОГРН: 1167456069021
Банк: ПАО Сбербанк
Р/с: 40702810838000475273
К/с: 30101810400000000225
БИК: 044525225
У подшипника 42536-М пока нет отзывов. Вы можете стать первым покупателем, поделившимся своим мнением.