Поиск подшипника
Статьи
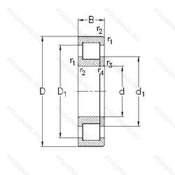
NUP316-E-TVP3 — Роликовый радиальный однорядный подшипник, модификация основного исполнения NUP316, производство NKE.
Размер подшипника: 80x170x39 мм.
Однорядный цилиндрический роликоподшипник. Наружное кольцо имеет два борта, внутреннее — один борт и одно свободное фланцевое кольцо. Основные размеры по DIN 5412-1, относится к подтипу фиксированные подшипники, разъемные, с сепаратором, цельный сепаратор из полиамида pa66-gf25. сепаратор оконного типа. направляемый телами качения, повышенная грузоподъемность.
Международная стандартизации ISO
NUP316ETVP3
В наличии
| Обозначение | Конструктивные изменения |
|---|---|
| NUP316EM | Стандартный фланцевый ( с резьбой и сквозным отверстием). |
| NUP316EM C3 | Внутренний зазор больше нормального. Стандартный фланцевый ( с резьбой и сквозным отверстием). |
| NUP316 | Сталь сквозной закалки SUJ2 (японская) и взаимозаменяемость (только для метрических серий). Канавка под стопорное кольцо на наружном кольце подшипника. Точность размеров примерно соответствует классу точности Р4. Однорядный цилиндрический роликовый подшипник. Наружное кольцо имеет два борта. Основное конструктивное исполнение. |
| NUP316-E-XL-M1 | Повышенная грузоподъемность. Серия X-Life премиум-класс. увеличиный срок службы. Механически обработанный латунный сепаратор. вращающийся элемент качения (крестовина на заклепках). |
| NUP316-E-MPAX-C3 | Внутренний зазор больше нормального. Повышенная грузоподъемность. Ребристый однокомпонентный цельнолатунный сепаратор является дальнейшим развитием сепараторов FAG типов MPA и MP1A и будет последовательно заменять эти типы. Он обладает большей прочностью по отношению к ударным нагрузкам и вибрациям. чем его предшественники. и особенно хорошо подходит для применения в условиях высоких нагрузок. |
| NUP316U | Одно ребро. Одно стопорное кольцо в наружном кольце. |
| NUP316-E-M1 | Повышенная грузоподъемность. Механически обработанный латунный сепаратор. вращающийся элемент качения (крестовина на заклепках). |
| NUP316-E-XL-MPAX-C3 | Внутренний зазор больше нормального. Повышенная грузоподъемность. Серия X-Life премиум-класс. увеличиный срок службы. Ребристый однокомпонентный цельнолатунный сепаратор является дальнейшим развитием сепараторов FAG типов MPA и MP1A и будет последовательно заменять эти типы. Он обладает большей прочностью по отношению к ударным нагрузкам и вибрациям. чем его предшественники. и особенно хорошо подходит для применения в условиях высоких нагрузок. |
| NUP316-E-XL-TVP2 | Повышенная грузоподъемность. Серия X-Life премиум-класс. увеличиный срок службы. Cепаратор изготовленный из полиамида PA66. армированного стекловолокном. |
| NUP316-E-XL-TVP2-C3 | Внутренний зазор больше нормального. Повышенная грузоподъемность. Серия X-Life премиум-класс. увеличиный срок службы. Cепаратор изготовленный из полиамида PA66. армированного стекловолокном. |
| NUP316-E-XL-M1-C3 | Внутренний зазор больше нормального. Повышенная грузоподъемность. Серия X-Life премиум-класс. увеличиный срок службы. Механически обработанный латунный сепаратор. вращающийся элемент качения (крестовина на заклепках). |
| NUP316-E-M1-C3 | Внутренний зазор больше нормального. Повышенная грузоподъемность. Механически обработанный латунный сепаратор. вращающийся элемент качения (крестовина на заклепках). |
| NUP316ECP | Оптимизированная внутренняя конструкция предусматривает увеличенное количество роликов и/или ролики большего размера с улучшенными условиями контакта торцов роликов с бортами внутреннего кольца. Сепаратор из стеклонаполненного полиамида PA66. центрируемый по роликам. Однорядный цилиндрический роликовый подшипник. |
| NUP316-E-TVP2-C3 | Внутренний зазор больше нормального. Повышенная грузоподъемность. Cепаратор изготовленный из полиамида PA66. армированного стекловолокном. |
| NUP316-E-M1-F1-C4 | Внутренний зазор подшипника больше. чем C3. Повышенная грузоподъемность. Механически обработанный латунный сепаратор. вращающийся элемент качения (крестовина на заклепках). Спецификация производства и контроля FAG для цилиндрических роликоподшипников в тяговых двигателях. |
| NUP316M | Механически обработанный латунный сепаратор .Расположенный на элементах качения. |
| NUP316ET C3 | Внутренний зазор больше нормального. Сквозная закалка и шлифовка стали с переломом в одной точке. |
| NUP316-E-M6-C3 | Внутренний зазор больше нормального. Увеличенная грузоподъёмность. Цельный латунный сепаратор с роликовыми направляющими для цилиндрических роликоподшипников. |
| NUP316-E-XL-M1-F1-C4 | Внутренний зазор подшипника больше. чем C3. Повышенная грузоподъемность. Серия X-Life премиум-класс. увеличиный срок службы. Механически обработанный латунный сепаратор. вращающийся элемент качения (крестовина на заклепках). Спецификация производства и контроля FAG для цилиндрических роликоподшипников в тяговых двигателях. |
| NUP316-E-TVP2 | Повышенная грузоподъемность. Cепаратор изготовленный из полиамида PA66. армированного стекловолокном. |
| NUP316-E-M6 | Повышенная грузоподъемность. 20-28 UM (C3 & C4). |
| NUP316-E-MPA | Повышенная грузоподъемность. Твердый латунный сепаратор. |
| NUP316-E-MA6 | Повышенная грузоподъемность. Изготовленный из двух частей латунный сепаратор. Центрирование по внешнему кольцу. Различные конструкции или сорта материалов обозначаются цифрой или буквой.. |
| NUP316E | Повышенная грузоподъемность. |
| NUP316R | С выпуклыми асимметричными роликами и обработанным сепаратором. |
Модификации роликового подшипника NUP316-E-TVP3 — это измененное основное конструктивное исполнение NUP316, основные размеры (80x170x39) не отличаются.
| Обозначение | Гост | Конструктивные особенности |
|---|---|---|
| NJ316-E-MPA | ISO | Повышенная грузоподъемность. Твердый латунный сепаратор. |
| NJ316-E-MA6+HJ316-E | ISO | Повышенная грузоподъемность. Изготовленный из двух частей латунный сепаратор. Центрирование по внешнему кольцу. Различные конструкции или сорта материалов обозначаются цифрой или буквой.. |
| NJ316-E-TVP3+HJ316-E | ISO | Повышенная грузоподъемность. Цельный сепаратор из полиамида PA66-GF25. сепаратор оконного типа. направляемый телами качения. |
| NJ316-E-MPA+HJ316-E | ISO | Повышенная грузоподъемность. Твердый латунный сепаратор. |
| NJ316-E-M6+HJ316-E | ISO | Повышенная грузоподъемность. 20-28 UM (C3 & C4). |
| NJ316-E-MA6 | ISO | Повышенная грузоподъемность. Изготовленный из двух частей латунный сепаратор. Центрирование по внешнему кольцу. Различные конструкции или сорта материалов обозначаются цифрой или буквой.. |
| 8-2316 КМ | ГОСТ | Модифицированный контакт.. |
| N316 EM | ISO | Стандартный фланцевый ( с резьбой и сквозным отверстием). |
| 92316-МЛ | ГОСТ | Сепаратор из латуни.. Модифицированный контакт.. |
| 6-32316-Л | ГОСТ | Сепаратор из латуни.. |
| 6-32316-Л1 | ГОСТ | Сепаратор из латуни.. |
| 7-32316 Л1 | ГОСТ | Сепаратор из латуни.. |
| 70-32316 Л | ГОСТ | Сепаратор из латуни.. |
| 70-42316 К3Л2 | ГОСТ | Кольцевая проточка на середине цилиндрической наружной поверхности наружного кольца плюс три отверстия для смазки. Сепаратор из латуни.. |
| 76-32316 Л1 | ГОСТ | Сепаратор из латуни.. |
| 76-32316 Л1Ш2 | ГОСТ | Сепаратор из латуни.. Нормы шумности. |
| 8-12316 КМ | ГОСТ | Модифицированный контакт.. |
| NU 316 ECPH | ISO | Однорядный цилиндрический роликовый подшипник. |
| 42316-Л | ГОСТ | Сепаратор из латуни.. |
| 42316-Л2 | ГОСТ | Сепаратор из латуни.. |
Аналог роликового подшипника NUP316-E-TVP3 — это подшипник такого же размера dx80,Dx170,Bx39, типа и конструкции.
| Обозначение | Конструктивные особенности | Внутренний (d) | Наружный (D) | Ширина (B) |
|---|---|---|---|---|
| 316-АК5 | Шариковый радиальный однорядный подшипник. Повышенная грузоподъемность. | 80.00 | 170.00 | 39.00 |
| 316-АЛ5 | Шариковый радиальный однорядный подшипник. Повышенная грузоподъемность. Сепаратор из латуни.. | 80.00 | 170.00 | 39.00 |
| 316-К5 | Шариковый радиальный однорядный подшипник. Повышенная грузоподъемность. | 80.00 | 170.00 | 39.00 |
| 316-К5Ш2У | Шариковый радиальный однорядный подшипник. Дополнительные технические требования. Нормы шумности. Повышенная грузоподъемность. | 80.00 | 170.00 | 39.00 |
| 36-316 Е5Ш1 | Шариковый радиальный однорядный подшипник. Сепаратор из текстолита.. Нормы шумности. | 80.00 | 170.00 | 39.00 |
| 36-316 К5 | Шариковый радиальный однорядный подшипник. Повышенная грузоподъемность. | 80.00 | 170.00 | 39.00 |
| 1316 K + H 316 | Шариковый сферический двухрядный подшипник. Коническое внутреннее отверстие. Pressed Snap-Type Steel Cage. Hardened. | 80.00 | 170.00 | 39.00 |
| 1316S | Шариковый сферический двухрядный подшипник. Запечатанная версия кулачкового ролика. | 80.00 | 170.00 | 39.00 |
| 7603080-TVP | Шариковый упорный однорядный подшипник. Molded Snap-Type Cage Of Glass Fibre Reinforced Polyamide. Rolling Element Riding. | 80.00 | 170.00 | 39.00 |
| 46316-Л | Шариковый радиально-упорный однорядный подшипник. Сепаратор из латуни.. | 80.00 | 170.00 | 39.00 |
| 46316-Л5 | Шариковый радиально-упорный однорядный подшипник. Сепаратор из латуни.. | 80.00 | 170.00 | 39.00 |
| 46316К | Шариковый радиально-упорный однорядный подшипник. «Замок» (скос) на внутреннем кольце плюс массивный сепаратор из текстолита. | 80.00 | 170.00 | 39.00 |
| 50316-АК5 | Шариковый радиальный однорядный подшипник. Повышенная грузоподъемность. | 80.00 | 170.00 | 39.00 |
| 50316-К5 | Шариковый радиальный однорядный подшипник. Повышенная грузоподъемность. | 80.00 | 170.00 | 39.00 |
| 6-1316-Л | Шариковый радиальный двухрядный подшипник. Сепаратор из латуни.. | 80.00 | 170.00 | 39.00 |
Способы доставки
Отправка через ведущие транспортные и курьерские компании: ПЭК, Деловые Линии, СДЭК, Байкал-Сервис, Энергия, КИТ, ЖелДорЭкспедиция.
Самовывоз возможен напрямую со склада в Москве.
Сроки доставки
Срок зависит от региона и выбранной транспортной компании. Все заказы комплектуются и отправляются в кратчайшие сроки со склада в Москве.
Надёжность и сохранность
Вся продукция упаковывается с учётом требований транспортировки. Мы гарантируем, что подшипники и комплектующие прибудут к заказчику в полной сохранности.
Доставка в страны ЕАЭС
Мы работаем с проверенными логистическими партнёрами, что позволяет оперативно доставлять заказы в Беларусь, Казахстан, Армению и другие страны ЕАЭС.
Варианты оплаты:
Минимальная сумма заказа и скидки:
Документы и гарантии:
Да, конечно! Наши технические специалисты готовы помочь вам с подбором точного аналога или замены подшипника. Просто позвоните нам по телефону +7 (495) 104-99-04 или напишите на почту zakaz@podsnab.ru.
Для оперативной консультации подготовьте, пожалуйста, имеющиеся данные: маркировку, размеры, тип оборудования или артикул старого подшипника.
Да, конечно! Мы высоко ценим долгосрочное сотрудничество и доверие клиентов по всей России. Для постоянных клиентов действует персональная система скидок.
Условия формируются индивидуально и зависят от:
Чтобы узнать свои условия и получить максимально выгодное предложение, свяжитесь с персональным менеджером или напишите нам на почту zakaz@podsnab.ru.
Вы можете оформить заказ несколькими способами:
Для оформления заказа от юридического лица свяжитесь с нашим отделом по работе с корпоративными клиентами по телефону +7 (495) 104-99-04 или напишите на email zakaz@podsnab.ru, прикрепив реквизиты вашей организации.
Мы оперативно подготовим коммерческое предложение и выставим счет.
Возврат товара надлежащего качества возможен в течение 10 дней с момента получения, если товар не был в употреблении, сохранен товарный вид, упаковка не вскрывалась и присутствуют все сопроводительные документы.
Возврат денежных средств осуществляется в течение 10 рабочих дней после проверки товара складом.
В соответствии с законодательством возврату не подлежат подшипники надлежащего качества, если отсутствует оригинальная упаковка или имеются следы монтажа.
В случае выявления брака или гарантийного случая мы гарантируем возврат или обмен товара.
Да, гарантийный срок хранения устанавливается заводом-изготовителем и в среднем составляет 2 года при соблюдении условий хранения: сухое помещение, оригинальная упаковка и смазка.
Точный срок для конкретного типа подшипника уточняйте у наших менеджеров.
Пн–Пт: с 8:00 до 17:00 (МСК).
Сб–Вс: выходные дни.
Заказы на сайте принимаются круглосуточно. Заявки, поступившие после окончания рабочего дня, обрабатываются на следующий рабочий день.
Минимальная сумма заказа для доставки составляет 3000 рублей. Самовывоз со склада возможен на любую сумму при наличии товара.
ООО «УралТехГрупп»
ИНН: 7415093830
КПП: 772401001
ОГРН: 1167456069021
Банк: ПАО Сбербанк
Р/с: 40702810838000475273
К/с: 30101810400000000225
БИК: 044525225
У подшипника NUP316-E-TVP3 пока нет отзывов. Вы можете стать первым покупателем, поделившимся своим мнением.