Поиск подшипника
Статьи
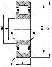
100RT33 — Роликовый радиальный однорядный подшипник, модификация основного исполнения 100, производство TIMKEN.
Размер подшипника: 100x215x82 мм.
Международная стандартизации ISO
100RT33
В наличии
| Обозначение | Конструктивные изменения |
|---|---|
| GE 100 HS-2RS | Контактные уплотнения типа RS с обеих сторон игольчатого роликоподшипника. Антизадирная пластичная смазка. High Speed Design. |
| GE 100 HCR-2RS | Контактные уплотнения типа RS с обеих сторон игольчатого роликоподшипника. Антизадирная пластичная смазка. |
| GE 100 XES | Габаритные размеры отличаются от стандарта ISO или опорные ролики с цилиндрической наружной поверхностью. Антизадирная пластичная смазка. |
| GE 100 XES-2RS | Контактные уплотнения типа RS с обеих сторон игольчатого роликоподшипника. Габаритные размеры отличаются от стандарта ISO или опорные ролики с цилиндрической наружной поверхностью. Антизадирная пластичная смазка. |
| GE 100GS-2RS | Резиновые уплотнения с каждой стороны подшипника. Подшипник с предварительным натягом и цилиндрическим наружним кольцом. |
| GIHNRK 100 LO | Стальная поверхность скольжения. Внутреннее кольцо расширено с обеих сторон. Одна осевая канавка на внешнем кольце. |
| GAC 100 SP | Точность размеров примерно соответствует классу точности Р5. биения — классу точности Р4. |
| GAC 100 CP | 10 Piece Packaging. |
| GE 100 CP | 10 Piece Packaging. |
| GX 100 SP | Точность размеров примерно соответствует классу точности Р5. биения — классу точности Р4. |
| GX 100 CP | 10 Piece Packaging. |
| SA1-100BSS | Ball Bearings In Stainless Steel AISI (Non Magnetic). |
| SA1-100B | Конический роликовый подшипник. Угол контакта 20 градусов. |
| GAZ 100 SA | Sliding Material - Contacting Surfaces Steel - Steel. |
| GEH 100 ES | Разъемное наружное кольцо со смазочными отверстиями. |
| GE 100 ESX-2LS | Контактное уплотнение с обеих сторон подшипника. |
| GE 100 ES-2LS | Контактное уплотнение с обеих сторон подшипника. Разъемное наружное кольцо со смазочными отверстиями. |
| GEH 100 TXA-2LS | Контактное уплотнение с обеих сторон подшипника. Machined One-Piece Retainer Made From Special Material. Working Temperature -50°C/+260°C. |
| GEH 100 TXG3A-2LS | Контактное уплотнение с обеих сторон подшипника. Stainless Steel X46Cr13/1.4034. Hardened. Ground. Split Two-Piece. Held Together By One Steel Band. |
| GEH 100 ES-2LS | Контактное уплотнение с обеих сторон подшипника. Разъемное наружное кольцо со смазочными отверстиями. |
| GEP 100 FS | Подшипниковый вкладыш с маслоотражательными уплотнениями. |
| GEZ 100 TXE-2LS | Контактное уплотнение с обеих сторон подшипника. Закаленная и шлифованная сталь. Скользящая поверхность покрыта твердым хромом и отполирована. |
| GEZM 100 ESX-2LS | Контактное уплотнение с обеих сторон подшипника. |
| GEZM 100 ES-2RS | Резиновые уплотнения с каждой стороны подшипника. Разъемное наружное кольцо со смазочными отверстиями. |
| GEZM 100 ES-2LS | Контактное уплотнение с обеих сторон подшипника. Разъемное наружное кольцо со смазочными отверстиями. |
Модификации роликового подшипника 100RT33 — это измененное основное конструктивное исполнение 100, основные размеры (100x215x82) не отличаются.
| Обозначение | Гост | Конструктивные особенности |
|---|---|---|
| R2009 | ISO | Роликовый радиальный однорядный подшипник. |
| A 5320 WB | ISO | Cast Iron Take-Up Type Bearing Unit With Its Stretcher Frame. Relubricatable. |
| 132820-КЛУ | ГОСТ | Сепаратор из латуни.. Дополнительные технические требования. |
| N3320 | ISO | Канавка под стопорное кольцо на наружном кольце подшипника. |
| NF3320 | ISO | Механически обработанный сепаратор из стали или специального чугуна. Канавка под стопорное кольцо на наружном кольце подшипника. |
| NJ3320 | ISO | Штампованный сепаратор из стального листа. Канавка под стопорное кольцо на наружном кольце подшипника. Однорядный цилиндрический роликовый подшипник. Наружное кольцо имеет два борта. |
| NP3320 | ISO | Канавка под стопорное кольцо на наружном кольце подшипника. |
| NU3320 | ISO | Канавка под стопорное кольцо на наружном кольце подшипника. Однорядные цилиндрические роликоподшипники. Наружное кольцо подшипника имеет два борта. |
| NUP3320 | ISO | Канавка под стопорное кольцо на наружном кольце подшипника. Точность размеров примерно соответствует классу точности Р4. Однорядный цилиндрический роликовый подшипник. Наружное кольцо имеет два борта. |
Аналог роликового подшипника 100RT33 — это подшипник такого же размера dx100,Dx215,Bx82, типа и конструкции.
| Обозначение | Конструктивные особенности | Внутренний (d) | Наружный (D) | Ширина (B) |
|---|---|---|---|---|
| 3320A | Подшипник шариковый двухрядный радиально-упорный. Двухрядный радиально-упорный шарикоподшипник без отверстия для смазки. | 100.00 | 215.00 | 82.60 |
| 3320L1 | Подшипник шариковый двухрядный радиально-упорный. Механически обработанный латунный сепаратор. | 100.00 | 215.00 | 82.60 |
| 320SWI | Подшипник однорядный шариковый радиальный. Single Row Deep Groove Bearing. With Inner Ring Extended One Side. | 100.00 | 215.00 | 82.55 |
| 3320.2RS | Подшипник шариковый двухрядный радиально-упорный. Манжетное уплотнение с обеих сторон подшипника. | 100.00 | 215.00 | 82.60 |
| 616113MB | Подшипник роликовый сферический. сепаратор из латуни. центрированный по внутреннему кольцу. | 100.00 | 215.00 | 83.00 |
| 63320ZZ C3 | Подшипник однорядный шариковый радиальный. Внутренний зазор больше нормального. Защитные стальные шайбы с обеих сторон. | 100.00 | 215.00 | 82.55 |
| 3320M/C2 | Подшипник шариковый двухрядный радиально-упорный. Внутренний зазор подшипника меньше нормального. Обработанный латунный сепаратор оконного типа. Центрирование шарика. | 100.00 | 215.00 | 82.60 |
| 23320AS.MA.T41A | Подшипник роликовый сферический. Механически обработанный латунный сепаратор. Центрирование по внешнему кольцу. Смазка Aeroshell 7. Диапазон от –10°C до 110°C.. Для вибросит/виброгрохотов (Зазор С4). | 100.00 | 215.00 | 82.60 |
| 23320CC/W33 | Подшипник роликовый сферический. Канавка для смазки и три отверстия во внешнем кольце подшипника. Два стальных сепаратора оконного типа. Бесфланцевое внутреннее кольцо и направляющее кольцо центрировано на внутреннем кольце. | 100.00 | 215.00 | 82.60 |
| 3320-DA-MA | Подшипник шариковый двухрядный радиально-упорный. Механически обработанный латунный сепаратор. Центрирование по внешнему кольцу. Lubricant. MIL-L-6085A2. | 100.00 | 215.00 | 82.60 |
| 23320W33 | Роликовый радиальный сферический двухрядный подшипник. Кольцевая канавка и три отверстия для смазывания в наружном кольце подшипника. | 100.00 | 215.00 | 82.60 |
| 5320W | Шариковый радиально-упорный двухрядный подшипник. Максимальная грузоподъемность. | 100.00 | 215.00 | 82.55 |
| 3320 DMA | Шариковый радиально-упорный однорядный подшипник. Измененная или модифицированная внутренняя конструкция при неизменных основных размерах. | 100.00 | 215.00 | 82.60 |
| 3320 D | Шариковый радиально-упорный двухрядный подшипник. Половина целого игольчатого валика. Применять суффикс 'D' в базовом номере. | 100.00 | 215.00 | 82.60 |
| 63320LLB | Шариковый радиальный однорядный подшипник. Уплотнение бесконтактного типа из синтетического каучука. | 100.00 | 215.00 | 82.60 |
Способы доставки
Отправка через ведущие транспортные и курьерские компании: ПЭК, Деловые Линии, СДЭК, Байкал-Сервис, Энергия, КИТ, ЖелДорЭкспедиция.
Самовывоз возможен напрямую со склада в Москве.
Сроки доставки
Срок зависит от региона и выбранной транспортной компании. Все заказы комплектуются и отправляются в кратчайшие сроки со склада в Москве.
Надёжность и сохранность
Вся продукция упаковывается с учётом требований транспортировки. Мы гарантируем, что подшипники и комплектующие прибудут к заказчику в полной сохранности.
Доставка в страны ЕАЭС
Мы работаем с проверенными логистическими партнёрами, что позволяет оперативно доставлять заказы в Беларусь, Казахстан, Армению и другие страны ЕАЭС.
Варианты оплаты:
Минимальная сумма заказа и скидки:
Документы и гарантии:
Да, конечно! Наши технические специалисты готовы помочь вам с подбором точного аналога или замены подшипника. Просто позвоните нам по телефону +7 (495) 104-99-04 или напишите на почту zakaz@podsnab.ru.
Для оперативной консультации подготовьте, пожалуйста, имеющиеся данные: маркировку, размеры, тип оборудования или артикул старого подшипника.
Да, конечно! Мы высоко ценим долгосрочное сотрудничество и доверие клиентов по всей России. Для постоянных клиентов действует персональная система скидок.
Условия формируются индивидуально и зависят от:
Чтобы узнать свои условия и получить максимально выгодное предложение, свяжитесь с персональным менеджером или напишите нам на почту zakaz@podsnab.ru.
Вы можете оформить заказ несколькими способами:
Для оформления заказа от юридического лица свяжитесь с нашим отделом по работе с корпоративными клиентами по телефону +7 (495) 104-99-04 или напишите на email zakaz@podsnab.ru, прикрепив реквизиты вашей организации.
Мы оперативно подготовим коммерческое предложение и выставим счет.
Возврат товара надлежащего качества возможен в течение 10 дней с момента получения, если товар не был в употреблении, сохранен товарный вид, упаковка не вскрывалась и присутствуют все сопроводительные документы.
Возврат денежных средств осуществляется в течение 10 рабочих дней после проверки товара складом.
В соответствии с законодательством возврату не подлежат подшипники надлежащего качества, если отсутствует оригинальная упаковка или имеются следы монтажа.
В случае выявления брака или гарантийного случая мы гарантируем возврат или обмен товара.
Да, гарантийный срок хранения устанавливается заводом-изготовителем и в среднем составляет 2 года при соблюдении условий хранения: сухое помещение, оригинальная упаковка и смазка.
Точный срок для конкретного типа подшипника уточняйте у наших менеджеров.
Пн–Пт: с 8:00 до 17:00 (МСК).
Сб–Вс: выходные дни.
Заказы на сайте принимаются круглосуточно. Заявки, поступившие после окончания рабочего дня, обрабатываются на следующий рабочий день.
Минимальная сумма заказа для доставки составляет 3000 рублей. Самовывоз со склада возможен на любую сумму при наличии товара.
ООО «УралТехГрупп»
ИНН: 7415093830
КПП: 772401001
ОГРН: 1167456069021
Банк: ПАО Сбербанк
Р/с: 40702810838000475273
К/с: 30101810400000000225
БИК: 044525225
У подшипника 100RT33 пока нет отзывов. Вы можете стать первым покупателем, поделившимся своим мнением.