Поиск подшипника
Статьи
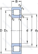
NUP 320 ECML — Роликовый радиальный цилиндрический однорядный подшипник, модификация основного исполнения 320, производство SKF.
Размер подшипника: 100x215x47 мм.
Однорядный цилиндрический роликоподшипник. Наружное кольцо имеет два борта, внутреннее — один борт и одно свободное фланцевое кольцо. Основные размеры по DIN 5412-1, относится к подтипу фиксированные подшипники, разъемные, с сепаратором.
Международная стандартизации ISO
NUP320ECML
В наличии
| Обозначение | Конструктивные изменения |
|---|---|
| 320ACD | Angular Contact 25°. Optimised Iinternal Design. |
| 320SWI | Single Row Deep Groove Bearing. With Inner Ring Extended One Side. |
| 320W | Радиальный подшипник. Тип заправочного паза. |
| 320M | Максимальная производительность. Канавка для ввода тел качения. |
| 320SFF | Single Row Radial Conrad-Type Bearings. Металлическое уплотнение с двух сторон. |
| 320RF92 | Роликовый радиальный цилиндрический однорядный подшипник. |
| 320RJ92 | Роликовый радиальный цилиндрический однорядный подшипник. |
| 320RJ91 | Роликовый радиальный цилиндрический однорядный подшипник. |
| 320RF30 | Роликовый радиальный цилиндрический однорядный подшипник. |
| 320RJ51 | Роликовый радиальный цилиндрический однорядный подшипник. |
| 320RT91 | Роликовый радиальный цилиндрический однорядный подшипник. |
| 320RT51 | Роликовый радиальный цилиндрический однорядный подшипник. |
| NF 320 ECM | Роликовый радиальный цилиндрический однорядный подшипник. |
| NJ 320 ECML | Однорядный цилиндрический роликовый подшипник. |
| NU 320 ECN1ML | Однорядный цилиндрический роликовый подшипник. |
| NU 320 EM | Стандартный фланцевый ( с резьбой и сквозным отверстием). |
| NU 320 ECP | Однорядный цилиндрический роликовый подшипник. |
| 4T-320/22X | Цементованная сталь. |
| QJ 320 N2 | Два установочных паза (выемки), расположенных под углом 180° друг от друга в одной боковой поверхности наружного кольца или шайбе корпуса.. |
| QJ 320 N2 M | Подшипник с латунным сепаратором. центрированный по телам качения. Два установочных паза (выемки), расположенных под углом 180° друг от друга в одной боковой поверхности наружного кольца или шайбе корпуса.. |
| GE 320 QCR | Антизадирная пластичная смазка. |
| GE 320 ES | Разъемное наружное кольцо со смазочными отверстиями. Антизадирная пластичная смазка. |
| GE 320 CP | 10 Piece Packaging. |
| GX 320 CP | 10 Piece Packaging. |
| GEP 320 FS | Подшипниковый вкладыш с маслоотражательными уплотнениями. |
Модификации цилиндрического роликового подшипника NUP 320 ECML — это измененное основное конструктивное исполнение 320, основные размеры (100x215x47) не отличаются.
| Обозначение | Гост | Конструктивные особенности |
|---|---|---|
| 22320 | ГОСТ | Роликовый радиальный цилиндрический однорядный подшипник. |
| 6-22320 М | ГОСТ | Модифицированный контакт.. |
| 20-142320 М | ГОСТ | Модифицированный контакт.. |
| N320E | ISO | Повышенная грузоподъемность. |
| NUP320E | ISO | Повышенная грузоподъемность. |
| NJ320-E-TVP2 + HJ320-E | ISO | Повышенная грузоподъемность. Твердый сепаратор оконного типа из армированного стекловолокном полиамида. |
| NU320R | ISO | С выпуклыми асимметричными роликами и обработанным сепаратором. |
| NUP320R | ISO | С выпуклыми асимметричными роликами и обработанным сепаратором. |
| 8-22320 М | ГОСТ | Модифицированный контакт.. |
Аналог цилиндрического роликового подшипника NUP 320 ECML — это подшипник такого же размера dx100,Dx215,Bx47, типа и конструкции.
| Обозначение | Конструктивные особенности | Внутренний (d) | Наружный (D) | Ширина (B) |
|---|---|---|---|---|
| 76-2320 КМ | Роликовый радиальный однорядный подшипник. Модифицированный контакт.. | 100.00 | 215.00 | 47.00 |
| 8-12320 МГ5 | Роликовый радиальный однорядный подшипник. Модифицированный контакт.. Сепаратор из черных металлов.. | 100.00 | 215.00 | 47.00 |
| 6320LLB | Шариковый радиальный однорядный подшипник. Уплотнение бесконтактного типа из синтетического каучука. | 100.00 | 215.00 | 47.00 |
| 6320NR | Шариковый радиальный однорядный подшипник. Канавка и стопорное кольцо на наружном кольце. | 100.00 | 215.00 | 47.00 |
| 1320S | Шариковый сферический двухрядный подшипник. Запечатанная версия кулачкового ролика. | 100.00 | 215.00 | 47.00 |
| 7603100-TVP | Шариковый упорный однорядный подшипник. Molded Snap-Type Cage Of Glass Fibre Reinforced Polyamide. Rolling Element Riding. | 100.00 | 215.00 | 47.00 |
| 42320-Л | Роликовый радиальный однорядный подшипник. Сепаратор из латуни.. | 100.00 | 215.00 | 47.00 |
| 42320-М | Роликовый радиальный однорядный подшипник. Модифицированный контакт.. | 100.00 | 215.00 | 47.00 |
| 45-176320 ЕШ2 | Шариковый радиально-упорный однорядный подшипник. Сепаратор из текстолита.. Нормы шумности. | 100.00 | 215.00 | 47.00 |
| 46320-Л | Шариковый радиально-упорный однорядный подшипник. Сепаратор из латуни.. | 100.00 | 215.00 | 47.00 |
| 46320Е | Шариковый радиально-упорный однорядный подшипник. Сепаратор из текстолита.. | 100.00 | 215.00 | 47.00 |
| 46320К | Шариковый радиально-упорный однорядный подшипник. «Замок» (скос) на внутреннем кольце плюс массивный сепаратор из текстолита. | 100.00 | 215.00 | 47.00 |
| 5-32320 К1МШ2 | Роликовый радиальный однорядный подшипник. Модифицированный контакт.. Нормы шумности. | 100.00 | 215.00 | 47.00 |
| 52320-М | Роликовый радиальный подшипник. Модифицированный контакт.. | 100.00 | 215.00 | 47.00 |
| 6-12320 МГ5 | Роликовый радиальный однорядный подшипник. Модифицированный контакт.. Сепаратор из черных металлов.. | 100.00 | 215.00 | 47.00 |
Способы доставки
Отправка через ведущие транспортные и курьерские компании: ПЭК, Деловые Линии, СДЭК, Байкал-Сервис, Энергия, КИТ, ЖелДорЭкспедиция.
Самовывоз возможен напрямую со склада в Москве.
Сроки доставки
Срок зависит от региона и выбранной транспортной компании. Все заказы комплектуются и отправляются в кратчайшие сроки со склада в Москве.
Надёжность и сохранность
Вся продукция упаковывается с учётом требований транспортировки. Мы гарантируем, что подшипники и комплектующие прибудут к заказчику в полной сохранности.
Доставка в страны ЕАЭС
Мы работаем с проверенными логистическими партнёрами, что позволяет оперативно доставлять заказы в Беларусь, Казахстан, Армению и другие страны ЕАЭС.
Варианты оплаты:
Минимальная сумма заказа и скидки:
Документы и гарантии:
Да, конечно! Наши технические специалисты готовы помочь вам с подбором точного аналога или замены подшипника. Просто позвоните нам по телефону +7 (495) 104-99-04 или напишите на почту zakaz@podsnab.ru.
Для оперативной консультации подготовьте, пожалуйста, имеющиеся данные: маркировку, размеры, тип оборудования или артикул старого подшипника.
Да, конечно! Мы высоко ценим долгосрочное сотрудничество и доверие клиентов по всей России. Для постоянных клиентов действует персональная система скидок.
Условия формируются индивидуально и зависят от:
Чтобы узнать свои условия и получить максимально выгодное предложение, свяжитесь с персональным менеджером или напишите нам на почту zakaz@podsnab.ru.
Вы можете оформить заказ несколькими способами:
Для оформления заказа от юридического лица свяжитесь с нашим отделом по работе с корпоративными клиентами по телефону +7 (495) 104-99-04 или напишите на email zakaz@podsnab.ru, прикрепив реквизиты вашей организации.
Мы оперативно подготовим коммерческое предложение и выставим счет.
Возврат товара надлежащего качества возможен в течение 10 дней с момента получения, если товар не был в употреблении, сохранен товарный вид, упаковка не вскрывалась и присутствуют все сопроводительные документы.
Возврат денежных средств осуществляется в течение 10 рабочих дней после проверки товара складом.
В соответствии с законодательством возврату не подлежат подшипники надлежащего качества, если отсутствует оригинальная упаковка или имеются следы монтажа.
В случае выявления брака или гарантийного случая мы гарантируем возврат или обмен товара.
Да, гарантийный срок хранения устанавливается заводом-изготовителем и в среднем составляет 2 года при соблюдении условий хранения: сухое помещение, оригинальная упаковка и смазка.
Точный срок для конкретного типа подшипника уточняйте у наших менеджеров.
Пн–Пт: с 8:00 до 17:00 (МСК).
Сб–Вс: выходные дни.
Заказы на сайте принимаются круглосуточно. Заявки, поступившие после окончания рабочего дня, обрабатываются на следующий рабочий день.
Минимальная сумма заказа для доставки составляет 3000 рублей. Самовывоз со склада возможен на любую сумму при наличии товара.
ООО «УралТехГрупп»
ИНН: 7415093830
КПП: 772401001
ОГРН: 1167456069021
Банк: ПАО Сбербанк
Р/с: 40702810838000475273
К/с: 30101810400000000225
БИК: 044525225
У подшипника NUP 320 ECML пока нет отзывов. Вы можете стать первым покупателем, поделившимся своим мнением.