Поиск подшипника
Статьи
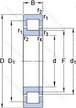
NUP 322 ECML — Роликовый радиальный цилиндрический однорядный подшипник, модификация основного исполнения 322, производство SKF.
Размер подшипника: 110x240x50 мм.
Однорядный цилиндрический роликоподшипник. Наружное кольцо имеет два борта, внутреннее — один борт и одно свободное фланцевое кольцо. Основные размеры по DIN 5412-1, относится к подтипу фиксированные подшипники, разъемные, с сепаратором.
Международная стандартизации ISO
NUP322ECML
В наличии
| Обозначение | Конструктивные изменения |
|---|---|
| 322W | Радиальный подшипник. Тип заправочного паза. |
| 322SF | Bogie Carriage_ Clearance-Free. |
| N 322 W | Подшипник без смазочных отверстий в наружном кольце. |
| NU 322 W | Подшипник без смазочных отверстий в наружном кольце. |
| NU 322 ECNML | Однорядный цилиндрический роликовый подшипник. |
| NJ 322 ECML | Однорядный цилиндрический роликовый подшипник. |
| NJ 322 ECM | Однорядный цилиндрический роликовый подшипник. |
| NUP 322 ECP | Однорядный цилиндрический роликовый подшипник. |
| BB1-0322 | Роликовый радиальный цилиндрический однорядный подшипник. |
Модификации цилиндрического роликового подшипника NUP 322 ECML — это измененное основное конструктивное исполнение 322, основные размеры (110x240x50) не отличаются.
| Обозначение | Гост | Конструктивные особенности |
|---|---|---|
| NUP322E | ISO | Повышенная грузоподъемность. |
| N322E | ISO | Повышенная грузоподъемность. |
| NJ322-E-TVP2 + HJ322-E | ISO | Повышенная грузоподъемность. Твердый сепаратор оконного типа из армированного стекловолокном полиамида. |
| NU322R | ISO | С выпуклыми асимметричными роликами и обработанным сепаратором. |
| 80-672322 М | ГОСТ | Модифицированный контакт.. |
Аналог цилиндрического роликового подшипника NUP 322 ECML — это подшипник такого же размера dx110,Dx240,Bx50, типа и конструкции.
| Обозначение | Конструктивные особенности | Внутренний (d) | Наружный (D) | Ширина (B) |
|---|---|---|---|---|
| 8-111322 Л | Шариковый радиальный двухрядный подшипник. Сепаратор из латуни.. | 110.00 | 240.00 | 50.00 |
| 6322LLB | Шариковый радиальный однорядный подшипник. Уплотнение бесконтактного типа из синтетического каучука. | 22.00 | 56.00 | 50.00 |
| 170322-А | Шариковый радиальный однорядный подшипник. Повышенная грузоподъемность. | 110.00 | 240.00 | 50.00 |
| 1322K+H322 | Шариковый сферический двухрядный подшипник. Коническое внутреннее отверстие. | 110.00 | 240.00 | 50.00 |
| 1322S | Шариковый сферический двухрядный подшипник. Запечатанная версия кулачкового ролика. | 110.00 | 240.00 | 50.00 |
| 1322SK | Шариковый сферический двухрядный подшипник. Кулачковый толкатель штифтового типа. С шестигранной головкой. | 110.00 | 240.00 | 50.00 |
| 42322-Л | Роликовый радиальный однорядный подшипник. Сепаратор из латуни.. | 110.00 | 240.00 | 50.00 |
| 42322-ЛМ | Роликовый радиальный однорядный подшипник. Сепаратор из латуни.. Модифицированный контакт.. | 110.00 | 240.00 | 50.00 |
| 42322-М | Роликовый радиальный однорядный подшипник. Модифицированный контакт.. | 110.00 | 240.00 | 50.00 |
| 46322-Л | Шариковый радиально-упорный однорядный подшипник. Сепаратор из латуни.. | 110.00 | 240.00 | 50.00 |
| 46322К | Шариковый радиально-упорный однорядный подшипник. «Замок» (скос) на внутреннем кольце плюс массивный сепаратор из текстолита. | 110.00 | 240.00 | 50.00 |
| 466322ЛУ21 | Шариковый радиально-упорный сдвоенный подшипник. Сепаратор из латуни.. Дополнительные технические требования. | 110.00 | 240.00 | 50.00 |
| 532322-К1 | Роликовый радиальный цилиндрический подшипник. Кольцевая проточка на середине цилиндрической наружной поверхности наружного кольца плюс три отверстия для смазки. | 110.00 | 240.00 | 50.00 |
| 53622-НЕ | Роликовый радиальный двухрядный подшипник. Сепаратор из текстолита.. Детали из теплостойкой стали. | 110.00 | 240.00 | 50.00 |
| 576322Л | Шариковый радиально-упорный двухрядный подшипник. Сепаратор из латуни.. | 110.00 | 240.00 | 50.00 |
Способы доставки
Отправка через ведущие транспортные и курьерские компании: ПЭК, Деловые Линии, СДЭК, Байкал-Сервис, Энергия, КИТ, ЖелДорЭкспедиция.
Самовывоз возможен напрямую со склада в Москве.
Сроки доставки
Срок зависит от региона и выбранной транспортной компании. Все заказы комплектуются и отправляются в кратчайшие сроки со склада в Москве.
Надёжность и сохранность
Вся продукция упаковывается с учётом требований транспортировки. Мы гарантируем, что подшипники и комплектующие прибудут к заказчику в полной сохранности.
Доставка в страны ЕАЭС
Мы работаем с проверенными логистическими партнёрами, что позволяет оперативно доставлять заказы в Беларусь, Казахстан, Армению и другие страны ЕАЭС.
Варианты оплаты:
Минимальная сумма заказа и скидки:
Документы и гарантии:
Да, конечно! Наши технические специалисты готовы помочь вам с подбором точного аналога или замены подшипника. Просто позвоните нам по телефону +7 (495) 104-99-04 или напишите на почту zakaz@podsnab.ru.
Для оперативной консультации подготовьте, пожалуйста, имеющиеся данные: маркировку, размеры, тип оборудования или артикул старого подшипника.
Да, конечно! Мы высоко ценим долгосрочное сотрудничество и доверие клиентов по всей России. Для постоянных клиентов действует персональная система скидок.
Условия формируются индивидуально и зависят от:
Чтобы узнать свои условия и получить максимально выгодное предложение, свяжитесь с персональным менеджером или напишите нам на почту zakaz@podsnab.ru.
Вы можете оформить заказ несколькими способами:
Для оформления заказа от юридического лица свяжитесь с нашим отделом по работе с корпоративными клиентами по телефону +7 (495) 104-99-04 или напишите на email zakaz@podsnab.ru, прикрепив реквизиты вашей организации.
Мы оперативно подготовим коммерческое предложение и выставим счет.
Возврат товара надлежащего качества возможен в течение 10 дней с момента получения, если товар не был в употреблении, сохранен товарный вид, упаковка не вскрывалась и присутствуют все сопроводительные документы.
Возврат денежных средств осуществляется в течение 10 рабочих дней после проверки товара складом.
В соответствии с законодательством возврату не подлежат подшипники надлежащего качества, если отсутствует оригинальная упаковка или имеются следы монтажа.
В случае выявления брака или гарантийного случая мы гарантируем возврат или обмен товара.
Да, гарантийный срок хранения устанавливается заводом-изготовителем и в среднем составляет 2 года при соблюдении условий хранения: сухое помещение, оригинальная упаковка и смазка.
Точный срок для конкретного типа подшипника уточняйте у наших менеджеров.
Пн–Пт: с 8:00 до 17:00 (МСК).
Сб–Вс: выходные дни.
Заказы на сайте принимаются круглосуточно. Заявки, поступившие после окончания рабочего дня, обрабатываются на следующий рабочий день.
Минимальная сумма заказа для доставки составляет 3000 рублей. Самовывоз со склада возможен на любую сумму при наличии товара.
ООО «УралТехГрупп»
ИНН: 7415093830
КПП: 772401001
ОГРН: 1167456069021
Банк: ПАО Сбербанк
Р/с: 40702810838000475273
К/с: 30101810400000000225
БИК: 044525225
У подшипника NUP 322 ECML пока нет отзывов. Вы можете стать первым покупателем, поделившимся своим мнением.