Поиск подшипника
Статьи
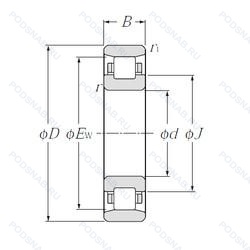
N2310E — Роликовый радиальный однорядный подшипник, модификация основного исполнения N2310, производство CYSD.
Размер подшипника: 50x110x40 мм.
Однорядный цилиндрический роликоподшипник. Внутреннее кольцо подшипника имеет два борта, наружное — без бортов, повышенная грузоподъемность.
Международная стандартизации ISO
N2310E
В наличии
| Обозначение | Конструктивные изменения |
|---|---|
| N2310 | Роликовый радиальный однорядный подшипник. Основное конструктивное исполнение. |
| N2310ZS | Цилиндрический роликоподшипник. Взаимозаменяемые уменьшенные радиальные зазоры в пределах ограниченной группы зазоров. В соответствии с DIN43283. |
| N2310C3 NA | Внутренний зазор больше нормального. Радиальный зазор для подшипников с невзаимозаменяемыми кольцами (Обозначает всегда после символа радиального зазора. например. NU215P63 NA). |
| N2310M | Механически обработанный латунный сепаратор .Расположенный на элементах качения. |
| N2310K | Коническое отверстие. Конусность 1/12. |
Модификации роликового подшипника N2310E — это измененное основное конструктивное исполнение N2310, основные размеры (50x110x40) не отличаются.
| Обозначение | Гост | Конструктивные особенности |
|---|---|---|
| 32610-К4М | ГОСТ | Модифицированный контакт.. |
| NH2310 E | ISO | Повышенная грузоподъемность. |
| NJF2310 V | ISO | Бессепараторный подшипник. |
| NH2310 | ISO | Канавка под стопорное кольцо на наружном кольце подшипника. |
| NJ2310R | ISO | С выпуклыми асимметричными роликами и обработанным сепаратором. |
| NJ2310-E-MA6+HJ2310-E | ISO | Повышенная грузоподъемность. Изготовленный из двух частей латунный сепаратор. Центрирование по внешнему кольцу. Различные конструкции или сорта материалов обозначаются цифрой или буквой.. |
| NJ2310-E-TVP3 | ISO | Повышенная грузоподъемность. Цельный сепаратор из полиамида PA66-GF25. сепаратор оконного типа. направляемый телами качения. |
| NJ2310-E-M6 | ISO | Повышенная грузоподъемность. 20-28 UM (C3 & C4). |
| NJ2310-E-MPA | ISO | Повышенная грузоподъемность. Твердый латунный сепаратор. |
| NJ2310-E-MPA+HJ2310-E | ISO | Повышенная грузоподъемность. Твердый латунный сепаратор. |
| NJ2310-E-TVP3+HJ2310-E | ISO | Повышенная грузоподъемность. Цельный сепаратор из полиамида PA66-GF25. сепаратор оконного типа. направляемый телами качения. |
| NJ2310-E-M6+HJ2310-E | ISO | Повышенная грузоподъемность. 20-28 UM (C3 & C4). |
| NU2310-E-MPA | ISO | Повышенная грузоподъемность. Твердый латунный сепаратор. |
| NU2310-E-MA6 | ISO | Повышенная грузоподъемность. Изготовленный из двух частей латунный сепаратор. Центрирование по внешнему кольцу. Различные конструкции или сорта материалов обозначаются цифрой или буквой.. |
| 6-92610 К4М | ГОСТ | Модифицированный контакт.. |
| 70-32610 М | ГОСТ | Модифицированный контакт.. |
| NJ 2310 ECPH | ISO | Однорядный цилиндрический роликовый подшипник. |
| NU 2310 ECPH | ISO | Однорядный цилиндрический роликовый подшипник. |
| 42610-Л | ГОСТ | Сепаратор из латуни.. |
| 42610-М | ГОСТ | Модифицированный контакт.. |
Аналог роликового подшипника N2310E — это подшипник такого же размера dx50,Dx110,Bx40, типа и конструкции.
| Обозначение | Конструктивные особенности | Внутренний (d) | Наружный (D) | Ширина (B) |
|---|---|---|---|---|
| 76-180610 К1С9Ш1 | Шариковый радиальный однорядный подшипник. Нормы шумности. Смазка ЛЗ-31. | 50.00 | 110.00 | 40.00 |
| 76-180610 К1С9Ш2У | Шариковый радиальный однорядный подшипник. Дополнительные технические требования. Нормы шумности. Смазка ЛЗ-31. | 50.00 | 110.00 | 40.00 |
| 76-180610 КС9 | Шариковый радиальный однорядный подшипник. «Замок» (скос) на внутреннем кольце плюс массивный сепаратор из текстолита. Смазка ЛЗ-31. | 50.00 | 110.00 | 40.00 |
| 76-180610 КС9Ш1 | Шариковый радиальный однорядный подшипник. Нормы шумности. Смазка ЛЗ-31. | 50.00 | 110.00 | 40.00 |
| UK310D1 | Шариковый радиальный однорядный подшипник. Не требующий обслуживания тип. | 50.00 | 110.00 | 41.00 |
| 180610-АК2 | Шариковый радиальный однорядный подшипник. Повышенная грузоподъемность. | 50.00 | 110.00 | 40.00 |
| 2310E-2RS1KTN9 | Шариковый сферический двухрядный подшипник. Повышенная грузоподъемность. | 50.00 | 110.00 | 40.00 |
| 512610-МУ | Роликовый радиальный цилиндрический подшипник. Дополнительные технические требования. Модифицированный контакт.. | 50.00 | 110.00 | 40.00 |
| 53610-Е | Роликовый радиальный двухрядный подшипник. Сепаратор из текстолита.. | 50.00 | 110.00 | 40.00 |
| 53610-К | Роликовый радиальный двухрядный подшипник. Кольцевая проточка на середине цилиндрической наружной поверхности наружного кольца плюс три отверстия для смазки. | 50.00 | 110.00 | 40.00 |
| 53610-КБ2 | Роликовый радиальный двухрядный подшипник. Сепаратор из безоловянистой бронзы.. | 50.00 | 110.00 | 40.00 |
| 53610-Л | Роликовый радиальный двухрядный подшипник. Сепаратор из латуни.. | 50.00 | 110.00 | 40.00 |
| 53610-Н | Роликовый радиальный двухрядный подшипник. Детали из теплостойкой стали. | 50.00 | 110.00 | 40.00 |
| 53610-НЕ | Роликовый радиальный двухрядный подшипник. Сепаратор из текстолита.. Детали из теплостойкой стали. | 50.00 | 110.00 | 40.00 |
| 53610-У | Роликовый радиальный двухрядный подшипник. Дополнительные технические требования. | 50.00 | 110.00 | 40.00 |
Способы доставки
Отправка через ведущие транспортные и курьерские компании: ПЭК, Деловые Линии, СДЭК, Байкал-Сервис, Энергия, КИТ, ЖелДорЭкспедиция.
Самовывоз возможен напрямую со склада в Москве.
Сроки доставки
Срок зависит от региона и выбранной транспортной компании. Все заказы комплектуются и отправляются в кратчайшие сроки со склада в Москве.
Надёжность и сохранность
Вся продукция упаковывается с учётом требований транспортировки. Мы гарантируем, что подшипники и комплектующие прибудут к заказчику в полной сохранности.
Доставка в страны ЕАЭС
Мы работаем с проверенными логистическими партнёрами, что позволяет оперативно доставлять заказы в Беларусь, Казахстан, Армению и другие страны ЕАЭС.
Варианты оплаты:
Минимальная сумма заказа и скидки:
Документы и гарантии:
Да, конечно! Наши технические специалисты готовы помочь вам с подбором точного аналога или замены подшипника. Просто позвоните нам по телефону +7 (495) 104-99-04 или напишите на почту zakaz@podsnab.ru.
Для оперативной консультации подготовьте, пожалуйста, имеющиеся данные: маркировку, размеры, тип оборудования или артикул старого подшипника.
Да, конечно! Мы высоко ценим долгосрочное сотрудничество и доверие клиентов по всей России. Для постоянных клиентов действует персональная система скидок.
Условия формируются индивидуально и зависят от:
Чтобы узнать свои условия и получить максимально выгодное предложение, свяжитесь с персональным менеджером или напишите нам на почту zakaz@podsnab.ru.
Вы можете оформить заказ несколькими способами:
Для оформления заказа от юридического лица свяжитесь с нашим отделом по работе с корпоративными клиентами по телефону +7 (495) 104-99-04 или напишите на email zakaz@podsnab.ru, прикрепив реквизиты вашей организации.
Мы оперативно подготовим коммерческое предложение и выставим счет.
Возврат товара надлежащего качества возможен в течение 10 дней с момента получения, если товар не был в употреблении, сохранен товарный вид, упаковка не вскрывалась и присутствуют все сопроводительные документы.
Возврат денежных средств осуществляется в течение 10 рабочих дней после проверки товара складом.
В соответствии с законодательством возврату не подлежат подшипники надлежащего качества, если отсутствует оригинальная упаковка или имеются следы монтажа.
В случае выявления брака или гарантийного случая мы гарантируем возврат или обмен товара.
Да, гарантийный срок хранения устанавливается заводом-изготовителем и в среднем составляет 2 года при соблюдении условий хранения: сухое помещение, оригинальная упаковка и смазка.
Точный срок для конкретного типа подшипника уточняйте у наших менеджеров.
Пн–Пт: с 8:00 до 17:00 (МСК).
Сб–Вс: выходные дни.
Заказы на сайте принимаются круглосуточно. Заявки, поступившие после окончания рабочего дня, обрабатываются на следующий рабочий день.
Минимальная сумма заказа для доставки составляет 3000 рублей. Самовывоз со склада возможен на любую сумму при наличии товара.
ООО «УралТехГрупп»
ИНН: 7415093830
КПП: 772401001
ОГРН: 1167456069021
Банк: ПАО Сбербанк
Р/с: 40702810838000475273
К/с: 30101810400000000225
БИК: 044525225
У подшипника N2310E пока нет отзывов. Вы можете стать первым покупателем, поделившимся своим мнением.