Поиск подшипника
Статьи
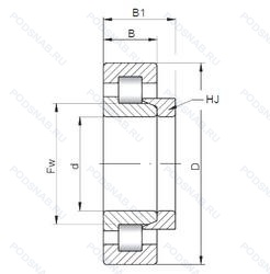
NH2234 — Роликовый радиальный однорядный подшипник, основное исполнение, производство ISO.
Размер подшипника: 170x310x86 мм.
Серия подшипников NJ с упорным кольцом HJ(NJ+HJ=NH), канавка под стопорное кольцо на наружном кольце подшипника.
Международная стандартизации ISO
NH2234
В наличии
| Обозначение | Конструктивные изменения |
|---|---|
| NH2234 E | Повышенная грузоподъемность. |
Модификации роликового подшипника NH2234 — это измененное основное конструктивное исполнение NH2234, основные размеры (170x310x86) не отличаются.
| Обозначение | Гост | Конструктивные особенности |
|---|---|---|
| NUP2234EM | ISO | Стандартный фланцевый ( с резьбой и сквозным отверстием). |
| N2234 E | ISO | Повышенная грузоподъемность. |
| NF2234 E | ISO | Повышенная грузоподъемность. |
| NJ2234E | ISO | Повышенная грузоподъемность. |
| NP2234 E | ISO | Повышенная грузоподъемность. |
| NF2234 | ISO | Механически обработанный сепаратор из стали или специального чугуна. Канавка под стопорное кольцо на наружном кольце подшипника. |
| NP2234 | ISO | Канавка под стопорное кольцо на наружном кольце подшипника. |
| NJ2234R | ISO | С выпуклыми асимметричными роликами и обработанным сепаратором. |
| NU2234R | ISO | С выпуклыми асимметричными роликами и обработанным сепаратором. |
| NJ2234-E-MPA | ISO | Повышенная грузоподъемность. Твердый латунный сепаратор. |
| NJ2234-E-M6 | ISO | Повышенная грузоподъемность. 20-28 UM (C3 & C4). |
| NJ2234-E-MA6 | ISO | Повышенная грузоподъемность. Изготовленный из двух частей латунный сепаратор. Центрирование по внешнему кольцу. Различные конструкции или сорта материалов обозначаются цифрой или буквой.. |
| NJ2234-E-M6+HJ2234-E | ISO | Повышенная грузоподъемность. 20-28 UM (C3 & C4). |
| NJ2234-E-MA6+HJ2234-E | ISO | Повышенная грузоподъемность. Изготовленный из двух частей латунный сепаратор. Центрирование по внешнему кольцу. Различные конструкции или сорта материалов обозначаются цифрой или буквой.. |
| NJ2234-E-MPA+HJ2234-E | ISO | Повышенная грузоподъемность. Твердый латунный сепаратор. |
| NU2234-E-MA6 | ISO | Повышенная грузоподъемность. Изготовленный из двух частей латунный сепаратор. Центрирование по внешнему кольцу. Различные конструкции или сорта материалов обозначаются цифрой или буквой.. |
| NU2234-E-MPA | ISO | Повышенная грузоподъемность. Твердый латунный сепаратор. |
| NU2234-E-M6 | ISO | Повышенная грузоподъемность. 20-28 UM (C3 & C4). |
| NJ 2234 ECML | ISO | Однорядный цилиндрический роликовый подшипник. |
| NU 2234 ECML | ISO | Однорядный цилиндрический роликовый подшипник. |
Аналог роликового подшипника NH2234 — это подшипник такого же размера dx170,Dx310,Bx86, типа и конструкции.
| Обозначение | Конструктивные особенности | Внутренний (d) | Наружный (D) | Ширина (B) |
|---|---|---|---|---|
| 22234-K-MB-W33+AH334-X | Роликовый радиальный сферический двухрядный подшипник. Канавка для смазки и три отверстия во внешнем кольце подшипника. Коническое отверстие. Конусность 1/12. сепаратор из латуни. центрированный по внутреннему кольцу. Измененные размеры границ. введенные пересмотренными стандартами ISO. | 170.00 | 310.00 | 86.00 |
| 22234B | Роликовый радиальный сферический двухрядный подшипник. Конический роликовый подшипник. Угол контакта 20 градусов. | 170.00 | 310.00 | 86.00 |
| 22234BK | Роликовый радиальный сферический двухрядный подшипник. Игольчатый роликовый подшипник со штампованным наружным кольцом с закрытым торцом. | 170.00 | 310.00 | 86.00 |
| 22234CJ | Роликовый радиальный сферический двухрядный подшипник. Стальной сепаратор из двух частей оконного типа. | 170.00 | 310.00 | 86.00 |
| 22234 KCW33+H3134 | Роликовый радиальный сферический двухрядный подшипник. Кольцевая канавка и три отверстия для смазывания в наружном кольце подшипника. Коническое внутреннее отверстие. | 170.00 | 310.00 | 86.00 |
| 22234 KCW33+AH3134 | Роликовый радиальный сферический двухрядный подшипник. Кольцевая канавка и три отверстия для смазывания в наружном кольце подшипника. Коническое внутреннее отверстие. | 170.00 | 310.00 | 86.00 |
| NU2234E | Роликовый радиальный цилиндрический однорядный подшипник. Повышенная грузоподъемность. | 170.00 | 310.00 | 86.00 |
| NUP2234E | Роликовый радиальный цилиндрический однорядный подшипник. Повышенная грузоподъемность. | 170.00 | 310.00 | 86.00 |
| F-804415.ZL-K-C3 | Роликовый радиальный подшипник. Внутренний зазор больше нормального. Коническое отверстие. Конусность 1/12. Цилиндрический роликовый подшипник. | 170.00 | 310.00 | 86.00 |
| F-804415.ZL-K-C5 | Роликовый радиальный подшипник. Коническое отверстие. Конусность 1/12. Внутренний зазор подшипника больше. чем С4. Цилиндрический роликовый подшипник. | 170.00 | 310.00 | 86.00 |
| NJ2234-E-M1 + HJ2234-E | Роликовый радиальный цилиндрический однорядный подшипник. Повышенная грузоподъемность. Механически обработанный латунный сепаратор. вращающийся элемент качения (крестовина на заклепках). | 170.00 | 310.00 | 86.00 |
| N2234 | Роликовый радиальный цилиндрический однорядный подшипник. Однорядный цилиндрический роликовый подшипник. Внутреннее кольцо подшипника имеет два борта. Два смещенных на 180° стопорных паза на наружной поверхности наружного кольца подшипника. | 170.00 | 310.00 | 86.00 |
| NUP2234 | Роликовый радиальный цилиндрический однорядный подшипник. Сталь сквозной закалки SUJ2 (японская) и взаимозаменяемость (только для метрических серий). Канавка под стопорное кольцо на наружном кольце подшипника. Точность размеров примерно соответствует классу точности Р4. Класс точности 2. Однорядный цилиндрический роликовый подшипник. Наружное кольцо имеет два борта. | 170.00 | 310.00 | 86.00 |
| NUP2234R | Роликовый радиальный цилиндрический однорядный подшипник. С выпуклыми асимметричными роликами и обработанным сепаратором. | 170.00 | 310.00 | 86.00 |
| 53534Н | Роликовый радиальный двухрядный подшипник. Детали из теплостойкой стали. | 170.00 | 310.00 | 86.00 |
Способы доставки
Отправка через ведущие транспортные и курьерские компании: ПЭК, Деловые Линии, СДЭК, Байкал-Сервис, Энергия, КИТ, ЖелДорЭкспедиция.
Самовывоз возможен напрямую со склада в Москве.
Сроки доставки
Срок зависит от региона и выбранной транспортной компании. Все заказы комплектуются и отправляются в кратчайшие сроки со склада в Москве.
Надёжность и сохранность
Вся продукция упаковывается с учётом требований транспортировки. Мы гарантируем, что подшипники и комплектующие прибудут к заказчику в полной сохранности.
Доставка в страны ЕАЭС
Мы работаем с проверенными логистическими партнёрами, что позволяет оперативно доставлять заказы в Беларусь, Казахстан, Армению и другие страны ЕАЭС.
Варианты оплаты:
Минимальная сумма заказа и скидки:
Документы и гарантии:
Да, конечно! Наши технические специалисты готовы помочь вам с подбором точного аналога или замены подшипника. Просто позвоните нам по телефону +7 (495) 104-99-04 или напишите на почту zakaz@podsnab.ru.
Для оперативной консультации подготовьте, пожалуйста, имеющиеся данные: маркировку, размеры, тип оборудования или артикул старого подшипника.
Да, конечно! Мы высоко ценим долгосрочное сотрудничество и доверие клиентов по всей России. Для постоянных клиентов действует персональная система скидок.
Условия формируются индивидуально и зависят от:
Чтобы узнать свои условия и получить максимально выгодное предложение, свяжитесь с персональным менеджером или напишите нам на почту zakaz@podsnab.ru.
Вы можете оформить заказ несколькими способами:
Для оформления заказа от юридического лица свяжитесь с нашим отделом по работе с корпоративными клиентами по телефону +7 (495) 104-99-04 или напишите на email zakaz@podsnab.ru, прикрепив реквизиты вашей организации.
Мы оперативно подготовим коммерческое предложение и выставим счет.
Возврат товара надлежащего качества возможен в течение 10 дней с момента получения, если товар не был в употреблении, сохранен товарный вид, упаковка не вскрывалась и присутствуют все сопроводительные документы.
Возврат денежных средств осуществляется в течение 10 рабочих дней после проверки товара складом.
В соответствии с законодательством возврату не подлежат подшипники надлежащего качества, если отсутствует оригинальная упаковка или имеются следы монтажа.
В случае выявления брака или гарантийного случая мы гарантируем возврат или обмен товара.
Да, гарантийный срок хранения устанавливается заводом-изготовителем и в среднем составляет 2 года при соблюдении условий хранения: сухое помещение, оригинальная упаковка и смазка.
Точный срок для конкретного типа подшипника уточняйте у наших менеджеров.
Пн–Пт: с 8:00 до 17:00 (МСК).
Сб–Вс: выходные дни.
Заказы на сайте принимаются круглосуточно. Заявки, поступившие после окончания рабочего дня, обрабатываются на следующий рабочий день.
Минимальная сумма заказа для доставки составляет 3000 рублей. Самовывоз со склада возможен на любую сумму при наличии товара.
ООО «УралТехГрупп»
ИНН: 7415093830
КПП: 772401001
ОГРН: 1167456069021
Банк: ПАО Сбербанк
Р/с: 40702810838000475273
К/с: 30101810400000000225
БИК: 044525225
У подшипника NH2234 пока нет отзывов. Вы можете стать первым покупателем, поделившимся своим мнением.