Поиск подшипника
Статьи
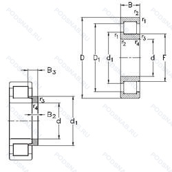
NJ206-E-TVP3+HJ206-E — Роликовый радиальный однорядный подшипник, модификация основного исполнения NJ206, производство NKE.
Размер подшипника: 30x62x16 мм.
Однорядный цилиндрический роликоподшипник. Наружное кольцо имеет два борта, наружное — один борт, цельный сепаратор из полиамида pa66-gf25. сепаратор оконного типа. направляемый телами качения, повышенная грузоподъемность.
Международная стандартизации ISO
NJ206ETVP3HJ206E
В наличии
| Обозначение | Конструктивные изменения |
|---|---|
| NJ206-E-XL-JP1-C3 | Внутренний зазор больше нормального. Повышенная грузоподъемность. Серия X-Life премиум-класс. увеличиный срок службы. Прессованный сепаратор из листового металла. |
| NJ206-E-XL-JP1 | Повышенная грузоподъемность. Серия X-Life премиум-класс. увеличиный срок службы. Прессованный сепаратор из листового металла. |
| NJ206W | Цельный прессованный сепаратор. |
| NJ206W C3 | Внутренний зазор больше нормального. Цельный прессованный сепаратор. |
| NJ206-E-TVP2-C4 | Внутренний зазор подшипника больше. чем C3. Повышенная грузоподъемность. Cепаратор изготовленный из полиамида PA66. армированного стекловолокном. |
| NJ206E G1 C3 | Внутренний зазор больше нормального. Повышенная грузоподъемность. Обработанный латунный сепаратор для цилиндрических роликоподшипников. |
| NJ206EDZ | Увеличенная грузоподъёмность. Оптимизированная внутренняя конструкция и модифицированный контакт. |
| NJ206ET2X | Повышенная грузоподъемность. Полиамидный сепаратор 4.6 для цилиндрических роликоподшипников. |
| NJ206ET2X CS46 | Повышенная грузоподъемность. Полиамидный сепаратор 4.6 для цилиндрических роликоподшипников. Special Radial Clearance in µm. |
| NJ206/28.5ECP/VC025 | Оптимизированная внутренняя конструкция предусматривает увеличенное количество роликов и/или ролики большего размера с улучшенными условиями контакта торцов роликов с бортами внутреннего кольца. Сепаратор из стеклонаполненного полиамида PA66. центрируемый по роликам. 1.3/4. Однорядный цилиндрический роликовый подшипник. Bearing With Specially Wear-Resistant Raceways For Applications In Heavily Contaminated Environments. |
| NJ206E.JP1 | Повышенная грузоподъемность. Прессованный сепаратор из листового металла. |
| NJ206-E-TVP-C3 | Внутренний зазор больше нормального. Увеличенная грузоподъёмность. Формованный полиамидный сепаратор оконного типа. Роликовые тела качения. |
| NJ206 P6 | Размерные и геометрические допуски соответствуют классу точности P6. |
| NJ206/28.5ECP | Оптимизированная внутренняя конструкция предусматривает увеличенное количество роликов и/или ролики большего размера с улучшенными условиями контакта торцов роликов с бортами внутреннего кольца. Сепаратор из стеклонаполненного полиамида PA66. центрируемый по роликам. 1.3/4. |
| NJ206E.JP1.C3 | Внутренний зазор больше нормального. Повышенная грузоподъемность. Прессованный сепаратор из листового металла. |
| NJ206NA | Радиальный зазор для подшипников с невзаимозаменяемыми кольцами (Обозначает всегда после символа радиального зазора. например. NU215P63 NA). |
| NJ.206.E.G15 | Повышенная грузоподъемность. Литой сепаратор из полиамида 6.6. армированного стекловолокном. Элемент качения по центру. |
| NJ206E G15 J30 | Повышенная грузоподъемность. Внутренний зазор больше нормального. Литой сепаратор из полиамида 6.6. армированного стекловолокном. Элемент качения по центру. |
| NJ206EJS | Увеличенная грузоподъёмность. Сепаратор из стали. |
| NJ206ET2X C3 | Внутренний зазор больше нормального. Повышенная грузоподъемность. Полиамидный сепаратор 4.6 для цилиндрических роликоподшипников. |
| NJ206-E-TVP2 + HJ206-E | Повышенная грузоподъемность. Твердый сепаратор оконного типа из армированного стекловолокном полиамида. |
| NJ206R | С выпуклыми асимметричными роликами и обработанным сепаратором. |
| NJ206-E-MPA+HJ206-E | Повышенная грузоподъемность. Твердый латунный сепаратор. |
| NJ206-E-MPA | Повышенная грузоподъемность. Твердый латунный сепаратор. |
| NJ206-E-TVP3 | Повышенная грузоподъемность. Цельный сепаратор из полиамида PA66-GF25. сепаратор оконного типа. направляемый телами качения. |
Модификации роликового подшипника NJ206-E-TVP3+HJ206-E — это измененное основное конструктивное исполнение NJ206, основные размеры (30x62x16) не отличаются.
| Обозначение | Гост | Конструктивные особенности |
|---|---|---|
| 75-32206 Б3 | ГОСТ | Сепаратор из безоловянистой бронзы.. |
| 75-42206 Б1 | ГОСТ | Сепаратор из безоловянистой бронзы.. |
| 75-42206 Д | ГОСТ | Сепаратор из алюминиевого сплава.. |
| 8-102206 М | ГОСТ | Модифицированный контакт.. |
| N 206 ECM | ISO | Однорядный цилиндрический роликовый подшипник. |
| 42206-АКМ | ГОСТ | Модифицированный контакт.. Повышенная грузоподъемность. |
| 42206-Д1 | ГОСТ | Сепаратор из алюминиевого сплава.. |
| 42206-Е | ГОСТ | Сепаратор из текстолита.. |
| 42206-КМ | ГОСТ | Модифицированный контакт.. |
| 5-32206 Б3 | ГОСТ | Сепаратор из безоловянистой бронзы.. |
| 5-32206 Е | ГОСТ | Сепаратор из текстолита.. |
| 5-32206 ОР3 | ГОСТ | Детали из теплоустойчивой (быстрорежущие) стали.. |
| 5-32206 Р8 | ГОСТ | Детали из теплоустойчивой (быстрорежущие) стали.. |
| 5-42206 Б1 | ГОСТ | Сепаратор из безоловянистой бронзы.. |
| 5-42206 Д | ГОСТ | Сепаратор из алюминиевого сплава.. |
| 5-42206 Р1 | ГОСТ | Детали из теплоустойчивой (быстрорежущие) стали.. |
| 55-2206 БМТ2 | ГОСТ | 200°. Модифицированный контакт.. Температура отпуска. Сепаратор из безоловянистой бронзы.. |
| 55-32206 Р10 | ГОСТ | Детали из теплоустойчивой (быстрорежущие) стали.. |
| 55-32206 Р7 | ГОСТ | Детали из теплоустойчивой (быстрорежущие) стали.. |
| 56-2206 БМТ2 | ГОСТ | 200°. Модифицированный контакт.. Температура отпуска. Сепаратор из безоловянистой бронзы.. |
Аналог роликового подшипника NJ206-E-TVP3+HJ206-E — это подшипник такого же размера dx30,Dx62,Bx16, типа и конструкции.
| Обозначение | Конструктивные особенности | Внутренний (d) | Наружный (D) | Ширина (B) |
|---|---|---|---|---|
| 50206-АШ | Шариковый радиальный однорядный подшипник. Повышенная грузоподъемность. Нормы шумности. | 30.00 | 62.00 | 16.00 |
| 50206-А | Шариковый радиальный однорядный подшипник. Повышенная грузоподъемность. | 30.00 | 62.00 | 16.00 |
| 530206-К1 | Шариковый радиальный однорядный подшипник. «Замок» (скос) на внутреннем кольце плюс массивный сепаратор из текстолита. | 30.00 | 62.00 | 16.00 |
| 530206-К1С17 | Шариковый радиальный подшипник. Смазка Литол-24. «Замок» (скос) на внутреннем кольце плюс массивный сепаратор из текстолита. | 30.00 | 62.00 | 16.00 |
| 530206-С5 | Шариковый радиальный подшипник. Смазка ЦИАТИМ-202. | 30.00 | 62.00 | 16.00 |
| 6-150206-АКШ1 | Шариковый радиальный однорядный подшипник. Нормы шумности. Повышенная грузоподъемность. | 30.00 | 62.00 | 16.00 |
| 6-150206-КШ1 | Шариковый радиальный однорядный подшипник. Нормы шумности. | 30.00 | 62.00 | 16.00 |
| 6-160206-А | Шариковый радиальный однорядный подшипник. Повышенная грузоподъемность. | 30.00 | 62.00 | 16.00 |
| 6-180206-АКС9 | Шариковый радиальный однорядный подшипник. Повышенная грузоподъемность. Смазка ЛЗ-31. | 30.00 | 62.00 | 16.00 |
| 6-180206 АС23 | Шариковый радиальный однорядный подшипник. Повышенная грузоподъемность. Смазка ШРУС-4. | 30.00 | 62.00 | 16.00 |
| 6-180206-АС9 | Шариковый радиальный однорядный подшипник. Повышенная грузоподъемность. Смазка ЛЗ-31. | 30.00 | 62.00 | 16.00 |
| 6-180206 К3С9 | Шариковый радиальный однорядный подшипник. Смазка ЛЗ-31. | 30.00 | 62.00 | 16.00 |
| 6-180206-С17 | Шариковый радиальный однорядный подшипник. Смазка Литол-24. | 30.00 | 62.00 | 16.00 |
| 6-180206-С9 | Шариковый радиальный однорядный подшипник. Смазка ЛЗ-31. | 30.00 | 62.00 | 16.00 |
| 6-180206-С9Ш2 | Шариковый радиальный однорядный подшипник. Нормы шумности. Смазка ЛЗ-31. | 30.00 | 62.00 | 16.00 |
Способы доставки
Отправка через ведущие транспортные и курьерские компании: ПЭК, Деловые Линии, СДЭК, Байкал-Сервис, Энергия, КИТ, ЖелДорЭкспедиция.
Самовывоз возможен напрямую со склада в Москве.
Сроки доставки
Срок зависит от региона и выбранной транспортной компании. Все заказы комплектуются и отправляются в кратчайшие сроки со склада в Москве.
Надёжность и сохранность
Вся продукция упаковывается с учётом требований транспортировки. Мы гарантируем, что подшипники и комплектующие прибудут к заказчику в полной сохранности.
Доставка в страны ЕАЭС
Мы работаем с проверенными логистическими партнёрами, что позволяет оперативно доставлять заказы в Беларусь, Казахстан, Армению и другие страны ЕАЭС.
Варианты оплаты:
Минимальная сумма заказа и скидки:
Документы и гарантии:
Да, конечно! Наши технические специалисты готовы помочь вам с подбором точного аналога или замены подшипника. Просто позвоните нам по телефону +7 (495) 104-99-04 или напишите на почту zakaz@podsnab.ru.
Для оперативной консультации подготовьте, пожалуйста, имеющиеся данные: маркировку, размеры, тип оборудования или артикул старого подшипника.
Да, конечно! Мы высоко ценим долгосрочное сотрудничество и доверие клиентов по всей России. Для постоянных клиентов действует персональная система скидок.
Условия формируются индивидуально и зависят от:
Чтобы узнать свои условия и получить максимально выгодное предложение, свяжитесь с персональным менеджером или напишите нам на почту zakaz@podsnab.ru.
Вы можете оформить заказ несколькими способами:
Для оформления заказа от юридического лица свяжитесь с нашим отделом по работе с корпоративными клиентами по телефону +7 (495) 104-99-04 или напишите на email zakaz@podsnab.ru, прикрепив реквизиты вашей организации.
Мы оперативно подготовим коммерческое предложение и выставим счет.
Возврат товара надлежащего качества возможен в течение 10 дней с момента получения, если товар не был в употреблении, сохранен товарный вид, упаковка не вскрывалась и присутствуют все сопроводительные документы.
Возврат денежных средств осуществляется в течение 10 рабочих дней после проверки товара складом.
В соответствии с законодательством возврату не подлежат подшипники надлежащего качества, если отсутствует оригинальная упаковка или имеются следы монтажа.
В случае выявления брака или гарантийного случая мы гарантируем возврат или обмен товара.
Да, гарантийный срок хранения устанавливается заводом-изготовителем и в среднем составляет 2 года при соблюдении условий хранения: сухое помещение, оригинальная упаковка и смазка.
Точный срок для конкретного типа подшипника уточняйте у наших менеджеров.
Пн–Пт: с 8:00 до 17:00 (МСК).
Сб–Вс: выходные дни.
Заказы на сайте принимаются круглосуточно. Заявки, поступившие после окончания рабочего дня, обрабатываются на следующий рабочий день.
Минимальная сумма заказа для доставки составляет 3000 рублей. Самовывоз со склада возможен на любую сумму при наличии товара.
ООО «УралТехГрупп»
ИНН: 7415093830
КПП: 772401001
ОГРН: 1167456069021
Банк: ПАО Сбербанк
Р/с: 40702810838000475273
К/с: 30101810400000000225
БИК: 044525225
У подшипника NJ206-E-TVP3+HJ206-E пока нет отзывов. Вы можете стать первым покупателем, поделившимся своим мнением.