Поиск подшипника
Статьи
5-42206 Б1 — Роликовый радиальный однорядный подшипник, модификация основного исполнения 42206, производство ГПЗ.
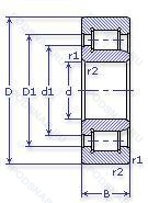
Размер подшипника: 30x62x16 мм.
Сепаратор из безоловянистой бронзы.
Аналоги: NJ206ECMAP5.
Государственный стандарт ГОСТ
542206Б1
В наличии
| Обозначение | Конструктивные изменения |
|---|---|
| 6-42206-Е | Сепаратор из текстолита.. |
| 42206 | Роликовый радиальный однорядный подшипник. Основное конструктивное исполнение. |
| 25-42206 Д | Сепаратор из алюминиевого сплава.. |
| 25-42206 Д1 | Сепаратор из алюминиевого сплава.. |
| 6-42206 | Роликовый радиальный однорядный подшипник. |
| 6-42206 Д | Сепаратор из алюминиевого сплава.. |
| 6-42206 Д1 | Сепаратор из алюминиевого сплава.. |
| 75-42206 Б1 | Сепаратор из безоловянистой бронзы.. |
| 75-42206 Д | Сепаратор из алюминиевого сплава.. |
| 42206-АКМ | Модифицированный контакт.. Повышенная грузоподъемность. |
| 42206-Д1 | Сепаратор из алюминиевого сплава.. |
| 42206-Е | Сепаратор из текстолита.. |
| 42206-КМ | Модифицированный контакт.. |
| 5-42206 Д | Сепаратор из алюминиевого сплава.. |
| 5-42206 Р1 | Детали из теплоустойчивой (быстрорежущие) стали.. |
Модификации роликового подшипника 5-42206 Б1 — это измененное основное конструктивное исполнение 42206, основные размеры (30x62x16) не отличаются.
| Обозначение | Гост | Конструктивные особенности |
|---|---|---|
| NJ206-E-MPA | ISO | Повышенная грузоподъемность. Твердый латунный сепаратор. |
| NJ206-E-TVP3 | ISO | Повышенная грузоподъемность. Цельный сепаратор из полиамида PA66-GF25. сепаратор оконного типа. направляемый телами качения. |
| NJ206-E-TVP3+HJ206-E | ISO | Повышенная грузоподъемность. Цельный сепаратор из полиамида PA66-GF25. сепаратор оконного типа. направляемый телами качения. |
| NU206-E-MPA | ISO | Повышенная грузоподъемность. Твердый латунный сепаратор. |
| 8-2206 КМ | ГОСТ | Модифицированный контакт.. |
| NU206 ETN | ISO | Цилиндрический роликовый подшипник. Дополнительная грузоподъемность с сепаратором из полиамида 6-6. |
| В66-42205 АЕM1Ш1 | ГОСТ | Механически обработанный латунный сепаратор. вращающийся элемент качения (крестовина на заклепках). Сепаратор из текстолита.. Повышенная грузоподъемность. Нормы шумности. |
| 6-2206-КМ | ГОСТ | Кольцевая проточка на середине цилиндрической наружной поверхности наружного кольца плюс три отверстия для смазки. Модифицированный контакт.. |
| 6-32206-Е | ГОСТ | Сепаратор из текстолита.. |
| 75-32206 Б3 | ГОСТ | Сепаратор из безоловянистой бронзы.. |
| 8-102206 М | ГОСТ | Модифицированный контакт.. |
| N 206 ECM | ISO | Однорядный цилиндрический роликовый подшипник. |
| 5-32206 Б3 | ГОСТ | Сепаратор из безоловянистой бронзы.. |
| 5-32206 Е | ГОСТ | Сепаратор из текстолита.. |
| 5-32206 ОР3 | ГОСТ | Детали из теплоустойчивой (быстрорежущие) стали.. |
| 5-32206 Р8 | ГОСТ | Детали из теплоустойчивой (быстрорежущие) стали.. |
| 55-2206 БМТ2 | ГОСТ | 200°. Модифицированный контакт.. Температура отпуска. Сепаратор из безоловянистой бронзы.. |
| 55-32206 Р10 | ГОСТ | Детали из теплоустойчивой (быстрорежущие) стали.. |
| 55-32206 Р7 | ГОСТ | Детали из теплоустойчивой (быстрорежущие) стали.. |
| 56-2206 БМТ2 | ГОСТ | 200°. Модифицированный контакт.. Температура отпуска. Сепаратор из безоловянистой бронзы.. |
Аналог роликового подшипника 5-42206 Б1 — это подшипник такого же размера dx30,Dx62,Bx16, типа и конструкции.
| Обозначение | Конструктивные особенности | Внутренний (d) | Наружный (D) | Ширина (B) |
|---|---|---|---|---|
| 50206-АШ | Шариковый радиальный однорядный подшипник. Повышенная грузоподъемность. Нормы шумности. | 30.00 | 62.00 | 16.00 |
| 50206-А | Шариковый радиальный однорядный подшипник. Повышенная грузоподъемность. | 30.00 | 62.00 | 16.00 |
| 530206-К1 | Шариковый радиальный однорядный подшипник. «Замок» (скос) на внутреннем кольце плюс массивный сепаратор из текстолита. | 30.00 | 62.00 | 16.00 |
| 530206-К1С17 | Шариковый радиальный подшипник. Смазка Литол-24. «Замок» (скос) на внутреннем кольце плюс массивный сепаратор из текстолита. | 30.00 | 62.00 | 16.00 |
| 530206-С5 | Шариковый радиальный подшипник. Смазка ЦИАТИМ-202. | 30.00 | 62.00 | 16.00 |
| 6-150206-АКШ1 | Шариковый радиальный однорядный подшипник. Нормы шумности. Повышенная грузоподъемность. | 30.00 | 62.00 | 16.00 |
| 6-150206-КШ1 | Шариковый радиальный однорядный подшипник. Нормы шумности. | 30.00 | 62.00 | 16.00 |
| 6-160206-А | Шариковый радиальный однорядный подшипник. Повышенная грузоподъемность. | 30.00 | 62.00 | 16.00 |
| 6-180206-АКС9 | Шариковый радиальный однорядный подшипник. Повышенная грузоподъемность. Смазка ЛЗ-31. | 30.00 | 62.00 | 16.00 |
| 6-180206 АС23 | Шариковый радиальный однорядный подшипник. Повышенная грузоподъемность. Смазка ШРУС-4. | 30.00 | 62.00 | 16.00 |
| 6-180206-АС9 | Шариковый радиальный однорядный подшипник. Повышенная грузоподъемность. Смазка ЛЗ-31. | 30.00 | 62.00 | 16.00 |
| 6-180206 К3С9 | Шариковый радиальный однорядный подшипник. Смазка ЛЗ-31. | 30.00 | 62.00 | 16.00 |
| 6-180206-С17 | Шариковый радиальный однорядный подшипник. Смазка Литол-24. | 30.00 | 62.00 | 16.00 |
| 6-180206-С9 | Шариковый радиальный однорядный подшипник. Смазка ЛЗ-31. | 30.00 | 62.00 | 16.00 |
| 6-180206-С9Ш2 | Шариковый радиальный однорядный подшипник. Нормы шумности. Смазка ЛЗ-31. | 30.00 | 62.00 | 16.00 |
Способы доставки
Отправка через ведущие транспортные и курьерские компании: ПЭК, Деловые Линии, СДЭК, Байкал-Сервис, Энергия, КИТ, ЖелДорЭкспедиция.
Самовывоз возможен напрямую со склада в Москве.
Сроки доставки
Срок зависит от региона и выбранной транспортной компании. Все заказы комплектуются и отправляются в кратчайшие сроки со склада в Москве.
Надёжность и сохранность
Вся продукция упаковывается с учётом требований транспортировки. Мы гарантируем, что подшипники и комплектующие прибудут к заказчику в полной сохранности.
Доставка в страны ЕАЭС
Мы работаем с проверенными логистическими партнёрами, что позволяет оперативно доставлять заказы в Беларусь, Казахстан, Армению и другие страны ЕАЭС.
Варианты оплаты:
Минимальная сумма заказа и скидки:
Документы и гарантии:
Да, конечно! Наши технические специалисты готовы помочь вам с подбором точного аналога или замены подшипника. Просто позвоните нам по телефону +7 (495) 104-99-04 или напишите на почту zakaz@podsnab.ru.
Для оперативной консультации подготовьте, пожалуйста, имеющиеся данные: маркировку, размеры, тип оборудования или артикул старого подшипника.
Да, конечно! Мы высоко ценим долгосрочное сотрудничество и доверие клиентов по всей России. Для постоянных клиентов действует персональная система скидок.
Условия формируются индивидуально и зависят от:
Чтобы узнать свои условия и получить максимально выгодное предложение, свяжитесь с персональным менеджером или напишите нам на почту zakaz@podsnab.ru.
Вы можете оформить заказ несколькими способами:
Для оформления заказа от юридического лица свяжитесь с нашим отделом по работе с корпоративными клиентами по телефону +7 (495) 104-99-04 или напишите на email zakaz@podsnab.ru, прикрепив реквизиты вашей организации.
Мы оперативно подготовим коммерческое предложение и выставим счет.
Возврат товара надлежащего качества возможен в течение 10 дней с момента получения, если товар не был в употреблении, сохранен товарный вид, упаковка не вскрывалась и присутствуют все сопроводительные документы.
Возврат денежных средств осуществляется в течение 10 рабочих дней после проверки товара складом.
В соответствии с законодательством возврату не подлежат подшипники надлежащего качества, если отсутствует оригинальная упаковка или имеются следы монтажа.
В случае выявления брака или гарантийного случая мы гарантируем возврат или обмен товара.
Да, гарантийный срок хранения устанавливается заводом-изготовителем и в среднем составляет 2 года при соблюдении условий хранения: сухое помещение, оригинальная упаковка и смазка.
Точный срок для конкретного типа подшипника уточняйте у наших менеджеров.
Пн–Пт: с 8:00 до 17:00 (МСК).
Сб–Вс: выходные дни.
Заказы на сайте принимаются круглосуточно. Заявки, поступившие после окончания рабочего дня, обрабатываются на следующий рабочий день.
Минимальная сумма заказа для доставки составляет 3000 рублей. Самовывоз со склада возможен на любую сумму при наличии товара.
ООО «УралТехГрупп»
ИНН: 7415093830
КПП: 772401001
ОГРН: 1167456069021
Банк: ПАО Сбербанк
Р/с: 40702810838000475273
К/с: 30101810400000000225
БИК: 044525225
У подшипника 5-42206 Б1 пока нет отзывов. Вы можете стать первым покупателем, поделившимся своим мнением.