Поиск подшипника
Статьи
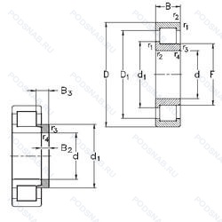
NJ212-E-MA6+HJ212-E — Роликовый радиальный однорядный подшипник, модификация основного исполнения NJ212, производство NKE.
Размер подшипника: 60x110x22 мм.
Однорядный цилиндрический роликоподшипник. Наружное кольцо имеет два борта, наружное — один борт, изготовленный из двух частей латунный сепаратор. центрирование по внешнему кольцу. различные конструкции или сорта материалов обозначаются цифрой или буквой, повышенная грузоподъемность.
Международная стандартизации ISO
NJ212EMA6HJ212E
В наличии
| Обозначение | Конструктивные изменения |
|---|---|
| NJ212-E-XL-N1-M1A-C3-H144 | Внутренний зазор больше нормального. Повышенная грузоподъемность. Серия X-Life премиум-класс. увеличиный срок службы. Один установочный паз на внешней кромке наружного кольца (для радиального расположения подшипника). Массивный латунный сепаратор. двухтельный. центрированный по бортам. Требования к точности железнодорожных подшипников для Siemens. |
| NJ212EM C3 | Внутренний зазор больше нормального. Стандартный фланцевый ( с резьбой и сквозным отверстием). |
| NJ212ET2X C3 | Внутренний зазор больше нормального. Повышенная грузоподъемность. Полиамидный сепаратор 4.6 для цилиндрических роликоподшипников. |
| NJ212N/C3 | Внутренний зазор больше нормального. Snap Ring Groove In Outer Ring. |
| NJ212E.TVP2.C4 | Внутренний зазор подшипника больше. чем C3. Повышенная грузоподъемность. Cепаратор изготовленный из полиамида PA66. армированного стекловолокном. |
| NJ212ET2X | Повышенная грузоподъемность. Полиамидный сепаратор 4.6 для цилиндрических роликоподшипников. |
| NJ212E.JL | Increased capacity.. Прессованный сепаратор из листового металла. |
| NJ212-E-N1-M1A-C3-H144 | Внутренний зазор больше нормального. Повышенная грузоподъемность. Один установочный паз на внешней кромке наружного кольца (для радиального расположения подшипника). Массивный латунный сепаратор. двухтельный. центрированный по бортам. Требования к точности железнодорожных подшипников для Siemens. |
| NJ212R | Повышенная грузоподъемность по сравнению со стандартной серией. Различная внутренняя конструкция. |
| NJ212E.JP1.C3 | Внутренний зазор больше нормального. Повышенная грузоподъемность. Прессованный сепаратор из листового металла. |
| NJ212A12 | Осевой люфт в микронах. |
| NJ212C3NA | Внутренний зазор больше нормального. |
| NJ212MA | Изготовленный из двух частей латунный сепаратор. внешнее кольцо по центру. |
| NJ212E G15 | Повышенная грузоподъемность. Литой сепаратор из полиамида 6.6. армированного стекловолокном. Элемент качения по центру. |
| NJ212CNA | Цилиндрический роликоподшипник. Стандартный радиальный зазор. Незаменяемые детали подшипника. |
| NJ212E.TVP | Повышенная грузоподъемность. Molded Snap-Type Cage Of Glass Fibre Reinforced Polyamide. Rolling Element Riding. |
| NJ212-E-TVP2 + HJ212-E | Повышенная грузоподъемность. Твердый сепаратор оконного типа из армированного стекловолокном полиамида. |
| NJ212-E-TVP3+HJ212-E | Повышенная грузоподъемность. Цельный сепаратор из полиамида PA66-GF25. сепаратор оконного типа. направляемый телами качения. |
| NJ212-E-MPA+HJ212-E | Повышенная грузоподъемность. Твердый латунный сепаратор. |
| NJ212-E-MA6 | Повышенная грузоподъемность. Изготовленный из двух частей латунный сепаратор. Центрирование по внешнему кольцу. Различные конструкции или сорта материалов обозначаются цифрой или буквой.. |
| NJ212-E-MPA | Повышенная грузоподъемность. Твердый латунный сепаратор. |
| NJ212-E-M6+HJ212-E | Повышенная грузоподъемность. 20-28 UM (C3 & C4). |
| NJ212-E-M6 | Повышенная грузоподъемность. 20-28 UM (C3 & C4). |
| NJ212-E-TVP3 | Повышенная грузоподъемность. Цельный сепаратор из полиамида PA66-GF25. сепаратор оконного типа. направляемый телами качения. |
| NJ212EM | Стандартный фланцевый ( с резьбой и сквозным отверстием). |
Модификации роликового подшипника NJ212-E-MA6+HJ212-E — это измененное основное конструктивное исполнение NJ212, основные размеры (60x110x22) не отличаются.
| Обозначение | Гост | Конструктивные особенности |
|---|---|---|
| 6-42212 К1М | ГОСТ | Модифицированный контакт.. |
| 6-42212 КМ | ГОСТ | Кольцевая проточка на середине цилиндрической наружной поверхности наружного кольца плюс три отверстия для смазки. Модифицированный контакт.. |
| 7-42212 Л2 | ГОСТ | Сепаратор из латуни.. |
| 70-2212 Л | ГОСТ | Сепаратор из латуни.. |
| 70-2212 Л2 | ГОСТ | Сепаратор из латуни.. |
| 8-12212 КМ | ГОСТ | Модифицированный контакт.. |
| 42212-АЕ | ГОСТ | Сепаратор из текстолита.. Повышенная грузоподъемность. |
| 42212-К1М | ГОСТ | Кольцевая проточка на середине цилиндрической наружной поверхности наружного кольца плюс три отверстия для смазки. Модифицированный контакт.. |
| 42212-К2 | ГОСТ | Кольцевая проточка на середине цилиндрической наружной поверхности наружного кольца плюс три отверстия для смазки. |
| 42212-КМ | ГОСТ | Кольцевая проточка на середине цилиндрической наружной поверхности наружного кольца плюс три отверстия для смазки. Модифицированный контакт.. |
| 42212-Л2 | ГОСТ | Сепаратор из латуни.. |
| 42212AE | ГОСТ | Без суффикса. но с обозначением типа. |
| 42212KM | ГОСТ | Type Of Model. |
| 42212КM | ГОСТ | Подшипник с латунным сепаратором. центрированный по телам качения. |
| 5-32212 БТ | ГОСТ | Температура отпуска. 160°. Сепаратор из безоловянистой бронзы.. |
| 5-32212 Д1Т | ГОСТ | Температура отпуска. 160°. Сепаратор из алюминиевого сплава.. |
| 5-32212 Д2Т | ГОСТ | Температура отпуска. 160°. Сепаратор из алюминиевого сплава.. |
| 56-12212 КМ | ГОСТ | Модифицированный контакт.. |
| 6-102212 М | ГОСТ | Модифицированный контакт.. |
| 6-12212 КМ | ГОСТ | Кольцевая проточка на середине цилиндрической наружной поверхности наружного кольца плюс три отверстия для смазки. Модифицированный контакт.. |
Аналог роликового подшипника NJ212-E-MA6+HJ212-E — это подшипник такого же размера dx60,Dx110,Bx22, типа и конструкции.
| Обозначение | Конструктивные особенности | Внутренний (d) | Наружный (D) | Ширина (B) |
|---|---|---|---|---|
| 5-36212 АЛ | Шариковый радиально-упорный однорядный подшипник. Сепаратор из латуни.. Повышенная грузоподъемность. | 60.00 | 110.00 | 22.00 |
| 5-36212 Е | Шариковый радиально-упорный однорядный подшипник. Сепаратор из текстолита.. | 60.00 | 110.00 | 22.00 |
| 5-36212 К | Шариковый радиально-упорный однорядный подшипник. «Замок» (скос) на внутреннем кольце плюс массивный сепаратор из текстолита. | 60.00 | 110.00 | 22.00 |
| 5-46212 АЕ1 | Шариковый радиально-упорный однорядный подшипник. Сепаратор из текстолита.. Повышенная грузоподъемность. | 60.00 | 110.00 | 22.00 |
| 5-46212 АЛ | Шариковый радиально-упорный однорядный подшипник. Сепаратор из латуни.. Повышенная грузоподъемность. | 60.00 | 110.00 | 22.00 |
| 5-46212 Е | Шариковый радиально-упорный однорядный подшипник. Сепаратор из текстолита.. | 60.00 | 110.00 | 22.00 |
| 5-46212 К | Шариковый радиально-упорный однорядный подшипник. «Замок» (скос) на внутреннем кольце плюс массивный сепаратор из текстолита. | 60.00 | 110.00 | 22.00 |
| 5-46212 Л | Шариковый радиально-упорный однорядный подшипник. Сепаратор из латуни.. | 60.00 | 110.00 | 22.00 |
| 5-66212 Е | Шариковый радиально-упорный однорядный подшипник. Сепаратор из текстолита.. | 60.00 | 110.00 | 22.00 |
| 50212-А | Шариковый радиальный однорядный подшипник. Повышенная грузоподъемность. | 60.00 | 110.00 | 22.00 |
| 50212-АК | Шариковый радиальный однорядный подшипник. Повышенная грузоподъемность. | 60.00 | 110.00 | 22.00 |
| 50312-АК2 | Шариковый радиальный однорядный подшипник. Повышенная грузоподъемность. | 60.00 | 110.00 | 22.00 |
| 6-126212 Ю | Шариковый радиально-упорный однорядный подшипник. Все детали или часть деталей из нержавеющей стали.. | 60.00 | 110.00 | 22.00 |
| 6-126212 Ю1 | Шариковый радиально-упорный однорядный подшипник. Все детали или часть деталей из нержавеющей стали.. | 60.00 | 110.00 | 22.00 |
| 6-180212 Ш1У | Шариковый радиальный однорядный подшипник. Дополнительные технические требования. Нормы шумности. | 60.00 | 110.00 | 22.00 |
Способы доставки
Отправка через ведущие транспортные и курьерские компании: ПЭК, Деловые Линии, СДЭК, Байкал-Сервис, Энергия, КИТ, ЖелДорЭкспедиция.
Самовывоз возможен напрямую со склада в Москве.
Сроки доставки
Срок зависит от региона и выбранной транспортной компании. Все заказы комплектуются и отправляются в кратчайшие сроки со склада в Москве.
Надёжность и сохранность
Вся продукция упаковывается с учётом требований транспортировки. Мы гарантируем, что подшипники и комплектующие прибудут к заказчику в полной сохранности.
Доставка в страны ЕАЭС
Мы работаем с проверенными логистическими партнёрами, что позволяет оперативно доставлять заказы в Беларусь, Казахстан, Армению и другие страны ЕАЭС.
Варианты оплаты:
Минимальная сумма заказа и скидки:
Документы и гарантии:
Да, конечно! Наши технические специалисты готовы помочь вам с подбором точного аналога или замены подшипника. Просто позвоните нам по телефону +7 (495) 104-99-04 или напишите на почту zakaz@podsnab.ru.
Для оперативной консультации подготовьте, пожалуйста, имеющиеся данные: маркировку, размеры, тип оборудования или артикул старого подшипника.
Да, конечно! Мы высоко ценим долгосрочное сотрудничество и доверие клиентов по всей России. Для постоянных клиентов действует персональная система скидок.
Условия формируются индивидуально и зависят от:
Чтобы узнать свои условия и получить максимально выгодное предложение, свяжитесь с персональным менеджером или напишите нам на почту zakaz@podsnab.ru.
Вы можете оформить заказ несколькими способами:
Для оформления заказа от юридического лица свяжитесь с нашим отделом по работе с корпоративными клиентами по телефону +7 (495) 104-99-04 или напишите на email zakaz@podsnab.ru, прикрепив реквизиты вашей организации.
Мы оперативно подготовим коммерческое предложение и выставим счет.
Возврат товара надлежащего качества возможен в течение 10 дней с момента получения, если товар не был в употреблении, сохранен товарный вид, упаковка не вскрывалась и присутствуют все сопроводительные документы.
Возврат денежных средств осуществляется в течение 10 рабочих дней после проверки товара складом.
В соответствии с законодательством возврату не подлежат подшипники надлежащего качества, если отсутствует оригинальная упаковка или имеются следы монтажа.
В случае выявления брака или гарантийного случая мы гарантируем возврат или обмен товара.
Да, гарантийный срок хранения устанавливается заводом-изготовителем и в среднем составляет 2 года при соблюдении условий хранения: сухое помещение, оригинальная упаковка и смазка.
Точный срок для конкретного типа подшипника уточняйте у наших менеджеров.
Пн–Пт: с 8:00 до 17:00 (МСК).
Сб–Вс: выходные дни.
Заказы на сайте принимаются круглосуточно. Заявки, поступившие после окончания рабочего дня, обрабатываются на следующий рабочий день.
Минимальная сумма заказа для доставки составляет 3000 рублей. Самовывоз со склада возможен на любую сумму при наличии товара.
ООО «УралТехГрупп»
ИНН: 7415093830
КПП: 772401001
ОГРН: 1167456069021
Банк: ПАО Сбербанк
Р/с: 40702810838000475273
К/с: 30101810400000000225
БИК: 044525225
У подшипника NJ212-E-MA6+HJ212-E пока нет отзывов. Вы можете стать первым покупателем, поделившимся своим мнением.