Поиск подшипника
Статьи
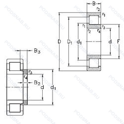
NJ2219-E-TVP3+HJ2219-E — Роликовый радиальный однорядный подшипник, модификация основного исполнения NJ2219, производство NKE.
Размер подшипника: 95x170x43 мм.
Однорядный цилиндрический роликоподшипник. Наружное кольцо имеет два борта, наружное — один борт, цельный сепаратор из полиамида pa66-gf25. сепаратор оконного типа. направляемый телами качения, повышенная грузоподъемность.
Международная стандартизации ISO
NJ2219ETVP3HJ2219E
В наличии
| Обозначение | Конструктивные изменения |
|---|---|
| NJ2219-E-N1-MP1A-C4 | Внутренний зазор подшипника больше. чем C3. Повышенная грузоподъемность. Один установочный паз на внешней кромке наружного кольца (для радиального расположения подшипника). Твердый латунный сепаратор. Однорядный. С ребрами на внешнем кольце. Качество X-Life (грузоподъемность до 18 % больше. чем обычно). |
| NJ2219W C3 | Внутренний зазор больше нормального. Цельный прессованный сепаратор. |
| NJ2219-E-N1-MPAX-C3-H144 | Внутренний зазор больше нормального. Повышенная грузоподъемность. Один установочный паз на внешней кромке наружного кольца (для радиального расположения подшипника). Требования к точности железнодорожных подшипников для Siemens. Ребристый однокомпонентный цельнолатунный сепаратор является дальнейшим развитием сепараторов FAG типов MPA и MP1A и будет последовательно заменять эти типы. Он обладает большей прочностью по отношению к ударным нагрузкам и вибрациям. чем его предшественники. и особенно хорошо подходит для применения в условиях высоких нагрузок. |
| NJ2219ECP/C3 | Внутренний зазор больше нормального. Оптимизированная внутренняя конструкция предусматривает увеличенное количество роликов и/или ролики большего размера с улучшенными условиями контакта торцов роликов с бортами внутреннего кольца. Сепаратор из стеклонаполненного полиамида PA66. центрируемый по роликам. |
| NJ2219-E-XL-M1A | Повышенная грузоподъемность. Серия X-Life премиум-класс. увеличиный срок службы. Массивный латунный сепаратор. двухтельный. центрированный по бортам. |
| NJ2219-E-XL-MPA-R95-115NA | Повышенная грузоподъемность. Серия X-Life премиум-класс. увеличиный срок службы. Нет особого значения для цилиндрического подшипника. Массивный латунный сепаратор. центрированный по бортику наружного кольца. Radial Clearance In μm. |
| NJ2219EM | Стандартный фланцевый ( с резьбой и сквозным отверстием). |
| NJ2219E G15 | Повышенная грузоподъемность. Литой сепаратор из полиамида 6.6. армированного стекловолокном. Элемент качения по центру. |
| NJ2219E MA | Конструкция с увеличенной грузоподьемностью. Механически обработанный латунный сепаратор. Центрирование по внешнему кольцу. |
| NJ2219E MA C3 | Внутренний зазор больше нормального. Конструкция с увеличенной грузоподьемностью. Механически обработанный латунный сепаратор. Центрирование по внешнему кольцу. |
| NJ2219-E-XL-N-MPAX-C3 | Внутренний зазор больше нормального. Повышенная грузоподъемность. Серия X-Life премиум-класс. увеличиный срок службы. Канавка под стопорное кольцо на внешнем кольце. Ребристый однокомпонентный цельнолатунный сепаратор является дальнейшим развитием сепараторов FAG типов MPA и MP1A и будет последовательно заменять эти типы. Он обладает большей прочностью по отношению к ударным нагрузкам и вибрациям. чем его предшественники. и особенно хорошо подходит для применения в условиях высоких нагрузок. |
| NJ2219-E-N-MPAX-C3 | Внутренний зазор больше нормального. Повышенная грузоподъемность. Канавка под стопорное кольцо на внешнем кольце. Ребристый однокомпонентный цельнолатунный сепаратор является дальнейшим развитием сепараторов FAG типов MPA и MP1A и будет последовательно заменять эти типы. Он обладает большей прочностью по отношению к ударным нагрузкам и вибрациям. чем его предшественники. и особенно хорошо подходит для применения в условиях высоких нагрузок. |
| NJ2219-E-XL-N1-MPAX-C3-H144 | Внутренний зазор больше нормального. Повышенная грузоподъемность. Серия X-Life премиум-класс. увеличиный срок службы. Один установочный паз на внешней кромке наружного кольца (для радиального расположения подшипника). Требования к точности железнодорожных подшипников для Siemens. Ребристый однокомпонентный цельнолатунный сепаратор является дальнейшим развитием сепараторов FAG типов MPA и MP1A и будет последовательно заменять эти типы. Он обладает большей прочностью по отношению к ударным нагрузкам и вибрациям. чем его предшественники. и особенно хорошо подходит для применения в условиях высоких нагрузок. |
| NJ2219-E-XL-N1-MPAX-C | 15° Угол контакта. Повышенная грузоподъемность. Серия X-Life премиум-класс. увеличиный срок службы. Один установочный паз на внешней кромке наружного кольца (для радиального расположения подшипника). Ребристый однокомпонентный цельнолатунный сепаратор является дальнейшим развитием сепараторов FAG типов MPA и MP1A и будет последовательно заменять эти типы. Он обладает большей прочностью по отношению к ударным нагрузкам и вибрациям. чем его предшественники. и особенно хорошо подходит для применения в условиях высоких нагрузок. |
| NJ2219 ET | Сквозная закалка и шлифовка стали с переломом в одной точке. |
| NJ2219E | Повышенная грузоподъемность. |
| NJ2219-E-TVP2 + HJ2219-E | Повышенная грузоподъемность. Твердый сепаратор оконного типа из армированного стекловолокном полиамида. |
| NJ2219R | С выпуклыми асимметричными роликами и обработанным сепаратором. |
| NJ2219-E-MPA | Повышенная грузоподъемность. Твердый латунный сепаратор. |
| NJ2219-E-M6+HJ2219-E | Повышенная грузоподъемность. 20-28 UM (C3 & C4). |
| NJ2219-E-MPA+HJ2219-E | Повышенная грузоподъемность. Твердый латунный сепаратор. |
| NJ2219-E-TVP3 | Повышенная грузоподъемность. Цельный сепаратор из полиамида PA66-GF25. сепаратор оконного типа. направляемый телами качения. |
| NJ2219-E-M6 | Повышенная грузоподъемность. 20-28 UM (C3 & C4). |
| NJ2219-E-MA6 | Повышенная грузоподъемность. Изготовленный из двух частей латунный сепаратор. Центрирование по внешнему кольцу. Различные конструкции или сорта материалов обозначаются цифрой или буквой.. |
| NJ2219-E-MA6+HJ2219-E | Повышенная грузоподъемность. Изготовленный из двух частей латунный сепаратор. Центрирование по внешнему кольцу. Различные конструкции или сорта материалов обозначаются цифрой или буквой.. |
Модификации роликового подшипника NJ2219-E-TVP3+HJ2219-E — это измененное основное конструктивное исполнение NJ2219, основные размеры (95x170x43) не отличаются.
| Обозначение | Гост | Конструктивные особенности |
|---|---|---|
| NUP2219-E-TVP3 | ISO | Повышенная грузоподъемность. Цельный сепаратор из полиамида PA66-GF25. сепаратор оконного типа. направляемый телами качения. |
| NUP2219-E-M6 | ISO | Повышенная грузоподъемность. 20-28 UM (C3 & C4). |
| NUP2219-E-MPA | ISO | Повышенная грузоподъемность. Твердый латунный сепаратор. |
| NUP2219-E-MA6 | ISO | Повышенная грузоподъемность. Изготовленный из двух частей латунный сепаратор. Центрирование по внешнему кольцу. Различные конструкции или сорта материалов обозначаются цифрой или буквой.. |
| NUP2219 ET | ISO | Сквозная закалка и шлифовка стали с переломом в одной точке. |
| 2519 | ГОСТ | Роликовый радиальный однорядный подшипник. |
| 42519 | ГОСТ | Роликовый радиальный однорядный подшипник. |
| 92519 | ГОСТ | Роликовый радиальный однорядный подшипник. |
| 2519-Л | ГОСТ | Сепаратор из латуни.. |
| NH2219 E | ISO | Повышенная грузоподъемность. |
| NH2219 | ISO | Канавка под стопорное кольцо на наружном кольце подшипника. |
| NU2219-E-M6 | ISO | Повышенная грузоподъемность. 20-28 UM (C3 & C4). |
| NU2219-E-TVP3 | ISO | Повышенная грузоподъемность. Цельный сепаратор из полиамида PA66-GF25. сепаратор оконного типа. направляемый телами качения. |
| NU2219-E-MA6 | ISO | Повышенная грузоподъемность. Изготовленный из двух частей латунный сепаратор. Центрирование по внешнему кольцу. Различные конструкции или сорта материалов обозначаются цифрой или буквой.. |
| NU2219-E-MPA | ISO | Повышенная грузоподъемность. Твердый латунный сепаратор. |
Аналог роликового подшипника NJ2219-E-TVP3+HJ2219-E — это подшипник такого же размера dx95,Dx170,Bx43, типа и конструкции.
| Обозначение | Конструктивные особенности | Внутренний (d) | Наружный (D) | Ширина (B) |
|---|---|---|---|---|
| 22219 KCW33+AH319 | Роликовый радиальный сферический двухрядный подшипник. Кольцевая канавка и три отверстия для смазывания в наружном кольце подшипника. Коническое внутреннее отверстие. | 95.00 | 170.00 | 43.00 |
| NJ 2219 ECJ | Роликовый радиальный цилиндрический однорядный подшипник. Два стальных сепаратора оконного типа. внутреннее кольцо без фланца. направляющее кольцо с усиленным роликом. Однорядный цилиндрический роликовый подшипник. | 95.00 | 170.00 | 43.00 |
| NJ 2219 ECM | Роликовый радиальный цилиндрический однорядный подшипник. Однорядный цилиндрический роликовый подшипник. | 95.00 | 170.00 | 43.00 |
| 3007219А | Роликовый радиальный-упорный однорядный подшипник. Повышенная грузоподъемность. | 95.00 | 170.00 | 44.00 |
| 3067219А | Роликовый радиальный-упорный однорядный подшипник. Повышенная грузоподъемность. | 95.00 | 170.00 | 44.00 |
| NU2219E | Роликовый радиальный цилиндрический однорядный подшипник. Повышенная грузоподъемность. | 95.00 | 170.00 | 43.00 |
| NUP2219E | Роликовый радиальный цилиндрический однорядный подшипник. Повышенная грузоподъемность. | 95.00 | 170.00 | 43.00 |
| NU2219R | Роликовый радиальный цилиндрический однорядный подшипник. С выпуклыми асимметричными роликами и обработанным сепаратором. | 95.00 | 170.00 | 43.00 |
| NUP2219R | Роликовый радиальный цилиндрический однорядный подшипник. С выпуклыми асимметричными роликами и обработанным сепаратором. | 95.00 | 170.00 | 43.00 |
| 22219EX | Роликовый радиальный сферический двухрядный подшипник. Optimized Inner Construction - Extreme Quality F. Extreme Requirements. | 95.00 | 170.00 | 43.00 |
| 22219AEX | Роликовый радиальный сферический двухрядный подшипник. Высокоскоростной и высокопроизводительный сферический роликоподшипник. | 95.00 | 170.00 | 43.00 |
| 2219 K + H 319 | Шариковый сферический двухрядный подшипник. Коническое внутреннее отверстие. Pressed Snap-Type Steel Cage. Hardened. | 95.00 | 170.00 | 43.00 |
| 2219-2RS | Шариковый сферический двухрядный подшипник. Резиновые уплотнения с каждой стороны подшипника. | 95.00 | 170.00 | 43.00 |
| 53519АН | Роликовый радиальный двухрядный подшипник. Детали из теплостойкой стали. Повышенная грузоподъемность. | 95.00 | 170.00 | 43.00 |
| 53519-Н | Роликовый радиальный двухрядный подшипник. Детали из теплостойкой стали. | 95.00 | 170.00 | 43.00 |
Способы доставки
Отправка через ведущие транспортные и курьерские компании: ПЭК, Деловые Линии, СДЭК, Байкал-Сервис, Энергия, КИТ, ЖелДорЭкспедиция.
Самовывоз возможен напрямую со склада в Москве.
Сроки доставки
Срок зависит от региона и выбранной транспортной компании. Все заказы комплектуются и отправляются в кратчайшие сроки со склада в Москве.
Надёжность и сохранность
Вся продукция упаковывается с учётом требований транспортировки. Мы гарантируем, что подшипники и комплектующие прибудут к заказчику в полной сохранности.
Доставка в страны ЕАЭС
Мы работаем с проверенными логистическими партнёрами, что позволяет оперативно доставлять заказы в Беларусь, Казахстан, Армению и другие страны ЕАЭС.
Варианты оплаты:
Минимальная сумма заказа и скидки:
Документы и гарантии:
Да, конечно! Наши технические специалисты готовы помочь вам с подбором точного аналога или замены подшипника. Просто позвоните нам по телефону +7 (495) 104-99-04 или напишите на почту zakaz@podsnab.ru.
Для оперативной консультации подготовьте, пожалуйста, имеющиеся данные: маркировку, размеры, тип оборудования или артикул старого подшипника.
Да, конечно! Мы высоко ценим долгосрочное сотрудничество и доверие клиентов по всей России. Для постоянных клиентов действует персональная система скидок.
Условия формируются индивидуально и зависят от:
Чтобы узнать свои условия и получить максимально выгодное предложение, свяжитесь с персональным менеджером или напишите нам на почту zakaz@podsnab.ru.
Вы можете оформить заказ несколькими способами:
Для оформления заказа от юридического лица свяжитесь с нашим отделом по работе с корпоративными клиентами по телефону +7 (495) 104-99-04 или напишите на email zakaz@podsnab.ru, прикрепив реквизиты вашей организации.
Мы оперативно подготовим коммерческое предложение и выставим счет.
Возврат товара надлежащего качества возможен в течение 10 дней с момента получения, если товар не был в употреблении, сохранен товарный вид, упаковка не вскрывалась и присутствуют все сопроводительные документы.
Возврат денежных средств осуществляется в течение 10 рабочих дней после проверки товара складом.
В соответствии с законодательством возврату не подлежат подшипники надлежащего качества, если отсутствует оригинальная упаковка или имеются следы монтажа.
В случае выявления брака или гарантийного случая мы гарантируем возврат или обмен товара.
Да, гарантийный срок хранения устанавливается заводом-изготовителем и в среднем составляет 2 года при соблюдении условий хранения: сухое помещение, оригинальная упаковка и смазка.
Точный срок для конкретного типа подшипника уточняйте у наших менеджеров.
Пн–Пт: с 8:00 до 17:00 (МСК).
Сб–Вс: выходные дни.
Заказы на сайте принимаются круглосуточно. Заявки, поступившие после окончания рабочего дня, обрабатываются на следующий рабочий день.
Минимальная сумма заказа для доставки составляет 3000 рублей. Самовывоз со склада возможен на любую сумму при наличии товара.
ООО «УралТехГрупп»
ИНН: 7415093830
КПП: 772401001
ОГРН: 1167456069021
Банк: ПАО Сбербанк
Р/с: 40702810838000475273
К/с: 30101810400000000225
БИК: 044525225
У подшипника NJ2219-E-TVP3+HJ2219-E пока нет отзывов. Вы можете стать первым покупателем, поделившимся своим мнением.