Поиск подшипника
Статьи
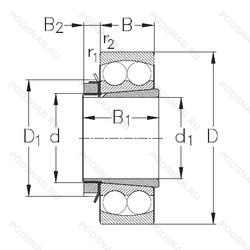
2219 K + H 319 — Шариковый сферический двухрядный подшипник, модификация основного исполнения 2219, выпускается производителями: CX, ISB, ISO, NKE, SKF.
Размер подшипника: 95x170x43 мм.
Коническое внутреннее отверстие, pressed snap-type steel cage. hardened.
Международная стандартизации ISO
2219KH319
В наличии
| Обозначение | Конструктивные изменения |
|---|---|
| 2219K.M | Коническое отверстие. Конусность 1/12. Подшипник с латунным сепаратором. центрированный по телам качения. |
| 2219-K-M-C3 | Внутренний зазор больше нормального. Коническое отверстие. Конусность 1/12. Подшипник с латунным сепаратором. центрированный по телам качения. |
| 2219M/C3 | Внутренний зазор больше нормального. Подшипник с латунным сепаратором. центрированный по телам качения. |
| 2219 | Шариковый сферический двухрядный подшипник. Основное конструктивное исполнение. |
| 2219K | Коническое внутреннее отверстие. |
| 2219M | Твердый латунный сепаратор с шариковой направляющей. |
| 2219KM/P63 | Combination Of P6 (Dimensional And Running Accuracy To ISO Tolerance Class 6 (Better Than Normal)) And C3 (Radial Internal Clearance Greater Than Normal). Type Of Model. |
| 2219SK | Кулачковый толкатель штифтового типа. С шестигранной головкой. Только для внутреннего и наружного колец. |
| 2219K C3 | Внутренний зазор больше нормального. Коническое отверстие. конус 1/12. |
| 2219S | Прессованный стальной сепаратор. Только для внутреннего и наружного колец. |
| 2219KJ | Коническое отверстие 1/12. Сепаратор из стали. |
| 2219J | Сепаратор из стали. |
| 2219C3 | Внутренний зазор больше нормального. |
| C 2219 K + H 319 E | Тороидальный подшипник CARB. Коническое отверстие. Конусность 1/12. Повышенная грузоподъемность. Pressed Snap-Type Steel Cage. Hardened. |
| BS2-2219-2CS5/VT143 | Контактное уплотнение из листовой стали, усиленное гидрогенизированным акрилонитрил-бутадиеновым каучуком (HNBR) с обеих сторон. Свободное пространство в подшипнике на 70–100 % заполнено высокотемпературной смазкой.. Заполнение пластичной смазкой SKF LGEP 2 на 25–35 %. Высокая осевая жесткость и грузоподъемность.. |
| BS2-2219-2CS5K/VT143 | Заполнение пластичной смазкой SKF LGEP 2 на 25–35 %. Высокая осевая жесткость и грузоподъемность.. |
| NJ 2219 ECJ | Два стальных сепаратора оконного типа. внутреннее кольцо без фланца. направляющее кольцо с усиленным роликом. Однорядный цилиндрический роликовый подшипник. |
| NJ 2219 ECM | Однорядный цилиндрический роликовый подшипник. |
| 2219-K-M-C3 + H319 | Внутренний зазор больше нормального. Коническое отверстие. Конусность 1/12. Подшипник с латунным сепаратором. центрированный по телам качения. |
| 2219-2RS | Резиновые уплотнения с каждой стороны подшипника. |
Модификации сферического шарикового подшипника 2219 K + H 319 — это измененное основное конструктивное исполнение 2219, основные размеры (95x170x43) не отличаются.
| Обозначение | Конструктивные особенности | Внутренний (d) | Наружный (D) | Ширина (B) |
|---|---|---|---|---|
| 22219AEX | Роликовый радиальный сферический двухрядный подшипник. Высокоскоростной и высокопроизводительный сферический роликоподшипник. | 95.00 | 170.00 | 43.00 |
| NJ2219-E-MPA | Роликовый радиальный однорядный подшипник. Повышенная грузоподъемность. Твердый латунный сепаратор. | 95.00 | 170.00 | 43.00 |
| NJ2219-E-M6+HJ2219-E | Роликовый радиальный однорядный подшипник. Повышенная грузоподъемность. 20-28 UM (C3 & C4). | 95.00 | 170.00 | 43.00 |
| NJ2219-E-MPA+HJ2219-E | Роликовый радиальный однорядный подшипник. Повышенная грузоподъемность. Твердый латунный сепаратор. | 95.00 | 170.00 | 43.00 |
| NJ2219-E-TVP3+HJ2219-E | Роликовый радиальный однорядный подшипник. Повышенная грузоподъемность. Цельный сепаратор из полиамида PA66-GF25. сепаратор оконного типа. направляемый телами качения. | 95.00 | 170.00 | 43.00 |
| NJ2219-E-TVP3 | Роликовый радиальный однорядный подшипник. Повышенная грузоподъемность. Цельный сепаратор из полиамида PA66-GF25. сепаратор оконного типа. направляемый телами качения. | 95.00 | 170.00 | 43.00 |
| NJ2219-E-M6 | Роликовый радиальный однорядный подшипник. Повышенная грузоподъемность. 20-28 UM (C3 & C4). | 95.00 | 170.00 | 43.00 |
| NJ2219-E-MA6 | Роликовый радиальный однорядный подшипник. Повышенная грузоподъемность. Изготовленный из двух частей латунный сепаратор. Центрирование по внешнему кольцу. Различные конструкции или сорта материалов обозначаются цифрой или буквой.. | 95.00 | 170.00 | 43.00 |
| NJ2219-E-MA6+HJ2219-E | Роликовый радиальный однорядный подшипник. Повышенная грузоподъемность. Изготовленный из двух частей латунный сепаратор. Центрирование по внешнему кольцу. Различные конструкции или сорта материалов обозначаются цифрой или буквой.. | 95.00 | 170.00 | 43.00 |
| NU2219-E-M6 | Роликовый радиальный однорядный подшипник. Повышенная грузоподъемность. 20-28 UM (C3 & C4). | 95.00 | 170.00 | 43.00 |
| NU2219-E-TVP3 | Роликовый радиальный однорядный подшипник. Повышенная грузоподъемность. Цельный сепаратор из полиамида PA66-GF25. сепаратор оконного типа. направляемый телами качения. | 95.00 | 170.00 | 43.00 |
| NU2219-E-MA6 | Роликовый радиальный однорядный подшипник. Повышенная грузоподъемность. Изготовленный из двух частей латунный сепаратор. Центрирование по внешнему кольцу. Различные конструкции или сорта материалов обозначаются цифрой или буквой.. | 95.00 | 170.00 | 43.00 |
| NU2219-E-MPA | Роликовый радиальный однорядный подшипник. Повышенная грузоподъемность. Твердый латунный сепаратор. | 95.00 | 170.00 | 43.00 |
| 53519АН | Роликовый радиальный двухрядный подшипник. Детали из теплостойкой стали. Повышенная грузоподъемность. | 95.00 | 170.00 | 43.00 |
| 53519-Н | Роликовый радиальный двухрядный подшипник. Детали из теплостойкой стали. | 95.00 | 170.00 | 43.00 |
Способы доставки
Отправка через ведущие транспортные и курьерские компании: ПЭК, Деловые Линии, СДЭК, Байкал-Сервис, Энергия, КИТ, ЖелДорЭкспедиция.
Самовывоз возможен напрямую со склада в Москве.
Сроки доставки
Срок зависит от региона и выбранной транспортной компании. Все заказы комплектуются и отправляются в кратчайшие сроки со склада в Москве.
Надёжность и сохранность
Вся продукция упаковывается с учётом требований транспортировки. Мы гарантируем, что подшипники и комплектующие прибудут к заказчику в полной сохранности.
Доставка в страны ЕАЭС
Мы работаем с проверенными логистическими партнёрами, что позволяет оперативно доставлять заказы в Беларусь, Казахстан, Армению и другие страны ЕАЭС.
Варианты оплаты:
Минимальная сумма заказа и скидки:
Документы и гарантии:
Да, конечно! Наши технические специалисты готовы помочь вам с подбором точного аналога или замены подшипника. Просто позвоните нам по телефону +7 (495) 104-99-04 или напишите на почту zakaz@podsnab.ru.
Для оперативной консультации подготовьте, пожалуйста, имеющиеся данные: маркировку, размеры, тип оборудования или артикул старого подшипника.
Да, конечно! Мы высоко ценим долгосрочное сотрудничество и доверие клиентов по всей России. Для постоянных клиентов действует персональная система скидок.
Условия формируются индивидуально и зависят от:
Чтобы узнать свои условия и получить максимально выгодное предложение, свяжитесь с персональным менеджером или напишите нам на почту zakaz@podsnab.ru.
Вы можете оформить заказ несколькими способами:
Для оформления заказа от юридического лица свяжитесь с нашим отделом по работе с корпоративными клиентами по телефону +7 (495) 104-99-04 или напишите на email zakaz@podsnab.ru, прикрепив реквизиты вашей организации.
Мы оперативно подготовим коммерческое предложение и выставим счет.
Возврат товара надлежащего качества возможен в течение 10 дней с момента получения, если товар не был в употреблении, сохранен товарный вид, упаковка не вскрывалась и присутствуют все сопроводительные документы.
Возврат денежных средств осуществляется в течение 10 рабочих дней после проверки товара складом.
В соответствии с законодательством возврату не подлежат подшипники надлежащего качества, если отсутствует оригинальная упаковка или имеются следы монтажа.
В случае выявления брака или гарантийного случая мы гарантируем возврат или обмен товара.
Да, гарантийный срок хранения устанавливается заводом-изготовителем и в среднем составляет 2 года при соблюдении условий хранения: сухое помещение, оригинальная упаковка и смазка.
Точный срок для конкретного типа подшипника уточняйте у наших менеджеров.
Пн–Пт: с 8:00 до 17:00 (МСК).
Сб–Вс: выходные дни.
Заказы на сайте принимаются круглосуточно. Заявки, поступившие после окончания рабочего дня, обрабатываются на следующий рабочий день.
Минимальная сумма заказа для доставки составляет 3000 рублей. Самовывоз со склада возможен на любую сумму при наличии товара.
ООО «УралТехГрупп»
ИНН: 7415093830
КПП: 772401001
ОГРН: 1167456069021
Банк: ПАО Сбербанк
Р/с: 40702810838000475273
К/с: 30101810400000000225
БИК: 044525225
У подшипника 2219 K + H 319 пока нет отзывов. Вы можете стать первым покупателем, поделившимся своим мнением.