Поиск подшипника
Статьи
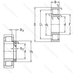
NJ230-E-M6+HJ230-E — Роликовый радиальный однорядный подшипник, модификация основного исполнения NJ230, производство NKE.
Размер подшипника: 150x270x45 мм.
Однорядный цилиндрический роликоподшипник. Наружное кольцо имеет два борта, наружное — один борт, 20-28 um (c3 & c4), повышенная грузоподъемность.
Международная стандартизации ISO
NJ230EM6HJ230E
В наличии
| Обозначение | Конструктивные изменения |
|---|---|
| NJ230E C4 | Внутренний зазор подшипника больше. чем C3. Повышенная грузоподъемность. |
| NJ230F | Обработанный механически стальной сепаратор. центрируемый по телам качения. |
| NJ230M1.C4 | Внутренний зазор подшипника больше. чем C3. Механически обработанный латунный сепаратор. вращающийся элемент качения (крестовина на заклепках). |
| NJ230E B M6 C4 SQ52 | Внутренний зазор подшипника больше. чем C3. Повышенная грузоподъемность. Свободный ход шариков. Цельный латунный сепаратор с роликовыми направляющими для цилиндрических роликоподшипников. Оптимизированное исполнение для высоких осевых нагрузок. |
| NJ230-E-XL-MP1A-J30PC-C3 | Внутренний зазор больше нормального. Повышенная грузоподъемность. Серия X-Life премиум-класс. увеличиный срок службы. Твердый латунный сепаратор. Однорядный. С ребрами на внешнем кольце. Качество X-Life (грузоподъемность до 18 % больше. чем обычно). Кольца и тела качения с черным оксидным покрытием. |
| NJ230A G1 C4 | Внутренний зазор подшипника больше. чем C3. Двухрядный радиально-упорный шарикоподшипник без отверстия для смазки. Обработанный латунный сепаратор для цилиндрических роликоподшипников. |
| NJ230E M J30 | Повышенная грузоподъемность. Механически обработанный латунный сепаратор. Внутренний зазор больше нормального. |
| NJ230E.M1.C4 | Внутренний зазор подшипника больше. чем C3. Повышенная грузоподъемность. Механически обработанный латунный сепаратор. вращающийся элемент качения (крестовина на заклепках). |
| NJ230EMAC3 | Внутренний зазор больше нормального. Конструкция с увеличенной грузоподьемностью. Механически обработанный латунный сепаратор. Центрирование по внешнему кольцу. |
| NJ230E MA | Конструкция с увеличенной грузоподьемностью. Механически обработанный латунный сепаратор. Центрирование по внешнему кольцу. |
| NJ230-E-MPAX-J30PC-C3 | Внутренний зазор больше нормального. Повышенная грузоподъемность. Ребристый однокомпонентный цельнолатунный сепаратор является дальнейшим развитием сепараторов FAG типов MPA и MP1A и будет последовательно заменять эти типы. Он обладает большей прочностью по отношению к ударным нагрузкам и вибрациям. чем его предшественники. и особенно хорошо подходит для применения в условиях высоких нагрузок. Кольца и тела качения с черным оксидным покрытием. |
| NJ230-E-XL-MPAX-J30PC-C3 | Внутренний зазор больше нормального. Повышенная грузоподъемность. Серия X-Life премиум-класс. увеличиный срок службы. Ребристый однокомпонентный цельнолатунный сепаратор является дальнейшим развитием сепараторов FAG типов MPA и MP1A и будет последовательно заменять эти типы. Он обладает большей прочностью по отношению к ударным нагрузкам и вибрациям. чем его предшественники. и особенно хорошо подходит для применения в условиях высоких нагрузок. Кольца и тела качения с черным оксидным покрытием. |
| NJ230-E-XL-M1A | Повышенная грузоподъемность. Серия X-Life премиум-класс. увеличиный срок службы. Массивный латунный сепаратор. двухтельный. центрированный по бортам. |
| NJ230-E-M1A | Повышенная грузоподъемность. Массивный латунный сепаратор. двухтельный. центрированный по бортам. |
| NJ230-E-XL-MCA | Повышенная грузоподъемность. Серия X-Life премиум-класс. увеличиный срок службы. Массивный латунный сепаратор. Однокомпонентный. Направляющая на внешнем кольце. |
| NJ230W C3 | Внутренний зазор больше нормального. Цельный прессованный сепаратор. |
| NJ230-E-M1 | Повышенная грузоподъемность. Механически обработанный латунный сепаратор. вращающийся элемент качения (крестовина на заклепках). |
| NJ230-E-M1 + HJ230-E | Повышенная грузоподъемность. Механически обработанный латунный сепаратор. вращающийся элемент качения (крестовина на заклепках). |
| NJ230R | С выпуклыми асимметричными роликами и обработанным сепаратором. |
| NJ230-E-MA6+HJ230-E | Повышенная грузоподъемность. Изготовленный из двух частей латунный сепаратор. Центрирование по внешнему кольцу. Различные конструкции или сорта материалов обозначаются цифрой или буквой.. |
| NJ230-E-MA6 | Повышенная грузоподъемность. Изготовленный из двух частей латунный сепаратор. Центрирование по внешнему кольцу. Различные конструкции или сорта материалов обозначаются цифрой или буквой.. |
| NJ230-E-M6 | Повышенная грузоподъемность. 20-28 UM (C3 & C4). |
| NJ230-E-MPA+HJ230-E | Повышенная грузоподъемность. Твердый латунный сепаратор. |
| NJ230-E-MPA | Повышенная грузоподъемность. Твердый латунный сепаратор. |
| NJ230EM | Стандартный фланцевый ( с резьбой и сквозным отверстием). |
Модификации роликового подшипника NJ230-E-M6+HJ230-E — это измененное основное конструктивное исполнение NJ230, основные размеры (150x270x45) не отличаются.
| Обозначение | Гост | Конструктивные особенности |
|---|---|---|
| NUP230-E-MA6 | ISO | Повышенная грузоподъемность. Изготовленный из двух частей латунный сепаратор. Центрирование по внешнему кольцу. Различные конструкции или сорта материалов обозначаются цифрой или буквой.. |
| NUP230-E-MPA | ISO | Повышенная грузоподъемность. Твердый латунный сепаратор. |
| NUP230-E-M6 | ISO | Повышенная грузоподъемность. 20-28 UM (C3 & C4). |
| NUP230EM | ISO | Стандартный фланцевый ( с резьбой и сквозным отверстием). |
| 42230 | ГОСТ | Роликовый радиальный однорядный подшипник. |
| 2230-М | ГОСТ | Модифицированный контакт.. |
| 2230-МЛ | ГОСТ | Сепаратор из латуни.. Модифицированный контакт.. |
| 30-92230-К1М | ГОСТ | Модифицированный контакт.. |
| 32230-Л | ГОСТ | Сепаратор из латуни.. |
| 32230-М | ГОСТ | Модифицированный контакт.. |
| NF230 E | ISO | Повышенная грузоподъемность. |
| NH230 E | ISO | Повышенная грузоподъемность. |
| NP230 E | ISO | Повышенная грузоподъемность. |
| NH230 | ISO | Шестигранное отверстие (кулачковые ролики с осью). Канавка под стопорное кольцо на наружном кольце подшипника. |
| NP 230 | ISO | Канавка под стопорное кольцо на наружном кольце подшипника. |
| NU230-E-MPA | ISO | Повышенная грузоподъемность. Твердый латунный сепаратор. |
| 8-92230 К1М | ГОСТ | Модифицированный контакт.. |
| 92230-К1М | ГОСТ | Кольцевая проточка на середине цилиндрической наружной поверхности наружного кольца плюс три отверстия для смазки. Модифицированный контакт.. |
| 42230-Л | ГОСТ | Сепаратор из латуни.. |
| 42230-М | ГОСТ | Модифицированный контакт.. |
Аналог роликового подшипника NJ230-E-M6+HJ230-E — это подшипник такого же размера dx150,Dx270,Bx45, типа и конструкции.
| Обозначение | Конструктивные особенности | Внутренний (d) | Наружный (D) | Ширина (B) |
|---|---|---|---|---|
| 6-46230 АЛ9 | Шариковый радиально-упорный однорядный подшипник. Повышенная грузоподъемность. Сепаратор из латуни.. | 150.00 | 270.00 | 45.00 |
| 6-46230 Л | Шариковый радиально-упорный однорядный подшипник. Сепаратор из латуни.. | 150.00 | 270.00 | 45.00 |
| 66-230 АКЛ | Шариковый радиальный однорядный подшипник. Сепаратор из латуни.. Повышенная грузоподъемность. | 150.00 | 270.00 | 45.00 |
| 66-230 Л | Шариковый радиальный однорядный подшипник. Сепаратор из латуни.. | 150.00 | 270.00 | 45.00 |
| 70-230 АК3 | Шариковый радиальный однорядный подшипник. Повышенная грузоподъемность. | 150.00 | 270.00 | 45.00 |
| 70-230 АКЛ | Шариковый радиальный однорядный подшипник. Сепаратор из латуни.. Повышенная грузоподъемность. | 150.00 | 270.00 | 45.00 |
| 70-230 Л | Шариковый радиальный однорядный подшипник. Сепаратор из латуни.. | 150.00 | 270.00 | 45.00 |
| 70-32230 М | Роликовый радиальный подшипник. Модифицированный контакт.. | 150.00 | 270.00 | 45.00 |
| 6230LLU | Шариковый радиальный однорядный подшипник. Контактное резиновое уплотнение с двух сторон. | 150.00 | 270.00 | 45.00 |
| 230-Л | Шариковый радиальный однорядный подшипник. Сепаратор из латуни.. | 150.00 | 270.00 | 45.00 |
| 46230-АЛ9 | Шариковый радиально-упорный однорядный подшипник. Повышенная грузоподъемность. Сепаратор из латуни.. | 150.00 | 270.00 | 45.00 |
| 46230-Л | Шариковый радиально-упорный однорядный подшипник. Сепаратор из латуни.. | 150.00 | 270.00 | 45.00 |
| 46230-Л9 | Шариковый радиально-упорный однорядный подшипник. Сепаратор из латуни.. | 150.00 | 270.00 | 45.00 |
| 46230К | Шариковый радиально-упорный однорядный подшипник. «Замок» (скос) на внутреннем кольце плюс массивный сепаратор из текстолита. | 150.00 | 270.00 | 45.00 |
| 5-46230 Л | Шариковый радиально-упорный однорядный подшипник. Сепаратор из латуни.. | 150.00 | 270.00 | 45.00 |
Способы доставки
Отправка через ведущие транспортные и курьерские компании: ПЭК, Деловые Линии, СДЭК, Байкал-Сервис, Энергия, КИТ, ЖелДорЭкспедиция.
Самовывоз возможен напрямую со склада в Москве.
Сроки доставки
Срок зависит от региона и выбранной транспортной компании. Все заказы комплектуются и отправляются в кратчайшие сроки со склада в Москве.
Надёжность и сохранность
Вся продукция упаковывается с учётом требований транспортировки. Мы гарантируем, что подшипники и комплектующие прибудут к заказчику в полной сохранности.
Доставка в страны ЕАЭС
Мы работаем с проверенными логистическими партнёрами, что позволяет оперативно доставлять заказы в Беларусь, Казахстан, Армению и другие страны ЕАЭС.
Варианты оплаты:
Минимальная сумма заказа и скидки:
Документы и гарантии:
Да, конечно! Наши технические специалисты готовы помочь вам с подбором точного аналога или замены подшипника. Просто позвоните нам по телефону +7 (495) 104-99-04 или напишите на почту zakaz@podsnab.ru.
Для оперативной консультации подготовьте, пожалуйста, имеющиеся данные: маркировку, размеры, тип оборудования или артикул старого подшипника.
Да, конечно! Мы высоко ценим долгосрочное сотрудничество и доверие клиентов по всей России. Для постоянных клиентов действует персональная система скидок.
Условия формируются индивидуально и зависят от:
Чтобы узнать свои условия и получить максимально выгодное предложение, свяжитесь с персональным менеджером или напишите нам на почту zakaz@podsnab.ru.
Вы можете оформить заказ несколькими способами:
Для оформления заказа от юридического лица свяжитесь с нашим отделом по работе с корпоративными клиентами по телефону +7 (495) 104-99-04 или напишите на email zakaz@podsnab.ru, прикрепив реквизиты вашей организации.
Мы оперативно подготовим коммерческое предложение и выставим счет.
Возврат товара надлежащего качества возможен в течение 10 дней с момента получения, если товар не был в употреблении, сохранен товарный вид, упаковка не вскрывалась и присутствуют все сопроводительные документы.
Возврат денежных средств осуществляется в течение 10 рабочих дней после проверки товара складом.
В соответствии с законодательством возврату не подлежат подшипники надлежащего качества, если отсутствует оригинальная упаковка или имеются следы монтажа.
В случае выявления брака или гарантийного случая мы гарантируем возврат или обмен товара.
Да, гарантийный срок хранения устанавливается заводом-изготовителем и в среднем составляет 2 года при соблюдении условий хранения: сухое помещение, оригинальная упаковка и смазка.
Точный срок для конкретного типа подшипника уточняйте у наших менеджеров.
Пн–Пт: с 8:00 до 17:00 (МСК).
Сб–Вс: выходные дни.
Заказы на сайте принимаются круглосуточно. Заявки, поступившие после окончания рабочего дня, обрабатываются на следующий рабочий день.
Минимальная сумма заказа для доставки составляет 3000 рублей. Самовывоз со склада возможен на любую сумму при наличии товара.
ООО «УралТехГрупп»
ИНН: 7415093830
КПП: 772401001
ОГРН: 1167456069021
Банк: ПАО Сбербанк
Р/с: 40702810838000475273
К/с: 30101810400000000225
БИК: 044525225
У подшипника NJ230-E-M6+HJ230-E пока нет отзывов. Вы можете стать первым покупателем, поделившимся своим мнением.