Поиск подшипника
Статьи
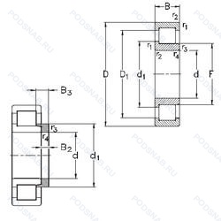
NJ228-E-M6+HJ228-E — Роликовый радиальный однорядный подшипник, модификация основного исполнения NJ228, производство NKE.
Размер подшипника: 140x250x42 мм.
Однорядный цилиндрический роликоподшипник. Наружное кольцо имеет два борта, наружное — один борт, 20-28 um (c3 & c4), повышенная грузоподъемность.
Международная стандартизации ISO
NJ228EM6HJ228E
В наличии
| Обозначение | Конструктивные изменения |
|---|---|
| NJ228-E-M1A-C3 | Внутренний зазор больше нормального. Повышенная грузоподъемность. Массивный латунный сепаратор. двухтельный. центрированный по бортам. |
| NJ228ECJ | Два стальных сепаратора оконного типа. внутреннее кольцо без фланца. направляющее кольцо с усиленным роликом. Однорядный цилиндрический роликовый подшипник. |
| NJ228-E-M1-F1-C4 | Внутренний зазор подшипника больше. чем C3. Повышенная грузоподъемность. Механически обработанный латунный сепаратор. вращающийся элемент качения (крестовина на заклепках). Спецификация производства и контроля FAG для цилиндрических роликоподшипников в тяговых двигателях. |
| NJ228-E-N1-MPAX-C3 | Внутренний зазор больше нормального. Повышенная грузоподъемность. Один установочный паз на внешней кромке наружного кольца (для радиального расположения подшипника). Ребристый однокомпонентный цельнолатунный сепаратор является дальнейшим развитием сепараторов FAG типов MPA и MP1A и будет последовательно заменять эти типы. Он обладает большей прочностью по отношению к ударным нагрузкам и вибрациям. чем его предшественники. и особенно хорошо подходит для применения в условиях высоких нагрузок. |
| NJ228-E-XL-M1-F1-C4 | Внутренний зазор подшипника больше. чем C3. Повышенная грузоподъемность. Серия X-Life премиум-класс. увеличиный срок службы. Механически обработанный латунный сепаратор. вращающийся элемент качения (крестовина на заклепках). Спецификация производства и контроля FAG для цилиндрических роликоподшипников в тяговых двигателях. |
| NJ228-E-XL-N1-MPAX-C3 | Внутренний зазор больше нормального. Повышенная грузоподъемность. Серия X-Life премиум-класс. увеличиный срок службы. Один установочный паз на внешней кромке наружного кольца (для радиального расположения подшипника). Ребристый однокомпонентный цельнолатунный сепаратор является дальнейшим развитием сепараторов FAG типов MPA и MP1A и будет последовательно заменять эти типы. Он обладает большей прочностью по отношению к ударным нагрузкам и вибрациям. чем его предшественники. и особенно хорошо подходит для применения в условиях высоких нагрузок. |
| NJ228N | Канавка под стопорное кольцо на внешнем кольце. |
| NJ228W C3 | Внутренний зазор больше нормального. Цельный прессованный сепаратор. |
| NJ228-E-M1-C4 | Внутренний зазор подшипника больше. чем C3. Повышенная грузоподъемность. Механически обработанный латунный сепаратор. вращающийся элемент качения (крестовина на заклепках). |
| NJ228ECJ/C4 | Внутренний зазор подшипника больше. чем C3. Сепаратор из штампованной стали. Центрирование роликов. Незакаленный. Два стальных сепаратора оконного типа. внутреннее кольцо без фланца. направляющее кольцо с усиленным роликом. |
| NJ228EMA | Конструкция с увеличенной грузоподьемностью. Механически обработанный латунный сепаратор. Центрирование по внешнему кольцу. |
| NJ228EMAC3 | Внутренний зазор больше нормального. Конструкция с увеличенной грузоподьемностью. Механически обработанный латунный сепаратор. Центрирование по внешнему кольцу. |
| NJ228W | Цельный прессованный сепаратор. |
| NJ228ECMA/C3 | Внутренний зазор больше нормального. Изготовленный из двух частей латунный сепаратор. внешнее кольцо по центру. Оптимизированная внутренняя конструкция предусматривает увеличенное количество роликов и/или ролики большего размера с улучшенными условиями контакта торцов роликов с бортами внутреннего кольца. |
| NJ228E | Шарикоподшипник или цилиндрический роликоподшипник c увеличенной грузоподъемностью. |
| NJ228-E-XL-M1-C4 | Внутренний зазор подшипника больше. чем C3. Повышенная грузоподъемность. Серия X-Life премиум-класс. увеличиный срок службы. Механически обработанный латунный сепаратор. вращающийся элемент качения (крестовина на заклепках). |
| NJ228E.M1.C4.F1 | Внутренний зазор подшипника больше. чем C3. Повышенная грузоподъемность. Механически обработанный латунный сепаратор. вращающийся элемент качения (крестовина на заклепках). Подшипники качения для тяговых двигателей. |
| NJ228-E-XL-MCA-C3 | Радиальный внутренний зазор больше нормального. Повышенная грузоподъемность. Серия X-Life премиум-класс. увеличиный срок службы. Массивный латунный сепаратор. Однокомпонентный. Направляющая на внешнем кольце. |
| NJ228-E-M1 + HJ228-E | Повышенная грузоподъемность. Механически обработанный латунный сепаратор. вращающийся элемент качения (крестовина на заклепках). |
| NJ228R | С выпуклыми асимметричными роликами и обработанным сепаратором. |
| NJ228-E-M6 | Повышенная грузоподъемность. 20-28 UM (C3 & C4). |
| NJ228-E-MA6+HJ228-E | Повышенная грузоподъемность. Изготовленный из двух частей латунный сепаратор. Центрирование по внешнему кольцу. Различные конструкции или сорта материалов обозначаются цифрой или буквой.. |
| NJ228-E-MPA | Повышенная грузоподъемность. Твердый латунный сепаратор. |
| NJ228-E-MA6 | Повышенная грузоподъемность. Изготовленный из двух частей латунный сепаратор. Центрирование по внешнему кольцу. Различные конструкции или сорта материалов обозначаются цифрой или буквой.. |
| NJ228-E-MPA+HJ228-E | Повышенная грузоподъемность. Твердый латунный сепаратор. |
Модификации роликового подшипника NJ228-E-M6+HJ228-E — это измененное основное конструктивное исполнение NJ228, основные размеры (140x250x42) не отличаются.
| Обозначение | Гост | Конструктивные особенности |
|---|---|---|
| 2В0-32228 М | ГОСТ | Модифицированный контакт.. |
| 30-42228 М | ГОСТ | Модифицированный контакт.. |
| 32228-Л | ГОСТ | Сепаратор из латуни.. |
| 32228-М | ГОСТ | Модифицированный контакт.. |
| 32228КМ | ГОСТ | Модифицированный контакт.. |
| NF228 E | ISO | Повышенная грузоподъемность. |
| NH228 E | ISO | Повышенная грузоподъемность. |
| NP228 E | ISO | Повышенная грузоподъемность. |
| NH228 | ISO | Канавка под стопорное кольцо на наружном кольце подшипника. |
| NP 228 | ISO | Канавка под стопорное кольцо на наружном кольце подшипника. |
| NU228-E-MPA | ISO | Повышенная грузоподъемность. Твердый латунный сепаратор. |
| NU228-E-MA6 | ISO | Повышенная грузоподъемность. Изготовленный из двух частей латунный сепаратор. Центрирование по внешнему кольцу. Различные конструкции или сорта материалов обозначаются цифрой или буквой.. |
| 80-32528 М | ГОСТ | Модифицированный контакт.. |
| 6-2228 КМ | ГОСТ | Модифицированный контакт.. |
| 6-32228 Б1М | ГОСТ | Модифицированный контакт.. Сепаратор из безоловянистой бронзы.. |
| 6-32228 М | ГОСТ | Модифицированный контакт.. |
| 6-42228 М | ГОСТ | Модифицированный контакт.. |
| 70-2228 КМ | ГОСТ | Кольцевая проточка на середине цилиндрической наружной поверхности наружного кольца плюс три отверстия для смазки. Модифицированный контакт.. |
| 76-32228 М | ГОСТ | Модифицированный контакт.. |
| 42228-М | ГОСТ | Модифицированный контакт.. |
Аналог роликового подшипника NJ228-E-M6+HJ228-E — это подшипник такого же размера dx140,Dx250,Bx42, типа и конструкции.
| Обозначение | Конструктивные особенности | Внутренний (d) | Наружный (D) | Ширина (B) |
|---|---|---|---|---|
| 6-228 Л | Шариковый радиальный однорядный подшипник. Сепаратор из латуни.. | 140.00 | 250.00 | 42.00 |
| 66-228 АКЛ | Шариковый радиальный однорядный подшипник. Сепаратор из латуни.. Повышенная грузоподъемность. | 140.00 | 250.00 | 42.00 |
| 66-228 АЛ | Шариковый радиальный однорядный подшипник. Сепаратор из латуни.. Повышенная грузоподъемность. | 140.00 | 250.00 | 42.00 |
| 66-228 Л | Шариковый радиальный однорядный подшипник. Сепаратор из латуни.. | 140.00 | 250.00 | 42.00 |
| 70-228 АКЛ | Шариковый радиальный однорядный подшипник. Сепаратор из латуни.. Повышенная грузоподъемность. | 140.00 | 250.00 | 42.00 |
| 70-228 АЛ | Шариковый радиальный однорядный подшипник. Сепаратор из латуни.. Повышенная грузоподъемность. | 140.00 | 250.00 | 42.00 |
| 70-228 Л | Шариковый радиальный однорядный подшипник. Сепаратор из латуни.. | 140.00 | 250.00 | 42.00 |
| 70-32228 М | Роликовый радиальный подшипник. Модифицированный контакт.. | 140.00 | 250.00 | 42.00 |
| 76-228 АКЛ | Шариковый радиальный однорядный подшипник. Сепаратор из латуни.. Повышенная грузоподъемность. | 140.00 | 250.00 | 42.00 |
| 6228 MA | Шариковый радиальный однорядный подшипник. Механически обработанный латунный сепаратор. Центрирование по внешнему кольцу. | 140.00 | 250.00 | 42.00 |
| 228-А | Шариковый радиальный однорядный подшипник. Повышенная грузоподъемность. | 140.00 | 250.00 | 42.00 |
| 228-АЛ | Шариковый радиальный однорядный подшипник. Сепаратор из латуни.. Повышенная грузоподъемность. | 140.00 | 250.00 | 42.00 |
| 228-Л | Шариковый радиальный однорядный подшипник. Сепаратор из латуни.. | 140.00 | 250.00 | 42.00 |
| 46228К | Шариковый радиально-упорный однорядный подшипник. «Замок» (скос) на внутреннем кольце плюс массивный сепаратор из текстолита. | 140.00 | 250.00 | 42.00 |
| 5-176228 ДТ2 | Шариковый радиально-упорный однорядный подшипник. Сепаратор из алюминиевого сплава.. 200°. Температура отпуска. | 140.00 | 250.00 | 42.00 |
Способы доставки
Отправка через ведущие транспортные и курьерские компании: ПЭК, Деловые Линии, СДЭК, Байкал-Сервис, Энергия, КИТ, ЖелДорЭкспедиция.
Самовывоз возможен напрямую со склада в Москве.
Сроки доставки
Срок зависит от региона и выбранной транспортной компании. Все заказы комплектуются и отправляются в кратчайшие сроки со склада в Москве.
Надёжность и сохранность
Вся продукция упаковывается с учётом требований транспортировки. Мы гарантируем, что подшипники и комплектующие прибудут к заказчику в полной сохранности.
Доставка в страны ЕАЭС
Мы работаем с проверенными логистическими партнёрами, что позволяет оперативно доставлять заказы в Беларусь, Казахстан, Армению и другие страны ЕАЭС.
Варианты оплаты:
Минимальная сумма заказа и скидки:
Документы и гарантии:
Да, конечно! Наши технические специалисты готовы помочь вам с подбором точного аналога или замены подшипника. Просто позвоните нам по телефону +7 (495) 104-99-04 или напишите на почту zakaz@podsnab.ru.
Для оперативной консультации подготовьте, пожалуйста, имеющиеся данные: маркировку, размеры, тип оборудования или артикул старого подшипника.
Да, конечно! Мы высоко ценим долгосрочное сотрудничество и доверие клиентов по всей России. Для постоянных клиентов действует персональная система скидок.
Условия формируются индивидуально и зависят от:
Чтобы узнать свои условия и получить максимально выгодное предложение, свяжитесь с персональным менеджером или напишите нам на почту zakaz@podsnab.ru.
Вы можете оформить заказ несколькими способами:
Для оформления заказа от юридического лица свяжитесь с нашим отделом по работе с корпоративными клиентами по телефону +7 (495) 104-99-04 или напишите на email zakaz@podsnab.ru, прикрепив реквизиты вашей организации.
Мы оперативно подготовим коммерческое предложение и выставим счет.
Возврат товара надлежащего качества возможен в течение 10 дней с момента получения, если товар не был в употреблении, сохранен товарный вид, упаковка не вскрывалась и присутствуют все сопроводительные документы.
Возврат денежных средств осуществляется в течение 10 рабочих дней после проверки товара складом.
В соответствии с законодательством возврату не подлежат подшипники надлежащего качества, если отсутствует оригинальная упаковка или имеются следы монтажа.
В случае выявления брака или гарантийного случая мы гарантируем возврат или обмен товара.
Да, гарантийный срок хранения устанавливается заводом-изготовителем и в среднем составляет 2 года при соблюдении условий хранения: сухое помещение, оригинальная упаковка и смазка.
Точный срок для конкретного типа подшипника уточняйте у наших менеджеров.
Пн–Пт: с 8:00 до 17:00 (МСК).
Сб–Вс: выходные дни.
Заказы на сайте принимаются круглосуточно. Заявки, поступившие после окончания рабочего дня, обрабатываются на следующий рабочий день.
Минимальная сумма заказа для доставки составляет 3000 рублей. Самовывоз со склада возможен на любую сумму при наличии товара.
ООО «УралТехГрупп»
ИНН: 7415093830
КПП: 772401001
ОГРН: 1167456069021
Банк: ПАО Сбербанк
Р/с: 40702810838000475273
К/с: 30101810400000000225
БИК: 044525225
У подшипника NJ228-E-M6+HJ228-E пока нет отзывов. Вы можете стать первым покупателем, поделившимся своим мнением.