Поиск подшипника
Статьи
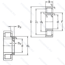
NJ2314-E-MA6+HJ2314-E — Роликовый радиальный однорядный подшипник, модификация основного исполнения NJ2314, производство NKE.
Размер подшипника: 70x150x51 мм.
Однорядный цилиндрический роликоподшипник. Наружное кольцо имеет два борта, наружное — один борт, изготовленный из двух частей латунный сепаратор. центрирование по внешнему кольцу. различные конструкции или сорта материалов обозначаются цифрой или буквой, повышенная грузоподъемность.
Международная стандартизации ISO
NJ2314EMA6HJ2314E
В наличии
| Обозначение | Конструктивные изменения |
|---|---|
| NJ2314-E-M6 | Повышенная грузоподъемность. Цельный латунный сепаратор с роликовыми направляющими для цилиндрических роликоподшипников. |
| NJ2314-E-M6-C3 | Внутренний зазор больше нормального. Увеличенная грузоподъёмность. Цельный латунный сепаратор с роликовыми направляющими для цилиндрических роликоподшипников. |
| NJ2314ECML/C4 | Внутренний зазор подшипника больше. чем C3. Оптимизированная внутренняя конструкция предусматривает увеличенное количество роликов и/или ролики большего размера с улучшенными условиями контакта торцов роликов с бортами внутреннего кольца. Механически обработанный латунный сепаратор. оконного типа. центрируемый по внутреннему или наружному кольцу в зависимости от типа подшипника. |
| NJ2314ECP/C4VQ015 | Внутренний зазор подшипника больше. чем C3. Оптимизированная внутренняя конструкция предусматривает увеличенное количество роликов и/или ролики большего размера с улучшенными условиями контакта торцов роликов с бортами внутреннего кольца. Сепаратор из стеклонаполненного полиамида PA66. центрируемый по роликам. Внутреннее кольцо с конической дорожкой для увеличения допустимой погрешности смещения. |
| NJ2314EG1C3 | Внутренний зазор больше нормального. Повышенная грузоподъемность. Обработанный латунный сепаратор для цилиндрических роликоподшипников. |
| NJ2314-E-XL-MPAX-C3 | Внутренний зазор больше нормального. Повышенная грузоподъемность. Серия X-Life премиум-класс. увеличиный срок службы. Ребристый однокомпонентный цельнолатунный сепаратор является дальнейшим развитием сепараторов FAG типов MPA и MP1A и будет последовательно заменять эти типы. Он обладает большей прочностью по отношению к ударным нагрузкам и вибрациям. чем его предшественники. и особенно хорошо подходит для применения в условиях высоких нагрузок. |
| NJ2314-E-XL-TVP2-C5 | Повышенная грузоподъемность. Серия X-Life премиум-класс. увеличиный срок службы. Внутренний зазор подшипника больше. чем С4. Cепаратор изготовленный из полиамида PA66. армированного стекловолокном. |
| NJ2314W | Цельный прессованный сепаратор. |
| NJ2314J | Сепаратор из стали. |
| NJ2314E.TVP2.C4.BL | Внутренний зазор подшипника больше. чем C3. Повышенная грузоподъемность. Cепаратор изготовленный из полиамида PA66. армированного стекловолокном. Cylindrical Roller Bearing With Crowned Raceway On Inner Ring Or Outer Ring. Taper Bearing With Crowned Raceway On Inner Ring. Notice/ All Cylinder Rollers And Taper Rollers Have Light Curved Coated Lines. |
| NJ2314E.M1.C4 | Внутренний зазор подшипника больше. чем C3. Повышенная грузоподъемность. Механически обработанный латунный сепаратор. вращающийся элемент качения (крестовина на заклепках). |
| NJ2314E.M1A.C4 | Внутренний зазор подшипника больше. чем C3. Повышенная грузоподъемность. Массивный латунный сепаратор. двухтельный. центрированный по бортам. |
| NJ2314E.M1A.C4.QP51 | Внутренний зазор подшипника больше. чем C3. Повышенная грузоподъемность. Спецификация виброгрохота. Массивный латунный сепаратор. двухтельный. центрированный по бортам. |
| NJ2314E C3 | Внутренний зазор больше нормального. Повышенная грузоподъемность. |
| NJ2314E MA C3 | Внутренний зазор больше нормального. Повышенная грузоподъемность. BRASS CAGE GUIDED ON OUTER RING. |
| NJ2314-E-MA6-C3 | Внутренний зазор больше нормального. Увеличенная грузоподъёмность. Сепаратор из цельной латуни с наружным кольцом для цилиндрических роликоподшипников. Корпус сепаратора разработан с использованием механически обработанных заклепок трапециевидной формы. |
| NJ2314-E-TVP2 + HJ2314-E | Повышенная грузоподъемность. Твердый сепаратор оконного типа из армированного стекловолокном полиамида. |
| NJ2314R | С выпуклыми асимметричными роликами и обработанным сепаратором. |
| NJ2314-E-MPA | Повышенная грузоподъемность. Твердый латунный сепаратор. |
| NJ2314-E-MPA+HJ2314-E | Повышенная грузоподъемность. Твердый латунный сепаратор. |
| NJ2314-E-TVP3+HJ2314-E | Повышенная грузоподъемность. Цельный сепаратор из полиамида PA66-GF25. сепаратор оконного типа. направляемый телами качения. |
| NJ2314-E-MA6 | Повышенная грузоподъемность. Изготовленный из двух частей латунный сепаратор. Центрирование по внешнему кольцу. Различные конструкции или сорта материалов обозначаются цифрой или буквой.. |
| NJ2314-E-TVP3 | Повышенная грузоподъемность. Цельный сепаратор из полиамида PA66-GF25. сепаратор оконного типа. направляемый телами качения. |
| NJ2314-E-M6+HJ2314-E | Повышенная грузоподъемность. 20-28 UM (C3 & C4). |
| NJ2314-VH | Полный набор роликов (без сепаратора). Самоудерживающиеся. |
Модификации роликового подшипника NJ2314-E-MA6+HJ2314-E — это измененное основное конструктивное исполнение NJ2314, основные размеры (70x150x51) не отличаются.
| Обозначение | Гост | Конструктивные особенности |
|---|---|---|
| NH2314 | ISO | Канавка под стопорное кольцо на наружном кольце подшипника. |
| NU2314-E-TVP3 | ISO | Повышенная грузоподъемность. Цельный сепаратор из полиамида PA66-GF25. сепаратор оконного типа. направляемый телами качения. |
| NU2314-E-MA6 | ISO | Повышенная грузоподъемность. Изготовленный из двух частей латунный сепаратор. Центрирование по внешнему кольцу. Различные конструкции или сорта материалов обозначаются цифрой или буквой.. |
| NU2314-E-MPA | ISO | Повышенная грузоподъемность. Твердый латунный сепаратор. |
| 92614KM | ГОСТ | Type Of Model. |
| 92614M | ГОСТ | Подшипник с латунным сепаратором. центрированный по телам качения. |
| 6-32614 АБМ | ГОСТ | Модифицированный контакт.. Повышенная грузоподъемность. Сепаратор из безоловянистой бронзы.. |
| 6-32614 АЛ | ГОСТ | Сепаратор из латуни.. Повышенная грузоподъемность. |
| 6-32614 АЛМ | ГОСТ | Сепаратор из латуни.. Модифицированный контакт.. Повышенная грузоподъемность. |
| 6-32614 БМ | ГОСТ | Модифицированный контакт.. Сепаратор из безоловянистой бронзы.. |
| 6-32614 Л | ГОСТ | Сепаратор из латуни.. |
| 70-42614 ЛМ | ГОСТ | Сепаратор из латуни.. Модифицированный контакт.. |
| NJ 2314 ECML | ISO | Однорядный цилиндрический роликовый подшипник. |
| NJ 2314 ECPH | ISO | Однорядный цилиндрический роликовый подшипник. |
| NU 2314 ECPH | ISO | Однорядный цилиндрический роликовый подшипник. |
| 42614-КМ | ГОСТ | Кольцевая проточка на середине цилиндрической наружной поверхности наружного кольца плюс три отверстия для смазки. Модифицированный контакт.. |
| 42614-Л | ГОСТ | Сепаратор из латуни.. |
| 42614-ЛМ | ГОСТ | Сепаратор из латуни.. Модифицированный контакт.. |
| 42614KM | ГОСТ | Type Of Model. |
| 42614ЛM | ГОСТ | Подшипник с латунным сепаратором. центрированный по телам качения. Сепаратор из латуни.. |
Аналог роликового подшипника NJ2314-E-MA6+HJ2314-E — это подшипник такого же размера dx70,Dx150,Bx51, типа и конструкции.
| Обозначение | Конструктивные особенности | Внутренний (d) | Наружный (D) | Ширина (B) |
|---|---|---|---|---|
| 2314K+H2314 | Шариковый сферический двухрядный подшипник. Коническое внутреннее отверстие. | 70.00 | 150.00 | 51.00 |
| 2314-2RS | Шариковый сферический двухрядный подшипник. Резиновые уплотнения с каждой стороны подшипника. | 70.00 | 150.00 | 51.00 |
| 2314S | Шариковый сферический двухрядный подшипник. Запечатанная версия кулачкового ролика. Только для внутреннего и наружного колец. | 70.00 | 150.00 | 51.00 |
| 40-53614 КЕ | Роликовый радиальный двухрядный подшипник. Сепаратор из текстолита.. | 70.00 | 150.00 | 51.00 |
| 53614-Е | Роликовый радиальный двухрядный подшипник. Сепаратор из текстолита.. | 70.00 | 150.00 | 51.00 |
| 53614-К | Роликовый радиальный двухрядный подшипник. Кольцевая проточка на середине цилиндрической наружной поверхности наружного кольца плюс три отверстия для смазки. | 70.00 | 150.00 | 51.00 |
| 53614-КЕ | Роликовый радиальный двухрядный подшипник. Сепаратор из текстолита.. | 70.00 | 150.00 | 51.00 |
| 53614-КТ | Роликовый радиальный двухрядный подшипник. Температура отпуска. 160°. | 70.00 | 150.00 | 51.00 |
| 53614-Л | Роликовый радиальный двухрядный подшипник. Сепаратор из латуни.. | 70.00 | 150.00 | 51.00 |
| 53614-Н | Роликовый радиальный двухрядный подшипник. Детали из теплостойкой стали. | 70.00 | 150.00 | 51.00 |
| 53614-НЕ | Роликовый радиальный двухрядный подшипник. Сепаратор из текстолита.. Детали из теплостойкой стали. | 70.00 | 150.00 | 51.00 |
| 53614-НК | Роликовый радиальный двухрядный подшипник. Детали из теплостойкой стали. | 70.00 | 150.00 | 51.00 |
| 53614-НК1 | Роликовый радиальный двухрядный подшипник. Детали из теплостойкой стали. | 70.00 | 150.00 | 51.00 |
| 53614-Т | Роликовый радиальный двухрядный подшипник. Температура отпуска. 160°. | 70.00 | 150.00 | 51.00 |
| 53614АН | Роликовый радиальный двухрядный подшипник. Детали из теплостойкой стали. Повышенная грузоподъемность. | 70.00 | 150.00 | 51.00 |
Способы доставки
Отправка через ведущие транспортные и курьерские компании: ПЭК, Деловые Линии, СДЭК, Байкал-Сервис, Энергия, КИТ, ЖелДорЭкспедиция.
Самовывоз возможен напрямую со склада в Москве.
Сроки доставки
Срок зависит от региона и выбранной транспортной компании. Все заказы комплектуются и отправляются в кратчайшие сроки со склада в Москве.
Надёжность и сохранность
Вся продукция упаковывается с учётом требований транспортировки. Мы гарантируем, что подшипники и комплектующие прибудут к заказчику в полной сохранности.
Доставка в страны ЕАЭС
Мы работаем с проверенными логистическими партнёрами, что позволяет оперативно доставлять заказы в Беларусь, Казахстан, Армению и другие страны ЕАЭС.
Варианты оплаты:
Минимальная сумма заказа и скидки:
Документы и гарантии:
Да, конечно! Наши технические специалисты готовы помочь вам с подбором точного аналога или замены подшипника. Просто позвоните нам по телефону +7 (495) 104-99-04 или напишите на почту zakaz@podsnab.ru.
Для оперативной консультации подготовьте, пожалуйста, имеющиеся данные: маркировку, размеры, тип оборудования или артикул старого подшипника.
Да, конечно! Мы высоко ценим долгосрочное сотрудничество и доверие клиентов по всей России. Для постоянных клиентов действует персональная система скидок.
Условия формируются индивидуально и зависят от:
Чтобы узнать свои условия и получить максимально выгодное предложение, свяжитесь с персональным менеджером или напишите нам на почту zakaz@podsnab.ru.
Вы можете оформить заказ несколькими способами:
Для оформления заказа от юридического лица свяжитесь с нашим отделом по работе с корпоративными клиентами по телефону +7 (495) 104-99-04 или напишите на email zakaz@podsnab.ru, прикрепив реквизиты вашей организации.
Мы оперативно подготовим коммерческое предложение и выставим счет.
Возврат товара надлежащего качества возможен в течение 10 дней с момента получения, если товар не был в употреблении, сохранен товарный вид, упаковка не вскрывалась и присутствуют все сопроводительные документы.
Возврат денежных средств осуществляется в течение 10 рабочих дней после проверки товара складом.
В соответствии с законодательством возврату не подлежат подшипники надлежащего качества, если отсутствует оригинальная упаковка или имеются следы монтажа.
В случае выявления брака или гарантийного случая мы гарантируем возврат или обмен товара.
Да, гарантийный срок хранения устанавливается заводом-изготовителем и в среднем составляет 2 года при соблюдении условий хранения: сухое помещение, оригинальная упаковка и смазка.
Точный срок для конкретного типа подшипника уточняйте у наших менеджеров.
Пн–Пт: с 8:00 до 17:00 (МСК).
Сб–Вс: выходные дни.
Заказы на сайте принимаются круглосуточно. Заявки, поступившие после окончания рабочего дня, обрабатываются на следующий рабочий день.
Минимальная сумма заказа для доставки составляет 3000 рублей. Самовывоз со склада возможен на любую сумму при наличии товара.
ООО «УралТехГрупп»
ИНН: 7415093830
КПП: 772401001
ОГРН: 1167456069021
Банк: ПАО Сбербанк
Р/с: 40702810838000475273
К/с: 30101810400000000225
БИК: 044525225
У подшипника NJ2314-E-MA6+HJ2314-E пока нет отзывов. Вы можете стать первым покупателем, поделившимся своим мнением.