Поиск подшипника
Статьи
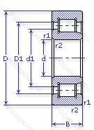
42614-КМ — Роликовый радиальный однорядный подшипник, модификация основного исполнения 42614, производство ГПЗ.
Размер подшипника: 70x150x51 мм.
Кольцевая проточка на середине цилиндрической наружной поверхности наружного кольца плюс три отверстия для смазки, модифицированный контакт.
Аналоги: NJ2314ECJ.
Государственный стандарт ГОСТ
42614КМ
В наличии
| Обозначение | Конструктивные изменения |
|---|---|
| 30-42614 ЛМ | Сепаратор из латуни.. Модифицированный контакт.. |
| 42614 | Роликовый радиальный однорядный подшипник. Основное конструктивное исполнение. |
| 30-42614 КМ | Модифицированный контакт.. |
| 70-42614 ЛМ | Сепаратор из латуни.. Модифицированный контакт.. |
| 42614-Л | Сепаратор из латуни.. |
| 42614-ЛМ | Сепаратор из латуни.. Модифицированный контакт.. |
| 42614KM | Type Of Model. |
| 42614ЛM | Подшипник с латунным сепаратором. центрированный по телам качения. Сепаратор из латуни.. |
Модификации роликового подшипника 42614-КМ — это измененное основное конструктивное исполнение 42614, основные размеры (70x150x51) не отличаются.
| Обозначение | Гост | Конструктивные особенности |
|---|---|---|
| NJ2314-E-MPA+HJ2314-E | ISO | Повышенная грузоподъемность. Твердый латунный сепаратор. |
| NJ2314-E-TVP3+HJ2314-E | ISO | Повышенная грузоподъемность. Цельный сепаратор из полиамида PA66-GF25. сепаратор оконного типа. направляемый телами качения. |
| NJ2314-E-MA6 | ISO | Повышенная грузоподъемность. Изготовленный из двух частей латунный сепаратор. Центрирование по внешнему кольцу. Различные конструкции или сорта материалов обозначаются цифрой или буквой.. |
| NJ2314-E-TVP3 | ISO | Повышенная грузоподъемность. Цельный сепаратор из полиамида PA66-GF25. сепаратор оконного типа. направляемый телами качения. |
| NJ2314-E-M6+HJ2314-E | ISO | Повышенная грузоподъемность. 20-28 UM (C3 & C4). |
| NJ2314-E-MA6+HJ2314-E | ISO | Повышенная грузоподъемность. Изготовленный из двух частей латунный сепаратор. Центрирование по внешнему кольцу. Различные конструкции или сорта материалов обозначаются цифрой или буквой.. |
| NJ2314-VH | ISO | Полный набор роликов (без сепаратора). Самоудерживающиеся. |
| NU2314-E-TVP3 | ISO | Повышенная грузоподъемность. Цельный сепаратор из полиамида PA66-GF25. сепаратор оконного типа. направляемый телами качения. |
| NU2314-E-MA6 | ISO | Повышенная грузоподъемность. Изготовленный из двух частей латунный сепаратор. Центрирование по внешнему кольцу. Различные конструкции или сорта материалов обозначаются цифрой или буквой.. |
| NU2314-E-MPA | ISO | Повышенная грузоподъемность. Твердый латунный сепаратор. |
| 92614KM | ГОСТ | Type Of Model. |
| 92614M | ГОСТ | Подшипник с латунным сепаратором. центрированный по телам качения. |
| 6-32614 АБМ | ГОСТ | Модифицированный контакт.. Повышенная грузоподъемность. Сепаратор из безоловянистой бронзы.. |
| 6-32614 АЛ | ГОСТ | Сепаратор из латуни.. Повышенная грузоподъемность. |
| 6-32614 АЛМ | ГОСТ | Сепаратор из латуни.. Модифицированный контакт.. Повышенная грузоподъемность. |
| 6-32614 БМ | ГОСТ | Модифицированный контакт.. Сепаратор из безоловянистой бронзы.. |
| 6-32614 Л | ГОСТ | Сепаратор из латуни.. |
| NJ 2314 ECML | ISO | Однорядный цилиндрический роликовый подшипник. |
| NJ 2314 ECPH | ISO | Однорядный цилиндрический роликовый подшипник. |
| NU 2314 ECPH | ISO | Однорядный цилиндрический роликовый подшипник. |
Аналог роликового подшипника 42614-КМ — это подшипник такого же размера dx70,Dx150,Bx51, типа и конструкции.
| Обозначение | Конструктивные особенности | Внутренний (d) | Наружный (D) | Ширина (B) |
|---|---|---|---|---|
| 2314K+H2314 | Шариковый сферический двухрядный подшипник. Коническое внутреннее отверстие. | 70.00 | 150.00 | 51.00 |
| 2314-2RS | Шариковый сферический двухрядный подшипник. Резиновые уплотнения с каждой стороны подшипника. | 70.00 | 150.00 | 51.00 |
| 2314S | Шариковый сферический двухрядный подшипник. Запечатанная версия кулачкового ролика. Только для внутреннего и наружного колец. | 70.00 | 150.00 | 51.00 |
| 40-53614 КЕ | Роликовый радиальный двухрядный подшипник. Сепаратор из текстолита.. | 70.00 | 150.00 | 51.00 |
| 53614-Е | Роликовый радиальный двухрядный подшипник. Сепаратор из текстолита.. | 70.00 | 150.00 | 51.00 |
| 53614-К | Роликовый радиальный двухрядный подшипник. Кольцевая проточка на середине цилиндрической наружной поверхности наружного кольца плюс три отверстия для смазки. | 70.00 | 150.00 | 51.00 |
| 53614-КЕ | Роликовый радиальный двухрядный подшипник. Сепаратор из текстолита.. | 70.00 | 150.00 | 51.00 |
| 53614-КТ | Роликовый радиальный двухрядный подшипник. Температура отпуска. 160°. | 70.00 | 150.00 | 51.00 |
| 53614-Л | Роликовый радиальный двухрядный подшипник. Сепаратор из латуни.. | 70.00 | 150.00 | 51.00 |
| 53614-Н | Роликовый радиальный двухрядный подшипник. Детали из теплостойкой стали. | 70.00 | 150.00 | 51.00 |
| 53614-НЕ | Роликовый радиальный двухрядный подшипник. Сепаратор из текстолита.. Детали из теплостойкой стали. | 70.00 | 150.00 | 51.00 |
| 53614-НК | Роликовый радиальный двухрядный подшипник. Детали из теплостойкой стали. | 70.00 | 150.00 | 51.00 |
| 53614-НК1 | Роликовый радиальный двухрядный подшипник. Детали из теплостойкой стали. | 70.00 | 150.00 | 51.00 |
| 53614-Т | Роликовый радиальный двухрядный подшипник. Температура отпуска. 160°. | 70.00 | 150.00 | 51.00 |
| 53614АН | Роликовый радиальный двухрядный подшипник. Детали из теплостойкой стали. Повышенная грузоподъемность. | 70.00 | 150.00 | 51.00 |
Способы доставки
Отправка через ведущие транспортные и курьерские компании: ПЭК, Деловые Линии, СДЭК, Байкал-Сервис, Энергия, КИТ, ЖелДорЭкспедиция.
Самовывоз возможен напрямую со склада в Москве.
Сроки доставки
Срок зависит от региона и выбранной транспортной компании. Все заказы комплектуются и отправляются в кратчайшие сроки со склада в Москве.
Надёжность и сохранность
Вся продукция упаковывается с учётом требований транспортировки. Мы гарантируем, что подшипники и комплектующие прибудут к заказчику в полной сохранности.
Доставка в страны ЕАЭС
Мы работаем с проверенными логистическими партнёрами, что позволяет оперативно доставлять заказы в Беларусь, Казахстан, Армению и другие страны ЕАЭС.
Варианты оплаты:
Минимальная сумма заказа и скидки:
Документы и гарантии:
Да, конечно! Наши технические специалисты готовы помочь вам с подбором точного аналога или замены подшипника. Просто позвоните нам по телефону +7 (495) 104-99-04 или напишите на почту zakaz@podsnab.ru.
Для оперативной консультации подготовьте, пожалуйста, имеющиеся данные: маркировку, размеры, тип оборудования или артикул старого подшипника.
Да, конечно! Мы высоко ценим долгосрочное сотрудничество и доверие клиентов по всей России. Для постоянных клиентов действует персональная система скидок.
Условия формируются индивидуально и зависят от:
Чтобы узнать свои условия и получить максимально выгодное предложение, свяжитесь с персональным менеджером или напишите нам на почту zakaz@podsnab.ru.
Вы можете оформить заказ несколькими способами:
Для оформления заказа от юридического лица свяжитесь с нашим отделом по работе с корпоративными клиентами по телефону +7 (495) 104-99-04 или напишите на email zakaz@podsnab.ru, прикрепив реквизиты вашей организации.
Мы оперативно подготовим коммерческое предложение и выставим счет.
Возврат товара надлежащего качества возможен в течение 10 дней с момента получения, если товар не был в употреблении, сохранен товарный вид, упаковка не вскрывалась и присутствуют все сопроводительные документы.
Возврат денежных средств осуществляется в течение 10 рабочих дней после проверки товара складом.
В соответствии с законодательством возврату не подлежат подшипники надлежащего качества, если отсутствует оригинальная упаковка или имеются следы монтажа.
В случае выявления брака или гарантийного случая мы гарантируем возврат или обмен товара.
Да, гарантийный срок хранения устанавливается заводом-изготовителем и в среднем составляет 2 года при соблюдении условий хранения: сухое помещение, оригинальная упаковка и смазка.
Точный срок для конкретного типа подшипника уточняйте у наших менеджеров.
Пн–Пт: с 8:00 до 17:00 (МСК).
Сб–Вс: выходные дни.
Заказы на сайте принимаются круглосуточно. Заявки, поступившие после окончания рабочего дня, обрабатываются на следующий рабочий день.
Минимальная сумма заказа для доставки составляет 3000 рублей. Самовывоз со склада возможен на любую сумму при наличии товара.
ООО «УралТехГрупп»
ИНН: 7415093830
КПП: 772401001
ОГРН: 1167456069021
Банк: ПАО Сбербанк
Р/с: 40702810838000475273
К/с: 30101810400000000225
БИК: 044525225
У подшипника 42614-КМ пока нет отзывов. Вы можете стать первым покупателем, поделившимся своим мнением.