Поиск подшипника
Статьи
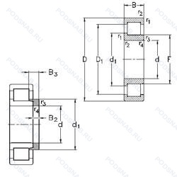
NJ318-E-MA6+HJ318-E — Роликовый радиальный однорядный подшипник, модификация основного исполнения NJ318, производство NKE.
Размер подшипника: 90x190x43 мм.
Однорядный цилиндрический роликоподшипник. Наружное кольцо имеет два борта, наружное — один борт, изготовленный из двух частей латунный сепаратор. центрирование по внешнему кольцу. различные конструкции или сорта материалов обозначаются цифрой или буквой, повышенная грузоподъемность.
Международная стандартизации ISO
NJ318EMA6HJ318E
В наличии
| Обозначение | Конструктивные изменения |
|---|---|
| NJ318-E-XL-TVP2-C5 | Повышенная грузоподъемность. Серия X-Life премиум-класс. увеличиный срок службы. Внутренний зазор подшипника больше. чем С4. Cепаратор изготовленный из полиамида PA66. армированного стекловолокном. |
| NJ318-E-XL-MPAX-C4 | Внутренний зазор подшипника больше. чем C3. Повышенная грузоподъемность. Серия X-Life премиум-класс. увеличиный срок службы. Ребристый однокомпонентный цельнолатунный сепаратор является дальнейшим развитием сепараторов FAG типов MPA и MP1A и будет последовательно заменять эти типы. Он обладает большей прочностью по отношению к ударным нагрузкам и вибрациям. чем его предшественники. и особенно хорошо подходит для применения в условиях высоких нагрузок. |
| NJ318-E-M6 | Повышенная грузоподъемность. Цельный латунный сепаратор с роликовыми направляющими для цилиндрических роликоподшипников. |
| NJ318-E-TVP3 | Повышенная грузоподъемность. Цельный сепаратор из полиамида PA66-GF25. сепаратор оконного типа. направляемый телами качения. |
| NJ318E.M1.C4.F1 | Внутренний зазор подшипника больше. чем C3. Повышенная грузоподъемность. Механически обработанный латунный сепаратор. вращающийся элемент качения (крестовина на заклепках). Подшипники качения для тяговых двигателей. |
| NJ318MY | Механически обработанный латунный сепаратор. |
| NJ318E/MA2/C3 | Внутренний зазор больше нормального. Цилиндрический роликовый подшипник c увеличенной грузоподъемностью. Механически обработанный латунный сепаратор. Внешнее кольцо центрировано. |
| NJ318MA/C3 | Внутренний зазор больше нормального. Механически обработанный латунный сепаратор. Центрирование по внешнему кольцу. |
| NJ318-E-XL-M1-F1-C4 | Внутренний зазор подшипника больше. чем C3. Повышенная грузоподъемность. Серия X-Life премиум-класс. увеличиный срок службы. Механически обработанный латунный сепаратор. вращающийся элемент качения (крестовина на заклепках). Спецификация производства и контроля FAG для цилиндрических роликоподшипников в тяговых двигателях. |
| NJ318C4 | Внутренний зазор подшипника больше. чем C3. |
| NJ318ET2 DZ | Увеличенная грузоподъёмность. Сепаратор из полиамида. армированного стекловолокном. Оптимизированная внутренняя конструкция и модифицированный контакт. |
| NJ318E G15 | Повышенная грузоподъемность. Литой сепаратор из полиамида 6.6. армированного стекловолокном. Элемент качения по центру. |
| NJ318W | Цельный прессованный сепаратор. |
| NJ318-M1-C4 | Внутренний зазор подшипника больше. чем C3. Механически обработанный латунный сепаратор. вращающийся элемент качения (крестовина на заклепках). |
| NJ318ECMRD/C4VA301 | Внутренний зазор подшипника больше. чем C3. Оптимизированная внутренняя конструкция предусматривает увеличенное количество роликов и/или ролики большего размера с улучшенными условиями контакта торцов роликов с бортами внутреннего кольца. Подшипник для железнодорожных тяговых двигателей. To Enable Easier Handling During Maintenance. A One-Piece Machined Brass Cage Is Fitted That Is Roller And Outer Shoulder Guided And Has A Roller-Drop Function. |
| NJ318G1C3 | Внутренний зазор больше нормального. Обработанный латунный сепаратор для цилиндрических роликоподшипников. |
| NJ318-E-XL-M1-F1-H67C | Повышенная грузоподъемность. Серия X-Life премиум-класс. увеличиный срок службы. Механически обработанный латунный сепаратор. вращающийся элемент качения (крестовина на заклепках). Подшипники качения для тяговых двигателей. Испытания для французских железных дорог. |
| NJ318-E-M1 | Повышенная грузоподъемность. Механически обработанный латунный сепаратор. вращающийся элемент качения (крестовина на заклепках). |
| NJ318-E-TVP2 + HJ318-E | Повышенная грузоподъемность. Твердый сепаратор оконного типа из армированного стекловолокном полиамида. |
| NJ318R | С выпуклыми асимметричными роликами и обработанным сепаратором. |
| NJ318-E-M6+HJ318-E | Повышенная грузоподъемность. 20-28 UM (C3 & C4). |
| NJ318-E-MA6 | Повышенная грузоподъемность. Изготовленный из двух частей латунный сепаратор. Центрирование по внешнему кольцу. Различные конструкции или сорта материалов обозначаются цифрой или буквой.. |
| NJ318-E-TVP3+HJ318-E | Повышенная грузоподъемность. Цельный сепаратор из полиамида PA66-GF25. сепаратор оконного типа. направляемый телами качения. |
| NJ318-E-MPA | Повышенная грузоподъемность. Твердый латунный сепаратор. |
| NJ318-E-MPA+HJ318-E | Повышенная грузоподъемность. Твердый латунный сепаратор. |
Модификации роликового подшипника NJ318-E-MA6+HJ318-E — это измененное основное конструктивное исполнение NJ318, основные размеры (90x190x43) не отличаются.
| Обозначение | Гост | Конструктивные особенности |
|---|---|---|
| 2318-МШ1 | ГОСТ | Модифицированный контакт.. Нормы шумности. |
| 2318EM | ГОСТ | Стандартный фланцевый ( с резьбой и сквозным отверстием). |
| 2318KM | ГОСТ | Type Of Model. |
| 2318M | ГОСТ | Подшипник с латунным сепаратором. центрированный по телам качения. |
| 32318KM | ГОСТ | Type Of Model. |
| НО-62318М | ГОСТ | Модифицированный контакт.. |
| NF318 E | ISO | Повышенная грузоподъемность. |
| NH318 E | ISO | Повышенная грузоподъемность. |
| NP318 E | ISO | Повышенная грузоподъемность. |
| NP 318 | ISO | Канавка под стопорное кольцо на наружном кольце подшипника. |
| 8-2318-КМ | ГОСТ | Модифицированный контакт.. |
| 80-32318 КМ | ГОСТ | Модифицированный контакт.. |
| 80-62318 М | ГОСТ | Модифицированный контакт.. |
| Н0-62318 М | ГОСТ | Ненормализованный радиальный зазор.. Модифицированный контакт.. |
| 70-2318 М | ГОСТ | Модифицированный контакт.. |
| 8-12318-КМ | ГОСТ | Модифицированный контакт.. |
| 42318-К1М | ГОСТ | Модифицированный контакт.. |
| 42318-КМ | ГОСТ | Кольцевая проточка на середине цилиндрической наружной поверхности наружного кольца плюс три отверстия для смазки. Модифицированный контакт.. |
| 42318-Л | ГОСТ | Сепаратор из латуни.. |
| 42318KM | ГОСТ | Type Of Model. |
Аналог роликового подшипника NJ318-E-MA6+HJ318-E — это подшипник такого же размера dx90,Dx190,Bx43, типа и конструкции.
| Обозначение | Конструктивные особенности | Внутренний (d) | Наружный (D) | Ширина (B) |
|---|---|---|---|---|
| 318АЛ1 | Шариковый радиальный однорядный подшипник. Сепаратор из латуни.. Повышенная грузоподъемность. | 90.00 | 190.00 | 43.00 |
| 1318K+H318 | Шариковый сферический двухрядный подшипник. Коническое внутреннее отверстие. | 90.00 | 190.00 | 43.00 |
| 1318SK | Шариковый сферический двухрядный подшипник. Кулачковый толкатель штифтового типа. С шестигранной головкой. | 90.00 | 190.00 | 43.00 |
| 7603090-TVP | Шариковый упорный однорядный подшипник. Molded Snap-Type Cage Of Glass Fibre Reinforced Polyamide. Rolling Element Riding. | 90.00 | 190.00 | 43.00 |
| 402318-Л | Роликовый радиальный подшипник. Сепаратор из латуни.. | 90.00 | 190.00 | 43.00 |
| 402318-М | Роликовый радиальный цилиндрический подшипник. Модифицированный контакт.. | 90.00 | 190.00 | 43.00 |
| 46318-АКЛ | Шариковый радиально-упорный однорядный подшипник. Сепаратор из латуни.. Повышенная грузоподъемность. | 90.00 | 190.00 | 43.00 |
| 46318-Е | Шариковый радиально-упорный однорядный подшипник. Сепаратор из текстолита.. | 90.00 | 190.00 | 43.00 |
| 46318-Л | Шариковый радиально-упорный однорядный подшипник. Сепаратор из латуни.. | 90.00 | 190.00 | 43.00 |
| 46318К | Шариковый радиально-упорный однорядный подшипник. «Замок» (скос) на внутреннем кольце плюс массивный сепаратор из текстолита. | 90.00 | 190.00 | 43.00 |
| 5-36318 Л | Шариковый радиально-упорный однорядный подшипник. Сепаратор из латуни.. | 90.00 | 190.00 | 43.00 |
| 5-46318 Л | Шариковый радиально-упорный однорядный подшипник. Сепаратор из латуни.. | 90.00 | 190.00 | 43.00 |
| 5-46318 ЛШ2 | Шариковый радиально-упорный однорядный подшипник. Сепаратор из латуни.. Нормы шумности. | 90.00 | 190.00 | 43.00 |
| 6-1318 Л | Шариковый радиальный двухрядный подшипник. Сепаратор из латуни.. | 90.00 | 190.00 | 43.00 |
| 6-176318 Л | Шариковый радиально-упорный однорядный подшипник. Сепаратор из латуни.. | 90.00 | 190.00 | 43.00 |
Способы доставки
Отправка через ведущие транспортные и курьерские компании: ПЭК, Деловые Линии, СДЭК, Байкал-Сервис, Энергия, КИТ, ЖелДорЭкспедиция.
Самовывоз возможен напрямую со склада в Москве.
Сроки доставки
Срок зависит от региона и выбранной транспортной компании. Все заказы комплектуются и отправляются в кратчайшие сроки со склада в Москве.
Надёжность и сохранность
Вся продукция упаковывается с учётом требований транспортировки. Мы гарантируем, что подшипники и комплектующие прибудут к заказчику в полной сохранности.
Доставка в страны ЕАЭС
Мы работаем с проверенными логистическими партнёрами, что позволяет оперативно доставлять заказы в Беларусь, Казахстан, Армению и другие страны ЕАЭС.
Варианты оплаты:
Минимальная сумма заказа и скидки:
Документы и гарантии:
Да, конечно! Наши технические специалисты готовы помочь вам с подбором точного аналога или замены подшипника. Просто позвоните нам по телефону +7 (495) 104-99-04 или напишите на почту zakaz@podsnab.ru.
Для оперативной консультации подготовьте, пожалуйста, имеющиеся данные: маркировку, размеры, тип оборудования или артикул старого подшипника.
Да, конечно! Мы высоко ценим долгосрочное сотрудничество и доверие клиентов по всей России. Для постоянных клиентов действует персональная система скидок.
Условия формируются индивидуально и зависят от:
Чтобы узнать свои условия и получить максимально выгодное предложение, свяжитесь с персональным менеджером или напишите нам на почту zakaz@podsnab.ru.
Вы можете оформить заказ несколькими способами:
Для оформления заказа от юридического лица свяжитесь с нашим отделом по работе с корпоративными клиентами по телефону +7 (495) 104-99-04 или напишите на email zakaz@podsnab.ru, прикрепив реквизиты вашей организации.
Мы оперативно подготовим коммерческое предложение и выставим счет.
Возврат товара надлежащего качества возможен в течение 10 дней с момента получения, если товар не был в употреблении, сохранен товарный вид, упаковка не вскрывалась и присутствуют все сопроводительные документы.
Возврат денежных средств осуществляется в течение 10 рабочих дней после проверки товара складом.
В соответствии с законодательством возврату не подлежат подшипники надлежащего качества, если отсутствует оригинальная упаковка или имеются следы монтажа.
В случае выявления брака или гарантийного случая мы гарантируем возврат или обмен товара.
Да, гарантийный срок хранения устанавливается заводом-изготовителем и в среднем составляет 2 года при соблюдении условий хранения: сухое помещение, оригинальная упаковка и смазка.
Точный срок для конкретного типа подшипника уточняйте у наших менеджеров.
Пн–Пт: с 8:00 до 17:00 (МСК).
Сб–Вс: выходные дни.
Заказы на сайте принимаются круглосуточно. Заявки, поступившие после окончания рабочего дня, обрабатываются на следующий рабочий день.
Минимальная сумма заказа для доставки составляет 3000 рублей. Самовывоз со склада возможен на любую сумму при наличии товара.
ООО «УралТехГрупп»
ИНН: 7415093830
КПП: 772401001
ОГРН: 1167456069021
Банк: ПАО Сбербанк
Р/с: 40702810838000475273
К/с: 30101810400000000225
БИК: 044525225
У подшипника NJ318-E-MA6+HJ318-E пока нет отзывов. Вы можете стать первым покупателем, поделившимся своим мнением.