Поиск подшипника
Статьи
Н0-62318 М — Роликовый радиальный однорядный подшипник, модификация основного исполнения 62318, производство ГПЗ.
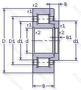
Размер подшипника: 90x190x43 мм.
Ненормализованный радиальный зазор, модифицированный контакт.
Аналоги: NJ318HJ318.
Государственный стандарт ГОСТ
Н062318М
В наличии
| Обозначение | Конструктивные изменения |
|---|---|
| Н8-62318 М | Ненормализованный радиальный зазор.. Модифицированный контакт.. |
| 8-62318-М | Модифицированный контакт.. |
| 62318 | Роликовый радиальный однорядный подшипник. Основное конструктивное исполнение. |
| НО-62318М | Модифицированный контакт.. |
| 80-62318 М | Модифицированный контакт.. |
| 62318-ЛМ | Сепаратор из латуни.. Модифицированный контакт.. |
| 62318-М | Модифицированный контакт.. |
| 62318M | Подшипник с латунным сепаратором. центрированный по телам качения. |
Модификации роликового подшипника Н0-62318 М — это измененное основное конструктивное исполнение 62318, основные размеры (90x190x43) не отличаются.
| Обозначение | Гост | Конструктивные особенности |
|---|---|---|
| 32318KM | ГОСТ | Type Of Model. |
| NF318 E | ISO | Повышенная грузоподъемность. |
| NH318 E | ISO | Повышенная грузоподъемность. |
| NP318 E | ISO | Повышенная грузоподъемность. |
| NP 318 | ISO | Канавка под стопорное кольцо на наружном кольце подшипника. |
| NJ318R | ISO | С выпуклыми асимметричными роликами и обработанным сепаратором. |
| NJ318-E-M6+HJ318-E | ISO | Повышенная грузоподъемность. 20-28 UM (C3 & C4). |
| NJ318-E-MA6 | ISO | Повышенная грузоподъемность. Изготовленный из двух частей латунный сепаратор. Центрирование по внешнему кольцу. Различные конструкции или сорта материалов обозначаются цифрой или буквой.. |
| NJ318-E-TVP3+HJ318-E | ISO | Повышенная грузоподъемность. Цельный сепаратор из полиамида PA66-GF25. сепаратор оконного типа. направляемый телами качения. |
| NJ318-E-MPA | ISO | Повышенная грузоподъемность. Твердый латунный сепаратор. |
| NJ318-E-MPA+HJ318-E | ISO | Повышенная грузоподъемность. Твердый латунный сепаратор. |
| NJ318-E-MA6+HJ318-E | ISO | Повышенная грузоподъемность. Изготовленный из двух частей латунный сепаратор. Центрирование по внешнему кольцу. Различные конструкции или сорта материалов обозначаются цифрой или буквой.. |
| 8-2318-КМ | ГОСТ | Модифицированный контакт.. |
| 80-32318 КМ | ГОСТ | Модифицированный контакт.. |
| 70-2318 М | ГОСТ | Модифицированный контакт.. |
| 8-12318-КМ | ГОСТ | Модифицированный контакт.. |
| 42318-К1М | ГОСТ | Модифицированный контакт.. |
| 42318-КМ | ГОСТ | Кольцевая проточка на середине цилиндрической наружной поверхности наружного кольца плюс три отверстия для смазки. Модифицированный контакт.. |
| 42318-Л | ГОСТ | Сепаратор из латуни.. |
| 42318KM | ГОСТ | Type Of Model. |
Аналог роликового подшипника Н0-62318 М — это подшипник такого же размера dx90,Dx190,Bx43, типа и конструкции.
| Обозначение | Конструктивные особенности | Внутренний (d) | Наружный (D) | Ширина (B) |
|---|---|---|---|---|
| 318АЛ1 | Шариковый радиальный однорядный подшипник. Сепаратор из латуни.. Повышенная грузоподъемность. | 90.00 | 190.00 | 43.00 |
| 1318K+H318 | Шариковый сферический двухрядный подшипник. Коническое внутреннее отверстие. | 90.00 | 190.00 | 43.00 |
| 1318SK | Шариковый сферический двухрядный подшипник. Кулачковый толкатель штифтового типа. С шестигранной головкой. | 90.00 | 190.00 | 43.00 |
| 7603090-TVP | Шариковый упорный однорядный подшипник. Molded Snap-Type Cage Of Glass Fibre Reinforced Polyamide. Rolling Element Riding. | 90.00 | 190.00 | 43.00 |
| 402318-Л | Роликовый радиальный подшипник. Сепаратор из латуни.. | 90.00 | 190.00 | 43.00 |
| 402318-М | Роликовый радиальный цилиндрический подшипник. Модифицированный контакт.. | 90.00 | 190.00 | 43.00 |
| 46318-АКЛ | Шариковый радиально-упорный однорядный подшипник. Сепаратор из латуни.. Повышенная грузоподъемность. | 90.00 | 190.00 | 43.00 |
| 46318-Е | Шариковый радиально-упорный однорядный подшипник. Сепаратор из текстолита.. | 90.00 | 190.00 | 43.00 |
| 46318-Л | Шариковый радиально-упорный однорядный подшипник. Сепаратор из латуни.. | 90.00 | 190.00 | 43.00 |
| 46318К | Шариковый радиально-упорный однорядный подшипник. «Замок» (скос) на внутреннем кольце плюс массивный сепаратор из текстолита. | 90.00 | 190.00 | 43.00 |
| 5-36318 Л | Шариковый радиально-упорный однорядный подшипник. Сепаратор из латуни.. | 90.00 | 190.00 | 43.00 |
| 5-46318 Л | Шариковый радиально-упорный однорядный подшипник. Сепаратор из латуни.. | 90.00 | 190.00 | 43.00 |
| 5-46318 ЛШ2 | Шариковый радиально-упорный однорядный подшипник. Сепаратор из латуни.. Нормы шумности. | 90.00 | 190.00 | 43.00 |
| 6-1318 Л | Шариковый радиальный двухрядный подшипник. Сепаратор из латуни.. | 90.00 | 190.00 | 43.00 |
| 6-176318 Л | Шариковый радиально-упорный однорядный подшипник. Сепаратор из латуни.. | 90.00 | 190.00 | 43.00 |
Способы доставки
Отправка через ведущие транспортные и курьерские компании: ПЭК, Деловые Линии, СДЭК, Байкал-Сервис, Энергия, КИТ, ЖелДорЭкспедиция.
Самовывоз возможен напрямую со склада в Москве.
Сроки доставки
Срок зависит от региона и выбранной транспортной компании. Все заказы комплектуются и отправляются в кратчайшие сроки со склада в Москве.
Надёжность и сохранность
Вся продукция упаковывается с учётом требований транспортировки. Мы гарантируем, что подшипники и комплектующие прибудут к заказчику в полной сохранности.
Доставка в страны ЕАЭС
Мы работаем с проверенными логистическими партнёрами, что позволяет оперативно доставлять заказы в Беларусь, Казахстан, Армению и другие страны ЕАЭС.
Варианты оплаты:
Минимальная сумма заказа и скидки:
Документы и гарантии:
Да, конечно! Наши технические специалисты готовы помочь вам с подбором точного аналога или замены подшипника. Просто позвоните нам по телефону +7 (495) 104-99-04 или напишите на почту zakaz@podsnab.ru.
Для оперативной консультации подготовьте, пожалуйста, имеющиеся данные: маркировку, размеры, тип оборудования или артикул старого подшипника.
Да, конечно! Мы высоко ценим долгосрочное сотрудничество и доверие клиентов по всей России. Для постоянных клиентов действует персональная система скидок.
Условия формируются индивидуально и зависят от:
Чтобы узнать свои условия и получить максимально выгодное предложение, свяжитесь с персональным менеджером или напишите нам на почту zakaz@podsnab.ru.
Вы можете оформить заказ несколькими способами:
Для оформления заказа от юридического лица свяжитесь с нашим отделом по работе с корпоративными клиентами по телефону +7 (495) 104-99-04 или напишите на email zakaz@podsnab.ru, прикрепив реквизиты вашей организации.
Мы оперативно подготовим коммерческое предложение и выставим счет.
Возврат товара надлежащего качества возможен в течение 10 дней с момента получения, если товар не был в употреблении, сохранен товарный вид, упаковка не вскрывалась и присутствуют все сопроводительные документы.
Возврат денежных средств осуществляется в течение 10 рабочих дней после проверки товара складом.
В соответствии с законодательством возврату не подлежат подшипники надлежащего качества, если отсутствует оригинальная упаковка или имеются следы монтажа.
В случае выявления брака или гарантийного случая мы гарантируем возврат или обмен товара.
Да, гарантийный срок хранения устанавливается заводом-изготовителем и в среднем составляет 2 года при соблюдении условий хранения: сухое помещение, оригинальная упаковка и смазка.
Точный срок для конкретного типа подшипника уточняйте у наших менеджеров.
Пн–Пт: с 8:00 до 17:00 (МСК).
Сб–Вс: выходные дни.
Заказы на сайте принимаются круглосуточно. Заявки, поступившие после окончания рабочего дня, обрабатываются на следующий рабочий день.
Минимальная сумма заказа для доставки составляет 3000 рублей. Самовывоз со склада возможен на любую сумму при наличии товара.
ООО «УралТехГрупп»
ИНН: 7415093830
КПП: 772401001
ОГРН: 1167456069021
Банк: ПАО Сбербанк
Р/с: 40702810838000475273
К/с: 30101810400000000225
БИК: 044525225
У подшипника Н0-62318 М пока нет отзывов. Вы можете стать первым покупателем, поделившимся своим мнением.