Поиск подшипника
Статьи
8-42417 М — Роликовый радиальный однорядный подшипник, модификация основного исполнения 42417, производство ГПЗ.
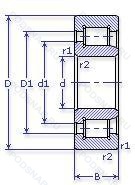
Размер подшипника: 85x210x52 мм.
Модифицированный контакт.
Государственный стандарт ГОСТ
842417М
В наличии
| Обозначение | Конструктивные изменения |
|---|---|
| 6-42417 М | Модифицированный контакт.. |
| 42417 | Роликовый радиальный однорядный подшипник. Основное конструктивное исполнение. |
| 30-42417 М | Модифицированный контакт.. |
| 70-42417 М | Модифицированный контакт.. |
| 42417-Л | Сепаратор из латуни.. |
| 42417-М | Модифицированный контакт.. |
Модификации роликового подшипника 8-42417 М — это измененное основное конструктивное исполнение 42417, основные размеры (85x210x52) не отличаются.
| Обозначение | Гост | Конструктивные особенности |
|---|---|---|
| 6-32417 М | ГОСТ | Модифицированный контакт.. |
| 86-32417 М | ГОСТ | Модифицированный контакт.. |
| 76-32417 ЛМШ1 | ГОСТ | Сепаратор из латуни.. Модифицированный контакт.. Нормы шумности. |
| 92417 | ГОСТ | Роликовый радиальный однорядный подшипник. |
| 32417-ГМ | ГОСТ | Модифицированный контакт.. Сепаратор из черных металлов.. |
| НО-62417К1М | ГОСТ | Модифицированный контакт.. |
| НО-92417 К2М | ГОСТ | Кольцевая проточка на середине цилиндрической наружной поверхности наружного кольца плюс три отверстия для смазки. Модифицированный контакт.. |
| NUP417-M | ISO | Подшипник с латунным сепаратором. центрированный по телам качения. |
| NP 417 | ISO | Канавка под стопорное кольцо на наружном кольце подшипника. |
| NJ417-M1 + HJ417 | ISO | Механически обработанный латунный сепаратор. вращающийся элемент качения (крестовина на заклепках). |
| NJ417-M+HJ417 | ISO | Подшипник с латунным сепаратором. центрированный по телам качения. |
| 8-32417 М | ГОСТ | Модифицированный контакт.. |
| 8-92417 К2М | ГОСТ | Модифицированный контакт.. |
| Н0-92417 К2М | ГОСТ | Ненормализованный радиальный зазор.. Модифицированный контакт.. |
| Н0-92417 К2МW3 | ГОСТ | Детали из вакуумированной стали.. Ненормализованный радиальный зазор.. Модифицированный контакт.. |
| Н6-92417 К2М | ГОСТ | Ненормализованный радиальный зазор.. Модифицированный контакт.. |
| 6-32417 Л | ГОСТ | Сепаратор из латуни.. |
| 62417К1М | ГОСТ | Кольцевая проточка на середине цилиндрической наружной поверхности наружного кольца плюс три отверстия для смазки. Модифицированный контакт.. |
| 62417К1МУ | ГОСТ | Дополнительные технические требования. Модифицированный контакт.. |
| 70-32417 М | ГОСТ | Модифицированный контакт.. |
Аналог роликового подшипника 8-42417 М — это подшипник такого же размера dx85,Dx210,Bx52, типа и конструкции.
| Обозначение | Конструктивные особенности | Внутренний (d) | Наружный (D) | Ширина (B) |
|---|---|---|---|---|
| 80-32417 М | Роликовый радиальный подшипник. Модифицированный контакт.. | 85.00 | 210.00 | 52.00 |
| 7417 BACBMC | Шариковый радиально-упорный подшипник. Однорядный с углом контакта 25°. | 85.00 | 210.00 | 52.00 |
| 7417 BAGAMC | Шариковый радиально-упорный подшипник. Измененная или модифицированная внутренняя конструкция при неизменных основных размерах. | 85.00 | 210.00 | 52.00 |
| 7417 A | Шариковый радиально-упорный однорядный подшипник. Двухрядный радиально-упорный шарикоподшипник без отверстия для смазки. | 85.00 | 210.00 | 52.00 |
| 7417B | Шариковый радиально-упорный однорядный подшипник. Угол контакта 40 градусов. | 85.00 | 210.00 | 52.00 |
| 6-417 40К Р | Шариковый радиальный однорядный подшипник. Детали из теплоустойчивой (быстрорежущие) стали.. | 85.00 | 210.00 | 52.00 |
| 6-417 АЛШ1 | Шариковый радиальный однорядный подшипник. Сепаратор из латуни.. Повышенная грузоподъемность. Нормы шумности. | 85.00 | 210.00 | 52.00 |
| 6-417 АЛШ | Шариковый радиальный однорядный подшипник. Сепаратор из латуни.. Повышенная грузоподъемность. Нормы шумности. | 85.00 | 210.00 | 52.00 |
| 6-417 АШ | Шариковый радиальный однорядный подшипник. Повышенная грузоподъемность. Нормы шумности. | 85.00 | 210.00 | 52.00 |
| 6-417Л | Шариковый радиальный однорядный подшипник. Сепаратор из латуни.. | 85.00 | 210.00 | 52.00 |
| 66417-АЛ1 | Шариковый радиально-упорный однорядный подшипник. Сепаратор из латуни.. Повышенная грузоподъемность. | 85.00 | 210.00 | 52.00 |
| 75-417 Ш2У | Шариковый радиальный однорядный подшипник. Дополнительные технические требования. Нормы шумности. | 85.00 | 210.00 | 52.00 |
| 76-32417 МШ | Роликовый радиальный подшипник. Модифицированный контакт.. Нормы шумности. | 85.00 | 210.00 | 52.00 |
| 76-417 Ш2У | Шариковый радиальный однорядный подшипник. Дополнительные технические требования. Нормы шумности. | 85.00 | 210.00 | 52.00 |
| 10417 M | Шариковый сферический двухрядный подшипник. Подшипник с латунным сепаратором. центрированный по телам качения. | 85.00 | 210.00 | 52.00 |
Способы доставки
Отправка через ведущие транспортные и курьерские компании: ПЭК, Деловые Линии, СДЭК, Байкал-Сервис, Энергия, КИТ, ЖелДорЭкспедиция.
Самовывоз возможен напрямую со склада в Москве.
Сроки доставки
Срок зависит от региона и выбранной транспортной компании. Все заказы комплектуются и отправляются в кратчайшие сроки со склада в Москве.
Надёжность и сохранность
Вся продукция упаковывается с учётом требований транспортировки. Мы гарантируем, что подшипники и комплектующие прибудут к заказчику в полной сохранности.
Доставка в страны ЕАЭС
Мы работаем с проверенными логистическими партнёрами, что позволяет оперативно доставлять заказы в Беларусь, Казахстан, Армению и другие страны ЕАЭС.
Варианты оплаты:
Минимальная сумма заказа и скидки:
Документы и гарантии:
Да, конечно! Наши технические специалисты готовы помочь вам с подбором точного аналога или замены подшипника. Просто позвоните нам по телефону +7 (495) 104-99-04 или напишите на почту zakaz@podsnab.ru.
Для оперативной консультации подготовьте, пожалуйста, имеющиеся данные: маркировку, размеры, тип оборудования или артикул старого подшипника.
Да, конечно! Мы высоко ценим долгосрочное сотрудничество и доверие клиентов по всей России. Для постоянных клиентов действует персональная система скидок.
Условия формируются индивидуально и зависят от:
Чтобы узнать свои условия и получить максимально выгодное предложение, свяжитесь с персональным менеджером или напишите нам на почту zakaz@podsnab.ru.
Вы можете оформить заказ несколькими способами:
Для оформления заказа от юридического лица свяжитесь с нашим отделом по работе с корпоративными клиентами по телефону +7 (495) 104-99-04 или напишите на email zakaz@podsnab.ru, прикрепив реквизиты вашей организации.
Мы оперативно подготовим коммерческое предложение и выставим счет.
Возврат товара надлежащего качества возможен в течение 10 дней с момента получения, если товар не был в употреблении, сохранен товарный вид, упаковка не вскрывалась и присутствуют все сопроводительные документы.
Возврат денежных средств осуществляется в течение 10 рабочих дней после проверки товара складом.
В соответствии с законодательством возврату не подлежат подшипники надлежащего качества, если отсутствует оригинальная упаковка или имеются следы монтажа.
В случае выявления брака или гарантийного случая мы гарантируем возврат или обмен товара.
Да, гарантийный срок хранения устанавливается заводом-изготовителем и в среднем составляет 2 года при соблюдении условий хранения: сухое помещение, оригинальная упаковка и смазка.
Точный срок для конкретного типа подшипника уточняйте у наших менеджеров.
Пн–Пт: с 8:00 до 17:00 (МСК).
Сб–Вс: выходные дни.
Заказы на сайте принимаются круглосуточно. Заявки, поступившие после окончания рабочего дня, обрабатываются на следующий рабочий день.
Минимальная сумма заказа для доставки составляет 3000 рублей. Самовывоз со склада возможен на любую сумму при наличии товара.
ООО «УралТехГрупп»
ИНН: 7415093830
КПП: 772401001
ОГРН: 1167456069021
Банк: ПАО Сбербанк
Р/с: 40702810838000475273
К/с: 30101810400000000225
БИК: 044525225
У подшипника 8-42417 М пока нет отзывов. Вы можете стать первым покупателем, поделившимся своим мнением.