Поиск подшипника
Статьи
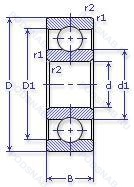
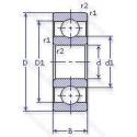
4-45 ЮТ — Шариковый радиальный подшипник, модификация основного исполнения 45, производство ГПЗ.
Размер подшипника: 4x8x2 мм.
160°, температура отпуска, все детали или часть деталей из нержавеющей стали.
Государственный стандарт ГОСТ
445ЮТ
В наличии
| Обозначение | Конструктивные изменения |
|---|---|
| 24-45-Ю2 | Все детали или часть деталей из нержавеющей стали.. |
| 45 | Шариковый радиальный подшипник. Основное конструктивное исполнение. |
| 24-45 Ю | Все детали или часть деталей из нержавеющей стали.. |
| 24-45 Ю4Т | Температура отпуска. 160°. Все детали или часть деталей из нержавеющей стали.. |
| 45-Ю2 | Все детали или часть деталей из нержавеющей стали.. |
| 45-Ю4Т | Температура отпуска. 160°. Все детали или часть деталей из нержавеющей стали.. |
Модификации шарикового подшипника 4-45 ЮТ — это измененное основное конструктивное исполнение 45, основные размеры (4x8x2) не отличаются.
| Обозначение | Гост | Конструктивные особенности |
|---|---|---|
| 50Ъ-2076083 МТР.ЮУТ | ГОСТ | Дополнительные технические требования. Температура отпуска. 160°. Все детали или часть деталей из нержавеющей стали.. Модифицированный контакт.. Детали из теплоустойчивой (быстрорежущие) стали.. |
| WEEX 002 | ISO | Шариковый радиальный подшипник. |
| SMF85ZZ | ISO | Защитные металлические шайбы с обеих сторон. |
| SMF95-TT | ISO | Комплект из трех согласованных однорядных радиально-упорных шарикоподшипников или радиально-упорных шарикоподшипников, расположенных тандемно. |
| SMR95-TT | ISO | Комплект из трех согласованных однорядных радиально-упорных шарикоподшипников или радиально-упорных шарикоподшипников, расположенных тандемно. |
| SR156ZZY05 | ISO | Шариковый радиальный подшипник. |
| SR2-5ZZY05 | ISO | Шариковый радиальный подшипник. |
| 603H | ISO | Pressed Snap-Type Steel Cage. Hardened. |
| 683H-TT | ISO | Pressed Snap-Type Steel Cage. Hardened. Комплект из трех согласованных однорядных радиально-упорных шарикоподшипников или радиально-упорных шарикоподшипников, расположенных тандемно. |
| 693H | ISO | Pressed Snap-Type Steel Cage. Hardened. |
| F603H | ISO | Pressed Snap-Type Steel Cage. Hardened. |
| F683H-TT | ISO | Pressed Snap-Type Steel Cage. Hardened. Комплект из трех согласованных однорядных радиально-упорных шарикоподшипников или радиально-упорных шарикоподшипников, расположенных тандемно. |
| F683H | ISO | Pressed Snap-Type Steel Cage. Hardened. |
| F684H | ISO | Pressed Snap-Type Steel Cage. Hardened. |
| W 603 R | ISO | Нержавеющая сталь. С выпуклыми асимметричными роликами и обработанным сепаратором. |
| W 617/4 XR | ISO | Нержавеющая сталь. Подшипник с чрезвычайно высокой точностью вращения (Abec9) и допуском формы (Abec7). |
| W 618/4 R | ISO | Нержавеющая сталь. С выпуклыми асимметричными роликами и обработанным сепаратором. Подшипник с чрезвычайно высокой точностью вращения (Abec9) и допуском формы (Abec7). |
| W 627/5 R-2Z | ISO | Защитные металлические шайбы с обеих сторон подшипника. Нержавеющая сталь. С выпуклыми асимметричными роликами и обработанным сепаратором. Distance Between Beginning Of The Rail And First Hole In MM. |
| W 627/4 R-2Z | ISO | Защитные металлические шайбы с обеих сторон подшипника. Нержавеющая сталь. С выпуклыми асимметричными роликами и обработанным сепаратором. Подшипник с чрезвычайно высокой точностью вращения (Abec9) и допуском формы (Abec7). |
| W 637/4 XR-2Z | ISO | Защитные металлические шайбы с обеих сторон подшипника. Нержавеющая сталь. Подшипник с чрезвычайно высокой точностью вращения (Abec9) и допуском формы (Abec7). |
Аналог шарикового подшипника 4-45 ЮТ — это подшипник такого же размера dx4,Dx8,Bx2, типа и конструкции.
| Обозначение | Конструктивные особенности | Внутренний (d) | Наружный (D) | Ширина (B) |
|---|---|---|---|---|
| 5М4-2076083 Е1 | Роликовый радиальный-упорный однорядный подшипник. Сепаратор из текстолита.. | 3.00 | 7.00 | 2.50 |
| 5М4-2076083 Е1П | Шариковый радиально-упорный однорядный подшипник. Сепаратор из текстолита.. | 3.00 | 7.00 | 2.70 |
| 5М4-2076083 ЮТ | Роликовый радиальный-упорный однорядный подшипник. Температура отпуска. 160°. Все детали или часть деталей из нержавеющей стали.. | 3.00 | 7.00 | 2.70 |
| 5М4-2076083 ЮТП | Шариковый радиально-упорный однорядный подшипник. Температура отпуска. 160°. Все детали или часть деталей из нержавеющей стали.. | 3.00 | 7.00 | 2.70 |
| 5М4-2076083 ЮУТ | Роликовый радиальный-упорный однорядный подшипник. Дополнительные технические требования. Температура отпуска. 160°. Все детали или часть деталей из нержавеющей стали.. | 3.00 | 7.00 | 2.70 |
| 5М4-2076084 ЕП | Шариковый радиально-упорный однорядный подшипник. Сепаратор из текстолита.. | 4.00 | 9.00 | 3.00 |
| 5М4-2076084 ЮУТ | Шариковый радиально-упорный однорядный подшипник. Дополнительные технические требования. Температура отпуска. 160°. Все детали или часть деталей из нержавеющей стали.. | 4.00 | 9.00 | 3.00 |
| 5М5-1000084 | Шариковый радиальный однорядный подшипник. Модифицированный контакт.. | 4.00 | 9.00 | 2.50 |
| 5М5-2000083 | Шариковый радиальный однорядный подшипник. Модифицированный контакт.. | 3.00 | 7.00 | 2.50 |
| 6-1000084 ЮТ | Шариковый радиальный однорядный подшипник. Температура отпуска. 160°. Все детали или часть деталей из нержавеющей стали.. | 4.00 | 9.00 | 2.50 |
| 6-1000093 ЮТ | Шариковый радиальный однорядный подшипник. Температура отпуска. 160°. Все детали или часть деталей из нержавеющей стали.. | 3.00 | 8.00 | 3.00 |
| 6-2000083 Т2 | Шариковый радиальный однорядный подшипник. 200°. Температура отпуска. | 3.00 | 7.00 | 2.50 |
| 6-2000083 Ю5Т | Шариковый радиальный однорядный подшипник. Температура отпуска. 160°. Все детали или часть деталей из нержавеющей стали.. | 3.00 | 7.00 | 2.50 |
| 6-2000083 Ю6Т | Шариковый радиальный однорядный подшипник. Температура отпуска. 160°. Все детали или часть деталей из нержавеющей стали.. | 3.00 | 7.00 | 2.50 |
| 6-2000083 ЮТ | Шариковый радиальный однорядный подшипник. Температура отпуска. 160°. Все детали или часть деталей из нержавеющей стали.. | 3.00 | 7.00 | 2.50 |
Способы доставки
Отправка через ведущие транспортные и курьерские компании: ПЭК, Деловые Линии, СДЭК, Байкал-Сервис, Энергия, КИТ, ЖелДорЭкспедиция.
Самовывоз возможен напрямую со склада в Москве.
Сроки доставки
Срок зависит от региона и выбранной транспортной компании. Все заказы комплектуются и отправляются в кратчайшие сроки со склада в Москве.
Надёжность и сохранность
Вся продукция упаковывается с учётом требований транспортировки. Мы гарантируем, что подшипники и комплектующие прибудут к заказчику в полной сохранности.
Доставка в страны ЕАЭС
Мы работаем с проверенными логистическими партнёрами, что позволяет оперативно доставлять заказы в Беларусь, Казахстан, Армению и другие страны ЕАЭС.
Варианты оплаты:
Минимальная сумма заказа и скидки:
Документы и гарантии:
Да, конечно! Наши технические специалисты готовы помочь вам с подбором точного аналога или замены подшипника. Просто позвоните нам по телефону +7 (495) 104-99-04 или напишите на почту zakaz@podsnab.ru.
Для оперативной консультации подготовьте, пожалуйста, имеющиеся данные: маркировку, размеры, тип оборудования или артикул старого подшипника.
Да, конечно! Мы высоко ценим долгосрочное сотрудничество и доверие клиентов по всей России. Для постоянных клиентов действует персональная система скидок.
Условия формируются индивидуально и зависят от:
Чтобы узнать свои условия и получить максимально выгодное предложение, свяжитесь с персональным менеджером или напишите нам на почту zakaz@podsnab.ru.
Вы можете оформить заказ несколькими способами:
Для оформления заказа от юридического лица свяжитесь с нашим отделом по работе с корпоративными клиентами по телефону +7 (495) 104-99-04 или напишите на email zakaz@podsnab.ru, прикрепив реквизиты вашей организации.
Мы оперативно подготовим коммерческое предложение и выставим счет.
Возврат товара надлежащего качества возможен в течение 10 дней с момента получения, если товар не был в употреблении, сохранен товарный вид, упаковка не вскрывалась и присутствуют все сопроводительные документы.
Возврат денежных средств осуществляется в течение 10 рабочих дней после проверки товара складом.
В соответствии с законодательством возврату не подлежат подшипники надлежащего качества, если отсутствует оригинальная упаковка или имеются следы монтажа.
В случае выявления брака или гарантийного случая мы гарантируем возврат или обмен товара.
Да, гарантийный срок хранения устанавливается заводом-изготовителем и в среднем составляет 2 года при соблюдении условий хранения: сухое помещение, оригинальная упаковка и смазка.
Точный срок для конкретного типа подшипника уточняйте у наших менеджеров.
Пн–Пт: с 8:00 до 17:00 (МСК).
Сб–Вс: выходные дни.
Заказы на сайте принимаются круглосуточно. Заявки, поступившие после окончания рабочего дня, обрабатываются на следующий рабочий день.
Минимальная сумма заказа для доставки составляет 3000 рублей. Самовывоз со склада возможен на любую сумму при наличии товара.
ООО «УралТехГрупп»
ИНН: 7415093830
КПП: 772401001
ОГРН: 1167456069021
Банк: ПАО Сбербанк
Р/с: 40702810838000475273
К/с: 30101810400000000225
БИК: 044525225
У подшипника 4-45 ЮТ пока нет отзывов. Вы можете стать первым покупателем, поделившимся своим мнением.