Поиск подшипника
Статьи
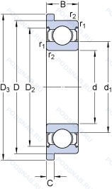
W 627/5 R-2Z — Шариковый радиальный подшипник, модификация основного исполнения 627, производство SKF.
Размер подшипника: 5x8x2 мм.
Защитные металлические шайбы с обеих сторон подшипника, с выпуклыми асимметричными роликами и обработанным сепаратором, distance between beginning of the rail and first hole in mm.
Международная стандартизации ISO
W6275R2Z
В наличии
| Обозначение | Конструктивные изменения |
|---|---|
| 627Z TNH P6-R11-18 | щит из листовой прессованной стали с одной стороны подшипника. Подшипник с защелкиваемым сепаратором из пластмассы. Размерные и геометрические допуски соответствуют классу точности P6. 18° Угол контакта. |
| 627HZZ | Шариковый радиальный подшипник. |
| W 627 X | Нержавеющая сталь. Измененные размеры границ. введенные пересмотренными стандартами ISO. |
| W 627-2RZ | Шарикоподшипник. С уплотнением и низким коэффициентом трения с обеих сторон. Уплотнение состоит из шайбы из листовой стали с вулканизированной резиной. Нержавеющая сталь. |
| W 627-2RS1 | Усиленные листовой сталью контактные уплотнения из акрилонитрил-бутадиенового каучука (NBR) с обеих сторон подшипника. Нержавеющая сталь. |
| W 627 XR | Нержавеющая сталь. |
| W 627/6 XR | Нержавеющая сталь. Exxon Aviation Instrument Oil. |
| W 627/7 R-2ZS | Нержавеющая сталь. С выпуклыми асимметричными роликами и обработанным сепаратором. Небольшая предварительная нагрузка. Z-образный сепаратор. |
| W 627/7-2ZS | Нержавеющая сталь. Небольшая предварительная нагрузка. Z-образный сепаратор. |
| W 627/4 R-2Z | Защитные металлические шайбы с обеих сторон подшипника. Нержавеющая сталь. С выпуклыми асимметричными роликами и обработанным сепаратором. Подшипник с чрезвычайно высокой точностью вращения (Abec9) и допуском формы (Abec7). |
| W 627/6 R-2Z | Защитные металлические шайбы с обеих сторон подшипника. Нержавеющая сталь. С выпуклыми асимметричными роликами и обработанным сепаратором. Exxon Aviation Instrument Oil. |
| W 627 R-2Z | Защитные металлические шайбы с обеих сторон подшипника. Нержавеющая сталь. С выпуклыми асимметричными роликами и обработанным сепаратором. |
| W 627 R | Нержавеющая сталь. С выпуклыми асимметричными роликами и обработанным сепаратором. |
| SS 627/5-ZZ | Защитные металлические шайбы с обеих сторон. Distance Between Beginning Of The Rail And First Hole In MM. |
| SS 627/7-ZZ | Защитные металлические шайбы с обеих сторон. Небольшая предварительная нагрузка. |
| SS 627/6-ZZ | Защитные металлические шайбы с обеих сторон. Exxon Aviation Instrument Oil. |
| 627-2RD | Облегченное контактное уплотнение с двух сторон.. |
| 627SS | Две резиновые защитные шайбы. |
| 627 VV | Защитные металлические шайбы. с обеих сторон подшипника. Бесконтактное уплотнение. (лучше. чем ZZ. Можно использовать в умеренно запыленной среде). |
| W 627/4 R-2ZS | Нержавеющая сталь. С выпуклыми асимметричными роликами и обработанным сепаратором. Подшипник с чрезвычайно высокой точностью вращения (Abec9) и допуском формы (Abec7). Z-образный сепаратор. |
| W 627/5 R-2ZS | Нержавеющая сталь. С выпуклыми асимметричными роликами и обработанным сепаратором. Distance Between Beginning Of The Rail And First Hole In MM. Z-образный сепаратор. |
| W 627/5 XR | Нержавеющая сталь. Distance Between Beginning Of The Rail And First Hole In MM. |
| 627-RSH | Резиновое уплотнение с одной стороны. |
| 627-RSL | Sheet Steel Reinforced Low Friction Contact Seal Of Acrylonitrile-Butadiene Rubber (NBR) On One Side Of The Bearing. |
| 627-2Z.T9H.C3 | Внутренний зазор больше нормального. Защитные металлические шайбы с обеих сторон подшипника. Защелкивающийся сепаратор. Усиленный стекловолокном полиамид. Шариковые тела качения. |
Модификации шарикового подшипника W 627/5 R-2Z — это измененное основное конструктивное исполнение 627, основные размеры (5x8x2) не отличаются.
| Обозначение | Гост | Конструктивные особенности |
|---|---|---|
| 4-45 ЮТ | ГОСТ | Температура отпуска. 160°. Все детали или часть деталей из нержавеющей стали.. |
| SMF85ZZ | ISO | Защитные металлические шайбы с обеих сторон. |
| SMF95-TT | ISO | Комплект из трех согласованных однорядных радиально-упорных шарикоподшипников или радиально-упорных шарикоподшипников, расположенных тандемно. |
| SMR95-TT | ISO | Комплект из трех согласованных однорядных радиально-упорных шарикоподшипников или радиально-упорных шарикоподшипников, расположенных тандемно. |
| SR156ZZY05 | ISO | Шариковый радиальный подшипник. |
| F684H | ISO | Pressed Snap-Type Steel Cage. Hardened. |
| W 617/4 XR | ISO | Нержавеющая сталь. Подшипник с чрезвычайно высокой точностью вращения (Abec9) и допуском формы (Abec7). |
| W 618/4 R | ISO | Нержавеющая сталь. С выпуклыми асимметричными роликами и обработанным сепаратором. Подшипник с чрезвычайно высокой точностью вращения (Abec9) и допуском формы (Abec7). |
| W 637/4 XR-2Z | ISO | Защитные металлические шайбы с обеих сторон подшипника. Нержавеющая сталь. Подшипник с чрезвычайно высокой точностью вращения (Abec9) и допуском формы (Abec7). |
| 24-45-Ю2 | ГОСТ | Все детали или часть деталей из нержавеющей стали.. |
Аналог шарикового подшипника W 627/5 R-2Z — это подшипник такого же размера dx5,Dx8,Bx2, типа и конструкции.
| Обозначение | Конструктивные особенности | Внутренний (d) | Наружный (D) | Ширина (B) |
|---|---|---|---|---|
| 1М5-1000084 | Шариковый радиальный однорядный подшипник. Модифицированный контакт.. | 4.00 | 9.00 | 2.50 |
| 22-80084 ЮТС21 | Шариковый радиальный однорядный подшипник. Температура отпуска. 160°. Смазка ЭРА. Все детали или часть деталей из нержавеющей стали.. | 4.00 | 8.00 | 3.00 |
| 24-45 Ю | Шариковый радиальный однорядный подшипник. Все детали или часть деталей из нержавеющей стали.. | 4.50 | 8.00 | 2.50 |
| 24-45 Ю4Т | Шариковый радиальный однорядный подшипник. Температура отпуска. 160°. Все детали или часть деталей из нержавеющей стали.. | 4.50 | 8.00 | 2.50 |
| 25-1000084 ЮТ | Шариковый радиальный однорядный подшипник. Температура отпуска. 160°. Все детали или часть деталей из нержавеющей стали.. | 4.00 | 9.00 | 2.50 |
| 45-Ю2 | Шариковый радиальный однорядный подшипник. Все детали или часть деталей из нержавеющей стали.. | 4.50 | 8.00 | 2.50 |
| 45-Ю4Т | Шариковый радиальный однорядный подшипник. Температура отпуска. 160°. Все детали или часть деталей из нержавеющей стали.. | 4.50 | 8.00 | 2.50 |
| 5-1000084 Т2 | Шариковый радиальный однорядный подшипник. 200°. Температура отпуска. | 4.00 | 9.00 | 2.50 |
| 5-1000084 ЮТ | Шариковый радиальный однорядный подшипник. Температура отпуска. 160°. Все детали или часть деталей из нержавеющей стали.. | 4.00 | 9.00 | 2.50 |
| 5-1000084 ЮТП | Шариковый радиальный однорядный подшипник. Температура отпуска. 160°. Все детали или часть деталей из нержавеющей стали.. | 4.00 | 9.00 | 2.50 |
| 5М4-1000084 | Шариковый радиальный однорядный подшипник. Модифицированный контакт.. | 4.00 | 9.00 | 2.00 |
| 5М4-2076084 ЕП | Шариковый радиально-упорный однорядный подшипник. Сепаратор из текстолита.. | 4.00 | 9.00 | 3.00 |
| 5М4-2076084 ЮУТ | Шариковый радиально-упорный однорядный подшипник. Дополнительные технические требования. Температура отпуска. 160°. Все детали или часть деталей из нержавеющей стали.. | 4.00 | 9.00 | 3.00 |
| 5М5-1000084 | Шариковый радиальный однорядный подшипник. Модифицированный контакт.. | 4.00 | 9.00 | 2.50 |
| 6-1000084 ЮТ | Шариковый радиальный однорядный подшипник. Температура отпуска. 160°. Все детали или часть деталей из нержавеющей стали.. | 4.00 | 9.00 | 2.50 |
Способы доставки
Отправка через ведущие транспортные и курьерские компании: ПЭК, Деловые Линии, СДЭК, Байкал-Сервис, Энергия, КИТ, ЖелДорЭкспедиция.
Самовывоз возможен напрямую со склада в Москве.
Сроки доставки
Срок зависит от региона и выбранной транспортной компании. Все заказы комплектуются и отправляются в кратчайшие сроки со склада в Москве.
Надёжность и сохранность
Вся продукция упаковывается с учётом требований транспортировки. Мы гарантируем, что подшипники и комплектующие прибудут к заказчику в полной сохранности.
Доставка в страны ЕАЭС
Мы работаем с проверенными логистическими партнёрами, что позволяет оперативно доставлять заказы в Беларусь, Казахстан, Армению и другие страны ЕАЭС.
Варианты оплаты:
Минимальная сумма заказа и скидки:
Документы и гарантии:
Да, конечно! Наши технические специалисты готовы помочь вам с подбором точного аналога или замены подшипника. Просто позвоните нам по телефону +7 (495) 104-99-04 или напишите на почту zakaz@podsnab.ru.
Для оперативной консультации подготовьте, пожалуйста, имеющиеся данные: маркировку, размеры, тип оборудования или артикул старого подшипника.
Да, конечно! Мы высоко ценим долгосрочное сотрудничество и доверие клиентов по всей России. Для постоянных клиентов действует персональная система скидок.
Условия формируются индивидуально и зависят от:
Чтобы узнать свои условия и получить максимально выгодное предложение, свяжитесь с персональным менеджером или напишите нам на почту zakaz@podsnab.ru.
Вы можете оформить заказ несколькими способами:
Для оформления заказа от юридического лица свяжитесь с нашим отделом по работе с корпоративными клиентами по телефону +7 (495) 104-99-04 или напишите на email zakaz@podsnab.ru, прикрепив реквизиты вашей организации.
Мы оперативно подготовим коммерческое предложение и выставим счет.
Возврат товара надлежащего качества возможен в течение 10 дней с момента получения, если товар не был в употреблении, сохранен товарный вид, упаковка не вскрывалась и присутствуют все сопроводительные документы.
Возврат денежных средств осуществляется в течение 10 рабочих дней после проверки товара складом.
В соответствии с законодательством возврату не подлежат подшипники надлежащего качества, если отсутствует оригинальная упаковка или имеются следы монтажа.
В случае выявления брака или гарантийного случая мы гарантируем возврат или обмен товара.
Да, гарантийный срок хранения устанавливается заводом-изготовителем и в среднем составляет 2 года при соблюдении условий хранения: сухое помещение, оригинальная упаковка и смазка.
Точный срок для конкретного типа подшипника уточняйте у наших менеджеров.
Пн–Пт: с 8:00 до 17:00 (МСК).
Сб–Вс: выходные дни.
Заказы на сайте принимаются круглосуточно. Заявки, поступившие после окончания рабочего дня, обрабатываются на следующий рабочий день.
Минимальная сумма заказа для доставки составляет 3000 рублей. Самовывоз со склада возможен на любую сумму при наличии товара.
ООО «УралТехГрупп»
ИНН: 7415093830
КПП: 772401001
ОГРН: 1167456069021
Банк: ПАО Сбербанк
Р/с: 40702810838000475273
К/с: 30101810400000000225
БИК: 044525225
У подшипника W 627/5 R-2Z пока нет отзывов. Вы можете стать первым покупателем, поделившимся своим мнением.