Поиск подшипника
Статьи
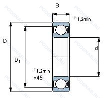
6008/HR22Q2 — Шариковый радиальный подшипник, модификация основного исполнения 6008, производство SKF.
Размер подшипника: 40x68x15 мм.
Международная стандартизации ISO
6008HR22Q2
В наличии
| Обозначение | Конструктивные изменения |
|---|---|
| 6008EE J30 | Внутренний зазор больше нормального. Резиновые уплотнения с каждой стороны подшипника. |
| 6008ZZ J30 | Защитные металлические шайбы с обеих сторон. Внутренний зазор больше нормального. |
| 6008LLU NR/2AS | Резиновые уплотнения с каждой стороны подшипника. Канавка под стопорное кольцо на наружном кольце с соответствующим стопорным кольцом. LUBRICANT. SHELL OIL CO.. ALVANIA #2 GREASE. MIL-G-18709A. |
| 6008.ZZC3(J30) | Two Shields. C3(J30)=Internal Clearance Larger Than Normal. Радиальный внутренний зазор больше нормального. |
| 6008LLU/2AU1 | Контактное уплотнение с обеих сторон. Grease Specification. Универсальный взаимозаменяемый подшипник. |
| 6008LLB | Уплотнение бесконтактного типа из синтетического каучука. |
| 6008-2RS1/JEM | Усиленные листовой сталью контактные уплотнения из акрилонитрил-бутадиенового каучука (NBR) с обеих сторон подшипника. Сепаратор из штампованной стали. Элемент качения отцентрирован. Тихий ход. Зазор C3 (не обозначается на подшипнике). |
| 6008-2RSR-P5 | Размерная и рабочая точность соответствует классу допуска ISO 5. Резиновые уплотнения с каждой стороны подшипника. |
| 6008.EEC3 | Резиновые уплотнения с каждой стороны подшипника. |
| 6008-2RSR-L207 | Резиновые уплотнения с каждой стороны подшипника. Заполнение консистентной смазкой Arcanol L207 (высокотемпературная смазка). |
| 6008-2RSR-L460 | Резиновые уплотнения с каждой стороны подшипника. NSF-H1 Approval. |
| 6008-2Z-L460 | Защитные металлические шайбы с обеих сторон. NSF-H1 Approval. |
| 6008-2RSJEM | Sheet Steel Reinforced Contact Seal Of Acrylonitrile-Butadiene Rubber (NBR) On Both Sides Of The Bearing. Pressed Steel Cage. Rolling Element Centered. - Quiet Running - C3 Clearance (Not Marked On The Bearing). |
| 6008LLU | Контактное резиновое уплотнение с двух сторон. |
| 6008DDU7C3EX28 | Термостабилизация внутреннего и наружного кольца до 200°C. Витоновое уплотнение DU и V-типа. Внутренний зазор больше нормы. Класс электродвигателя. |
| 6008DDU C3 | Внутренний зазор больше нормального. Резиновые уплотнения с каждой стороны подшипника. |
| 6008.2RS2.C3 | Внутренний зазор больше нормального. Два контактных уплотнения из фторкаучука (FPM) с усилением из листовой стали (высокотемпературные). |
| 6008-B-2DRS-N-L058/50 | Модифицированная внутренняя конструкция. Канавка под стопорное кольцо на внешнем кольце. Fill Factor %. Бесконтактные резиновые уплотнения. Смазка (в зависимости от заказчика). |
| 6008-2Z-L207-C3 | Внутренний зазор больше нормального. Защитные металлические шайбы с обеих сторон. Заполнение консистентной смазкой Arcanol L207 (высокотемпературная смазка). |
| 6008-2Z-L069-C3 | Внутренний зазор больше нормального. Зазорные уплотнения с обеих сторон.. Insert Bearing Grease For Wide Temperature Range - Polycarbamide Ester Oil - –40°C to +180°C. |
| 6008DDU C3E/ENS7S | Standard Fill. (NS7S/ Inside With Grease. Up Than 35%. Temperature Resistance -40°C To +140°C). Шарикоподшипник. Однорядный электродвигатель. Уровень шума. Резиновые уплотнения с каждой стороны подшипника. Смазка NS Hi Lube. Диапазон рабочей смазки -40 +110 °С. Внутренний зазор больше нормы. Класс электродвигателя. |
| 6008-RZ | Один стальное уплотнение и одно резиновое. |
| W 6008-2RZ | Шарикоподшипник. С уплотнением и низким коэффициентом трения с обеих сторон. Уплотнение состоит из шайбы из листовой стали с вулканизированной резиной. Нержавеющая сталь. |
| W 6008-2RS1/VP311 | Усиленные листовой сталью контактные уплотнения из акрилонитрил-бутадиенового каучука (NBR) с обеих сторон подшипника. Нержавеющая сталь. SKF Food Line Bearing/ Blue-Coloured Contact Seal Made Of FDA and EC Approved NBR And Lubricant (GFJ) Registered By NSF As Category H1. |
| F-6008J1LLU | Штампованный стальной сепаратор. Шариковые подшипники из нержавеющей стали. Двухкромочное нитриловое контактное уплотнение. |
Модификации шарикового подшипника 6008/HR22Q2 — это измененное основное конструктивное исполнение 6008, основные размеры (40x68x15) не отличаются.
| Обозначение | Гост | Конструктивные особенности |
|---|---|---|
| 9108К | ISO | Шариковый радиальный подшипник. |
| 7008 DB/P7 | ISO | Two Single Row Deep Groove Ball Bearings. Single Row Angular Contact Ball Bearings Or Single Row Tapered Roller Bearings Matched For Mounting In A Back-To-Back Arrangement. Точность размеров соответствует классу ISO 4. Точность хода лучше. чем ISO Class 4. |
| 7008 FB/P7 | ISO | Точность размеров соответствует классу ISO 4. Точность хода лучше. чем ISO Class 4. 18° Угол контакта. High Speed Design. |
| C7008 DB/P7 | ISO | Тороидальный подшипник CARB. Two Single Row Deep Groove Ball Bearings. Single Row Angular Contact Ball Bearings Or Single Row Tapered Roller Bearings Matched For Mounting In A Back-To-Back Arrangement. Точность размеров соответствует классу ISO 4. Точность хода лучше. чем ISO Class 4. |
| C7008 FB/P7 | ISO | Тороидальный подшипник CARB. Точность размеров соответствует классу ISO 4. Точность хода лучше. чем ISO Class 4. 18° Угол контакта. High Speed Design. |
| S7008 DB/P7 | ISO | Two Single Row Deep Groove Ball Bearings. Single Row Angular Contact Ball Bearings Or Single Row Tapered Roller Bearings Matched For Mounting In A Back-To-Back Arrangement. Точность размеров соответствует классу ISO 4. Точность хода лучше. чем ISO Class 4. |
| S7008 FB/P7 | ISO | Точность размеров соответствует классу ISO 4. Точность хода лучше. чем ISO Class 4. 18° Угол контакта. High Speed Design. |
| SC7008 DB/P7 | ISO | Two Single Row Deep Groove Ball Bearings. Single Row Angular Contact Ball Bearings Or Single Row Tapered Roller Bearings Matched For Mounting In A Back-To-Back Arrangement. Точность размеров соответствует классу ISO 4. Точность хода лучше. чем ISO Class 4. |
| SC7008 FB/P7 | ISO | Точность размеров соответствует классу ISO 4. Точность хода лучше. чем ISO Class 4. 18° Угол контакта. High Speed Design. |
Аналог шарикового подшипника 6008/HR22Q2 — это подшипник такого же размера dx40,Dx68,Bx15, типа и конструкции.
| Обозначение | Конструктивные особенности | Внутренний (d) | Наружный (D) | Ширина (B) |
|---|---|---|---|---|
| 46108-Е5 | Шариковый радиально-упорный однорядный подшипник. Сепаратор из текстолита.. | 40.00 | 68.00 | 15.00 |
| 46108-Л | Шариковый радиально-упорный однорядный подшипник. Сепаратор из латуни.. | 40.00 | 68.00 | 15.00 |
| 46108E5 | Шариковый радиально-упорный однорядный подшипник. Смазочные отверстия и канавки во внутреннем кольце. | 40.00 | 68.00 | 15.00 |
| 46108К | Шариковый радиально-упорный однорядный подшипник. «Замок» (скос) на внутреннем кольце плюс массивный сепаратор из текстолита. | 40.00 | 68.00 | 15.00 |
| 5-108 Б | Шариковый радиальный однорядный подшипник. Сепаратор из безоловянистой бронзы.. | 40.00 | 68.00 | 15.00 |
| 5-108 Л | Шариковый радиальный однорядный подшипник. Сепаратор из латуни.. | 40.00 | 68.00 | 15.00 |
| 5-108 Р | Шариковый радиальный однорядный подшипник. Детали из теплоустойчивой (быстрорежущие) стали.. | 40.00 | 68.00 | 15.00 |
| 5-36108 Е | Шариковый радиально-упорный однорядный подшипник. Сепаратор из текстолита.. | 40.00 | 68.00 | 15.00 |
| 5-36108 К | Шариковый радиально-упорный однорядный подшипник. «Замок» (скос) на внутреннем кольце плюс массивный сепаратор из текстолита. | 40.00 | 68.00 | 15.00 |
| 5-46108 Е | Шариковый радиально-упорный однорядный подшипник. Сепаратор из текстолита.. | 40.00 | 68.00 | 15.00 |
| 5-46108 Е2 | Шариковый радиально-упорный однорядный подшипник. Сепаратор из пластических материалов.. | 40.00 | 68.00 | 15.00 |
| 5-46108 Е5 | Шариковый радиально-упорный однорядный подшипник. Сепаратор из текстолита.. | 40.00 | 68.00 | 15.00 |
| 5-46108 К | Шариковый радиально-упорный однорядный подшипник. «Замок» (скос) на внутреннем кольце плюс массивный сепаратор из текстолита. | 40.00 | 68.00 | 15.00 |
| 5-46108 Л | Шариковый радиально-упорный однорядный подшипник. Сепаратор из латуни.. | 40.00 | 68.00 | 15.00 |
| 6-108 А | Шариковый радиальный однорядный подшипник. Повышенная грузоподъемность. | 40.00 | 68.00 | 15.00 |
Способы доставки
Отправка через ведущие транспортные и курьерские компании: ПЭК, Деловые Линии, СДЭК, Байкал-Сервис, Энергия, КИТ, ЖелДорЭкспедиция.
Самовывоз возможен напрямую со склада в Москве.
Сроки доставки
Срок зависит от региона и выбранной транспортной компании. Все заказы комплектуются и отправляются в кратчайшие сроки со склада в Москве.
Надёжность и сохранность
Вся продукция упаковывается с учётом требований транспортировки. Мы гарантируем, что подшипники и комплектующие прибудут к заказчику в полной сохранности.
Доставка в страны ЕАЭС
Мы работаем с проверенными логистическими партнёрами, что позволяет оперативно доставлять заказы в Беларусь, Казахстан, Армению и другие страны ЕАЭС.
Варианты оплаты:
Минимальная сумма заказа и скидки:
Документы и гарантии:
Да, конечно! Наши технические специалисты готовы помочь вам с подбором точного аналога или замены подшипника. Просто позвоните нам по телефону +7 (495) 104-99-04 или напишите на почту zakaz@podsnab.ru.
Для оперативной консультации подготовьте, пожалуйста, имеющиеся данные: маркировку, размеры, тип оборудования или артикул старого подшипника.
Да, конечно! Мы высоко ценим долгосрочное сотрудничество и доверие клиентов по всей России. Для постоянных клиентов действует персональная система скидок.
Условия формируются индивидуально и зависят от:
Чтобы узнать свои условия и получить максимально выгодное предложение, свяжитесь с персональным менеджером или напишите нам на почту zakaz@podsnab.ru.
Вы можете оформить заказ несколькими способами:
Для оформления заказа от юридического лица свяжитесь с нашим отделом по работе с корпоративными клиентами по телефону +7 (495) 104-99-04 или напишите на email zakaz@podsnab.ru, прикрепив реквизиты вашей организации.
Мы оперативно подготовим коммерческое предложение и выставим счет.
Возврат товара надлежащего качества возможен в течение 10 дней с момента получения, если товар не был в употреблении, сохранен товарный вид, упаковка не вскрывалась и присутствуют все сопроводительные документы.
Возврат денежных средств осуществляется в течение 10 рабочих дней после проверки товара складом.
В соответствии с законодательством возврату не подлежат подшипники надлежащего качества, если отсутствует оригинальная упаковка или имеются следы монтажа.
В случае выявления брака или гарантийного случая мы гарантируем возврат или обмен товара.
Да, гарантийный срок хранения устанавливается заводом-изготовителем и в среднем составляет 2 года при соблюдении условий хранения: сухое помещение, оригинальная упаковка и смазка.
Точный срок для конкретного типа подшипника уточняйте у наших менеджеров.
Пн–Пт: с 8:00 до 17:00 (МСК).
Сб–Вс: выходные дни.
Заказы на сайте принимаются круглосуточно. Заявки, поступившие после окончания рабочего дня, обрабатываются на следующий рабочий день.
Минимальная сумма заказа для доставки составляет 3000 рублей. Самовывоз со склада возможен на любую сумму при наличии товара.
ООО «УралТехГрупп»
ИНН: 7415093830
КПП: 772401001
ОГРН: 1167456069021
Банк: ПАО Сбербанк
Р/с: 40702810838000475273
К/с: 30101810400000000225
БИК: 044525225
У подшипника 6008/HR22Q2 пока нет отзывов. Вы можете стать первым покупателем, поделившимся своим мнением.