Поиск подшипника
Статьи
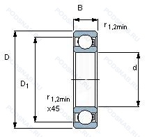
6012/HR22T2 — Шариковый радиальный подшипник, модификация основного исполнения 6012, производство SKF.
Размер подшипника: 60x95x18 мм.
Международная стандартизации ISO
6012HR22T2
В наличии
| Обозначение | Конструктивные изменения |
|---|---|
| 6012LLU C3/2A | Внутренний зазор больше нормального. Контактное резиновое уплотнение с двух сторон. Lubricant. Shell Oil Co.. Alvania #2 Grease. Mil-G-18709A. |
| 6012-2RSR-L409-C3 | Внутренний зазор больше нормального. Резиновые уплотнения с каждой стороны подшипника. Смазка (в зависимости от заказчика). |
| 6012-2Z-L138 | Зазорные уплотнения с обеих сторон.. NS Hi-Lube Grease Lithium Soap. Temperature Range -40°C/+130°C. |
| 6012-2Z-T51A-L198 | Защитные металлические шайбы с обеих сторон. Подшипники качения с ограниченными допусками по ширине. Смазка. |
| 6012VV C3/AV2S | Внутренний зазор больше нормального. Lubricant. Shell Oil Co.. Alvania #2 Grease. 1/4 Full. Temperature Range = -10°C / + 110°C (Normal Temperature Grease). Защитные металлические шайбы с двух сторон подшипника (лучше. чем ZZ (пригодно для использования в условиях умеренной запыленности)) Бесконтактного уплотнения. |
| 6012 2RS2 | Два контактных уплотнения из фторкаучука (FPM) с усилением из листовой стали (высокотемпературные). |
| 6012T CG12 P4 | Фенольный сепаратор. Класс точности Р4 по ISO (точнее. чем P5) - Abec.7. Специальный радиальный зазор. |
| 6012-2RS1/HT51 | Усиленные листовой сталью контактные уплотнения из акрилонитрил-бутадиенового каучука (NBR) с обеих сторон подшипника. Polyuera Grease. High-Temp. 110cSt @ 40°C. -30°C/+140°C. |
| 6012.2RS2.C3 | Внутренний зазор больше нормального. Два контактных уплотнения из фторкаучука (FPM) с усилением из листовой стали (высокотемпературные). |
| 6012LLBCM/5K | Уплотнение бесконтактного типа из синтетического каучука. Шариковый подшипник. Специальный радиальный внутренний зазор для электродвигателей. Grease/ Kyodo Yushi / Multemp SRL (-40°C to +150°C). |
| 6012ZENRC3 | Внутренний зазор больше нормального. Канавка под стопорное кольцо на наружном кольце с соответствующим стопорным кольцом. щит из листовой прессованной стали с одной стороны подшипника. |
| 6012DDU C3 | Внутренний зазор больше нормального. Резиновые уплотнения с каждой стороны подшипника. |
| 6012ZZC3/5K | Внутренний зазор больше нормального. Защитные стальные шайбы с обеих сторон. Grease/ Kyodo Yushi / Multemp SRL (-40°C to +150°C). |
| 6012.EEC3 | Резиновые уплотнения с каждой стороны подшипника. |
| 6012-H-2RSR-SN-C3 | Внутренний зазор больше нормального. Стандартное качество. Резиновые уплотнения с каждой стороны подшипника. Кольца подшипника стабилизированы по размерам до 120°C.. |
| 6012-H-2Z-SN-C3 | Внутренний зазор больше нормального. Защитные металлические шайбы с обеих сторон. Стандартное качество. Кольца подшипника стабилизированы по размерам до 120°C.. |
| 6012-H-2RSR-SN | Стандартное качество. Резиновые уплотнения с каждой стороны подшипника. Кольца подшипника стабилизированы по размерам до 120°C.. |
| 6012-H-2Z-SN | Защитные металлические шайбы с обеих сторон. Стандартное качество. Кольца подшипника стабилизированы по размерам до 120°C.. |
| 6012-H-SN | Стандартное качество. Кольца подшипника стабилизированы по размерам до 120°C.. |
| 6012-H-SN-C3 | Внутренний зазор больше нормального. Стандартное качество. Кольца подшипника стабилизированы по размерам до 120°C.. |
| 6012-2Z-L069-C3 | Внутренний зазор больше нормального. Зазорные уплотнения с обеих сторон.. Insert Bearing Grease For Wide Temperature Range - Polycarbamide Ester Oil - –40°C to +180°C. |
| 6012ZZ CMD/EEMS | Стандартное заполнение. Два боковых защитных уплотнения. Шариковый подшипник. Специальный радиальный внутренний зазор для электродвигателей. Exxon-Mobil Polyrex EM. |
| 6012ZZ C3E/DEEMS | Шарикоподшипник. Однорядный электродвигатель. Уровень шума. Защитные металлические шайбы с обеих сторон. Внутренний зазор больше нормы. Класс электродвигателя. |
| 6012-2RZ | Шарикоподшипник. С уплотнением и низким коэффициентом трения с обеих сторон. Уплотнение состоит из шайбы из листовой стали с вулканизированной резиной. |
| 6012-RZ | Один стальное уплотнение и одно резиновое. |
Модификации шарикового подшипника 6012/HR22T2 — это измененное основное конструктивное исполнение 6012, основные размеры (60x95x18) не отличаются.
| Обозначение | Гост | Конструктивные особенности |
|---|---|---|
| 9112К | ISO | Шариковый радиальный подшипник. |
| 7012 DB/P7 | ISO | Two Single Row Deep Groove Ball Bearings. Single Row Angular Contact Ball Bearings Or Single Row Tapered Roller Bearings Matched For Mounting In A Back-To-Back Arrangement. Точность размеров соответствует классу ISO 4. Точность хода лучше. чем ISO Class 4. |
| 7012 FB/P7 | ISO | Точность размеров соответствует классу ISO 4. Точность хода лучше. чем ISO Class 4. 18° Угол контакта. High Speed Design. |
| C7012 DB/P7 | ISO | Тороидальный подшипник CARB. Two Single Row Deep Groove Ball Bearings. Single Row Angular Contact Ball Bearings Or Single Row Tapered Roller Bearings Matched For Mounting In A Back-To-Back Arrangement. Точность размеров соответствует классу ISO 4. Точность хода лучше. чем ISO Class 4. |
| C7012 FB/P7 | ISO | Тороидальный подшипник CARB. Точность размеров соответствует классу ISO 4. Точность хода лучше. чем ISO Class 4. 18° Угол контакта. High Speed Design. |
| S7012 DB/P7 | ISO | Two Single Row Deep Groove Ball Bearings. Single Row Angular Contact Ball Bearings Or Single Row Tapered Roller Bearings Matched For Mounting In A Back-To-Back Arrangement. Точность размеров соответствует классу ISO 4. Точность хода лучше. чем ISO Class 4. |
| S7012 FB/P7 | ISO | Точность размеров соответствует классу ISO 4. Точность хода лучше. чем ISO Class 4. 18° Угол контакта. High Speed Design. |
| SC7012 DB/P7 | ISO | Two Single Row Deep Groove Ball Bearings. Single Row Angular Contact Ball Bearings Or Single Row Tapered Roller Bearings Matched For Mounting In A Back-To-Back Arrangement. Точность размеров соответствует классу ISO 4. Точность хода лучше. чем ISO Class 4. |
| SC7012 FB/P7 | ISO | Точность размеров соответствует классу ISO 4. Точность хода лучше. чем ISO Class 4. 18° Угол контакта. High Speed Design. |
| 6112 | ГОСТ | Шариковый радиальный подшипник. |
Аналог шарикового подшипника 6012/HR22T2 — это подшипник такого же размера dx60,Dx95,Bx18, типа и конструкции.
| Обозначение | Конструктивные особенности | Внутренний (d) | Наружный (D) | Ширина (B) |
|---|---|---|---|---|
| 46112-Л | Шариковый радиально-упорный однорядный подшипник. Сепаратор из латуни.. | 60.00 | 95.00 | 18.00 |
| 46112E5 | Шариковый радиально-упорный однорядный подшипник. Смазочные отверстия и канавки во внутреннем кольце. | 60.00 | 95.00 | 18.00 |
| 46112K | Шариковый радиально-упорный однорядный подшипник. Коническое отверстие. Конусность 1/12. | 60.00 | 95.00 | 18.00 |
| 46112К | Шариковый радиально-упорный однорядный подшипник. «Замок» (скос) на внутреннем кольце плюс массивный сепаратор из текстолита. | 60.00 | 95.00 | 18.00 |
| 5-112 Б1 | Шариковый радиальный однорядный подшипник. Сепаратор из безоловянистой бронзы.. | 60.00 | 95.00 | 18.00 |
| 5-112 Л | Шариковый радиальный однорядный подшипник. Сепаратор из латуни.. | 60.00 | 95.00 | 18.00 |
| 5-36112 К | Шариковый радиально-упорный однорядный подшипник. «Замок» (скос) на внутреннем кольце плюс массивный сепаратор из текстолита. | 60.00 | 95.00 | 18.00 |
| 5-46112 Е | Шариковый радиально-упорный однорядный подшипник. Сепаратор из текстолита.. | 60.00 | 95.00 | 18.00 |
| 5-46112 Е2 | Шариковый радиально-упорный однорядный подшипник. Сепаратор из пластических материалов.. | 60.00 | 95.00 | 18.00 |
| 5-46112 Е5 | Шариковый радиально-упорный однорядный подшипник. Сепаратор из текстолита.. | 60.00 | 95.00 | 18.00 |
| 5-46112 К | Шариковый радиально-упорный однорядный подшипник. «Замок» (скос) на внутреннем кольце плюс массивный сепаратор из текстолита. | 60.00 | 95.00 | 18.00 |
| 5-46112 Л | Шариковый радиально-упорный однорядный подшипник. Сепаратор из латуни.. | 60.00 | 95.00 | 18.00 |
| 6-112 Б1 | Шариковый радиальный однорядный подшипник. Сепаратор из безоловянистой бронзы.. | 60.00 | 95.00 | 18.00 |
| 6-112 Л | Шариковый радиальный однорядный подшипник. Сепаратор из латуни.. | 60.00 | 95.00 | 18.00 |
| 6-112 Ю | Шариковый радиальный однорядный подшипник. Все детали или часть деталей из нержавеющей стали.. | 60.00 | 95.00 | 18.00 |
Способы доставки
Отправка через ведущие транспортные и курьерские компании: ПЭК, Деловые Линии, СДЭК, Байкал-Сервис, Энергия, КИТ, ЖелДорЭкспедиция.
Самовывоз возможен напрямую со склада в Москве.
Сроки доставки
Срок зависит от региона и выбранной транспортной компании. Все заказы комплектуются и отправляются в кратчайшие сроки со склада в Москве.
Надёжность и сохранность
Вся продукция упаковывается с учётом требований транспортировки. Мы гарантируем, что подшипники и комплектующие прибудут к заказчику в полной сохранности.
Доставка в страны ЕАЭС
Мы работаем с проверенными логистическими партнёрами, что позволяет оперативно доставлять заказы в Беларусь, Казахстан, Армению и другие страны ЕАЭС.
Варианты оплаты:
Минимальная сумма заказа и скидки:
Документы и гарантии:
Да, конечно! Наши технические специалисты готовы помочь вам с подбором точного аналога или замены подшипника. Просто позвоните нам по телефону +7 (495) 104-99-04 или напишите на почту zakaz@podsnab.ru.
Для оперативной консультации подготовьте, пожалуйста, имеющиеся данные: маркировку, размеры, тип оборудования или артикул старого подшипника.
Да, конечно! Мы высоко ценим долгосрочное сотрудничество и доверие клиентов по всей России. Для постоянных клиентов действует персональная система скидок.
Условия формируются индивидуально и зависят от:
Чтобы узнать свои условия и получить максимально выгодное предложение, свяжитесь с персональным менеджером или напишите нам на почту zakaz@podsnab.ru.
Вы можете оформить заказ несколькими способами:
Для оформления заказа от юридического лица свяжитесь с нашим отделом по работе с корпоративными клиентами по телефону +7 (495) 104-99-04 или напишите на email zakaz@podsnab.ru, прикрепив реквизиты вашей организации.
Мы оперативно подготовим коммерческое предложение и выставим счет.
Возврат товара надлежащего качества возможен в течение 10 дней с момента получения, если товар не был в употреблении, сохранен товарный вид, упаковка не вскрывалась и присутствуют все сопроводительные документы.
Возврат денежных средств осуществляется в течение 10 рабочих дней после проверки товара складом.
В соответствии с законодательством возврату не подлежат подшипники надлежащего качества, если отсутствует оригинальная упаковка или имеются следы монтажа.
В случае выявления брака или гарантийного случая мы гарантируем возврат или обмен товара.
Да, гарантийный срок хранения устанавливается заводом-изготовителем и в среднем составляет 2 года при соблюдении условий хранения: сухое помещение, оригинальная упаковка и смазка.
Точный срок для конкретного типа подшипника уточняйте у наших менеджеров.
Пн–Пт: с 8:00 до 17:00 (МСК).
Сб–Вс: выходные дни.
Заказы на сайте принимаются круглосуточно. Заявки, поступившие после окончания рабочего дня, обрабатываются на следующий рабочий день.
Минимальная сумма заказа для доставки составляет 3000 рублей. Самовывоз со склада возможен на любую сумму при наличии товара.
ООО «УралТехГрупп»
ИНН: 7415093830
КПП: 772401001
ОГРН: 1167456069021
Банк: ПАО Сбербанк
Р/с: 40702810838000475273
К/с: 30101810400000000225
БИК: 044525225
У подшипника 6012/HR22T2 пока нет отзывов. Вы можете стать первым покупателем, поделившимся своим мнением.