Поиск подшипника
Статьи
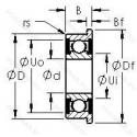
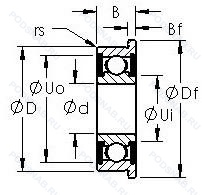
F607H-2RS — Шариковый радиальный подшипник, модификация основного исполнения F607, производство AST.
Размер подшипника: 7x19x6 мм.
Резиновые уплотнения с каждой стороны подшипника, pressed snap-type steel cage. hardened.
Международная стандартизации ISO
F607H2RS
В наличии
| Обозначение | Конструктивные изменения |
|---|---|
| F607ZZ | Защитные металлические шайбы (бесконтактные уплотнения) с обеих сторон подшипника. Радиальный шарикоподшипник с фланцем. |
| F607-2Z-HLC | Зазорные уплотнения с обеих сторон подшипника.. Код местонахождения завода. может использоваться в стандартной комплектации. |
| F607-H-ZZMC3MAZ | Защитные металлические шайбы с обеих сторон. Без латунного сепаратора. Стандартный радиальный зазор для радиальных шарикоподшипников с отверстием. Нержавеющая сталь. (Миниатюрные радиальные шарикоподшипники серии Metric. M = без латунного сепаратора) = Нормальный радиальный внутренний зазор. |
| F607.2Z | Защитные металлические шайбы с обеих сторон. |
| F607H | Pressed Snap-Type Steel Cage. Hardened. |
| F 607 | Механически обработанный сепаратор из стали или специального чугуна. |
| F607-2RS | Контактные уплотнения типа RS с обеих сторон игольчатого роликоподшипника. |
| F607DD | Подшипник с фланцевым наружным кольцом. Два уплотнения из PTFE. |
| F607ZZ1 | Подшипник с фланцевым наружным кольцом. Защитные из нержавеющей стали шайбы с двух сторон подшипника. |
| F607VV | Подшипник с фланцевым наружным кольцом. Защитные металлические шайбы. с обеих сторон подшипника. Бесконтактное уплотнение. (лучше. чем ZZ. Можно использовать в умеренно запыленной среде). |
Модификации шарикового подшипника F607H-2RS — это измененное основное конструктивное исполнение F607, основные размеры (7x19x6) не отличаются.
| Обозначение | Гост | Конструктивные особенности |
|---|---|---|
| 6-26-Г | ГОСТ | Сепаратор из черных металлов.. |
| 607H | ISO | Pressed Snap-Type Steel Cage. Hardened. |
| 626H | ISO | Pressed Snap-Type Steel Cage. Hardened. |
| 698H | ISO | Pressed Snap-Type Steel Cage. Hardened. |
| F626H | ISO | Pressed Snap-Type Steel Cage. Hardened. |
| F626H-2RS | ISO | Резиновые уплотнения с каждой стороны подшипника. Pressed Snap-Type Steel Cage. Hardened. |
| F698H-TT | ISO | Pressed Snap-Type Steel Cage. Hardened. Комплект из трех согласованных однорядных радиально-упорных шарикоподшипников или радиально-упорных шарикоподшипников, расположенных тандемно. |
| W 607 R | ISO | Нержавеющая сталь. С выпуклыми асимметричными роликами и обработанным сепаратором. |
| W 607-2RZ | ISO | Шарикоподшипник. С уплотнением и низким коэффициентом трения с обеих сторон. Уплотнение состоит из шайбы из листовой стали с вулканизированной резиной. Нержавеющая сталь. |
| W 607 R-2RZ | ISO | Шарикоподшипник. С уплотнением и низким коэффициентом трения с обеих сторон. Уплотнение состоит из шайбы из листовой стали с вулканизированной резиной. Нержавеющая сталь. С выпуклыми асимметричными роликами и обработанным сепаратором. |
| W 619/8-2RZ | ISO | Шарикоподшипник. С уплотнением и низким коэффициентом трения с обеих сторон. Уплотнение состоит из шайбы из листовой стали с вулканизированной резиной. Нержавеющая сталь. Средний предварительный натяг. |
| W 619/8 | ISO | Нержавеющая сталь. Средний предварительный натяг. |
| W 619/8 R-2RS1 | ISO | Усиленные листовой сталью контактные уплотнения из акрилонитрил-бутадиенового каучука (NBR) с обеих сторон подшипника. Нержавеющая сталь. С выпуклыми асимметричными роликами и обработанным сепаратором. Средний предварительный натяг. |
| W 619/8 R-2Z | ISO | Защитные металлические шайбы с обеих сторон подшипника. Нержавеющая сталь. С выпуклыми асимметричными роликами и обработанным сепаратором. Средний предварительный натяг. |
| W 626 R | ISO | Нержавеющая сталь. С выпуклыми асимметричными роликами и обработанным сепаратором. |
| W 626 R-2RZ | ISO | Шарикоподшипник. С уплотнением и низким коэффициентом трения с обеих сторон. Уплотнение состоит из шайбы из листовой стали с вулканизированной резиной. Нержавеющая сталь. С выпуклыми асимметричными роликами и обработанным сепаратором. |
| 626-RSL | ISO | Sheet Steel Reinforced Low Friction Contact Seal Of Acrylonitrile-Butadiene Rubber (NBR) On One Side Of The Bearing. |
| 26-Л | ГОСТ | Сепаратор из латуни.. |
| 36-26 ЮТ | ГОСТ | Температура отпуска. 160°. Все детали или часть деталей из нержавеющей стали.. |
| 5-26 ЮТ | ГОСТ | Температура отпуска. 160°. Все детали или часть деталей из нержавеющей стали.. |
Аналог шарикового подшипника F607H-2RS — это подшипник такого же размера dx7,Dx19,Bx6, типа и конструкции.
| Обозначение | Конструктивные особенности | Внутренний (d) | Наружный (D) | Ширина (B) |
|---|---|---|---|---|
| 5-60066 Т2 | Шариковый радиальный однорядный подшипник. 200°. Температура отпуска. | 6.00 | 19.00 | 6.50 |
| 5-6017 К | Шариковый радиально-упорный однорядный подшипник. «Замок» (скос) на внутреннем кольце плюс массивный сепаратор из текстолита. | 7.00 | 19.00 | 6.00 |
| 5-6017 У | Шариковый радиально-упорный однорядный подшипник. Дополнительные технические требования. | 7.00 | 19.00 | 6.00 |
| 5-6026 Е1 | Шариковый радиально-упорный однорядный подшипник. Сепаратор из текстолита.. | 6.00 | 19.00 | 6.00 |
| 5-80026 К2С21 | Шариковый радиальный однорядный подшипник. «Замок» (скос) на внутреннем кольце плюс массивный сепаратор из текстолита. Смазка ЭРА. | 6.00 | 19.00 | 6.00 |
| 5-80066 С1 | Шариковый радиальный однорядный подшипник. Смазка ОКБ 122-7. | 6.00 | 19.00 | 6.50 |
| 534-1080098-КТ1УС21 | Шариковый радиальный однорядный подшипник. Дополнительные технические требования. 180°. Смазка ЭРА. Температура отпуска. | 8.00 | 19.00 | 6.00 |
| 6-1000098 Л | Шариковый радиальный однорядный подшипник. Сепаратор из латуни.. | 8.00 | 19.00 | 6.00 |
| 6-1000098 ЮТ | Шариковый радиальный однорядный подшипник. Температура отпуска. 160°. Все детали или часть деталей из нержавеющей стали.. | 8.00 | 19.00 | 6.00 |
| 6-1006-Ю | Шариковый радиальный двухрядный подшипник. Все детали или часть деталей из нержавеющей стали.. | 6.00 | 19.00 | 6.00 |
| 6-1006-ЮТ | Шариковый радиальный двухрядный подшипник. Температура отпуска. 160°. Все детали или часть деталей из нержавеющей стали.. | 6.00 | 19.00 | 6.00 |
| 6-1008096-Е | Шариковый упорный однорядный подшипник. Сепаратор из текстолита.. | 6.00 | 18.00 | 7.00 |
| 6-17 Т2 | Шариковый радиальный однорядный подшипник. 200°. Температура отпуска. | 7.00 | 19.00 | 6.00 |
| 6-17 Ю | Шариковый радиальный однорядный подшипник. Все детали или часть деталей из нержавеющей стали.. | 7.00 | 19.00 | 6.00 |
| 6-17 ЮТ | Шариковый радиальный однорядный подшипник. Температура отпуска. 160°. Все детали или часть деталей из нержавеющей стали.. | 7.00 | 19.00 | 6.00 |
Способы доставки
Отправка через ведущие транспортные и курьерские компании: ПЭК, Деловые Линии, СДЭК, Байкал-Сервис, Энергия, КИТ, ЖелДорЭкспедиция.
Самовывоз возможен напрямую со склада в Москве.
Сроки доставки
Срок зависит от региона и выбранной транспортной компании. Все заказы комплектуются и отправляются в кратчайшие сроки со склада в Москве.
Надёжность и сохранность
Вся продукция упаковывается с учётом требований транспортировки. Мы гарантируем, что подшипники и комплектующие прибудут к заказчику в полной сохранности.
Доставка в страны ЕАЭС
Мы работаем с проверенными логистическими партнёрами, что позволяет оперативно доставлять заказы в Беларусь, Казахстан, Армению и другие страны ЕАЭС.
Варианты оплаты:
Минимальная сумма заказа и скидки:
Документы и гарантии:
Да, конечно! Наши технические специалисты готовы помочь вам с подбором точного аналога или замены подшипника. Просто позвоните нам по телефону +7 (495) 104-99-04 или напишите на почту zakaz@podsnab.ru.
Для оперативной консультации подготовьте, пожалуйста, имеющиеся данные: маркировку, размеры, тип оборудования или артикул старого подшипника.
Да, конечно! Мы высоко ценим долгосрочное сотрудничество и доверие клиентов по всей России. Для постоянных клиентов действует персональная система скидок.
Условия формируются индивидуально и зависят от:
Чтобы узнать свои условия и получить максимально выгодное предложение, свяжитесь с персональным менеджером или напишите нам на почту zakaz@podsnab.ru.
Вы можете оформить заказ несколькими способами:
Для оформления заказа от юридического лица свяжитесь с нашим отделом по работе с корпоративными клиентами по телефону +7 (495) 104-99-04 или напишите на email zakaz@podsnab.ru, прикрепив реквизиты вашей организации.
Мы оперативно подготовим коммерческое предложение и выставим счет.
Возврат товара надлежащего качества возможен в течение 10 дней с момента получения, если товар не был в употреблении, сохранен товарный вид, упаковка не вскрывалась и присутствуют все сопроводительные документы.
Возврат денежных средств осуществляется в течение 10 рабочих дней после проверки товара складом.
В соответствии с законодательством возврату не подлежат подшипники надлежащего качества, если отсутствует оригинальная упаковка или имеются следы монтажа.
В случае выявления брака или гарантийного случая мы гарантируем возврат или обмен товара.
Да, гарантийный срок хранения устанавливается заводом-изготовителем и в среднем составляет 2 года при соблюдении условий хранения: сухое помещение, оригинальная упаковка и смазка.
Точный срок для конкретного типа подшипника уточняйте у наших менеджеров.
Пн–Пт: с 8:00 до 17:00 (МСК).
Сб–Вс: выходные дни.
Заказы на сайте принимаются круглосуточно. Заявки, поступившие после окончания рабочего дня, обрабатываются на следующий рабочий день.
Минимальная сумма заказа для доставки составляет 3000 рублей. Самовывоз со склада возможен на любую сумму при наличии товара.
ООО «УралТехГрупп»
ИНН: 7415093830
КПП: 772401001
ОГРН: 1167456069021
Банк: ПАО Сбербанк
Р/с: 40702810838000475273
К/с: 30101810400000000225
БИК: 044525225
У подшипника F607H-2RS пока нет отзывов. Вы можете стать первым покупателем, поделившимся своим мнением.