Поиск подшипника
Статьи
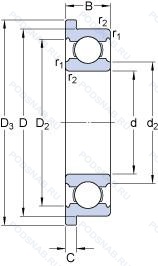
W 626 R — Шариковый радиальный подшипник, модификация основного исполнения 626, производство SKF.
Размер подшипника: 6x19x6 мм.
С выпуклыми асимметричными роликами и обработанным сепаратором.
Международная стандартизации ISO
W626R
В наличии
| Обозначение | Конструктивные изменения |
|---|---|
| 626-2Z/C3VT127 | Внутренний зазор больше нормального. Защитные металлические шайбы с обеих сторон подшипника. Lubrication Barrierta. High-Low Temperature Grease -35°C/+260°C. |
| 626-2RZ-CO7 | Шарикоподшипник. С уплотнением и низким коэффициентом трения с обеих сторон. Уплотнение состоит из шайбы из листовой стали с вулканизированной резиной. Код местонахождения завода. может использоваться в стандартной комплектации. |
| 626ZZSD99 | Защитные металлические шайбы с обеих сторон. Special Design Spec. |
| 626-2Z-CM | Защитные металлические шайбы с обеих сторон. Шариковый подшипник. Специальный радиальный внутренний зазор для электродвигателей. |
| 626-A-4DDMC3E | Двухрядный радиально-упорный шарикоподшипник без отверстия для смазки. Тихая работа. Резиновые уплотнения с каждой стороны подшипника. Улучшенный нормальный зазор (без латунного сепаратора). |
| 626+6 | Exxon Aviation Instrument Oil. |
| 626DD+6 | Два уплотнения из PTFE. Exxon Aviation Instrument Oil. |
| 626ZZ+6 | Защитные металлические шайбы с обеих сторон. Exxon Aviation Instrument Oil. |
| 626.2RSW5 | Резиновые уплотнения с каждой стороны подшипника. Ширина 5.15 мм. |
| 626EE C3 | Внутренний зазор больше нормального. Резиновые уплотнения с каждой стороны подшипника. |
| 626ZZ M1 C4 | Внутренний зазор подшипника больше. чем C3. Защитные металлические шайбы с обеих сторон. Electrical Motor Quality. |
| 626-2Z C3 GPR J G340 | Внутренний зазор больше нормального. Сепаратор изготовлен из нержавеющей листовой стали. Защитные стальные шайбы с обеих сторон. Испытание на шум. Longtime PD2 Lubrication -35 to +140° C. |
| 626-2Z GPR E G330 | Сепаратор изготовлен из листовой стали. Защитные металлические шайбы с обеих сторон. Испытание на шум. Klüber Isoflex LDS 18 Special A. Temperature Range/ -50°C (-58°F)/+120°C (248°F). |
| 626VV MC3E | Защитные металлические шайбы. с обеих сторон подшипника. Бесконтактное уплотнение. (лучше. чем ZZ. Можно использовать в умеренно запыленной среде). (Миниатюрные радиальные шарикоподшипники серии Metric. M = без латунного сепаратора) = Нормальный радиальный внутренний зазор. |
| 626PP-1.4401 | Polyamide Bearing + Stainless Steel Balls. |
| 626H | Pressed Snap-Type Steel Cage. Hardened. |
| W 626 R-2RZ | Шарикоподшипник. С уплотнением и низким коэффициентом трения с обеих сторон. Уплотнение состоит из шайбы из листовой стали с вулканизированной резиной. Нержавеющая сталь. С выпуклыми асимметричными роликами и обработанным сепаратором. |
| 626-RSL | Sheet Steel Reinforced Low Friction Contact Seal Of Acrylonitrile-Butadiene Rubber (NBR) On One Side Of The Bearing. |
| 626-2RD | Облегченное контактное уплотнение с двух сторон.. |
| 626SS | Две резиновые защитные шайбы. |
| 626 ZZ1 | Защитные из нержавеющей стали шайбы с двух сторон подшипника. |
| W 626 R-2RS1 | Усиленные листовой сталью контактные уплотнения из акрилонитрил-бутадиенового каучука (NBR) с обеих сторон подшипника. Нержавеющая сталь. С выпуклыми асимметричными роликами и обработанным сепаратором. |
| W 626 R-2Z | Защитные металлические шайбы с обеих сторон подшипника. Нержавеющая сталь. С выпуклыми асимметричными роликами и обработанным сепаратором. |
| 626-2Z.T9H.C3 | Внутренний зазор больше нормального. Защитные металлические шайбы с обеих сторон подшипника. Защелкивающийся сепаратор. Усиленный стекловолокном полиамид. Шариковые тела качения. |
| 626/21-2Z | Защитные металлические шайбы с обеих сторон подшипника. 1.5/16. |
Модификации шарикового подшипника W 626 R — это измененное основное конструктивное исполнение 626, основные размеры (6x19x6) не отличаются.
| Обозначение | Гост | Конструктивные особенности |
|---|---|---|
| 6-26-Г | ГОСТ | Сепаратор из черных металлов.. |
| 607H | ISO | Pressed Snap-Type Steel Cage. Hardened. |
| 635H-2RS | ISO | Резиновые уплотнения с каждой стороны подшипника. Pressed Snap-Type Steel Cage. Hardened. |
| F607H | ISO | Pressed Snap-Type Steel Cage. Hardened. |
| F607H-2RS | ISO | Резиновые уплотнения с каждой стороны подшипника. Pressed Snap-Type Steel Cage. Hardened. |
| F626H | ISO | Pressed Snap-Type Steel Cage. Hardened. |
| F626H-2RS | ISO | Резиновые уплотнения с каждой стороны подшипника. Pressed Snap-Type Steel Cage. Hardened. |
| F635H | ISO | Pressed Snap-Type Steel Cage. Hardened. |
| F635H-2RS | ISO | Резиновые уплотнения с каждой стороны подшипника. Pressed Snap-Type Steel Cage. Hardened. |
| W 607 R | ISO | Нержавеющая сталь. С выпуклыми асимметричными роликами и обработанным сепаратором. |
| W 607-2RZ | ISO | Шарикоподшипник. С уплотнением и низким коэффициентом трения с обеих сторон. Уплотнение состоит из шайбы из листовой стали с вулканизированной резиной. Нержавеющая сталь. |
| W 607 R-2RZ | ISO | Шарикоподшипник. С уплотнением и низким коэффициентом трения с обеих сторон. Уплотнение состоит из шайбы из листовой стали с вулканизированной резиной. Нержавеющая сталь. С выпуклыми асимметричными роликами и обработанным сепаратором. |
| W 635 R-2RS1 | ISO | Усиленные листовой сталью контактные уплотнения из акрилонитрил-бутадиенового каучука (NBR) с обеих сторон подшипника. Нержавеющая сталь. С выпуклыми асимметричными роликами и обработанным сепаратором. |
| W 635 R-2Z | ISO | Защитные металлические шайбы с обеих сторон подшипника. Нержавеющая сталь. С выпуклыми асимметричными роликами и обработанным сепаратором. |
| 635-RS1 | ISO | Резиновое уплотнение с одной стороны. |
| 635-2RS1 | ISO | Усиленные листовой сталью контактные уплотнения из акрилонитрил-бутадиенового каучука (NBR) с обеих сторон подшипника. |
| 26-Л | ГОСТ | Сепаратор из латуни.. |
| 36-26 ЮТ | ГОСТ | Температура отпуска. 160°. Все детали или часть деталей из нержавеющей стали.. |
| 6-35 Л | ГОСТ | Сепаратор из латуни.. |
| 5-26 ЮТ | ГОСТ | Температура отпуска. 160°. Все детали или часть деталей из нержавеющей стали.. |
Аналог шарикового подшипника W 626 R — это подшипник такого же размера dx6,Dx19,Bx6, типа и конструкции.
| Обозначение | Конструктивные особенности | Внутренний (d) | Наружный (D) | Ширина (B) |
|---|---|---|---|---|
| 5-6017 К | Шариковый радиально-упорный однорядный подшипник. «Замок» (скос) на внутреннем кольце плюс массивный сепаратор из текстолита. | 7.00 | 19.00 | 6.00 |
| 5-6017 У | Шариковый радиально-упорный однорядный подшипник. Дополнительные технические требования. | 7.00 | 19.00 | 6.00 |
| 5-6026 Е1 | Шариковый радиально-упорный однорядный подшипник. Сепаратор из текстолита.. | 6.00 | 19.00 | 6.00 |
| 5-640065-КП | Шариковый радиальный однорядный подшипник. «Замок» (скос) на внутреннем кольце плюс массивный сепаратор из текстолита. | 5.00 | 20.00 | 5.00 |
| 5-640065-КУП | Шариковый радиальный однорядный подшипник. «Замок» (скос) на внутреннем кольце плюс массивный сепаратор из текстолита. Дополнительные технические требования. | 5.00 | 20.00 | 5.00 |
| 5-640065-М | Шариковый радиальный однорядный подшипник. Модифицированный контакт.. | 5.00 | 20.00 | 5.00 |
| 5-640065-МП | Шариковый радиальный однорядный подшипник. Модифицированный контакт.. | 5.00 | 20.00 | 5.00 |
| 5-80026 К2С21 | Шариковый радиальный однорядный подшипник. «Замок» (скос) на внутреннем кольце плюс массивный сепаратор из текстолита. Смазка ЭРА. | 6.00 | 19.00 | 6.00 |
| 5-80066 С1 | Шариковый радиальный однорядный подшипник. Смазка ОКБ 122-7. | 6.00 | 19.00 | 6.50 |
| 6-1006-Ю | Шариковый радиальный двухрядный подшипник. Все детали или часть деталей из нержавеющей стали.. | 6.00 | 19.00 | 6.00 |
| 6-1006-ЮТ | Шариковый радиальный двухрядный подшипник. Температура отпуска. 160°. Все детали или часть деталей из нержавеющей стали.. | 6.00 | 19.00 | 6.00 |
| 6-1008096-Е | Шариковый упорный однорядный подшипник. Сепаратор из текстолита.. | 6.00 | 18.00 | 7.00 |
| 6-17 Т2 | Шариковый радиальный однорядный подшипник. 200°. Температура отпуска. | 7.00 | 19.00 | 6.00 |
| 6-17 Ю | Шариковый радиальный однорядный подшипник. Все детали или часть деталей из нержавеющей стали.. | 7.00 | 19.00 | 6.00 |
| 6-17 ЮТ | Шариковый радиальный однорядный подшипник. Температура отпуска. 160°. Все детали или часть деталей из нержавеющей стали.. | 7.00 | 19.00 | 6.00 |
Способы доставки
Отправка через ведущие транспортные и курьерские компании: ПЭК, Деловые Линии, СДЭК, Байкал-Сервис, Энергия, КИТ, ЖелДорЭкспедиция.
Самовывоз возможен напрямую со склада в Москве.
Сроки доставки
Срок зависит от региона и выбранной транспортной компании. Все заказы комплектуются и отправляются в кратчайшие сроки со склада в Москве.
Надёжность и сохранность
Вся продукция упаковывается с учётом требований транспортировки. Мы гарантируем, что подшипники и комплектующие прибудут к заказчику в полной сохранности.
Доставка в страны ЕАЭС
Мы работаем с проверенными логистическими партнёрами, что позволяет оперативно доставлять заказы в Беларусь, Казахстан, Армению и другие страны ЕАЭС.
Варианты оплаты:
Минимальная сумма заказа и скидки:
Документы и гарантии:
Да, конечно! Наши технические специалисты готовы помочь вам с подбором точного аналога или замены подшипника. Просто позвоните нам по телефону +7 (495) 104-99-04 или напишите на почту zakaz@podsnab.ru.
Для оперативной консультации подготовьте, пожалуйста, имеющиеся данные: маркировку, размеры, тип оборудования или артикул старого подшипника.
Да, конечно! Мы высоко ценим долгосрочное сотрудничество и доверие клиентов по всей России. Для постоянных клиентов действует персональная система скидок.
Условия формируются индивидуально и зависят от:
Чтобы узнать свои условия и получить максимально выгодное предложение, свяжитесь с персональным менеджером или напишите нам на почту zakaz@podsnab.ru.
Вы можете оформить заказ несколькими способами:
Для оформления заказа от юридического лица свяжитесь с нашим отделом по работе с корпоративными клиентами по телефону +7 (495) 104-99-04 или напишите на email zakaz@podsnab.ru, прикрепив реквизиты вашей организации.
Мы оперативно подготовим коммерческое предложение и выставим счет.
Возврат товара надлежащего качества возможен в течение 10 дней с момента получения, если товар не был в употреблении, сохранен товарный вид, упаковка не вскрывалась и присутствуют все сопроводительные документы.
Возврат денежных средств осуществляется в течение 10 рабочих дней после проверки товара складом.
В соответствии с законодательством возврату не подлежат подшипники надлежащего качества, если отсутствует оригинальная упаковка или имеются следы монтажа.
В случае выявления брака или гарантийного случая мы гарантируем возврат или обмен товара.
Да, гарантийный срок хранения устанавливается заводом-изготовителем и в среднем составляет 2 года при соблюдении условий хранения: сухое помещение, оригинальная упаковка и смазка.
Точный срок для конкретного типа подшипника уточняйте у наших менеджеров.
Пн–Пт: с 8:00 до 17:00 (МСК).
Сб–Вс: выходные дни.
Заказы на сайте принимаются круглосуточно. Заявки, поступившие после окончания рабочего дня, обрабатываются на следующий рабочий день.
Минимальная сумма заказа для доставки составляет 3000 рублей. Самовывоз со склада возможен на любую сумму при наличии товара.
ООО «УралТехГрупп»
ИНН: 7415093830
КПП: 772401001
ОГРН: 1167456069021
Банк: ПАО Сбербанк
Р/с: 40702810838000475273
К/с: 30101810400000000225
БИК: 044525225
У подшипника W 626 R пока нет отзывов. Вы можете стать первым покупателем, поделившимся своим мнением.