Поиск подшипника
Статьи
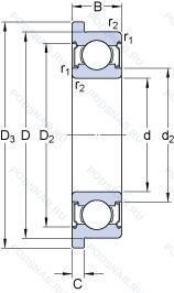
W 635 R-2Z — Шариковый радиальный подшипник, модификация основного исполнения 635, производство SKF.
Размер подшипника: 5x19x6 мм.
Защитные металлические шайбы с обеих сторон подшипника, с выпуклыми асимметричными роликами и обработанным сепаратором.
Международная стандартизации ISO
W635R2Z
В наличии
| Обозначение | Конструктивные изменения |
|---|---|
| 635-2Z/C3GJN | Внутренний зазор больше нормального. Защитные металлические шайбы с обеих сторон подшипника. Grease With Polyurea Thickener Of Consistency 2 To The NLGI Scale For Temperature Range -30°C/+150°C (Normal Filling Grade). |
| 635H | Нержавеющая сталь. |
| 635RS | Резиновое уплотнение с одной стороны. |
| 635UMC3 | Радиальный шарикоподшипник с уплотнительными канавками. (Миниатюрные радиальные шарикоподшипники серии Metric. M = без латунного сепаратора) = Нормальный радиальный внутренний зазор. |
| 635-2Z/SS | Защитные металлические шайбы с обеих сторон. Нержавеющая сталь. |
| 635-2RSR-HLN | Резиновые уплотнения с каждой стороны подшипника. Код местонахождения завода. может использоваться в стандартной комплектации. |
| 635DD+6 | Два уплотнения из PTFE. Exxon Aviation Instrument Oil. |
| 635ZZ+6 | Защитные металлические шайбы с обеих сторон. Exxon Aviation Instrument Oil. |
| 635GPR J | Сепаратор изготовлен из нержавеющей листовой стали. Испытание на шум. |
| 635/21.2RS | Резиновые уплотнения с каждой стороны подшипника. 1.5/16. |
| 635/632-B | Конический роликовый подшипник. Угол контакта 20 градусов. |
| 635/632D+X1S-635 | Tail Code. |
| 635H-2RS | Резиновые уплотнения с каждой стороны подшипника. Pressed Snap-Type Steel Cage. Hardened. |
| W 635 R-2RS1 | Усиленные листовой сталью контактные уплотнения из акрилонитрил-бутадиенового каучука (NBR) с обеих сторон подшипника. Нержавеющая сталь. С выпуклыми асимметричными роликами и обработанным сепаратором. |
| 635-RS1 | Резиновое уплотнение с одной стороны. |
| 635-2RS1 | Усиленные листовой сталью контактные уплотнения из акрилонитрил-бутадиенового каучука (NBR) с обеих сторон подшипника. |
| 635-RZ | Один стальное уплотнение и одно резиновое. |
| 635-2RZ | Шарикоподшипник. С уплотнением и низким коэффициентом трения с обеих сторон. Уплотнение состоит из шайбы из листовой стали с вулканизированной резиной. |
| 635-2RD | Облегченное контактное уплотнение с двух сторон.. |
| 635 ZZ1 | Защитные из нержавеющей стали шайбы с двух сторон подшипника. |
| 635 VV | Защитные металлические шайбы. с обеих сторон подшипника. Бесконтактное уплотнение. (лучше. чем ZZ. Можно использовать в умеренно запыленной среде). |
| 635LLU | Контактное резиновое уплотнение с двух сторон. |
| 635LLB | Уплотнение бесконтактного типа из синтетического каучука. |
| 635-2RS C3 | Внутренний зазор больше нормального. Резиновые уплотнения с каждой стороны подшипника. |
| W 635 R | Нержавеющая сталь. С выпуклыми асимметричными роликами и обработанным сепаратором. |
Модификации шарикового подшипника W 635 R-2Z — это измененное основное конструктивное исполнение 635, основные размеры (5x19x6) не отличаются.
| Обозначение | Гост | Конструктивные особенности |
|---|---|---|
| 35KD | ISO | Компоненты с покрытием Protect A имеют суффикс - KD. Protect A - это покрытие из чистого хрома с колончатой структурой поверхности. При использовании Protect A каретки с покрытием и направляющие с покрытием должны всегда комбинироваться. Если каретки с покрытием используются с направляющими без покрытия. например. это приведет к уменьшению преднатяга.. |
| 35KDD | ISO | Защитные металлические шайбы по обе стороны подшипника с цилиндрическим наружным диаметром. |
| 26-Ю | ГОСТ | Все детали или часть деталей из нержавеющей стали.. |
| 6-26-Г | ГОСТ | Сепаратор из черных металлов.. |
| 640065 | ГОСТ | Шариковый радиальный подшипник. |
| 626H | ISO | Pressed Snap-Type Steel Cage. Hardened. |
| F626H | ISO | Pressed Snap-Type Steel Cage. Hardened. |
| F626H-2RS | ISO | Резиновые уплотнения с каждой стороны подшипника. Pressed Snap-Type Steel Cage. Hardened. |
| F635H | ISO | Pressed Snap-Type Steel Cage. Hardened. |
| F635H-2RS | ISO | Резиновые уплотнения с каждой стороны подшипника. Pressed Snap-Type Steel Cage. Hardened. |
| W 626 R | ISO | Нержавеющая сталь. С выпуклыми асимметричными роликами и обработанным сепаратором. |
| W 626 R-2RZ | ISO | Шарикоподшипник. С уплотнением и низким коэффициентом трения с обеих сторон. Уплотнение состоит из шайбы из листовой стали с вулканизированной резиной. Нержавеющая сталь. С выпуклыми асимметричными роликами и обработанным сепаратором. |
| 626-RSL | ISO | Sheet Steel Reinforced Low Friction Contact Seal Of Acrylonitrile-Butadiene Rubber (NBR) On One Side Of The Bearing. |
| 205-26 | ГОСТ | Шариковый радиальный подшипник. |
| 26-Л | ГОСТ | Сепаратор из латуни.. |
| 36-26 ЮТ | ГОСТ | Температура отпуска. 160°. Все детали или часть деталей из нержавеющей стали.. |
| 4-26 | ГОСТ | Шариковый радиальный подшипник. |
| 6-35 | ГОСТ | Шариковый радиальный подшипник. |
| 6-35 Л | ГОСТ | Сепаратор из латуни.. |
| 5-26 ЮТ | ГОСТ | Температура отпуска. 160°. Все детали или часть деталей из нержавеющей стали.. |
Аналог шарикового подшипника W 635 R-2Z — это подшипник такого же размера dx5,Dx19,Bx6, типа и конструкции.
| Обозначение | Конструктивные особенности | Внутренний (d) | Наружный (D) | Ширина (B) |
|---|---|---|---|---|
| 5-26 Р4 | Шариковый радиальный однорядный подшипник. Детали из теплоустойчивой (быстрорежущие) стали.. | 6.00 | 19.00 | 6.00 |
| 5-26 Т2 | Шариковый радиальный однорядный подшипник. 200°. Температура отпуска. | 6.00 | 19.00 | 6.00 |
| 5-26Л | Шариковый радиальный однорядный подшипник. Сепаратор из латуни.. | 6.00 | 19.00 | 6.00 |
| 5-60026 ЮТ | Шариковый радиальный однорядный подшипник. Температура отпуска. 160°. Все детали или часть деталей из нержавеющей стали.. | 6.00 | 19.00 | 6.00 |
| 5-60066 Т2 | Шариковый радиальный однорядный подшипник. 200°. Температура отпуска. | 6.00 | 19.00 | 6.50 |
| 5-6026 Е1 | Шариковый радиально-упорный однорядный подшипник. Сепаратор из текстолита.. | 6.00 | 19.00 | 6.00 |
| 5-640065-КП | Шариковый радиальный однорядный подшипник. «Замок» (скос) на внутреннем кольце плюс массивный сепаратор из текстолита. | 5.00 | 20.00 | 5.00 |
| 5-640065-КУП | Шариковый радиальный однорядный подшипник. «Замок» (скос) на внутреннем кольце плюс массивный сепаратор из текстолита. Дополнительные технические требования. | 5.00 | 20.00 | 5.00 |
| 5-640065-М | Шариковый радиальный однорядный подшипник. Модифицированный контакт.. | 5.00 | 20.00 | 5.00 |
| 5-640065-МП | Шариковый радиальный однорядный подшипник. Модифицированный контакт.. | 5.00 | 20.00 | 5.00 |
| 5-80026 К2С21 | Шариковый радиальный однорядный подшипник. «Замок» (скос) на внутреннем кольце плюс массивный сепаратор из текстолита. Смазка ЭРА. | 6.00 | 19.00 | 6.00 |
| 5-80066 С1 | Шариковый радиальный однорядный подшипник. Смазка ОКБ 122-7. | 6.00 | 19.00 | 6.50 |
| 6-1006-Ю | Шариковый радиальный двухрядный подшипник. Все детали или часть деталей из нержавеющей стали.. | 6.00 | 19.00 | 6.00 |
| 6-1006-ЮТ | Шариковый радиальный двухрядный подшипник. Температура отпуска. 160°. Все детали или часть деталей из нержавеющей стали.. | 6.00 | 19.00 | 6.00 |
| 6-1008096-Е | Шариковый упорный однорядный подшипник. Сепаратор из текстолита.. | 6.00 | 18.00 | 7.00 |
Способы доставки
Отправка через ведущие транспортные и курьерские компании: ПЭК, Деловые Линии, СДЭК, Байкал-Сервис, Энергия, КИТ, ЖелДорЭкспедиция.
Самовывоз возможен напрямую со склада в Москве.
Сроки доставки
Срок зависит от региона и выбранной транспортной компании. Все заказы комплектуются и отправляются в кратчайшие сроки со склада в Москве.
Надёжность и сохранность
Вся продукция упаковывается с учётом требований транспортировки. Мы гарантируем, что подшипники и комплектующие прибудут к заказчику в полной сохранности.
Доставка в страны ЕАЭС
Мы работаем с проверенными логистическими партнёрами, что позволяет оперативно доставлять заказы в Беларусь, Казахстан, Армению и другие страны ЕАЭС.
Варианты оплаты:
Минимальная сумма заказа и скидки:
Документы и гарантии:
Да, конечно! Наши технические специалисты готовы помочь вам с подбором точного аналога или замены подшипника. Просто позвоните нам по телефону +7 (495) 104-99-04 или напишите на почту zakaz@podsnab.ru.
Для оперативной консультации подготовьте, пожалуйста, имеющиеся данные: маркировку, размеры, тип оборудования или артикул старого подшипника.
Да, конечно! Мы высоко ценим долгосрочное сотрудничество и доверие клиентов по всей России. Для постоянных клиентов действует персональная система скидок.
Условия формируются индивидуально и зависят от:
Чтобы узнать свои условия и получить максимально выгодное предложение, свяжитесь с персональным менеджером или напишите нам на почту zakaz@podsnab.ru.
Вы можете оформить заказ несколькими способами:
Для оформления заказа от юридического лица свяжитесь с нашим отделом по работе с корпоративными клиентами по телефону +7 (495) 104-99-04 или напишите на email zakaz@podsnab.ru, прикрепив реквизиты вашей организации.
Мы оперативно подготовим коммерческое предложение и выставим счет.
Возврат товара надлежащего качества возможен в течение 10 дней с момента получения, если товар не был в употреблении, сохранен товарный вид, упаковка не вскрывалась и присутствуют все сопроводительные документы.
Возврат денежных средств осуществляется в течение 10 рабочих дней после проверки товара складом.
В соответствии с законодательством возврату не подлежат подшипники надлежащего качества, если отсутствует оригинальная упаковка или имеются следы монтажа.
В случае выявления брака или гарантийного случая мы гарантируем возврат или обмен товара.
Да, гарантийный срок хранения устанавливается заводом-изготовителем и в среднем составляет 2 года при соблюдении условий хранения: сухое помещение, оригинальная упаковка и смазка.
Точный срок для конкретного типа подшипника уточняйте у наших менеджеров.
Пн–Пт: с 8:00 до 17:00 (МСК).
Сб–Вс: выходные дни.
Заказы на сайте принимаются круглосуточно. Заявки, поступившие после окончания рабочего дня, обрабатываются на следующий рабочий день.
Минимальная сумма заказа для доставки составляет 3000 рублей. Самовывоз со склада возможен на любую сумму при наличии товара.
ООО «УралТехГрупп»
ИНН: 7415093830
КПП: 772401001
ОГРН: 1167456069021
Банк: ПАО Сбербанк
Р/с: 40702810838000475273
К/с: 30101810400000000225
БИК: 044525225
У подшипника W 635 R-2Z пока нет отзывов. Вы можете стать первым покупателем, поделившимся своим мнением.