Поиск подшипника
Статьи
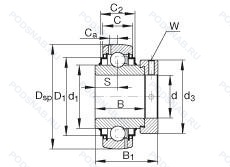
G1207-KRR-B-AS2/V — Шариковый радиальный подшипник, модификация основного исполнения G1207, производство INA.
Размер подшипника: 61x110x77 мм.
Наружное кольцо подшипника с двумя смазочными отверстиями в смещенных плоскостях, манжетные уплотнения с обеих сторон (уплотнение типа r - имеет оцинкованные внутреннюю и внешнюю крышки. между крышками имеется уплотнительная кромка nbr. идущая по шлифованному буртику), конический роликовый подшипник. угол контакта 20 градусов.
Международная стандартизации ISO
G1207KRRBAS2V
В наличии
| Обозначение | Конструктивные изменения |
|---|---|
| G1207KRR | Манжетные уплотнения с обеих сторон (уплотнение типа R - имеет оцинкованные внутреннюю и внешнюю крышки. Между крышками имеется уплотнительная кромка NBR. идущая по шлифованному буртику). |
| G1207KRRB | Подшипник со сферическим наружным кольцом. Манжетные уплотнения с обеих сторон (уплотнение типа R - имеет оцинкованные внутреннюю и внешнюю крышки. Между крышками имеется уплотнительная кромка NBR. идущая по шлифованному буртику). |
| G1207-KRR-B-AS2/V-FA106 | Подшипник со сферическим наружным кольцом. Манжетные уплотнения с обеих сторон (уплотнение типа R - имеет оцинкованные внутреннюю и внешнюю крышки. Между крышками имеется уплотнительная кромка NBR. идущая по шлифованному буртику). Подшипник подвергается специальным испытаниям на шум. Наружное кольцо подшипника с двумя смазочными отверстиями в смещенных плоскостях. |
| G1207-KRR-B-AS2/V-FA125.5 | Подшипник со сферическим наружным кольцом. Манжетные уплотнения с обеих сторон (уплотнение типа R - имеет оцинкованные внутреннюю и внешнюю крышки. Между крышками имеется уплотнительная кромка NBR. идущая по шлифованному буртику). Наружное кольцо подшипника с двумя смазочными отверстиями в смещенных плоскостях. С покрытием Corrotect®, защищено от коррозии. |
| G1207KLLB | Шариковый радиальный подшипник. |
Модификации шарикового подшипника G1207-KRR-B-AS2/V — это измененное основное конструктивное исполнение G1207, основные размеры (61x110x77) не отличаются.
| Обозначение | Конструктивные особенности | Внутренний (d) | Наружный (D) | Ширина (B) |
|---|---|---|---|---|
| GE60-XL-KRR-B | Подшипник для корпуса. Подшипник со сферическим наружным кольцом. Серия X-Life премиум-класс. увеличиный срок службы. Манжетные уплотнения с обеих сторон (уплотнение типа R - имеет оцинкованные внутреннюю и внешнюю крышки. Между крышками имеется уплотнительная кромка NBR. идущая по шлифованному буртику). | 60.00 | 110.00 | 77.80 |
| GE60-KRR-B-FA101 | Подшипник для корпуса. Подшипник со сферическим наружным кольцом. Манжетные уплотнения с обеих сторон (уплотнение типа R - имеет оцинкованные внутреннюю и внешнюю крышки. Между крышками имеется уплотнительная кромка NBR. идущая по шлифованному буртику). Высоко и низкотемпературная конструкция -40℃ / +180℃. | 60.00 | 110.00 | 77.90 |
| 36212B | Подшипник для корпуса. Сферическое внешнее кольцо. | 60.00 | 110.00 | 77.80 |
| 1060-2.7/16DECG | Подшипник для корпуса. Смазочные отверстия в распределительной канавке. Механически обработанные в наружном кольце для смазки. Эксцентриковая втулка с удлиненным внутренним кольцом. Небольшая предварительная нагрузка. ISO Tolerance Class ABEC.9. | 61.91 | 110.00 | 77.80 |
| GE60-XL-KRR-B-FA164 | Подшипник для корпуса. Подшипник со сферическим наружным кольцом. Серия X-Life премиум-класс. увеличиный срок службы. Манжетные уплотнения с обеих сторон (уплотнение типа R - имеет оцинкованные внутреннюю и внешнюю крышки. Между крышками имеется уплотнительная кромка NBR. идущая по шлифованному буртику). Высокотемпературная конструкция до +250°C. | 60.00 | 110.00 | 77.80 |
| UG212-39 | Подшипник для корпуса. 2.7/16. | 61.91 | 110.00 | 77.80 |
| G212V22 | Подшипник для корпуса. Отверстия для смазки с обеих сторон наружного кольца подшипника. | 60.00 | 110.00 | 77.70 |
| UEL212D1 | Подшипник для корпуса. Не требующий обслуживания тип. | 60.00 | 110.00 | 77.80 |
| EX212G2 | Подшипник для корпуса. Cистема повторного смазывания для корпусных подшипников. | 60.00 | 110.00 | 77.70 |
| YEL212-207-2FCW | Подшипник для корпуса. Стандартное контактное уплотнение с дополнительным маслоотражательным кольцом с обеих сторон. С цилиндрическим наружным диаметром. 2.7/16. | 61.91 | 110.00 | 77.80 |
| YEL212-038-2F | Подшипник для корпуса. Стандартное контактное уплотнение с дополнительным маслоотражательным кольцом с обеих сторон. | 60.33 | 110.00 | 77.80 |
| GE60-KTT-B | Подшипник для корпуса. Подшипник со сферическим наружным кольцом. Тройные манжетные уплотнения с обеих сторон подшипника (Т-образное уплотнение). | 60.00 | 110.00 | 77.90 |
| EX212AGR | Подшипник для корпуса. AGR-Sealing (Three Lip Sealing). | 60.00 | 110.00 | 77.70 |
| EX212-39 | Шариковый радиальный однорядный подшипник. Distance Between Beginning Of The Rail And First Hole In MM. | 61.91 | 110.00 | 77.70 |
| EX212 | Шариковый радиальный однорядный подшипник. Контактное уплотнение с одной стороны. | 60.00 | 110.00 | 77.70 |
Способы доставки
Отправка через ведущие транспортные и курьерские компании: ПЭК, Деловые Линии, СДЭК, Байкал-Сервис, Энергия, КИТ, ЖелДорЭкспедиция.
Самовывоз возможен напрямую со склада в Москве.
Сроки доставки
Срок зависит от региона и выбранной транспортной компании. Все заказы комплектуются и отправляются в кратчайшие сроки со склада в Москве.
Надёжность и сохранность
Вся продукция упаковывается с учётом требований транспортировки. Мы гарантируем, что подшипники и комплектующие прибудут к заказчику в полной сохранности.
Доставка в страны ЕАЭС
Мы работаем с проверенными логистическими партнёрами, что позволяет оперативно доставлять заказы в Беларусь, Казахстан, Армению и другие страны ЕАЭС.
Варианты оплаты:
Минимальная сумма заказа и скидки:
Документы и гарантии:
Да, конечно! Наши технические специалисты готовы помочь вам с подбором точного аналога или замены подшипника. Просто позвоните нам по телефону +7 (495) 104-99-04 или напишите на почту zakaz@podsnab.ru.
Для оперативной консультации подготовьте, пожалуйста, имеющиеся данные: маркировку, размеры, тип оборудования или артикул старого подшипника.
Да, конечно! Мы высоко ценим долгосрочное сотрудничество и доверие клиентов по всей России. Для постоянных клиентов действует персональная система скидок.
Условия формируются индивидуально и зависят от:
Чтобы узнать свои условия и получить максимально выгодное предложение, свяжитесь с персональным менеджером или напишите нам на почту zakaz@podsnab.ru.
Вы можете оформить заказ несколькими способами:
Для оформления заказа от юридического лица свяжитесь с нашим отделом по работе с корпоративными клиентами по телефону +7 (495) 104-99-04 или напишите на email zakaz@podsnab.ru, прикрепив реквизиты вашей организации.
Мы оперативно подготовим коммерческое предложение и выставим счет.
Возврат товара надлежащего качества возможен в течение 10 дней с момента получения, если товар не был в употреблении, сохранен товарный вид, упаковка не вскрывалась и присутствуют все сопроводительные документы.
Возврат денежных средств осуществляется в течение 10 рабочих дней после проверки товара складом.
В соответствии с законодательством возврату не подлежат подшипники надлежащего качества, если отсутствует оригинальная упаковка или имеются следы монтажа.
В случае выявления брака или гарантийного случая мы гарантируем возврат или обмен товара.
Да, гарантийный срок хранения устанавливается заводом-изготовителем и в среднем составляет 2 года при соблюдении условий хранения: сухое помещение, оригинальная упаковка и смазка.
Точный срок для конкретного типа подшипника уточняйте у наших менеджеров.
Пн–Пт: с 8:00 до 17:00 (МСК).
Сб–Вс: выходные дни.
Заказы на сайте принимаются круглосуточно. Заявки, поступившие после окончания рабочего дня, обрабатываются на следующий рабочий день.
Минимальная сумма заказа для доставки составляет 3000 рублей. Самовывоз со склада возможен на любую сумму при наличии товара.
ООО «УралТехГрупп»
ИНН: 7415093830
КПП: 772401001
ОГРН: 1167456069021
Банк: ПАО Сбербанк
Р/с: 40702810838000475273
К/с: 30101810400000000225
БИК: 044525225
У подшипника G1207-KRR-B-AS2/V пока нет отзывов. Вы можете стать первым покупателем, поделившимся своим мнением.