Поиск подшипника
Статьи
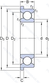
W 623 R — Шариковый радиальный подшипник, модификация основного исполнения 623, производство SKF.
Размер подшипника: 3x10x4 мм.
С выпуклыми асимметричными роликами и обработанным сепаратором.
Международная стандартизации ISO
W623R
В наличии
| Обозначение | Конструктивные изменения |
|---|---|
| 623P6 | Размерные и геометрические допуски соответствуют классу точности P6. |
| 623EE | Резиновые уплотнения с каждой стороны подшипника. |
| 623-2RSR-CO7 | Резиновые уплотнения с каждой стороны подшипника. Код местонахождения завода. может использоваться в стандартной комплектации. |
| 623-CO7 | Код местонахождения завода. может использоваться в стандартной комплектации. |
| 623-2Z-CO7 | Защитные металлические шайбы с обеих сторон. Код местонахождения завода. может использоваться в стандартной комплектации. |
| 623-Z-CO7 | щит из листовой прессованной стали с одной стороны подшипника. Код местонахождения завода. может использоваться в стандартной комплектации. |
| 623ZZA/1K | Lubricant. Kyodo Yushi Oil. Multemp Ps No. 2. Две съемные защитные металлические шайбы. |
| 623-2Z/SS | Защитные металлические шайбы с обеих сторон. Нержавеющая сталь. |
| 623ZZ+6 | Защитные металлические шайбы с обеих сторон. Exxon Aviation Instrument Oil. |
| 623ZZ P5 | Защитные металлические шайбы с обеих сторон. Размерная и рабочая точность соответствует классу допуска ISO 5. |
| 623-2Z GPR Y G340 | Защитные металлические шайбы с обеих сторон. Подшипник с сепаратором из латуни центрированный по телам качения. Испытание на шум. Longtime PD2 Lubrication -35 to +140° C. |
| 623GPR Y G330 | Подшипник с сепаратором из латуни центрированный по телам качения. Испытание на шум. Klüber Isoflex LDS 18 Special A. Temperature Range/ -50°C (-58°F)/+120°C (248°F). |
| 623ZZMC3ESF AHQR | Тихая работа. Защитные металлические шайбы с двух сторон подшипника. Улучшенный нормальный зазор (без латунного сепаратора). Klüber Asonic HQ72-102 (-40/+180°C. Piek +200°C). |
| 623A/612 | Двухрядный радиально-упорный шарикоподшипник без отверстия для смазки. |
| 4T-623/612 | Цементованная сталь. |
| 623/612-S | Запечатанная версия кулачкового ролика. |
| W 623-2ZR | Нержавеющая сталь. Защитные металлические шайбы с обеих сторон. |
| W 623 R-2RS1 | Усиленные листовой сталью контактные уплотнения из акрилонитрил-бутадиенового каучука (NBR) с обеих сторон подшипника. Нержавеющая сталь. С выпуклыми асимметричными роликами и обработанным сепаратором. |
| 623H | Pressed Snap-Type Steel Cage. Hardened. |
| TM-623/22LLUA/22.2C3/L106Q1 | Внутренний радиальный зазор С3. Изготовлено из специально термически обработанной стали. Массивный латунный сепаратор. Двухкромочное нитриловое контактное уплотнение. 1.3/8. |
| TM-623/22LLUA/22.2C3/2EQ1 | Внутренний радиальный зазор С3. Изготовлено из специально термически обработанной стали. Двухкромочное нитриловое контактное уплотнение. 1.3/8. |
| 623/22LLUA/222 | Двухкромочное нитриловое контактное уплотнение. 1.3/8. |
| 623-2RS C3 | Внутренний зазор больше нормального. Резиновые уплотнения с каждой стороны подшипника. |
| 623-RS1 | Резиновое уплотнение с одной стороны. |
| BB1-0623D | Половина целого игольчатого валика. Применять суффикс 'D' в базовом номере. |
Модификации шарикового подшипника W 623 R — это измененное основное конструктивное исполнение 623, основные размеры (3x10x4) не отличаются.
| Обозначение | Гост | Конструктивные особенности |
|---|---|---|
| SR2-6-2RS | ISO | Резиновые уплотнения с каждой стороны подшипника. Exxon Aviation Instrument Oil. |
| 603H | ISO | Pressed Snap-Type Steel Cage. Hardened. |
| 684H-2RS | ISO | Резиновые уплотнения с каждой стороны подшипника. Pressed Snap-Type Steel Cage. Hardened. |
| 694HZZ | ISO | Шариковый радиальный подшипник. |
| 694H-2RS | ISO | Резиновые уплотнения с каждой стороны подшипника. Pressed Snap-Type Steel Cage. Hardened. |
| F603H | ISO | Pressed Snap-Type Steel Cage. Hardened. |
| F623H-2RS | ISO | Резиновые уплотнения с каждой стороны подшипника. Pressed Snap-Type Steel Cage. Hardened. |
| F684H-2RS | ISO | Резиновые уплотнения с каждой стороны подшипника. Pressed Snap-Type Steel Cage. Hardened. |
| F684HZZ | ISO | Шариковый радиальный подшипник. |
| F694H | ISO | Pressed Snap-Type Steel Cage. Hardened. |
| W 603 R | ISO | Нержавеющая сталь. С выпуклыми асимметричными роликами и обработанным сепаратором. |
| W 603 XR-2Z | ISO | Защитные металлические шайбы с обеих сторон подшипника. Нержавеющая сталь. |
| W 637/4 XR | ISO | Нержавеющая сталь. Подшипник с чрезвычайно высокой точностью вращения (Abec9) и допуском формы (Abec7). |
| W 638/4 XR-2Z | ISO | Защитные металлические шайбы с обеих сторон подшипника. Нержавеющая сталь. Подшипник с чрезвычайно высокой точностью вращения (Abec9) и допуском формы (Abec7). |
| W 638/4 R-2RS1 | ISO | Усиленные листовой сталью контактные уплотнения из акрилонитрил-бутадиенового каучука (NBR) с обеих сторон подшипника. Нержавеющая сталь. С выпуклыми асимметричными роликами и обработанным сепаратором. Подшипник с чрезвычайно высокой точностью вращения (Abec9) и допуском формы (Abec7). |
| 23-Л | ГОСТ | Сепаратор из латуни.. |
| 36-23 Ю5Т | ГОСТ | Температура отпуска. 160°. Все детали или часть деталей из нержавеющей стали.. |
| 6-23 Р1 | ГОСТ | Детали из теплоустойчивой (быстрорежущие) стали.. |
| 6-23 Р2 | ГОСТ | Детали из теплоустойчивой (быстрорежущие) стали.. |
| 6-23 Ю2Т | ГОСТ | Температура отпуска. 160°. Все детали или часть деталей из нержавеющей стали.. |
Аналог шарикового подшипника W 623 R — это подшипник такого же размера dx3,Dx10,Bx4, типа и конструкции.
| Обозначение | Конструктивные особенности | Внутренний (d) | Наружный (D) | Ширина (B) |
|---|---|---|---|---|
| 5-80023 К1ЮТС20 | Шариковый радиальный однорядный подшипник. «Замок» (скос) на внутреннем кольце плюс массивный сепаратор из текстолита. Температура отпуска. 160°. Все детали или часть деталей из нержавеющей стали.. Смазка ВНИИНП-274. | 3.00 | 10.00 | 4.00 |
| 5-80023 К1ЮТС21 | Шариковый радиальный однорядный подшипник. «Замок» (скос) на внутреннем кольце плюс массивный сепаратор из текстолита. Температура отпуска. 160°. Смазка ЭРА. Все детали или часть деталей из нержавеющей стали.. | 3.00 | 10.00 | 4.00 |
| 5-80023 КЮТС20 | Шариковый радиальный однорядный подшипник. Температура отпуска. 160°. Все детали или часть деталей из нержавеющей стали.. Смазка ВНИИНП-274. | 3.00 | 10.00 | 4.00 |
| 5-80023 С21 | Шариковый радиальный однорядный подшипник. Смазка ЭРА. | 3.00 | 10.00 | 4.00 |
| 5-80023 ЮТ | Шариковый радиальный однорядный подшипник. Температура отпуска. 160°. Все детали или часть деталей из нержавеющей стали.. | 3.00 | 10.00 | 4.00 |
| 5-80023 ЮТС2 | Шариковый радиальный однорядный подшипник. Температура отпуска. 160°. Все детали или часть деталей из нержавеющей стали.. Смазка ЦИАТИМ-221. | 3.00 | 10.00 | 4.00 |
| 5-80023 ЮТС20 | Шариковый радиальный однорядный подшипник. Температура отпуска. 160°. Все детали или часть деталей из нержавеющей стали.. Смазка ВНИИНП-274. | 3.00 | 10.00 | 4.00 |
| 5-8074 Л | Шариковый упорный однорядный подшипник. Сепаратор из латуни.. | 4.00 | 10.00 | 4.00 |
| 5М4-2076084 Е | Роликовый радиальный-упорный однорядный подшипник. Сепаратор из текстолита.. | 4.00 | 9.00 | 3.50 |
| 5М4-2076084 ЕП | Шариковый радиально-упорный однорядный подшипник. Сепаратор из текстолита.. | 4.00 | 9.00 | 3.00 |
| 5М4-2076084 ЮУТ | Шариковый радиально-упорный однорядный подшипник. Дополнительные технические требования. Температура отпуска. 160°. Все детали или часть деталей из нержавеющей стали.. | 4.00 | 9.00 | 3.00 |
| 5М5-23 У | Шариковый радиальный однорядный подшипник. Дополнительные технические требования. | 3.00 | 10.00 | 4.00 |
| 5М5-23 У2 | Шариковый радиальный однорядный подшипник. Дополнительные технические требования. | 3.00 | 10.00 | 4.00 |
| 6-1000094 ЮТ | Шариковый радиальный однорядный подшипник. Температура отпуска. 160°. Все детали или часть деталей из нержавеющей стали.. | 4.00 | 11.00 | 4.00 |
| 6-1000094 ЮТП | Шариковый радиальный однорядный подшипник. Температура отпуска. 160°. Все детали или часть деталей из нержавеющей стали.. | 4.00 | 11.00 | 4.00 |
Способы доставки
Отправка через ведущие транспортные и курьерские компании: ПЭК, Деловые Линии, СДЭК, Байкал-Сервис, Энергия, КИТ, ЖелДорЭкспедиция.
Самовывоз возможен напрямую со склада в Москве.
Сроки доставки
Срок зависит от региона и выбранной транспортной компании. Все заказы комплектуются и отправляются в кратчайшие сроки со склада в Москве.
Надёжность и сохранность
Вся продукция упаковывается с учётом требований транспортировки. Мы гарантируем, что подшипники и комплектующие прибудут к заказчику в полной сохранности.
Доставка в страны ЕАЭС
Мы работаем с проверенными логистическими партнёрами, что позволяет оперативно доставлять заказы в Беларусь, Казахстан, Армению и другие страны ЕАЭС.
Варианты оплаты:
Минимальная сумма заказа и скидки:
Документы и гарантии:
Да, конечно! Наши технические специалисты готовы помочь вам с подбором точного аналога или замены подшипника. Просто позвоните нам по телефону +7 (495) 104-99-04 или напишите на почту zakaz@podsnab.ru.
Для оперативной консультации подготовьте, пожалуйста, имеющиеся данные: маркировку, размеры, тип оборудования или артикул старого подшипника.
Да, конечно! Мы высоко ценим долгосрочное сотрудничество и доверие клиентов по всей России. Для постоянных клиентов действует персональная система скидок.
Условия формируются индивидуально и зависят от:
Чтобы узнать свои условия и получить максимально выгодное предложение, свяжитесь с персональным менеджером или напишите нам на почту zakaz@podsnab.ru.
Вы можете оформить заказ несколькими способами:
Для оформления заказа от юридического лица свяжитесь с нашим отделом по работе с корпоративными клиентами по телефону +7 (495) 104-99-04 или напишите на email zakaz@podsnab.ru, прикрепив реквизиты вашей организации.
Мы оперативно подготовим коммерческое предложение и выставим счет.
Возврат товара надлежащего качества возможен в течение 10 дней с момента получения, если товар не был в употреблении, сохранен товарный вид, упаковка не вскрывалась и присутствуют все сопроводительные документы.
Возврат денежных средств осуществляется в течение 10 рабочих дней после проверки товара складом.
В соответствии с законодательством возврату не подлежат подшипники надлежащего качества, если отсутствует оригинальная упаковка или имеются следы монтажа.
В случае выявления брака или гарантийного случая мы гарантируем возврат или обмен товара.
Да, гарантийный срок хранения устанавливается заводом-изготовителем и в среднем составляет 2 года при соблюдении условий хранения: сухое помещение, оригинальная упаковка и смазка.
Точный срок для конкретного типа подшипника уточняйте у наших менеджеров.
Пн–Пт: с 8:00 до 17:00 (МСК).
Сб–Вс: выходные дни.
Заказы на сайте принимаются круглосуточно. Заявки, поступившие после окончания рабочего дня, обрабатываются на следующий рабочий день.
Минимальная сумма заказа для доставки составляет 3000 рублей. Самовывоз со склада возможен на любую сумму при наличии товара.
ООО «УралТехГрупп»
ИНН: 7415093830
КПП: 772401001
ОГРН: 1167456069021
Банк: ПАО Сбербанк
Р/с: 40702810838000475273
К/с: 30101810400000000225
БИК: 044525225
У подшипника W 623 R пока нет отзывов. Вы можете стать первым покупателем, поделившимся своим мнением.