Поиск подшипника
Статьи
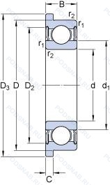
W 638/4 R-2RS1 — Шариковый радиальный подшипник, модификация основного исполнения W 638, производство SKF.
Размер подшипника: 4x9x4 мм.
Усиленные листовой сталью контактные уплотнения из акрилонитрил-бутадиенового каучука (nbr) с обеих сторон подшипника, с выпуклыми асимметричными роликами и обработанным сепаратором, подшипник с чрезвычайно высокой точностью вращения (abec9) и допуском формы (abec7).
Международная стандартизации ISO
W6384R2RS1
В наличии
| Обозначение | Конструктивные изменения |
|---|---|
| W 638/4-2ZR | Нержавеющая сталь. Защитные металлические шайбы с обеих сторон. Подшипник с чрезвычайно высокой точностью вращения (Abec9) и допуском формы (Abec7). |
| W 638/1.5-2Z | Защитные металлические шайбы с обеих сторон подшипника. Нержавеющая сталь. Number Of Carriages Per Rail Track. Distance Between Beginning Of The Rail And First Hole In MM. |
| W 638/2 R-2Z | Защитные металлические шайбы с обеих сторон подшипника. Нержавеющая сталь. С выпуклыми асимметричными роликами и обработанным сепаратором. ISO Tolerance Class ABEC.9. |
| W 638/2 XR-2Z | Защитные металлические шайбы с обеих сторон подшипника. Нержавеющая сталь. ISO Tolerance Class ABEC.9. |
| W 638-2Z | Защитные металлические шайбы с обеих сторон подшипника. Нержавеющая сталь. |
| W 638/4 XR-2Z | Защитные металлические шайбы с обеих сторон подшипника. Нержавеющая сталь. Подшипник с чрезвычайно высокой точностью вращения (Abec9) и допуском формы (Abec7). |
| W 638/9-2Z | Защитные металлические шайбы с обеих сторон подшипника. Largest Fill. Нержавеющая сталь. |
| W 638 | Нержавеющая сталь. Основное конструктивное исполнение. |
| W 638-2RZ | Шарикоподшипник. С уплотнением и низким коэффициентом трения с обеих сторон. Уплотнение состоит из шайбы из листовой стали с вулканизированной резиной. Нержавеющая сталь. |
| W 638-2RS1 | Усиленные листовой сталью контактные уплотнения из акрилонитрил-бутадиенового каучука (NBR) с обеих сторон подшипника. Нержавеющая сталь. |
| W 638/2.5 R-2Z | Защитные металлические шайбы с обеих сторон подшипника. Нержавеющая сталь. С выпуклыми асимметричными роликами и обработанным сепаратором. ISO Tolerance Class ABEC.9. Distance Between Beginning Of The Rail And First Hole In MM. |
| W 638/5 R-2RS1 | Усиленные листовой сталью контактные уплотнения из акрилонитрил-бутадиенового каучука (NBR) с обеих сторон подшипника. Нержавеющая сталь. С выпуклыми асимметричными роликами и обработанным сепаратором. Distance Between Beginning Of The Rail And First Hole In MM. |
| W 638/1 | Нержавеющая сталь. Number Of Carriages Per Rail Track. |
| W 638/3 R-2Z | Защитные металлические шайбы с обеих сторон подшипника. Нержавеющая сталь. С выпуклыми асимметричными роликами и обработанным сепаратором. Размерные и геометрические допуски соответствуют классу точности P6. |
| W 638/4 XR-2RS1 | Усиленные листовой сталью контактные уплотнения из акрилонитрил-бутадиенового каучука (NBR) с обеих сторон подшипника. Нержавеющая сталь. Подшипник с чрезвычайно высокой точностью вращения (Abec9) и допуском формы (Abec7). |
| W 638/1.5 R-2Z | Защитные металлические шайбы с обеих сторон подшипника. Нержавеющая сталь. С выпуклыми асимметричными роликами и обработанным сепаратором. Number Of Carriages Per Rail Track. Distance Between Beginning Of The Rail And First Hole In MM. |
| W 638/3 R-2RS1 | Усиленные листовой сталью контактные уплотнения из акрилонитрил-бутадиенового каучука (NBR) с обеих сторон подшипника. Нержавеющая сталь. С выпуклыми асимметричными роликами и обработанным сепаратором. Размерные и геометрические допуски соответствуют классу точности P6. |
Модификации шарикового подшипника W 638/4 R-2RS1 — это измененное основное конструктивное исполнение W 638, основные размеры (4x9x4) не отличаются.
| Обозначение | Гост | Конструктивные особенности |
|---|---|---|
| 603H | ISO | Pressed Snap-Type Steel Cage. Hardened. |
| 684H-2RS | ISO | Резиновые уплотнения с каждой стороны подшипника. Pressed Snap-Type Steel Cage. Hardened. |
| 693H | ISO | Pressed Snap-Type Steel Cage. Hardened. |
| F603H | ISO | Pressed Snap-Type Steel Cage. Hardened. |
| F623H-2RS | ISO | Резиновые уплотнения с каждой стороны подшипника. Pressed Snap-Type Steel Cage. Hardened. |
| F684H-2RS | ISO | Резиновые уплотнения с каждой стороны подшипника. Pressed Snap-Type Steel Cage. Hardened. |
| F684HZZ | ISO | Шариковый радиальный подшипник. |
| F693H-2RS | ISO | Резиновые уплотнения с каждой стороны подшипника. Pressed Snap-Type Steel Cage. Hardened. |
| W 603 R | ISO | Нержавеющая сталь. С выпуклыми асимметричными роликами и обработанным сепаратором. |
| W 603 XR-2Z | ISO | Защитные металлические шайбы с обеих сторон подшипника. Нержавеющая сталь. |
| W 623 R-2RS1 | ISO | Усиленные листовой сталью контактные уплотнения из акрилонитрил-бутадиенового каучука (NBR) с обеих сторон подшипника. Нержавеющая сталь. С выпуклыми асимметричными роликами и обработанным сепаратором. |
| W 623 R | ISO | Нержавеющая сталь. С выпуклыми асимметричными роликами и обработанным сепаратором. |
| W 637/4 XR-2Z | ISO | Защитные металлические шайбы с обеих сторон подшипника. Нержавеющая сталь. Подшипник с чрезвычайно высокой точностью вращения (Abec9) и допуском формы (Abec7). |
| W 637/4 XR | ISO | Нержавеющая сталь. Подшипник с чрезвычайно высокой точностью вращения (Abec9) и допуском формы (Abec7). |
| W 639/3 R-2Z | ISO | Защитные металлические шайбы с обеих сторон подшипника. Нержавеющая сталь. С выпуклыми асимметричными роликами и обработанным сепаратором. Размерные и геометрические допуски соответствуют классу точности P6. |
| 23-Л | ГОСТ | Сепаратор из латуни.. |
| 36-23 Ю5Т | ГОСТ | Температура отпуска. 160°. Все детали или часть деталей из нержавеющей стали.. |
| 6-23 Р1 | ГОСТ | Детали из теплоустойчивой (быстрорежущие) стали.. |
| 6-23 Р2 | ГОСТ | Детали из теплоустойчивой (быстрорежущие) стали.. |
| 6-23 Ю2Т | ГОСТ | Температура отпуска. 160°. Все детали или часть деталей из нержавеющей стали.. |
Аналог шарикового подшипника W 638/4 R-2RS1 — это подшипник такого же размера dx4,Dx9,Bx4, типа и конструкции.
| Обозначение | Конструктивные особенности | Внутренний (d) | Наружный (D) | Ширина (B) |
|---|---|---|---|---|
| 5-80023 ЮТ | Шариковый радиальный однорядный подшипник. Температура отпуска. 160°. Все детали или часть деталей из нержавеющей стали.. | 3.00 | 10.00 | 4.00 |
| 5-80023 ЮТС2 | Шариковый радиальный однорядный подшипник. Температура отпуска. 160°. Все детали или часть деталей из нержавеющей стали.. Смазка ЦИАТИМ-221. | 3.00 | 10.00 | 4.00 |
| 5-80023 ЮТС20 | Шариковый радиальный однорядный подшипник. Температура отпуска. 160°. Все детали или часть деталей из нержавеющей стали.. Смазка ВНИИНП-274. | 3.00 | 10.00 | 4.00 |
| 5-80063 ЮТС2 | Шариковый радиальный однорядный подшипник. Температура отпуска. 160°. Все детали или часть деталей из нержавеющей стали.. Смазка ЦИАТИМ-221. | 3.00 | 8.00 | 3.50 |
| 5-80063 ЮТС20 | Шариковый радиальный однорядный подшипник. Температура отпуска. 160°. Все детали или часть деталей из нержавеющей стали.. Смазка ВНИИНП-274. | 3.00 | 8.00 | 3.50 |
| 5-8074 Л | Шариковый упорный однорядный подшипник. Сепаратор из латуни.. | 4.00 | 10.00 | 4.00 |
| 5-860063 ЮТ | Шариковый радиальный однорядный подшипник. Температура отпуска. 160°. Все детали или часть деталей из нержавеющей стали.. | 3.00 | 8.00 | 3.50 |
| 5-880055-ЮС1 | Шариковый радиальный однорядный подшипник. Все детали или часть деталей из нержавеющей стали.. Смазка ОКБ 122-7. | 4.50 | 8.00 | 4.00 |
| 5-880063 ЮТ | Шариковый радиальный однорядный подшипник. Температура отпуска. 160°. Все детали или часть деталей из нержавеющей стали.. | 3.00 | 8.00 | 3.50 |
| 5М4-2076084 Е | Роликовый радиальный-упорный однорядный подшипник. Сепаратор из текстолита.. | 4.00 | 9.00 | 3.50 |
| 5М4-2076084 ЕП | Шариковый радиально-упорный однорядный подшипник. Сепаратор из текстолита.. | 4.00 | 9.00 | 3.00 |
| 5М4-2076084 ЮУТ | Шариковый радиально-упорный однорядный подшипник. Дополнительные технические требования. Температура отпуска. 160°. Все детали или часть деталей из нержавеющей стали.. | 4.00 | 9.00 | 3.00 |
| 5М5-23 У | Шариковый радиальный однорядный подшипник. Дополнительные технические требования. | 3.00 | 10.00 | 4.00 |
| 5М5-23 У2 | Шариковый радиальный однорядный подшипник. Дополнительные технические требования. | 3.00 | 10.00 | 4.00 |
| 6-1000093 ЮТ | Шариковый радиальный однорядный подшипник. Температура отпуска. 160°. Все детали или часть деталей из нержавеющей стали.. | 3.00 | 8.00 | 3.00 |
Способы доставки
Отправка через ведущие транспортные и курьерские компании: ПЭК, Деловые Линии, СДЭК, Байкал-Сервис, Энергия, КИТ, ЖелДорЭкспедиция.
Самовывоз возможен напрямую со склада в Москве.
Сроки доставки
Срок зависит от региона и выбранной транспортной компании. Все заказы комплектуются и отправляются в кратчайшие сроки со склада в Москве.
Надёжность и сохранность
Вся продукция упаковывается с учётом требований транспортировки. Мы гарантируем, что подшипники и комплектующие прибудут к заказчику в полной сохранности.
Доставка в страны ЕАЭС
Мы работаем с проверенными логистическими партнёрами, что позволяет оперативно доставлять заказы в Беларусь, Казахстан, Армению и другие страны ЕАЭС.
Варианты оплаты:
Минимальная сумма заказа и скидки:
Документы и гарантии:
Да, конечно! Наши технические специалисты готовы помочь вам с подбором точного аналога или замены подшипника. Просто позвоните нам по телефону +7 (495) 104-99-04 или напишите на почту zakaz@podsnab.ru.
Для оперативной консультации подготовьте, пожалуйста, имеющиеся данные: маркировку, размеры, тип оборудования или артикул старого подшипника.
Да, конечно! Мы высоко ценим долгосрочное сотрудничество и доверие клиентов по всей России. Для постоянных клиентов действует персональная система скидок.
Условия формируются индивидуально и зависят от:
Чтобы узнать свои условия и получить максимально выгодное предложение, свяжитесь с персональным менеджером или напишите нам на почту zakaz@podsnab.ru.
Вы можете оформить заказ несколькими способами:
Для оформления заказа от юридического лица свяжитесь с нашим отделом по работе с корпоративными клиентами по телефону +7 (495) 104-99-04 или напишите на email zakaz@podsnab.ru, прикрепив реквизиты вашей организации.
Мы оперативно подготовим коммерческое предложение и выставим счет.
Возврат товара надлежащего качества возможен в течение 10 дней с момента получения, если товар не был в употреблении, сохранен товарный вид, упаковка не вскрывалась и присутствуют все сопроводительные документы.
Возврат денежных средств осуществляется в течение 10 рабочих дней после проверки товара складом.
В соответствии с законодательством возврату не подлежат подшипники надлежащего качества, если отсутствует оригинальная упаковка или имеются следы монтажа.
В случае выявления брака или гарантийного случая мы гарантируем возврат или обмен товара.
Да, гарантийный срок хранения устанавливается заводом-изготовителем и в среднем составляет 2 года при соблюдении условий хранения: сухое помещение, оригинальная упаковка и смазка.
Точный срок для конкретного типа подшипника уточняйте у наших менеджеров.
Пн–Пт: с 8:00 до 17:00 (МСК).
Сб–Вс: выходные дни.
Заказы на сайте принимаются круглосуточно. Заявки, поступившие после окончания рабочего дня, обрабатываются на следующий рабочий день.
Минимальная сумма заказа для доставки составляет 3000 рублей. Самовывоз со склада возможен на любую сумму при наличии товара.
ООО «УралТехГрупп»
ИНН: 7415093830
КПП: 772401001
ОГРН: 1167456069021
Банк: ПАО Сбербанк
Р/с: 40702810838000475273
К/с: 30101810400000000225
БИК: 044525225
У подшипника W 638/4 R-2RS1 пока нет отзывов. Вы можете стать первым покупателем, поделившимся своим мнением.