Поиск подшипника
Статьи
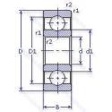
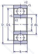
6-224 Л1Ш1 — Шариковый радиальный однорядный подшипник, модификация основного исполнения 224, производство ГПЗ.
Размер подшипника: 120x215x40 мм.
Сепаратор из латуни, нормы шумности.
Государственный стандарт ГОСТ
6224Л1Ш1
В наличии
| Обозначение | Конструктивные изменения |
|---|---|
| 8-224 Л | Сепаратор из латуни.. |
| 70-224 Л1 | Сепаратор из латуни.. |
| 76-224 Л1Ш1 | Сепаратор из латуни.. Нормы шумности. |
| 6-224 АШ1 | Повышенная грузоподъемность. Нормы шумности. |
| 6-224 АШ | Повышенная грузоподъемность. Нормы шумности. |
| 6-224 Ш | Нормы шумности. |
| 6224 | Шариковый радиальный однорядный подшипник. |
| 6-224 Л | Сепаратор из латуни.. |
| 6-224 Ш2У | Дополнительные технические требования. Нормы шумности. |
| 66-224 Л | Сепаратор из латуни.. |
| 7-224 Л1 | Сепаратор из латуни.. |
| 70224 | Шариковый радиальный однорядный подшипник. |
| 224 | Шариковый радиальный однорядный подшипник. Основное конструктивное исполнение. |
| 224-А | Повышенная грузоподъемность. |
| 224-АК | Повышенная грузоподъемность. |
| 224-Л | Сепаратор из латуни.. |
| 224-Л1 | Сепаратор из латуни.. |
| 224-45 | Шариковый радиальный однорядный подшипник. |
| 5-224 Л | Сепаратор из латуни.. |
Модификации шарикового подшипника 6-224 Л1Ш1 — это измененное основное конструктивное исполнение 224, основные размеры (120x215x40) не отличаются.
| Обозначение | Гост | Конструктивные особенности |
|---|---|---|
| 80224-А | ГОСТ | Повышенная грузоподъемность. |
| 6-60224 АШ1 | ГОСТ | Повышенная грузоподъемность. Нормы шумности. |
| 6-80224 АШ1 | ГОСТ | Повышенная грузоподъемность. Нормы шумности. |
| 6-80224 А1L19Ш1 | ГОСТ | Повышенная грузоподъемность. Нормы шумности. |
| 6-80224 АL19Ш1 | ГОСТ | Lubricant. Mobil Oil Co.. Mobil 28 Grease. MIL-G-81322 High/Low Temperature -62°C/+176°C. Повышенная грузоподъемность. Нормы шумности. |
| 6-80224 АW24Ш | ГОСТ | Повышенная грузоподъемность. Нормы шумности. Смазка пластичная Shell Alvania Greases G2. |
| 6224-RS | ISO | Резиновое уплотнение с одной стороны. |
| 6224ZX | ISO | Съемная защитная шайба с одной стороны. |
| 6224-2RU | ISO | Non Contact Type Friction Torque = Small High Speed Performance = Good Grease Sealing = Better Than ZZ-Type Dirt Resistance = Better Than ZZ-Type Water Resistance = Better Than ZZ / Inferior To 2RS Operating Temp. -30°C To + 100°C. |
| 6224VV | ISO | Защитные металлические шайбы. с обеих сторон подшипника. Бесконтактное уплотнение. (лучше. чем ZZ. Можно использовать в умеренно запыленной среде). |
| 6-80224 | ГОСТ | Шариковый радиальный однорядный подшипник. |
| 7-80224 | ГОСТ | Шариковый радиальный однорядный подшипник. |
| 6224NR | ISO | Канавка и стопорное кольцо на наружном кольце. |
| 6224LLB | ISO | Уплотнение бесконтактного типа из синтетического каучука. |
| 6224N | ISO | Канавка для стопорного кольца на наружном кольце. |
| 6224-RS1 | ISO | Резиновое уплотнение с одной стороны. |
| 60224 | ГОСТ | Шариковый радиальный однорядный подшипник. |
| 80224 | ГОСТ | Шариковый радиальный однорядный подшипник. |
| 160224 | ГОСТ | Шариковый радиальный однорядный подшипник. |
| 180224 | ГОСТ | Шариковый радиальный однорядный подшипник. |
Аналог шарикового подшипника 6-224 Л1Ш1 — это подшипник такого же размера dx120,Dx215,Bx40, типа и конструкции.
| Обозначение | Конструктивные особенности | Внутренний (d) | Наружный (D) | Ширина (B) |
|---|---|---|---|---|
| 7224CPA | Шариковый радиально-упорный однорядный подшипник. Угол контакта 15 градусов. | 120.00 | 215.00 | 40.00 |
| 7224-BCB-MP | Шариковый радиально-упорный однорядный подшипник. Массивный латунный сепаратор. центрированный по телам качения. | 120.00 | 215.00 | 40.00 |
| 26224К | Шариковый радиально-упорный однорядный подшипник. «Замок» (скос) на внутреннем кольце плюс массивный сепаратор из текстолита. | 120.00 | 215.00 | 40.00 |
| 36224К | Шариковый радиально-упорный однорядный подшипник. «Замок» (скос) на внутреннем кольце плюс массивный сепаратор из текстолита. | 120.00 | 215.00 | 40.00 |
| 36224К6 | Шариковый радиально-упорный однорядный подшипник. «Замок» (скос) на внутреннем кольце. | 120.00 | 215.00 | 40.00 |
| 6-32224 БМ | Роликовый радиальный подшипник. Модифицированный контакт.. Сепаратор из безоловянистой бронзы.. | 120.00 | 215.00 | 40.00 |
| 6-46224 Л | Шариковый радиально-упорный однорядный подшипник. Сепаратор из латуни.. | 120.00 | 215.00 | 40.00 |
| 70-32224 ЛМУ | Роликовый радиальный однорядный подшипник. Сепаратор из латуни.. Дополнительные технические требования. Модифицированный контакт.. | 120.00 | 215.00 | 40.00 |
| 42224-Л | Роликовый радиальный однорядный подшипник. Сепаратор из латуни.. | 120.00 | 215.00 | 40.00 |
| 42224-М | Роликовый радиальный однорядный подшипник. Модифицированный контакт.. | 120.00 | 215.00 | 40.00 |
| 46224-АЛ | Шариковый радиально-упорный однорядный подшипник. Сепаратор из латуни.. Повышенная грузоподъемность. | 120.00 | 215.00 | 40.00 |
| 46224-Л | Шариковый радиально-упорный однорядный подшипник. Сепаратор из латуни.. | 120.00 | 215.00 | 40.00 |
| 46224К | Шариковый радиально-упорный однорядный подшипник. «Замок» (скос) на внутреннем кольце плюс массивный сепаратор из текстолита. | 120.00 | 215.00 | 40.00 |
| 5-46224 Л | Шариковый радиально-упорный однорядный подшипник. Сепаратор из латуни.. | 120.00 | 215.00 | 40.00 |
| 56-32224 БМ | Роликовый радиальный однорядный подшипник. Модифицированный контакт.. Сепаратор из безоловянистой бронзы.. | 120.00 | 215.00 | 40.00 |
Способы доставки
Отправка через ведущие транспортные и курьерские компании: ПЭК, Деловые Линии, СДЭК, Байкал-Сервис, Энергия, КИТ, ЖелДорЭкспедиция.
Самовывоз возможен напрямую со склада в Москве.
Сроки доставки
Срок зависит от региона и выбранной транспортной компании. Все заказы комплектуются и отправляются в кратчайшие сроки со склада в Москве.
Надёжность и сохранность
Вся продукция упаковывается с учётом требований транспортировки. Мы гарантируем, что подшипники и комплектующие прибудут к заказчику в полной сохранности.
Доставка в страны ЕАЭС
Мы работаем с проверенными логистическими партнёрами, что позволяет оперативно доставлять заказы в Беларусь, Казахстан, Армению и другие страны ЕАЭС.
Варианты оплаты:
Минимальная сумма заказа и скидки:
Документы и гарантии:
Да, конечно! Наши технические специалисты готовы помочь вам с подбором точного аналога или замены подшипника. Просто позвоните нам по телефону +7 (495) 104-99-04 или напишите на почту zakaz@podsnab.ru.
Для оперативной консультации подготовьте, пожалуйста, имеющиеся данные: маркировку, размеры, тип оборудования или артикул старого подшипника.
Да, конечно! Мы высоко ценим долгосрочное сотрудничество и доверие клиентов по всей России. Для постоянных клиентов действует персональная система скидок.
Условия формируются индивидуально и зависят от:
Чтобы узнать свои условия и получить максимально выгодное предложение, свяжитесь с персональным менеджером или напишите нам на почту zakaz@podsnab.ru.
Вы можете оформить заказ несколькими способами:
Для оформления заказа от юридического лица свяжитесь с нашим отделом по работе с корпоративными клиентами по телефону +7 (495) 104-99-04 или напишите на email zakaz@podsnab.ru, прикрепив реквизиты вашей организации.
Мы оперативно подготовим коммерческое предложение и выставим счет.
Возврат товара надлежащего качества возможен в течение 10 дней с момента получения, если товар не был в употреблении, сохранен товарный вид, упаковка не вскрывалась и присутствуют все сопроводительные документы.
Возврат денежных средств осуществляется в течение 10 рабочих дней после проверки товара складом.
В соответствии с законодательством возврату не подлежат подшипники надлежащего качества, если отсутствует оригинальная упаковка или имеются следы монтажа.
В случае выявления брака или гарантийного случая мы гарантируем возврат или обмен товара.
Да, гарантийный срок хранения устанавливается заводом-изготовителем и в среднем составляет 2 года при соблюдении условий хранения: сухое помещение, оригинальная упаковка и смазка.
Точный срок для конкретного типа подшипника уточняйте у наших менеджеров.
Пн–Пт: с 8:00 до 17:00 (МСК).
Сб–Вс: выходные дни.
Заказы на сайте принимаются круглосуточно. Заявки, поступившие после окончания рабочего дня, обрабатываются на следующий рабочий день.
Минимальная сумма заказа для доставки составляет 3000 рублей. Самовывоз со склада возможен на любую сумму при наличии товара.
ООО «УралТехГрупп»
ИНН: 7415093830
КПП: 772401001
ОГРН: 1167456069021
Банк: ПАО Сбербанк
Р/с: 40702810838000475273
К/с: 30101810400000000225
БИК: 044525225
У подшипника 6-224 Л1Ш1 пока нет отзывов. Вы можете стать первым покупателем, поделившимся своим мнением.