Поиск подшипника
Статьи
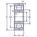
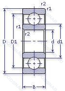
75-413 Ш2 — Шариковый радиальный однорядный подшипник, модификация основного исполнения 413, производство ГПЗ.
Размер подшипника: 65x160x37 мм.
Нормы шумности.
Государственный стандарт ГОСТ
75413Ш2
В наличии
| Обозначение | Конструктивные изменения |
|---|---|
| 80413 | Шариковый радиальный однорядный подшипник. |
| 6-413 А | Повышенная грузоподъемность. |
| 80-413 А | Повышенная грузоподъемность. |
| 6-413 АШ1 | Повышенная грузоподъемность. Нормы шумности. |
| 6-413 АШ | Повышенная грузоподъемность. Нормы шумности. |
| 6413 | Шариковый радиальный однорядный подшипник. |
| 7413 | Шариковый радиальный однорядный подшипник. |
| 70413 | Шариковый радиальный однорядный подшипник. |
| 413 | Шариковый радиальный однорядный подшипник. Основное конструктивное исполнение. |
| 413-А | Повышенная грузоподъемность. |
Модификации шарикового подшипника 75-413 Ш2 — это измененное основное конструктивное исполнение 413, основные размеры (65x160x37) не отличаются.
| Обозначение | Гост | Конструктивные особенности |
|---|---|---|
| 5-170413 АЛШ2 | ГОСТ | Сепаратор из латуни.. Нормы шумности. Повышенная грузоподъемность. |
| 6-170413 АЛШ1 | ГОСТ | Сепаратор из латуни.. Повышенная грузоподъемность. Нормы шумности. |
| 6-170413 ЛШ | ГОСТ | Сепаратор из латуни.. Нормы шумности. |
| 6-50413 АЛШ | ГОСТ | Сепаратор из латуни.. Повышенная грузоподъемность. Нормы шумности. |
| 6-50413 АШ1 | ГОСТ | Повышенная грузоподъемность. Нормы шумности. |
| 6-50413 АШ | ГОСТ | Повышенная грузоподъемность. Нормы шумности. |
| 6-50413 | ГОСТ | Шариковый радиальный однорядный подшипник. |
| 7-50413 | ГОСТ | Шариковый радиальный однорядный подшипник. |
| 50413 | ГОСТ | Шариковый радиальный однорядный подшипник. |
| 170413-АЛ | ГОСТ | Сепаратор из латуни.. Повышенная грузоподъемность. |
| 170413-Л | ГОСТ | Сепаратор из латуни.. |
| 50413-А | ГОСТ | Повышенная грузоподъемность. |
Аналог шарикового подшипника 75-413 Ш2 — это подшипник такого же размера dx65,Dx160,Bx37, типа и конструкции.
| Обозначение | Конструктивные особенности | Внутренний (d) | Наружный (D) | Ширина (B) |
|---|---|---|---|---|
| 21315-E1-K + H315 | Роликовый радиальный сферический двухрядный подшипник. Коническое отверстие. Конусность 1/12. Конструкция с увеличенной грузоподьемностью. | 65.00 | 160.00 | 37.00 |
| NUP413-M | Роликовый радиальный однорядный подшипник. Подшипник с латунным сепаратором. центрированный по телам качения. | 65.00 | 160.00 | 37.00 |
| NH413 | Роликовый радиальный однорядный подшипник. Канавка под стопорное кольцо на наружном кольце подшипника. | 65.00 | 160.00 | 37.00 |
| NP 413 | Роликовый радиальный однорядный подшипник. Канавка под стопорное кольцо на наружном кольце подшипника. | 65.00 | 160.00 | 37.00 |
| NJ413-M1 + HJ413 | Роликовый радиальный однорядный подшипник. Механически обработанный латунный сепаратор. вращающийся элемент качения (крестовина на заклепках). | 65.00 | 160.00 | 37.00 |
| NJ413-M+HJ413 | Роликовый радиальный однорядный подшипник. Подшипник с латунным сепаратором. центрированный по телам качения. | 65.00 | 160.00 | 37.00 |
| 8-2413 М | Роликовый радиальный однорядный подшипник. Модифицированный контакт.. | 65.00 | 160.00 | 37.00 |
| 8-42413 КМ | Роликовый радиальный однорядный подшипник. Модифицированный контакт.. | 65.00 | 160.00 | 37.00 |
| TS2-QJ413C4U35K | Шариковый радиально-упорный однорядный подшипник. Угол контакта 15°. | 65.00 | 160.00 | 37.00 |
| 7413WN | Шариковый радиально-упорный однорядный подшипник. Sizes 7201K Through 7203WN Have A 20° Угол контакта And A Nylon Cage. Sizes 7204WN through 7218WN have a 40° Угол контакта And A One-Piece. Ball Piloted. Pressed Brass Cage. Larger Sizes 7219WN Through 7230WN Have A 40° Угол контакта And A One-Piece. Outer Ring Piloted High-Strength Machined Bronze Cage. | 65.00 | 160.00 | 37.00 |
| 7413B | Шариковый радиально-упорный однорядный подшипник. Угол контакта 40°. | 65.00 | 160.00 | 37.00 |
| 7413 A | Шариковый радиально-упорный однорядный подшипник. Двухрядный радиально-упорный шарикоподшипник без отверстия для смазки. | 65.00 | 160.00 | 37.00 |
| 6-11313 Ш1 | Шариковый радиальный двухрядный подшипник. Нормы шумности. | 65.00 | 160.00 | 37.00 |
| 1315-K-M-C3 + H315 | Шариковый сферический двухрядный подшипник. Внутренний зазор больше нормального. Коническое отверстие. Конусность 1/12. Подшипник с латунным сепаратором. центрированный по телам качения. | 65.00 | 160.00 | 37.00 |
| 42413-М | Роликовый радиальный однорядный подшипник. Модифицированный контакт.. | 65.00 | 160.00 | 37.00 |
Способы доставки
Отправка через ведущие транспортные и курьерские компании: ПЭК, Деловые Линии, СДЭК, Байкал-Сервис, Энергия, КИТ, ЖелДорЭкспедиция.
Самовывоз возможен напрямую со склада в Москве.
Сроки доставки
Срок зависит от региона и выбранной транспортной компании. Все заказы комплектуются и отправляются в кратчайшие сроки со склада в Москве.
Надёжность и сохранность
Вся продукция упаковывается с учётом требований транспортировки. Мы гарантируем, что подшипники и комплектующие прибудут к заказчику в полной сохранности.
Доставка в страны ЕАЭС
Мы работаем с проверенными логистическими партнёрами, что позволяет оперативно доставлять заказы в Беларусь, Казахстан, Армению и другие страны ЕАЭС.
Варианты оплаты:
Минимальная сумма заказа и скидки:
Документы и гарантии:
Да, конечно! Наши технические специалисты готовы помочь вам с подбором точного аналога или замены подшипника. Просто позвоните нам по телефону +7 (495) 104-99-04 или напишите на почту zakaz@podsnab.ru.
Для оперативной консультации подготовьте, пожалуйста, имеющиеся данные: маркировку, размеры, тип оборудования или артикул старого подшипника.
Да, конечно! Мы высоко ценим долгосрочное сотрудничество и доверие клиентов по всей России. Для постоянных клиентов действует персональная система скидок.
Условия формируются индивидуально и зависят от:
Чтобы узнать свои условия и получить максимально выгодное предложение, свяжитесь с персональным менеджером или напишите нам на почту zakaz@podsnab.ru.
Вы можете оформить заказ несколькими способами:
Для оформления заказа от юридического лица свяжитесь с нашим отделом по работе с корпоративными клиентами по телефону +7 (495) 104-99-04 или напишите на email zakaz@podsnab.ru, прикрепив реквизиты вашей организации.
Мы оперативно подготовим коммерческое предложение и выставим счет.
Возврат товара надлежащего качества возможен в течение 10 дней с момента получения, если товар не был в употреблении, сохранен товарный вид, упаковка не вскрывалась и присутствуют все сопроводительные документы.
Возврат денежных средств осуществляется в течение 10 рабочих дней после проверки товара складом.
В соответствии с законодательством возврату не подлежат подшипники надлежащего качества, если отсутствует оригинальная упаковка или имеются следы монтажа.
В случае выявления брака или гарантийного случая мы гарантируем возврат или обмен товара.
Да, гарантийный срок хранения устанавливается заводом-изготовителем и в среднем составляет 2 года при соблюдении условий хранения: сухое помещение, оригинальная упаковка и смазка.
Точный срок для конкретного типа подшипника уточняйте у наших менеджеров.
Пн–Пт: с 8:00 до 17:00 (МСК).
Сб–Вс: выходные дни.
Заказы на сайте принимаются круглосуточно. Заявки, поступившие после окончания рабочего дня, обрабатываются на следующий рабочий день.
Минимальная сумма заказа для доставки составляет 3000 рублей. Самовывоз со склада возможен на любую сумму при наличии товара.
ООО «УралТехГрупп»
ИНН: 7415093830
КПП: 772401001
ОГРН: 1167456069021
Банк: ПАО Сбербанк
Р/с: 40702810838000475273
К/с: 30101810400000000225
БИК: 044525225
У подшипника 75-413 Ш2 пока нет отзывов. Вы можете стать первым покупателем, поделившимся своим мнением.