Поиск подшипника
Статьи
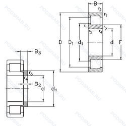
NJ413-M+HJ413 — Роликовый радиальный однорядный подшипник, модификация основного исполнения NJ413, производство NKE.
Размер подшипника: 65x160x37 мм.
Однорядный цилиндрический роликоподшипник. Наружное кольцо имеет два борта, наружное — один борт, подшипник с латунным сепаратором. центрированный по телам качения.
Международная стандартизации ISO
NJ413MHJ413
В наличии
| Обозначение | Конструктивные изменения |
|---|---|
| NJ413/C3 | Внутренний зазор больше нормального. |
| NJ413M.C3 | Внутренний зазор больше нормального. Подшипник с латунным сепаратором. центрированный по телам качения. |
| NJ413 | Штампованный сепаратор из стального листа. Канавка под стопорное кольцо на наружном кольце подшипника. Однорядный цилиндрический роликовый подшипник. Наружное кольцо имеет два борта. Основное конструктивное исполнение. |
| NJ413-M | Подшипник с латунным сепаратором. центрированный по телам качения. Однорядный цилиндрический роликовый подшипник. |
| NJ413FYM | Обработанный латунный сепаратор. |
| NJ413-XL-M1-C3 | Внутренний зазор больше нормального. Серия X-Life премиум-класс. увеличиный срок службы. Механически обработанный латунный сепаратор. вращающийся элемент качения (крестовина на заклепках). |
| NJ413-XL-M1-C4 | Внутренний зазор подшипника больше. чем C3. Серия X-Life премиум-класс. увеличиный срок службы. Механически обработанный латунный сепаратор. вращающийся элемент качения (крестовина на заклепках). |
| NJ413-XL-M1-F1-C4 | Внутренний зазор подшипника больше. чем C3. Серия X-Life премиум-класс. увеличиный срок службы. Механически обработанный латунный сепаратор. вращающийся элемент качения (крестовина на заклепках). Спецификация производства и контроля FAG для цилиндрических роликоподшипников в тяговых двигателях. |
| NJ413-XL-M1 | Серия X-Life премиум-класс. увеличиный срок службы. Механически обработанный латунный сепаратор. вращающийся элемент качения (крестовина на заклепках). |
| NJ413-M1-F1-C4 | Внутренний зазор подшипника больше. чем C3. Механически обработанный латунный сепаратор. вращающийся элемент качения (крестовина на заклепках). Спецификация производства и контроля FAG для цилиндрических роликоподшипников в тяговых двигателях. |
| NJ413MAS/C3 | Внутренний зазор больше нормального. Обработанный латунный сепаратор. Внешние кольца центрированы. Со смазочными канавками на направляющих поверхностях. |
| NJ413-M1-C4 | Внутренний зазор подшипника больше. чем C3. Механически обработанный латунный сепаратор. вращающийся элемент качения (крестовина на заклепках). |
| NJ413G1 C3 | Внутренний зазор больше нормального. Обработанный латунный сепаратор для цилиндрических роликоподшипников. |
| NJ413W C3 | Внутренний зазор больше нормального. Цельный прессованный сепаратор. |
| NJ413/C4 | Внутренний зазор подшипника больше. чем C3. |
| NJ413W | Цельный прессованный сепаратор. |
| NJ413ZS | Цилиндрический роликоподшипник. Взаимозаменяемые уменьшенные радиальные зазоры в пределах ограниченной группы зазоров. В соответствии с DIN43283. |
| NJ413M1.C3 | Внутренний зазор больше нормального. Механически обработанный латунный сепаратор. вращающийся элемент качения (крестовина на заклепках). |
| NJ413M1 | Механически обработанный латунный сепаратор. вращающийся элемент качения (крестовина на заклепках). |
| NJ413-M1 + HJ413 | Механически обработанный латунный сепаратор. вращающийся элемент качения (крестовина на заклепках). |
Модификации роликового подшипника NJ413-M+HJ413 — это измененное основное конструктивное исполнение NJ413, основные размеры (65x160x37) не отличаются.
| Обозначение | Гост | Конструктивные особенности |
|---|---|---|
| 80-32413 М | ГОСТ | Модифицированный контакт.. |
| 8-42413 М | ГОСТ | Модифицированный контакт.. |
| 2413 | ГОСТ | Роликовый радиальный однорядный подшипник. |
| 32413 | ГОСТ | Роликовый радиальный однорядный подшипник. |
| 42413 | ГОСТ | Роликовый радиальный однорядный подшипник. |
| 62413 | ГОСТ | Роликовый радиальный однорядный подшипник. |
| 92413 | ГОСТ | Роликовый радиальный однорядный подшипник. |
| 102413 | ГОСТ | Роликовый радиальный однорядный подшипник. |
| 20-42413 М | ГОСТ | Модифицированный контакт.. |
| 2413-М | ГОСТ | Модифицированный контакт.. |
| 32413-М | ГОСТ | Модифицированный контакт.. |
| 32413EМ | ГОСТ | Повышенная грузоподъемность. Модифицированный контакт.. |
| 32413KМ | ГОСТ | Коническое отверстие. Конусность 1/12. Модифицированный контакт.. |
| 32413-ЛМ | ГОСТ | Сепаратор из латуни.. Модифицированный контакт.. |
| NUP413-M | ISO | Подшипник с латунным сепаратором. центрированный по телам качения. |
| NH413 | ISO | Канавка под стопорное кольцо на наружном кольце подшипника. |
| NP 413 | ISO | Канавка под стопорное кольцо на наружном кольце подшипника. |
| 8-2413 М | ГОСТ | Модифицированный контакт.. |
| 8-42413 КМ | ГОСТ | Модифицированный контакт.. |
| 42413-М | ГОСТ | Модифицированный контакт.. |
Аналог роликового подшипника NJ413-M+HJ413 — это подшипник такого же размера dx65,Dx160,Bx37, типа и конструкции.
| Обозначение | Конструктивные особенности | Внутренний (d) | Наружный (D) | Ширина (B) |
|---|---|---|---|---|
| 75-413 Ш2 | Шариковый радиальный однорядный подшипник. Нормы шумности. | 65.00 | 160.00 | 37.00 |
| 80-413 А | Шариковый радиальный однорядный подшипник. Повышенная грузоподъемность. | 65.00 | 160.00 | 37.00 |
| 5-170413 АЛШ2 | Шариковый радиальный однорядный подшипник. Сепаратор из латуни.. Нормы шумности. Повышенная грузоподъемность. | 65.00 | 160.00 | 37.00 |
| 6-170413 АЛШ1 | Шариковый радиальный однорядный подшипник. Сепаратор из латуни.. Повышенная грузоподъемность. Нормы шумности. | 65.00 | 160.00 | 37.00 |
| 6-170413 ЛШ | Шариковый радиальный однорядный подшипник. Сепаратор из латуни.. Нормы шумности. | 65.00 | 160.00 | 37.00 |
| 6-413 АШ1 | Шариковый радиальный однорядный подшипник. Повышенная грузоподъемность. Нормы шумности. | 65.00 | 160.00 | 37.00 |
| 6-413 АШ | Шариковый радиальный однорядный подшипник. Повышенная грузоподъемность. Нормы шумности. | 65.00 | 160.00 | 37.00 |
| 6-50413 АЛШ | Шариковый радиальный однорядный подшипник. Сепаратор из латуни.. Повышенная грузоподъемность. Нормы шумности. | 65.00 | 160.00 | 37.00 |
| 6-50413 АШ1 | Шариковый радиальный однорядный подшипник. Повышенная грузоподъемность. Нормы шумности. | 65.00 | 160.00 | 37.00 |
| 6-50413 АШ | Шариковый радиальный однорядный подшипник. Повышенная грузоподъемность. Нормы шумности. | 65.00 | 160.00 | 37.00 |
| 170413-АЛ | Шариковый радиальный однорядный подшипник. Сепаратор из латуни.. Повышенная грузоподъемность. | 65.00 | 160.00 | 37.00 |
| 170413-Л | Шариковый радиальный однорядный подшипник. Сепаратор из латуни.. | 65.00 | 160.00 | 37.00 |
| 1315-K-M-C3 + H315 | Шариковый сферический двухрядный подшипник. Внутренний зазор больше нормального. Коническое отверстие. Конусность 1/12. Подшипник с латунным сепаратором. центрированный по телам качения. | 65.00 | 160.00 | 37.00 |
| 413-А | Шариковый радиальный однорядный подшипник. Повышенная грузоподъемность. | 65.00 | 160.00 | 37.00 |
| 50413-А | Шариковый радиальный однорядный подшипник. Повышенная грузоподъемность. | 65.00 | 160.00 | 37.00 |
Способы доставки
Отправка через ведущие транспортные и курьерские компании: ПЭК, Деловые Линии, СДЭК, Байкал-Сервис, Энергия, КИТ, ЖелДорЭкспедиция.
Самовывоз возможен напрямую со склада в Москве.
Сроки доставки
Срок зависит от региона и выбранной транспортной компании. Все заказы комплектуются и отправляются в кратчайшие сроки со склада в Москве.
Надёжность и сохранность
Вся продукция упаковывается с учётом требований транспортировки. Мы гарантируем, что подшипники и комплектующие прибудут к заказчику в полной сохранности.
Доставка в страны ЕАЭС
Мы работаем с проверенными логистическими партнёрами, что позволяет оперативно доставлять заказы в Беларусь, Казахстан, Армению и другие страны ЕАЭС.
Варианты оплаты:
Минимальная сумма заказа и скидки:
Документы и гарантии:
Да, конечно! Наши технические специалисты готовы помочь вам с подбором точного аналога или замены подшипника. Просто позвоните нам по телефону +7 (495) 104-99-04 или напишите на почту zakaz@podsnab.ru.
Для оперативной консультации подготовьте, пожалуйста, имеющиеся данные: маркировку, размеры, тип оборудования или артикул старого подшипника.
Да, конечно! Мы высоко ценим долгосрочное сотрудничество и доверие клиентов по всей России. Для постоянных клиентов действует персональная система скидок.
Условия формируются индивидуально и зависят от:
Чтобы узнать свои условия и получить максимально выгодное предложение, свяжитесь с персональным менеджером или напишите нам на почту zakaz@podsnab.ru.
Вы можете оформить заказ несколькими способами:
Для оформления заказа от юридического лица свяжитесь с нашим отделом по работе с корпоративными клиентами по телефону +7 (495) 104-99-04 или напишите на email zakaz@podsnab.ru, прикрепив реквизиты вашей организации.
Мы оперативно подготовим коммерческое предложение и выставим счет.
Возврат товара надлежащего качества возможен в течение 10 дней с момента получения, если товар не был в употреблении, сохранен товарный вид, упаковка не вскрывалась и присутствуют все сопроводительные документы.
Возврат денежных средств осуществляется в течение 10 рабочих дней после проверки товара складом.
В соответствии с законодательством возврату не подлежат подшипники надлежащего качества, если отсутствует оригинальная упаковка или имеются следы монтажа.
В случае выявления брака или гарантийного случая мы гарантируем возврат или обмен товара.
Да, гарантийный срок хранения устанавливается заводом-изготовителем и в среднем составляет 2 года при соблюдении условий хранения: сухое помещение, оригинальная упаковка и смазка.
Точный срок для конкретного типа подшипника уточняйте у наших менеджеров.
Пн–Пт: с 8:00 до 17:00 (МСК).
Сб–Вс: выходные дни.
Заказы на сайте принимаются круглосуточно. Заявки, поступившие после окончания рабочего дня, обрабатываются на следующий рабочий день.
Минимальная сумма заказа для доставки составляет 3000 рублей. Самовывоз со склада возможен на любую сумму при наличии товара.
ООО «УралТехГрупп»
ИНН: 7415093830
КПП: 772401001
ОГРН: 1167456069021
Банк: ПАО Сбербанк
Р/с: 40702810838000475273
К/с: 30101810400000000225
БИК: 044525225
У подшипника NJ413-M+HJ413 пока нет отзывов. Вы можете стать первым покупателем, поделившимся своим мнением.