Поиск подшипника
Статьи
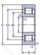
20-42413 М — Роликовый радиальный однорядный подшипник, модификация основного исполнения 42413, производство ГПЗ.
Размер подшипника: 65x160x37 мм.
Модифицированный контакт.
Аналоги: NJ413MA.
Государственный стандарт ГОСТ
2042413М
В наличии
| Обозначение | Конструктивные изменения |
|---|---|
| 8-42413 М | Модифицированный контакт.. |
| 42413 | Роликовый радиальный однорядный подшипник. Основное конструктивное исполнение. |
| 8-42413 КМ | Модифицированный контакт.. |
| 42413-М | Модифицированный контакт.. |
Модификации роликового подшипника 20-42413 М — это измененное основное конструктивное исполнение 42413, основные размеры (65x160x37) не отличаются.
| Обозначение | Гост | Конструктивные особенности |
|---|---|---|
| 80-32413 М | ГОСТ | Модифицированный контакт.. |
| 2413 | ГОСТ | Роликовый радиальный однорядный подшипник. |
| 32413 | ГОСТ | Роликовый радиальный однорядный подшипник. |
| 62413 | ГОСТ | Роликовый радиальный однорядный подшипник. |
| 92413 | ГОСТ | Роликовый радиальный однорядный подшипник. |
| 102413 | ГОСТ | Роликовый радиальный однорядный подшипник. |
| 2413-М | ГОСТ | Модифицированный контакт.. |
| 32413-М | ГОСТ | Модифицированный контакт.. |
| 32413EМ | ГОСТ | Повышенная грузоподъемность. Модифицированный контакт.. |
| 32413KМ | ГОСТ | Коническое отверстие. Конусность 1/12. Модифицированный контакт.. |
| 32413-ЛМ | ГОСТ | Сепаратор из латуни.. Модифицированный контакт.. |
| NUP413-M | ISO | Подшипник с латунным сепаратором. центрированный по телам качения. |
| NH413 | ISO | Канавка под стопорное кольцо на наружном кольце подшипника. |
| NP 413 | ISO | Канавка под стопорное кольцо на наружном кольце подшипника. |
| NJ413-M1 + HJ413 | ISO | Механически обработанный латунный сепаратор. вращающийся элемент качения (крестовина на заклепках). |
| NJ413-M+HJ413 | ISO | Подшипник с латунным сепаратором. центрированный по телам качения. |
| 8-2413 М | ГОСТ | Модифицированный контакт.. |
Аналог роликового подшипника 20-42413 М — это подшипник такого же размера dx65,Dx160,Bx37, типа и конструкции.
| Обозначение | Конструктивные особенности | Внутренний (d) | Наружный (D) | Ширина (B) |
|---|---|---|---|---|
| 75-413 Ш2 | Шариковый радиальный однорядный подшипник. Нормы шумности. | 65.00 | 160.00 | 37.00 |
| 80-413 А | Шариковый радиальный однорядный подшипник. Повышенная грузоподъемность. | 65.00 | 160.00 | 37.00 |
| 5-170413 АЛШ2 | Шариковый радиальный однорядный подшипник. Сепаратор из латуни.. Нормы шумности. Повышенная грузоподъемность. | 65.00 | 160.00 | 37.00 |
| 6-170413 АЛШ1 | Шариковый радиальный однорядный подшипник. Сепаратор из латуни.. Повышенная грузоподъемность. Нормы шумности. | 65.00 | 160.00 | 37.00 |
| 6-170413 ЛШ | Шариковый радиальный однорядный подшипник. Сепаратор из латуни.. Нормы шумности. | 65.00 | 160.00 | 37.00 |
| 6-413 АШ1 | Шариковый радиальный однорядный подшипник. Повышенная грузоподъемность. Нормы шумности. | 65.00 | 160.00 | 37.00 |
| 6-413 АШ | Шариковый радиальный однорядный подшипник. Повышенная грузоподъемность. Нормы шумности. | 65.00 | 160.00 | 37.00 |
| 6-50413 АЛШ | Шариковый радиальный однорядный подшипник. Сепаратор из латуни.. Повышенная грузоподъемность. Нормы шумности. | 65.00 | 160.00 | 37.00 |
| 6-50413 АШ1 | Шариковый радиальный однорядный подшипник. Повышенная грузоподъемность. Нормы шумности. | 65.00 | 160.00 | 37.00 |
| 6-50413 АШ | Шариковый радиальный однорядный подшипник. Повышенная грузоподъемность. Нормы шумности. | 65.00 | 160.00 | 37.00 |
| 170413-АЛ | Шариковый радиальный однорядный подшипник. Сепаратор из латуни.. Повышенная грузоподъемность. | 65.00 | 160.00 | 37.00 |
| 170413-Л | Шариковый радиальный однорядный подшипник. Сепаратор из латуни.. | 65.00 | 160.00 | 37.00 |
| 1315-K-M-C3 + H315 | Шариковый сферический двухрядный подшипник. Внутренний зазор больше нормального. Коническое отверстие. Конусность 1/12. Подшипник с латунным сепаратором. центрированный по телам качения. | 65.00 | 160.00 | 37.00 |
| 413-А | Шариковый радиальный однорядный подшипник. Повышенная грузоподъемность. | 65.00 | 160.00 | 37.00 |
| 50413-А | Шариковый радиальный однорядный подшипник. Повышенная грузоподъемность. | 65.00 | 160.00 | 37.00 |
Способы доставки
Отправка через ведущие транспортные и курьерские компании: ПЭК, Деловые Линии, СДЭК, Байкал-Сервис, Энергия, КИТ, ЖелДорЭкспедиция.
Самовывоз возможен напрямую со склада в Москве.
Сроки доставки
Срок зависит от региона и выбранной транспортной компании. Все заказы комплектуются и отправляются в кратчайшие сроки со склада в Москве.
Надёжность и сохранность
Вся продукция упаковывается с учётом требований транспортировки. Мы гарантируем, что подшипники и комплектующие прибудут к заказчику в полной сохранности.
Доставка в страны ЕАЭС
Мы работаем с проверенными логистическими партнёрами, что позволяет оперативно доставлять заказы в Беларусь, Казахстан, Армению и другие страны ЕАЭС.
Варианты оплаты:
Минимальная сумма заказа и скидки:
Документы и гарантии:
Да, конечно! Наши технические специалисты готовы помочь вам с подбором точного аналога или замены подшипника. Просто позвоните нам по телефону +7 (495) 104-99-04 или напишите на почту zakaz@podsnab.ru.
Для оперативной консультации подготовьте, пожалуйста, имеющиеся данные: маркировку, размеры, тип оборудования или артикул старого подшипника.
Да, конечно! Мы высоко ценим долгосрочное сотрудничество и доверие клиентов по всей России. Для постоянных клиентов действует персональная система скидок.
Условия формируются индивидуально и зависят от:
Чтобы узнать свои условия и получить максимально выгодное предложение, свяжитесь с персональным менеджером или напишите нам на почту zakaz@podsnab.ru.
Вы можете оформить заказ несколькими способами:
Для оформления заказа от юридического лица свяжитесь с нашим отделом по работе с корпоративными клиентами по телефону +7 (495) 104-99-04 или напишите на email zakaz@podsnab.ru, прикрепив реквизиты вашей организации.
Мы оперативно подготовим коммерческое предложение и выставим счет.
Возврат товара надлежащего качества возможен в течение 10 дней с момента получения, если товар не был в употреблении, сохранен товарный вид, упаковка не вскрывалась и присутствуют все сопроводительные документы.
Возврат денежных средств осуществляется в течение 10 рабочих дней после проверки товара складом.
В соответствии с законодательством возврату не подлежат подшипники надлежащего качества, если отсутствует оригинальная упаковка или имеются следы монтажа.
В случае выявления брака или гарантийного случая мы гарантируем возврат или обмен товара.
Да, гарантийный срок хранения устанавливается заводом-изготовителем и в среднем составляет 2 года при соблюдении условий хранения: сухое помещение, оригинальная упаковка и смазка.
Точный срок для конкретного типа подшипника уточняйте у наших менеджеров.
Пн–Пт: с 8:00 до 17:00 (МСК).
Сб–Вс: выходные дни.
Заказы на сайте принимаются круглосуточно. Заявки, поступившие после окончания рабочего дня, обрабатываются на следующий рабочий день.
Минимальная сумма заказа для доставки составляет 3000 рублей. Самовывоз со склада возможен на любую сумму при наличии товара.
ООО «УралТехГрупп»
ИНН: 7415093830
КПП: 772401001
ОГРН: 1167456069021
Банк: ПАО Сбербанк
Р/с: 40702810838000475273
К/с: 30101810400000000225
БИК: 044525225
У подшипника 20-42413 М пока нет отзывов. Вы можете стать первым покупателем, поделившимся своим мнением.