Поиск подшипника
Статьи
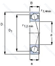
71813 CD/P4A — Шариковый радиальный однорядный подшипник, модификация основного исполнения 71813, производство SKF.
Размер подшипника: 65x85x10 мм.
Точность размеров в соответствии с классом допуска iso 4. точность вращения лучше чем класс допуска iso 4, двухкомпонентный штампованный стальной сепаратор с направляющим кольцом.
Международная стандартизации ISO
71813CDP4A
В наличии
| Обозначение | Конструктивные изменения |
|---|---|
| 71813ACDGB/P4 | 25° Угол контакта. Подшипник для универсального монтажа. Два подшипника. установленные по О-образной или Х-образной схеме. имеют средний преднатяг. Класс точности Р4 по ISO (точнее. чем P5) - Abec.7. |
| 71813-TN-P5-UO | Размерная и рабочая точность соответствует классу допуска ISO 5. Сепаратор из полиамида. Универсальный монтаж. Для установки по O- и X- образной схеме - беззазорные.. |
| 71813-TN | Сепаратор из полиамида. |
| 71813CD/P2DBA | 15° Угол контакта. Два однорядных радиальных шарикоподшипника. Однорядные радиально-упорные шарикоподшипники или однорядные конические роликовые подшипники. подходящие для монтажа в схеме «спина к спине». Легкая предварительная нагрузка. Более высокий класс точности по сравнению с P4. |
| 71813CD/P4DBB | 15° Угол контакта. Optimized Internal Design. Два однорядных радиальных шарикоподшипника. Дуплекс. Однорядные радиально-упорные шарикоподшипники или однорядные конические роликовые подшипники. подходящие для монтажа в схеме «спина к спине». Средний преднатяг. Класс точности Р4 по ISO (точнее. чем P5) - Abec.7. |
| 71813CD/P4DFB | 15° Угол контакта. Optimized Internal Design. Два однорядных радиальных шарикоподшипника. Однорядные радиально-упорные шарикоподшипники или однорядные конические роликоподшипники. подобранные для установки лицом к лицу. Средний преднатяг. Класс точности Р4 по ISO (точнее. чем P5) - Abec.7. |
| 71813CDGC/P4 | 15° Угол контакта. Bearing For Paired Mounting In Random Order_ When Arranged Back-To-Back Or Face-To-Face There Will Be A High Preload. Класс точности Р4 по ISO (точнее. чем P5) - Abec.7. |
| 71813 ACD/P4 | Однорядный с улучшенной конструкцией и углом контакта 25°. Класс точности. |
| 71813 CD/HCP4 | Двухкомпонентный штампованный стальной сепаратор с направляющим кольцом. |
| 71813 ACD/HCP4 | Однорядный с улучшенной конструкцией и углом контакта 25°. |
| 71813 CD/P4 | Двухкомпонентный штампованный стальной сепаратор с направляющим кольцом. Класс точности. |
| 71813 CTBP4 | Шариковый радиальный однорядный подшипник. |
| 71813 ATBP4 | Шариковый радиальный однорядный подшипник. |
| 71813-B-TVH | Модифицированная внутренняя конструкция. Твердая клетка из полиамида. |
| 71813 C | 15° Угол контакта. |
| 71813 A | Двухрядный радиально-упорный шарикоподшипник без отверстия для смазки. |
| 71813 | Шариковый радиальный однорядный подшипник. Основное конструктивное исполнение. |
| 71813 CD/HCP4A | Измененная или модифицированная внутренняя конструкция при неизменных основных размерах. Двухкомпонентный штампованный стальной сепаратор с направляющим кольцом. |
Модификации шарикового подшипника 71813 CD/P4A — это измененное основное конструктивное исполнение 71813, основные размеры (65x85x10) не отличаются.
| Обозначение | Гост | Конструктивные особенности |
|---|---|---|
| SS 61813-ZZ | ISO | Защитные металлические шайбы с обеих сторон. |
| 6813-2RU | ISO | Non Contact Type Friction Torque = Small High Speed Performance = Good Grease Sealing = Better Than ZZ-Type Dirt Resistance = Better Than ZZ-Type Water Resistance = Better Than ZZ / Inferior To 2RS Operating Temp. -30°C To + 100°C. |
| 6813-2RD | ISO | Облегченное контактное уплотнение с двух сторон.. |
| 6813N | ISO | Канавка для стопорного кольца на наружном кольце. |
| 6813VV | ISO | Защитные металлические шайбы. с обеих сторон подшипника. Бесконтактное уплотнение. (лучше. чем ZZ. Можно использовать в умеренно запыленной среде). |
| 76-1000813 БЮТ | ГОСТ | Температура отпуска. 160°. Все детали или часть деталей из нержавеющей стали.. Сепаратор из безоловянистой бронзы.. |
| 76-1000813 Ю1Т | ГОСТ | Температура отпуска. 160°. Все детали или часть деталей из нержавеющей стали.. |
| 76-1000813 ЮБТ | ГОСТ | Температура отпуска. 160°. Все детали или часть деталей из нержавеющей стали.. Сепаратор из безоловянистой бронзы.. |
| 76-1000813 ЮТТ | ГОСТ | Температура отпуска. 160°. Все детали или часть деталей из нержавеющей стали.. |
| 6813LLB | ISO | Уплотнение бесконтактного типа из синтетического каучука. |
| 6813LLU | ISO | Контактное резиновое уплотнение с двух сторон. |
| 1000813-Е | ГОСТ | Сепаратор из текстолита.. |
| 1000813-Л | ГОСТ | Сепаратор из латуни.. |
| 1000813-Ю1 | ГОСТ | Все детали или часть деталей из нержавеющей стали.. |
| 1000813-Ю2 | ГОСТ | Все детали или часть деталей из нержавеющей стали.. |
| 1000813-ЮБТ | ГОСТ | Температура отпуска. 160°. Все детали или часть деталей из нержавеющей стали.. Сепаратор из безоловянистой бронзы.. |
| 1000813.2RS | ГОСТ | Резиновые уплотнения с каждой стороны подшипника. |
| 5-1000813 ЮТТ | ГОСТ | Температура отпуска. 160°. Все детали или часть деталей из нержавеющей стали.. |
| 6-1000813 Ю1Т | ГОСТ | Температура отпуска. 160°. Все детали или часть деталей из нержавеющей стали.. |
| 6-1000813 Ю2 | ГОСТ | Все детали или часть деталей из нержавеющей стали.. |
Аналог шарикового подшипника 71813 CD/P4A — это подшипник такого же размера dx65,Dx85,Bx10, типа и конструкции.
| Обозначение | Конструктивные особенности | Внутренний (d) | Наружный (D) | Ширина (B) |
|---|---|---|---|---|
| 6813LLU/5K | Подшипник однорядный шариковый радиальный. Резиновые уплотнения с каждой стороны подшипника. Grease/ Kyodo Yushi / Multemp SRL (-40°C to +150°C). | 65.00 | 85.00 | 10.00 |
| 61813-RZ-Y-T | Подшипник однорядный шариковый радиальный. Textile Laminated Phenolic Resin. Outer Ring Guided. The Cage Is Suitable For Long-Term Operation At Temperatures Up To 100°C. Подшипник с сепаратором из латуни центрированный по телам качения. Sheet Steel Reinforced Low Friction Seal Of Acrylonitrile-Butadiene Rubber (NBR) On One Side Of The Bearing. | 65.00 | 85.00 | 10.00 |
| 6813ZZ CM/NS7S | Подшипник однорядный шариковый радиальный. Стандартное заполнение. Защитные металлические шайбы с обеих сторон. Шариковый подшипник. Специальный радиальный внутренний зазор для электродвигателей. NS Hi Lube Grease. (NS7/ Inside With Grease. Up Than 35%. Temperature Resistance -40°C To +140°C). | 65.00 | 85.00 | 10.00 |
| 61813-2Z-C3 | Подшипник однорядный шариковый радиальный. Внутренний зазор больше нормального. Защитные стальные шайбы с обеих сторон. | 65.00 | 85.00 | 10.00 |
| 61813ZZ P5 | Подшипник однорядный шариковый радиальный. Защитные металлические шайбы с обеих сторон. Размерная и рабочая точность соответствует классу допуска ISO 5. | 65.00 | 85.00 | 10.00 |
| 61813TNH C3 VA | Подшипник шариковый из нержавеющей стали. Внутренний зазор больше нормального. Подшипник с защелкиваемым сепаратором из пластмассы. Нержавеющая сталь. | 65.00 | 85.00 | 10.00 |
| 5S-7813CG/GNP42 | Шариковый радиально-упорный однорядный подшипник. Универсальный подшипник. Резьбовой винт со стопором и защелкой. Класс точности JIS4 для размеров и JIS 2 для точности вращения. Гибридный подшипник. | 65.00 | 85.00 | 10.00 |
| 7813CG/GNP4 | Шариковый радиально-упорный однорядный подшипник. Универсальный подшипник. Класс точности JIS4 / ISO 4. Резьбовой винт со стопором и защелкой. | 65.00 | 85.00 | 10.00 |
| 7813CG/GNP42 | Шариковый радиально-упорный однорядный подшипник. Универсальный подшипник. Резьбовой винт со стопором и защелкой. Класс точности JIS4 для размеров и JIS 2 для точности вращения. | 65.00 | 85.00 | 10.00 |
| SEA65/NS 7CE3 | Шариковый радиально-упорный однорядный подшипник. Шарики из нитрида кремния Si3N4 (гибридные подшипники). Керамические шарики. | 65.00 | 85.00 | 10.00 |
| SEA65/NS 7CE1 | Шариковый радиально-упорный однорядный подшипник. Шарики из нитрида кремния Si3N4 (гибридные подшипники). Керамические шарики. | 65.00 | 85.00 | 10.00 |
| 7813C | Шариковый радиально-упорный однорядный подшипник. Угол контакта 15°. | 65.00 | 85.00 | 10.00 |
| W 61813-2RS1 | Шариковый радиальный подшипник. Усиленные листовой сталью контактные уплотнения из акрилонитрил-бутадиенового каучука (NBR) с обеих сторон подшипника. Нержавеющая сталь. | 65.00 | 85.00 | 10.00 |
| W 61813 | Шариковый радиальный подшипник. Нержавеющая сталь. | 65.00 | 85.00 | 10.00 |
| W 61813-2Z | Шариковый радиальный подшипник. Защитные металлические шайбы с обеих сторон подшипника. Нержавеющая сталь. | 65.00 | 85.00 | 10.00 |
Способы доставки
Отправка через ведущие транспортные и курьерские компании: ПЭК, Деловые Линии, СДЭК, Байкал-Сервис, Энергия, КИТ, ЖелДорЭкспедиция.
Самовывоз возможен напрямую со склада в Москве.
Сроки доставки
Срок зависит от региона и выбранной транспортной компании. Все заказы комплектуются и отправляются в кратчайшие сроки со склада в Москве.
Надёжность и сохранность
Вся продукция упаковывается с учётом требований транспортировки. Мы гарантируем, что подшипники и комплектующие прибудут к заказчику в полной сохранности.
Доставка в страны ЕАЭС
Мы работаем с проверенными логистическими партнёрами, что позволяет оперативно доставлять заказы в Беларусь, Казахстан, Армению и другие страны ЕАЭС.
Варианты оплаты:
Минимальная сумма заказа и скидки:
Документы и гарантии:
Да, конечно! Наши технические специалисты готовы помочь вам с подбором точного аналога или замены подшипника. Просто позвоните нам по телефону +7 (495) 104-99-04 или напишите на почту zakaz@podsnab.ru.
Для оперативной консультации подготовьте, пожалуйста, имеющиеся данные: маркировку, размеры, тип оборудования или артикул старого подшипника.
Да, конечно! Мы высоко ценим долгосрочное сотрудничество и доверие клиентов по всей России. Для постоянных клиентов действует персональная система скидок.
Условия формируются индивидуально и зависят от:
Чтобы узнать свои условия и получить максимально выгодное предложение, свяжитесь с персональным менеджером или напишите нам на почту zakaz@podsnab.ru.
Вы можете оформить заказ несколькими способами:
Для оформления заказа от юридического лица свяжитесь с нашим отделом по работе с корпоративными клиентами по телефону +7 (495) 104-99-04 или напишите на email zakaz@podsnab.ru, прикрепив реквизиты вашей организации.
Мы оперативно подготовим коммерческое предложение и выставим счет.
Возврат товара надлежащего качества возможен в течение 10 дней с момента получения, если товар не был в употреблении, сохранен товарный вид, упаковка не вскрывалась и присутствуют все сопроводительные документы.
Возврат денежных средств осуществляется в течение 10 рабочих дней после проверки товара складом.
В соответствии с законодательством возврату не подлежат подшипники надлежащего качества, если отсутствует оригинальная упаковка или имеются следы монтажа.
В случае выявления брака или гарантийного случая мы гарантируем возврат или обмен товара.
Да, гарантийный срок хранения устанавливается заводом-изготовителем и в среднем составляет 2 года при соблюдении условий хранения: сухое помещение, оригинальная упаковка и смазка.
Точный срок для конкретного типа подшипника уточняйте у наших менеджеров.
Пн–Пт: с 8:00 до 17:00 (МСК).
Сб–Вс: выходные дни.
Заказы на сайте принимаются круглосуточно. Заявки, поступившие после окончания рабочего дня, обрабатываются на следующий рабочий день.
Минимальная сумма заказа для доставки составляет 3000 рублей. Самовывоз со склада возможен на любую сумму при наличии товара.
ООО «УралТехГрупп»
ИНН: 7415093830
КПП: 772401001
ОГРН: 1167456069021
Банк: ПАО Сбербанк
Р/с: 40702810838000475273
К/с: 30101810400000000225
БИК: 044525225
У подшипника 71813 CD/P4A пока нет отзывов. Вы можете стать первым покупателем, поделившимся своим мнением.