Поиск подшипника
Статьи
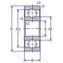
76-1000813 Ю1Т — Шариковый радиальный однорядный подшипник, модификация основного исполнения 1000813, производство ГПЗ.
Размер подшипника: 65x85x10 мм.
160°, все детали или часть деталей из нержавеющей стали, температура отпуска.
Государственный стандарт ГОСТ
761000813Ю1Т
В наличии
| Обозначение | Конструктивные изменения |
|---|---|
| 5-1000813 Е | Сепаратор из текстолита.. |
| 6-1000813 Е | Сепаратор из текстолита.. |
| 1000813-ЕШ | Сепаратор из текстолита.. Нормы шумности. |
| 4-1000813 Е | Сепаратор из текстолита.. |
| 76-1000813 БЮТ | Температура отпуска. 160°. Все детали или часть деталей из нержавеющей стали.. Сепаратор из безоловянистой бронзы.. |
| 76-1000813 ЮБТ | Температура отпуска. 160°. Все детали или часть деталей из нержавеющей стали.. Сепаратор из безоловянистой бронзы.. |
| 76-1000813 ЮТТ | Температура отпуска. 160°. Все детали или часть деталей из нержавеющей стали.. |
| 1000813 | Шариковый радиальный однорядный подшипник. Основное конструктивное исполнение. |
| 1000813-Е | Сепаратор из текстолита.. |
| 1000813-Л | Сепаратор из латуни.. |
| 1000813-Ю1 | Все детали или часть деталей из нержавеющей стали.. |
| 1000813-Ю2 | Все детали или часть деталей из нержавеющей стали.. |
| 1000813-ЮБТ | Температура отпуска. 160°. Все детали или часть деталей из нержавеющей стали.. Сепаратор из безоловянистой бронзы.. |
| 1000813.2RS | Резиновые уплотнения с каждой стороны подшипника. |
| 5-1000813 ЮТТ | Температура отпуска. 160°. Все детали или часть деталей из нержавеющей стали.. |
| 6-1000813 | Шариковый радиальный однорядный подшипник. |
| 6-1000813 Ю1Т | Температура отпуска. 160°. Все детали или часть деталей из нержавеющей стали.. |
| 6-1000813 Ю2 | Все детали или часть деталей из нержавеющей стали.. |
Модификации шарикового подшипника 76-1000813 Ю1Т — это измененное основное конструктивное исполнение 1000813, основные размеры (65x85x10) не отличаются.
| Обозначение | Гост | Конструктивные особенности |
|---|---|---|
| 61813 2BRS Y | ISO | Сепаратор из прессованной латуни. Центрирование шарика. Бесконтактные лабиринтные уплотнения с обеих сторон. |
| 61813 2URS Y | ISO | Сепаратор из прессованной латуни. Центрирование шарика. Специальное манжетное уплотнение с обеих сторон подшипника. |
| 61813 BRS Y | ISO | Сепаратор из прессованной латуни. Центрирование шарика. Бесконтактные лабиринтные уплотнения с одной стороны. |
| 61813 RS Y | ISO | Сепаратор из прессованной латуни. Центрирование шарика. Резиновое уплотнение с одной стороны. |
| 61813 URS Y | ISO | Сепаратор из прессованной латуни. Центрирование шарика. |
| 61813 Z Y | ISO | щит из листовой прессованной стали с одной стороны подшипника. Сепаратор из прессованной латуни. Центрирование шарика. |
| 71813 | ISO | Шариковый радиальный однорядный подшипник. |
| 71813 CD/HCP4A | ISO | Измененная или модифицированная внутренняя конструкция при неизменных основных размерах. Двухкомпонентный штампованный стальной сепаратор с направляющим кольцом. |
| 71813 CD/P4A | ISO | Двухкомпонентный штампованный стальной сепаратор с направляющим кольцом. Точность размеров в соответствии с классом допуска ISO 4. точность вращения лучше чем класс допуска ISO 4. |
| 6813-2RZ | ISO | Шарикоподшипник. С уплотнением и низким коэффициентом трения с обеих сторон. Уплотнение состоит из шайбы из листовой стали с вулканизированной резиной. |
| SS 61813-2RS | ISO | Резиновые уплотнения с каждой стороны подшипника. |
| SS 61813-ZZ | ISO | Защитные металлические шайбы с обеих сторон. |
| SS 61813 | ISO | Шариковый радиальный однорядный подшипник. |
| 6813-2RU | ISO | Non Contact Type Friction Torque = Small High Speed Performance = Good Grease Sealing = Better Than ZZ-Type Dirt Resistance = Better Than ZZ-Type Water Resistance = Better Than ZZ / Inferior To 2RS Operating Temp. -30°C To + 100°C. |
| 6813-2RD | ISO | Облегченное контактное уплотнение с двух сторон.. |
| 6813N | ISO | Канавка для стопорного кольца на наружном кольце. |
| 6813VV | ISO | Защитные металлические шайбы. с обеих сторон подшипника. Бесконтактное уплотнение. (лучше. чем ZZ. Можно использовать в умеренно запыленной среде). |
| 6813LLB | ISO | Уплотнение бесконтактного типа из синтетического каучука. |
| 6813LLU | ISO | Контактное резиновое уплотнение с двух сторон. |
| S61813 | ISO | Шариковый радиальный однорядный подшипник. |
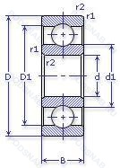
Аналог шарикового подшипника 76-1000813 Ю1Т — это подшипник такого же размера dx65,Dx85,Bx10, типа и конструкции.
| Обозначение | Конструктивные особенности | Внутренний (d) | Наружный (D) | Ширина (B) |
|---|---|---|---|---|
| 7813CG/GNP4 | Шариковый радиально-упорный однорядный подшипник. Универсальный подшипник. Класс точности JIS4 / ISO 4. Резьбовой винт со стопором и защелкой. | 65.00 | 85.00 | 10.00 |
| 7813CG/GNP42 | Шариковый радиально-упорный однорядный подшипник. Универсальный подшипник. Резьбовой винт со стопором и защелкой. Класс точности JIS4 для размеров и JIS 2 для точности вращения. | 65.00 | 85.00 | 10.00 |
| 71813 ACD/P4 | Шариковый радиально-упорный однорядный подшипник. Однорядный с улучшенной конструкцией и углом контакта 25°. Класс точности. | 65.00 | 85.00 | 10.00 |
| 71813 CD/HCP4 | Шариковый радиально-упорный однорядный подшипник. Двухкомпонентный штампованный стальной сепаратор с направляющим кольцом. | 65.00 | 85.00 | 10.00 |
| 71813 ACD/HCP4 | Шариковый радиально-упорный однорядный подшипник. Однорядный с улучшенной конструкцией и углом контакта 25°. | 65.00 | 85.00 | 10.00 |
| 71813 CD/P4 | Шариковый радиально-упорный однорядный подшипник. Двухкомпонентный штампованный стальной сепаратор с направляющим кольцом. Класс точности. | 65.00 | 85.00 | 10.00 |
| SEA65/NS 7CE3 | Шариковый радиально-упорный однорядный подшипник. Шарики из нитрида кремния Si3N4 (гибридные подшипники). Керамические шарики. | 65.00 | 85.00 | 10.00 |
| SEA65/NS 7CE1 | Шариковый радиально-упорный однорядный подшипник. Шарики из нитрида кремния Si3N4 (гибридные подшипники). Керамические шарики. | 65.00 | 85.00 | 10.00 |
| 7813C | Шариковый радиально-упорный однорядный подшипник. Угол контакта 15°. | 65.00 | 85.00 | 10.00 |
| 71813-B-TVH | Шариковый радиально-упорный однорядный подшипник. Модифицированная внутренняя конструкция. Твердая клетка из полиамида. | 65.00 | 85.00 | 10.00 |
| 71813 C | Шариковый радиально-упорный однорядный подшипник. 15° Угол контакта. | 65.00 | 85.00 | 10.00 |
| 71813 A | Шариковый радиально-упорный однорядный подшипник. Двухрядный радиально-упорный шарикоподшипник без отверстия для смазки. | 65.00 | 85.00 | 10.00 |
| W 61813-2RS1 | Шариковый радиальный подшипник. Усиленные листовой сталью контактные уплотнения из акрилонитрил-бутадиенового каучука (NBR) с обеих сторон подшипника. Нержавеющая сталь. | 65.00 | 85.00 | 10.00 |
| W 61813 | Шариковый радиальный подшипник. Нержавеющая сталь. | 65.00 | 85.00 | 10.00 |
| W 61813-2Z | Шариковый радиальный подшипник. Защитные металлические шайбы с обеих сторон подшипника. Нержавеющая сталь. | 65.00 | 85.00 | 10.00 |
Способы доставки
Отправка через ведущие транспортные и курьерские компании: ПЭК, Деловые Линии, СДЭК, Байкал-Сервис, Энергия, КИТ, ЖелДорЭкспедиция.
Самовывоз возможен напрямую со склада в Москве.
Сроки доставки
Срок зависит от региона и выбранной транспортной компании. Все заказы комплектуются и отправляются в кратчайшие сроки со склада в Москве.
Надёжность и сохранность
Вся продукция упаковывается с учётом требований транспортировки. Мы гарантируем, что подшипники и комплектующие прибудут к заказчику в полной сохранности.
Доставка в страны ЕАЭС
Мы работаем с проверенными логистическими партнёрами, что позволяет оперативно доставлять заказы в Беларусь, Казахстан, Армению и другие страны ЕАЭС.
Варианты оплаты:
Минимальная сумма заказа и скидки:
Документы и гарантии:
Да, конечно! Наши технические специалисты готовы помочь вам с подбором точного аналога или замены подшипника. Просто позвоните нам по телефону +7 (495) 104-99-04 или напишите на почту zakaz@podsnab.ru.
Для оперативной консультации подготовьте, пожалуйста, имеющиеся данные: маркировку, размеры, тип оборудования или артикул старого подшипника.
Да, конечно! Мы высоко ценим долгосрочное сотрудничество и доверие клиентов по всей России. Для постоянных клиентов действует персональная система скидок.
Условия формируются индивидуально и зависят от:
Чтобы узнать свои условия и получить максимально выгодное предложение, свяжитесь с персональным менеджером или напишите нам на почту zakaz@podsnab.ru.
Вы можете оформить заказ несколькими способами:
Для оформления заказа от юридического лица свяжитесь с нашим отделом по работе с корпоративными клиентами по телефону +7 (495) 104-99-04 или напишите на email zakaz@podsnab.ru, прикрепив реквизиты вашей организации.
Мы оперативно подготовим коммерческое предложение и выставим счет.
Возврат товара надлежащего качества возможен в течение 10 дней с момента получения, если товар не был в употреблении, сохранен товарный вид, упаковка не вскрывалась и присутствуют все сопроводительные документы.
Возврат денежных средств осуществляется в течение 10 рабочих дней после проверки товара складом.
В соответствии с законодательством возврату не подлежат подшипники надлежащего качества, если отсутствует оригинальная упаковка или имеются следы монтажа.
В случае выявления брака или гарантийного случая мы гарантируем возврат или обмен товара.
Да, гарантийный срок хранения устанавливается заводом-изготовителем и в среднем составляет 2 года при соблюдении условий хранения: сухое помещение, оригинальная упаковка и смазка.
Точный срок для конкретного типа подшипника уточняйте у наших менеджеров.
Пн–Пт: с 8:00 до 17:00 (МСК).
Сб–Вс: выходные дни.
Заказы на сайте принимаются круглосуточно. Заявки, поступившие после окончания рабочего дня, обрабатываются на следующий рабочий день.
Минимальная сумма заказа для доставки составляет 3000 рублей. Самовывоз со склада возможен на любую сумму при наличии товара.
ООО «УралТехГрупп»
ИНН: 7415093830
КПП: 772401001
ОГРН: 1167456069021
Банк: ПАО Сбербанк
Р/с: 40702810838000475273
К/с: 30101810400000000225
БИК: 044525225
У подшипника 76-1000813 Ю1Т пока нет отзывов. Вы можете стать первым покупателем, поделившимся своим мнением.