Поиск подшипника
Статьи
6-300 АШ — Шариковый радиальный однорядный подшипник, модификация основного исполнения 300, производство ГПЗ.
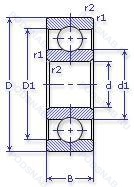
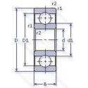
Размер подшипника: 10x35x11 мм.
Повышенная грузоподъемность, нормы шумности.
Государственный стандарт ГОСТ
6300АШ
В наличии
| Обозначение | Конструктивные изменения |
|---|---|
| 70-300 Г | Сепаратор из черных металлов.. |
| 5-300 АШ2 | Нормы шумности. Повышенная грузоподъемность. |
| 6-300 АШ1 | Повышенная грузоподъемность. Нормы шумности. |
| 6300 | Шариковый радиальный однорядный подшипник. |
| 70300 | Шариковый радиальный однорядный подшипник. |
| 300 | Шариковый радиальный однорядный подшипник. Основное конструктивное исполнение. |
| 300-А | Повышенная грузоподъемность. |
Модификации шарикового подшипника 6-300 АШ — это измененное основное конструктивное исполнение 300, основные размеры (10x35x11) не отличаются.
| Обозначение | Гост | Конструктивные особенности |
|---|---|---|
| 6300-RS2 | ISO | Contact Seal Of Fluoro Rubber (FPM) With Sheet Steel Reinforcement On One Side Of The Bearing. |
| 6300LLH | ISO | Манжетное уплотнение с обеих сторон подшипника. |
| AC-6300ZZ | ISO | Защитные металлические шайбы с обеих сторон. Подшипник с предотвращением от проворота. |
| AC-6300 | ISO | Уплотнение из полиакрила. Подшипник с предотвращением от проворота. |
| AC-6300LLB | ISO | Уплотнение бесконтактного типа из синтетического каучука. Подшипник с предотвращением от проворота. |
| AC-6300LLU | ISO | Контактное резиновое уплотнение с двух сторон. Подшипник с предотвращением от проворота. |
| EC-6300 | ISO | Подшипник с компенсацией теплового расширения для общего применения. |
| EC-6300LLU | ISO | Контактное резиновое уплотнение с двух сторон. Подшипник с компенсацией теплового расширения для общего применения. |
| EC-6300LLB | ISO | Подшипник с компенсацией теплового расширения для общего применения. Уплотнение бесконтактного типа из синтетического каучука. |
| EC-6300ZZ | ISO | Защитные металлические шайбы с обеих сторон. Подшипник с компенсацией теплового расширения для общего применения. |
| 6300-2RSL | ISO | Sheet Steel Reinforced Low Friction Contact Seal Of Acrylonitrile-Butadiene Rubber (NBR) On Both Sides Of The Bearing. |
| 6300-RSH | ISO | Резиновое уплотнение с одной стороны. |
| 6300-RSL | ISO | Sheet Steel Reinforced Low Friction Contact Seal Of Acrylonitrile-Butadiene Rubber (NBR) On One Side Of The Bearing. |
| 6300-2Z/VA201 | ISO | Защитные металлические шайбы с обеих сторон подшипника. Подшипник для высокотемпературных применений (например. печных тележек). |
| 6300FT150ZZ | ISO | Ассортимент TOPLINE для высокой температуры - Максимум 150 С° со стальными защитными пластинами с обеих сторон. |
| P6300-SB | ISO | Double Row. Angular Contact. Non-Filling Notch Bearing. With Outwardly Convergent Угол контактаs. Rigid Design. |
| P6300-GB | ISO | Подшипник для универсального монтажа. Два подшипника. установленные по О-образной или Х-образной схеме. имеют средний преднатяг. |
| S6300-2Z | ISO | Защитные металлические шайбы с обеих сторон подшипника. |
| 6200/35-2Z | ISO | Защитные металлические шайбы с обеих сторон подшипника. 2.3/16. |
| 180300-А | ГОСТ | Повышенная грузоподъемность. |
Аналог шарикового подшипника 6-300 АШ — это подшипник такого же размера dx10,Dx35,Bx11, типа и конструкции.
| Обозначение | Конструктивные особенности | Внутренний (d) | Наружный (D) | Ширина (B) |
|---|---|---|---|---|
| 7300DT | Шариковый радиально-упорный двухрядный подшипник. Дуплексные подшипники для установки в тандеме. | 10.00 | 35.00 | 11.00 |
| 7300BDF | Шариковый радиально-упорный двухрядный подшипник. Угол контакта 40°. | 10.00 | 35.00 | 11.00 |
| 7300BDB | Шариковый радиально-упорный двухрядный подшипник. Угол контакта 40°. | 10.00 | 35.00 | 11.00 |
| 7300DB | Шариковый радиально-упорный двухрядный подшипник. Two Single Row Deep Groove Ball Bearings. Single Row Angular Contact Ball Bearings Or Single Row Tapered Roller Bearings Matched For Mounting In A Back-To-Back Arrangement. | 10.00 | 35.00 | 11.00 |
| 7300DF | Шариковый радиально-упорный двухрядный подшипник. Комплект из двух подшипников. согласованных для установки по Х-образной схеме. Число. следующее непосредственно после букв DF. обозначает конструкцию промежуточного кольца. | 10.00 | 35.00 | 11.00 |
| 7300BG | Шариковый радиально-упорный однорядный подшипник. 40° Угол контакта. | 10.00 | 35.00 | 11.00 |
| 7300B-2RS | Шариковый радиально-упорный однорядный подшипник. Резиновые уплотнения с каждой стороны подшипника. Конический роликовый подшипник. Угол контакта 20 градусов. | 10.00 | 35.00 | 11.00 |
| S7300B | Шариковый радиально-упорный однорядный подшипник. Конический роликовый подшипник. Угол контакта 20 градусов. | 10.00 | 35.00 | 11.00 |
| 7300 A | Шариковый радиально-упорный однорядный подшипник. Двухрядный радиально-упорный шарикоподшипник без отверстия для смазки. | 10.00 | 35.00 | 11.00 |
| 7300C | Шариковый радиально-упорный однорядный подшипник. 15° Угол контакта. | 10.00 | 35.00 | 11.00 |
| 26300К | Шариковый радиально-упорный однорядный подшипник. «Замок» (скос) на внутреннем кольце плюс массивный сепаратор из текстолита. | 10.00 | 35.00 | 11.00 |
| 36300К | Шариковый радиально-упорный однорядный подшипник. «Замок» (скос) на внутреннем кольце плюс массивный сепаратор из текстолита. | 10.00 | 35.00 | 11.00 |
| W 6300-2RZ | Шариковый радиальный подшипник. Шарикоподшипник. С уплотнением и низким коэффициентом трения с обеих сторон. Уплотнение состоит из шайбы из листовой стали с вулканизированной резиной. Нержавеющая сталь. | 10.00 | 35.00 | 11.00 |
| W 6300 | Шариковый радиальный подшипник. Нержавеющая сталь. | 10.00 | 35.00 | 11.00 |
| 46300К | Шариковый радиально-упорный однорядный подшипник. «Замок» (скос) на внутреннем кольце плюс массивный сепаратор из текстолита. | 10.00 | 35.00 | 11.00 |
Способы доставки
Отправка через ведущие транспортные и курьерские компании: ПЭК, Деловые Линии, СДЭК, Байкал-Сервис, Энергия, КИТ, ЖелДорЭкспедиция.
Самовывоз возможен напрямую со склада в Москве.
Сроки доставки
Срок зависит от региона и выбранной транспортной компании. Все заказы комплектуются и отправляются в кратчайшие сроки со склада в Москве.
Надёжность и сохранность
Вся продукция упаковывается с учётом требований транспортировки. Мы гарантируем, что подшипники и комплектующие прибудут к заказчику в полной сохранности.
Доставка в страны ЕАЭС
Мы работаем с проверенными логистическими партнёрами, что позволяет оперативно доставлять заказы в Беларусь, Казахстан, Армению и другие страны ЕАЭС.
Варианты оплаты:
Минимальная сумма заказа и скидки:
Документы и гарантии:
Да, конечно! Наши технические специалисты готовы помочь вам с подбором точного аналога или замены подшипника. Просто позвоните нам по телефону +7 (495) 104-99-04 или напишите на почту zakaz@podsnab.ru.
Для оперативной консультации подготовьте, пожалуйста, имеющиеся данные: маркировку, размеры, тип оборудования или артикул старого подшипника.
Да, конечно! Мы высоко ценим долгосрочное сотрудничество и доверие клиентов по всей России. Для постоянных клиентов действует персональная система скидок.
Условия формируются индивидуально и зависят от:
Чтобы узнать свои условия и получить максимально выгодное предложение, свяжитесь с персональным менеджером или напишите нам на почту zakaz@podsnab.ru.
Вы можете оформить заказ несколькими способами:
Для оформления заказа от юридического лица свяжитесь с нашим отделом по работе с корпоративными клиентами по телефону +7 (495) 104-99-04 или напишите на email zakaz@podsnab.ru, прикрепив реквизиты вашей организации.
Мы оперативно подготовим коммерческое предложение и выставим счет.
Возврат товара надлежащего качества возможен в течение 10 дней с момента получения, если товар не был в употреблении, сохранен товарный вид, упаковка не вскрывалась и присутствуют все сопроводительные документы.
Возврат денежных средств осуществляется в течение 10 рабочих дней после проверки товара складом.
В соответствии с законодательством возврату не подлежат подшипники надлежащего качества, если отсутствует оригинальная упаковка или имеются следы монтажа.
В случае выявления брака или гарантийного случая мы гарантируем возврат или обмен товара.
Да, гарантийный срок хранения устанавливается заводом-изготовителем и в среднем составляет 2 года при соблюдении условий хранения: сухое помещение, оригинальная упаковка и смазка.
Точный срок для конкретного типа подшипника уточняйте у наших менеджеров.
Пн–Пт: с 8:00 до 17:00 (МСК).
Сб–Вс: выходные дни.
Заказы на сайте принимаются круглосуточно. Заявки, поступившие после окончания рабочего дня, обрабатываются на следующий рабочий день.
Минимальная сумма заказа для доставки составляет 3000 рублей. Самовывоз со склада возможен на любую сумму при наличии товара.
ООО «УралТехГрупп»
ИНН: 7415093830
КПП: 772401001
ОГРН: 1167456069021
Банк: ПАО Сбербанк
Р/с: 40702810838000475273
К/с: 30101810400000000225
БИК: 044525225
У подшипника 6-300 АШ пока нет отзывов. Вы можете стать первым покупателем, поделившимся своим мнением.