Поиск подшипника
Статьи
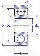
6-320 А — Шариковый радиальный однорядный подшипник, модификация основного исполнения 320, производство ГПЗ.
Размер подшипника: 100x215x47 мм.
Повышенная грузоподъемность.
Государственный стандарт ГОСТ
6320А
В наличии
| Обозначение | Конструктивные изменения |
|---|---|
| С8-320 Л | Сепаратор из латуни.. |
| 8-320 Е | Сепаратор из текстолита.. |
| 70-320 Л | Сепаратор из латуни.. |
| 80-320 Л | Сепаратор из латуни.. |
| 6-320 АШ1 | Повышенная грузоподъемность. Нормы шумности. |
| 6-320 АШ | Повышенная грузоподъемность. Нормы шумности. |
| 76-320 АЛШ1 | Сепаратор из латуни.. Повышенная грузоподъемность. Нормы шумности. |
| 76-320 АШ1 | Повышенная грузоподъемность. Нормы шумности. |
| 76-320 АШ | Повышенная грузоподъемность. Нормы шумности. |
| 6320 | Шариковый радиальный однорядный подшипник. |
| 6-320 Ш1 | Нормы шумности. |
| 75-320 ЕШ2 | Сепаратор из текстолита.. Нормы шумности. |
| 76-320 ЕШ2У | Сепаратор из текстолита.. Дополнительные технические требования. Нормы шумности. |
| 76-320 Ш1 | Нормы шумности. |
| 76-320 Ш2У | Дополнительные технические требования. Нормы шумности. |
| 320 | Шариковый радиальный однорядный подшипник. Основное конструктивное исполнение. |
| 20-320-Л | Сепаратор из латуни.. |
| 2В20-320 Л | Сепаратор из латуни.. |
| 2В30-320 Е | Сепаратор из текстолита.. |
| 30-320 Е | Сепаратор из текстолита.. |
| 320-А | Повышенная грузоподъемность. |
| 320-АЛ | Сепаратор из латуни.. Повышенная грузоподъемность. |
| 320-Л | Сепаратор из латуни.. |
| 320Е | Сепаратор из текстолита.. |
| 36-320 Т1 | 180°. Температура отпуска. |
Модификации шарикового подшипника 6-320 А — это измененное основное конструктивное исполнение 320, основные размеры (100x215x47) не отличаются.
| Обозначение | Гост | Конструктивные особенности |
|---|---|---|
| 6-80320 АL19Ш1 | ГОСТ | Lubricant. Mobil Oil Co.. Mobil 28 Grease. MIL-G-81322 High/Low Temperature -62°C/+176°C. Повышенная грузоподъемность. Нормы шумности. |
| 6-80320 АL24Т2Ш1 | ГОСТ | 200°. Температура отпуска. Повышенная грузоподъемность. Нормы шумности. |
| 6-80320 АW24Ш1 | ГОСТ | Повышенная грузоподъемность. Нормы шумности. Смазка пластичная Shell Alvania Greases G2. |
| 6-80320 АW24Ш | ГОСТ | Повышенная грузоподъемность. Нормы шумности. Смазка пластичная Shell Alvania Greases G2. |
| 76-80320 АШ1 | ГОСТ | Повышенная грузоподъемность. Нормы шумности. |
| 76-80320 АL19Ш1 | ГОСТ | Lubricant. Mobil Oil Co.. Mobil 28 Grease. MIL-G-81322 High/Low Temperature -62°C/+176°C. Повышенная грузоподъемность. Нормы шумности. |
| 76-80320 АW24Ш1 | ГОСТ | Повышенная грузоподъемность. Нормы шумности. Смазка пластичная Shell Alvania Greases G2. |
| M6320 | ISO | Шарикоподшипник максимальной грузоподъемности. |
| M6320ZZX | ISO | Шарикоподшипник максимальной грузоподъемности. |
| 6320-2RU | ISO | Non Contact Type Friction Torque = Small High Speed Performance = Good Grease Sealing = Better Than ZZ-Type Dirt Resistance = Better Than ZZ-Type Water Resistance = Better Than ZZ / Inferior To 2RS Operating Temp. -30°C To + 100°C. |
| 6320ZX | ISO | Съемная защитная шайба с одной стороны. |
| 6320-2NK | ISO | Double Labyrinth Seal (Non Contact). |
| 6320NSL | ISO | Резиновое уплотнение с одной стороны. |
| 6320NK | ISO | One Labyrinth Seal (Non Contact). |
| 74-170320 Е1Ш8 | ГОСТ | Сепаратор из текстолита.. Нормы шумности. |
| 74-170320 ЕШ5 | ГОСТ | Сепаратор из текстолита.. Нормы шумности. |
| 75-170320 ЕШ2 | ГОСТ | Сепаратор из текстолита.. Нормы шумности. |
| 75-170320 ЕШ3 | ГОСТ | Сепаратор из текстолита.. Нормы шумности. |
| 6320LLB | ISO | Уплотнение бесконтактного типа из синтетического каучука. |
| 6320NR | ISO | Канавка и стопорное кольцо на наружном кольце. |
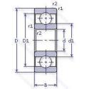
Аналог шарикового подшипника 6-320 А — это подшипник такого же размера dx100,Dx215,Bx47, типа и конструкции.
| Обозначение | Конструктивные особенности | Внутренний (d) | Наружный (D) | Ширина (B) |
|---|---|---|---|---|
| 70-32320 К1МШ | Роликовый радиальный однорядный подшипник. Модифицированный контакт.. Нормы шумности. | 100.00 | 215.00 | 47.00 |
| 70-42320 М | Роликовый радиальный однорядный подшипник. Модифицированный контакт.. | 100.00 | 215.00 | 47.00 |
| 76-2320 КМ | Роликовый радиальный однорядный подшипник. Модифицированный контакт.. | 100.00 | 215.00 | 47.00 |
| 8-12320 МГ5 | Роликовый радиальный однорядный подшипник. Модифицированный контакт.. Сепаратор из черных металлов.. | 100.00 | 215.00 | 47.00 |
| 1320S | Шариковый сферический двухрядный подшипник. Запечатанная версия кулачкового ролика. | 100.00 | 215.00 | 47.00 |
| 7603100-TVP | Шариковый упорный однорядный подшипник. Molded Snap-Type Cage Of Glass Fibre Reinforced Polyamide. Rolling Element Riding. | 100.00 | 215.00 | 47.00 |
| 42320-Л | Роликовый радиальный однорядный подшипник. Сепаратор из латуни.. | 100.00 | 215.00 | 47.00 |
| 42320-М | Роликовый радиальный однорядный подшипник. Модифицированный контакт.. | 100.00 | 215.00 | 47.00 |
| 45-176320 ЕШ2 | Шариковый радиально-упорный однорядный подшипник. Сепаратор из текстолита.. Нормы шумности. | 100.00 | 215.00 | 47.00 |
| 46320-Л | Шариковый радиально-упорный однорядный подшипник. Сепаратор из латуни.. | 100.00 | 215.00 | 47.00 |
| 46320Е | Шариковый радиально-упорный однорядный подшипник. Сепаратор из текстолита.. | 100.00 | 215.00 | 47.00 |
| 46320К | Шариковый радиально-упорный однорядный подшипник. «Замок» (скос) на внутреннем кольце плюс массивный сепаратор из текстолита. | 100.00 | 215.00 | 47.00 |
| 5-32320 К1МШ2 | Роликовый радиальный однорядный подшипник. Модифицированный контакт.. Нормы шумности. | 100.00 | 215.00 | 47.00 |
| 52320-М | Роликовый радиальный подшипник. Модифицированный контакт.. | 100.00 | 215.00 | 47.00 |
| 6-12320 МГ5 | Роликовый радиальный однорядный подшипник. Модифицированный контакт.. Сепаратор из черных металлов.. | 100.00 | 215.00 | 47.00 |
Способы доставки
Отправка через ведущие транспортные и курьерские компании: ПЭК, Деловые Линии, СДЭК, Байкал-Сервис, Энергия, КИТ, ЖелДорЭкспедиция.
Самовывоз возможен напрямую со склада в Москве.
Сроки доставки
Срок зависит от региона и выбранной транспортной компании. Все заказы комплектуются и отправляются в кратчайшие сроки со склада в Москве.
Надёжность и сохранность
Вся продукция упаковывается с учётом требований транспортировки. Мы гарантируем, что подшипники и комплектующие прибудут к заказчику в полной сохранности.
Доставка в страны ЕАЭС
Мы работаем с проверенными логистическими партнёрами, что позволяет оперативно доставлять заказы в Беларусь, Казахстан, Армению и другие страны ЕАЭС.
Варианты оплаты:
Минимальная сумма заказа и скидки:
Документы и гарантии:
Да, конечно! Наши технические специалисты готовы помочь вам с подбором точного аналога или замены подшипника. Просто позвоните нам по телефону +7 (495) 104-99-04 или напишите на почту zakaz@podsnab.ru.
Для оперативной консультации подготовьте, пожалуйста, имеющиеся данные: маркировку, размеры, тип оборудования или артикул старого подшипника.
Да, конечно! Мы высоко ценим долгосрочное сотрудничество и доверие клиентов по всей России. Для постоянных клиентов действует персональная система скидок.
Условия формируются индивидуально и зависят от:
Чтобы узнать свои условия и получить максимально выгодное предложение, свяжитесь с персональным менеджером или напишите нам на почту zakaz@podsnab.ru.
Вы можете оформить заказ несколькими способами:
Для оформления заказа от юридического лица свяжитесь с нашим отделом по работе с корпоративными клиентами по телефону +7 (495) 104-99-04 или напишите на email zakaz@podsnab.ru, прикрепив реквизиты вашей организации.
Мы оперативно подготовим коммерческое предложение и выставим счет.
Возврат товара надлежащего качества возможен в течение 10 дней с момента получения, если товар не был в употреблении, сохранен товарный вид, упаковка не вскрывалась и присутствуют все сопроводительные документы.
Возврат денежных средств осуществляется в течение 10 рабочих дней после проверки товара складом.
В соответствии с законодательством возврату не подлежат подшипники надлежащего качества, если отсутствует оригинальная упаковка или имеются следы монтажа.
В случае выявления брака или гарантийного случая мы гарантируем возврат или обмен товара.
Да, гарантийный срок хранения устанавливается заводом-изготовителем и в среднем составляет 2 года при соблюдении условий хранения: сухое помещение, оригинальная упаковка и смазка.
Точный срок для конкретного типа подшипника уточняйте у наших менеджеров.
Пн–Пт: с 8:00 до 17:00 (МСК).
Сб–Вс: выходные дни.
Заказы на сайте принимаются круглосуточно. Заявки, поступившие после окончания рабочего дня, обрабатываются на следующий рабочий день.
Минимальная сумма заказа для доставки составляет 3000 рублей. Самовывоз со склада возможен на любую сумму при наличии товара.
ООО «УралТехГрупп»
ИНН: 7415093830
КПП: 772401001
ОГРН: 1167456069021
Банк: ПАО Сбербанк
Р/с: 40702810838000475273
К/с: 30101810400000000225
БИК: 044525225
У подшипника 6-320 А пока нет отзывов. Вы можете стать первым покупателем, поделившимся своим мнением.