Поиск подшипника
Статьи
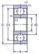
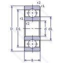
7000106-АШ — Шариковый радиальный однорядный подшипник, модификация основного исполнения 7000106, производство ГПЗ.
Размер подшипника: 30x55x9 мм.
Повышенная грузоподъемность, нормы шумности.
Государственный стандарт ГОСТ
7000106АШ
В наличии
| Обозначение | Конструктивные изменения |
|---|---|
| 4-7000106 А1Ш3 | Повышенная грузоподъемность. Нормы шумности. |
| 6-7000106-АШ1 | Повышенная грузоподъемность. Нормы шумности. |
| 6-7000106-АШ | Повышенная грузоподъемность. Нормы шумности. |
| 6-7000106-А1Ш1 | Повышенная грузоподъемность. Нормы шумности. |
| 6-7000106-Ш1 | Нормы шумности. |
| 6-7000106-Б | Сепаратор из безоловянистой бронзы.. |
| 6-7000106-БТ2 | 200°. Температура отпуска. Сепаратор из безоловянистой бронзы.. |
| 6-7000106-ЮТ | Температура отпуска. 160°. Все детали или часть деталей из нержавеющей стали.. |
| 70-7000106-Б | Сепаратор из безоловянистой бронзы.. |
| 70-7000106-БТ2 | 200°. Температура отпуска. Сепаратор из безоловянистой бронзы.. |
| 7000106-А | Повышенная грузоподъемность. |
| 7000106-Б | Сепаратор из безоловянистой бронзы.. |
| 7000106-БТ2 | 200°. Температура отпуска. Сепаратор из безоловянистой бронзы.. |
| 7000106-Е | Сепаратор из текстолита.. |
| 7000106-К1 | «Замок» (скос) на внутреннем кольце плюс массивный сепаратор из текстолита. |
| 7000106-Л | Сепаратор из латуни.. |
| 7000106-ЮТ | Температура отпуска. 160°. Все детали или часть деталей из нержавеющей стали.. |
| 76-7000106 Б | Сепаратор из безоловянистой бронзы.. |
| 76-7000106 БТ2 | 200°. Температура отпуска. Сепаратор из безоловянистой бронзы.. |
| 76-7000106 Е | Сепаратор из текстолита.. |
| 76-7000106 ЮТ | Температура отпуска. 160°. Все детали или часть деталей из нержавеющей стали.. |
| 26-7000106 Б | Сепаратор из безоловянистой бронзы.. |
| 36-7000106 БТ2 | 200°. Температура отпуска. Сепаратор из безоловянистой бронзы.. |
| 4-7000106 Б | Сепаратор из безоловянистой бронзы.. |
| 5-7000106 Б | Сепаратор из безоловянистой бронзы.. |
Модификации шарикового подшипника 7000106-АШ — это измененное основное конструктивное исполнение 7000106, основные размеры (30x55x9) не отличаются.
| Обозначение | Гост | Конструктивные особенности |
|---|---|---|
| 16006/HR11QN | ISO | Шариковый радиальный однорядный подшипник. |
| 16006/HR11TN | ISO | Шариковый радиальный однорядный подшипник. |
| 16006/HR22Q2 | ISO | Шариковый радиальный однорядный подшипник. |
| 16006/HR22T2 | ISO | Шариковый радиальный однорядный подшипник. |
Аналог шарикового подшипника 7000106-АШ — это подшипник такого же размера dx30,Dx55,Bx9, типа и конструкции.
| Обозначение | Конструктивные особенности | Внутренний (d) | Наружный (D) | Ширина (B) |
|---|---|---|---|---|
| CRBH 3010 A | Роликовый упорный двухрядный подшипник. Двухрядный радиально-упорный шарикоподшипник без отверстия для смазки. | 30.00 | 55.00 | 10.00 |
| CRBH 3010 A UU | Роликовый упорный двухрядный подшипник. Двухрядный радиально-упорный шарикоподшипник без отверстия для смазки. Символ защиты от загрязнения. | 30.00 | 55.00 | 10.00 |
| CRBC 3010 UU | Роликовый упорный двухрядный подшипник. Символ защиты от загрязнения. | 30.00 | 55.00 | 10.00 |
| CRB 3010 UU | Роликовый упорный двухрядный подшипник. Символ защиты от загрязнения. | 30.00 | 55.00 | 10.00 |
| 16006M | Подшипник однорядный шариковый радиальный. Механически обработанный латунный сепаратор .Расположенный на элементах качения. | 30.00 | 55.00 | 9.00 |
| 16006-A | Подшипник однорядный шариковый радиальный. Модификация внутренней конструкции. | 30.00 | 55.00 | 9.00 |
| 16006P6 | Подшипник однорядный шариковый радиальный. Размерные и геометрические допуски соответствуют классу точности P6. | 30.00 | 55.00 | 9.00 |
| 16006-A-2Z | Подшипник однорядный шариковый радиальный. Модификация внутренней конструкции. Защитные металлические шайбы с обеих сторон. | 30.00 | 55.00 | 9.00 |
| 16006-A-C3 | Подшипник однорядный шариковый радиальный. Внутренний зазор больше нормального. Модификация внутренней конструкции. | 30.00 | 55.00 | 9.00 |
| 16006-A-2Z-L212 | Подшипник однорядный шариковый радиальный. Модификация внутренней конструкции. Защитные металлические шайбы с обеих сторон. Temperature Range -45°C / 180°C. Longtime Limit Temperature 110°C. | 30.00 | 55.00 | 9.00 |
| 16006-2Z-C3 | Подшипник однорядный шариковый радиальный. Внутренний зазор больше нормального. Защитные стальные шайбы с обеих сторон. | 30.00 | 55.00 | 9.00 |
| 16006POM | Подшипник однорядный шариковый радиальный. Полимер. | 30.00 | 55.00 | 9.00 |
| 16006P52 | Подшипник однорядный шариковый радиальный. Комбинация P5 (точность размеров и пробега в соответствии с классом допуска ISO 5) и C2 (внутренний зазор подшипника меньше нормального). | 30.00 | 55.00 | 9.00 |
| 16006-A-2Z-C3 | Подшипник однорядный шариковый радиальный. Внутренний зазор больше нормального. Модификация внутренней конструкции. Защитные металлические шайбы с обеих сторон. | 30.00 | 55.00 | 9.00 |
| 16006.2ZR | Подшипник однорядный шариковый радиальный. Защитные металлические шайбы с обеих сторон. | 30.00 | 55.00 | 9.00 |
Способы доставки
Отправка через ведущие транспортные и курьерские компании: ПЭК, Деловые Линии, СДЭК, Байкал-Сервис, Энергия, КИТ, ЖелДорЭкспедиция.
Самовывоз возможен напрямую со склада в Москве.
Сроки доставки
Срок зависит от региона и выбранной транспортной компании. Все заказы комплектуются и отправляются в кратчайшие сроки со склада в Москве.
Надёжность и сохранность
Вся продукция упаковывается с учётом требований транспортировки. Мы гарантируем, что подшипники и комплектующие прибудут к заказчику в полной сохранности.
Доставка в страны ЕАЭС
Мы работаем с проверенными логистическими партнёрами, что позволяет оперативно доставлять заказы в Беларусь, Казахстан, Армению и другие страны ЕАЭС.
Варианты оплаты:
Минимальная сумма заказа и скидки:
Документы и гарантии:
Да, конечно! Наши технические специалисты готовы помочь вам с подбором точного аналога или замены подшипника. Просто позвоните нам по телефону +7 (495) 104-99-04 или напишите на почту zakaz@podsnab.ru.
Для оперативной консультации подготовьте, пожалуйста, имеющиеся данные: маркировку, размеры, тип оборудования или артикул старого подшипника.
Да, конечно! Мы высоко ценим долгосрочное сотрудничество и доверие клиентов по всей России. Для постоянных клиентов действует персональная система скидок.
Условия формируются индивидуально и зависят от:
Чтобы узнать свои условия и получить максимально выгодное предложение, свяжитесь с персональным менеджером или напишите нам на почту zakaz@podsnab.ru.
Вы можете оформить заказ несколькими способами:
Для оформления заказа от юридического лица свяжитесь с нашим отделом по работе с корпоративными клиентами по телефону +7 (495) 104-99-04 или напишите на email zakaz@podsnab.ru, прикрепив реквизиты вашей организации.
Мы оперативно подготовим коммерческое предложение и выставим счет.
Возврат товара надлежащего качества возможен в течение 10 дней с момента получения, если товар не был в употреблении, сохранен товарный вид, упаковка не вскрывалась и присутствуют все сопроводительные документы.
Возврат денежных средств осуществляется в течение 10 рабочих дней после проверки товара складом.
В соответствии с законодательством возврату не подлежат подшипники надлежащего качества, если отсутствует оригинальная упаковка или имеются следы монтажа.
В случае выявления брака или гарантийного случая мы гарантируем возврат или обмен товара.
Да, гарантийный срок хранения устанавливается заводом-изготовителем и в среднем составляет 2 года при соблюдении условий хранения: сухое помещение, оригинальная упаковка и смазка.
Точный срок для конкретного типа подшипника уточняйте у наших менеджеров.
Пн–Пт: с 8:00 до 17:00 (МСК).
Сб–Вс: выходные дни.
Заказы на сайте принимаются круглосуточно. Заявки, поступившие после окончания рабочего дня, обрабатываются на следующий рабочий день.
Минимальная сумма заказа для доставки составляет 3000 рублей. Самовывоз со склада возможен на любую сумму при наличии товара.
ООО «УралТехГрупп»
ИНН: 7415093830
КПП: 772401001
ОГРН: 1167456069021
Банк: ПАО Сбербанк
Р/с: 40702810838000475273
К/с: 30101810400000000225
БИК: 044525225
У подшипника 7000106-АШ пока нет отзывов. Вы можете стать первым покупателем, поделившимся своим мнением.